2024年初中物理同步练习《15.3+串联和并联》
展开一.选择题(共16小题)
1.带有烘干功能的滚筒洗衣机,要求洗衣和烘干均能独立进行。下列电路设计符合要求的( )
A.B.C.D.
2.小明家所在的小区安装了自动售水机。售水机既可以通过刷卡闭合“感应开关”,接通供水电机取水,也可以通过投币闭合“投币开关”,接通供水电机取水;光线较暗时“光控开关”自动闭合,接通灯泡提供照明。以下简化电路符合要求的是( )
A.B.C.D.
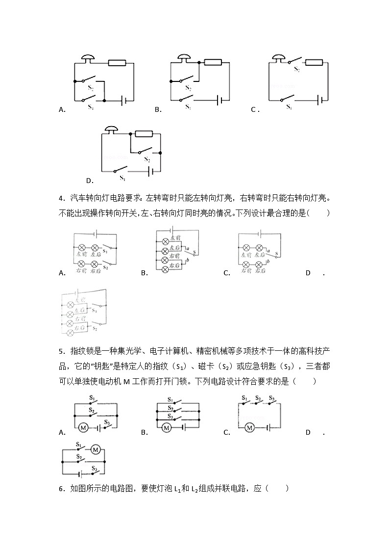
3.小明为养鸡场设计报警电路。养鸡场的前、后门分别装有开关S1,S2,动物闯入时开关会自动闭合。要求:
只要动物闯入任意一个门,电铃都能响起报警。图中符合设计要求的是( )
A.B.C.D.
4.汽车转向灯电路要求:左转弯时只能左转向灯亮,右转弯时只能右转向灯亮。不能出现操作转向开关,左、右转向灯同时亮的情况。下列设计最合理的是( )
A.B.C.D.
5.指纹锁是一种集光学、电子计算机、精密机械等多项技术于一体的高科技产品,它的“钥匙”是特定人的指纹(S1)、磁卡(S2)或应急钥匙(S3),三者都可以单独使电动机M工作而打开门锁。下列电路设计符合要求的是( )
A.B.C.D.
6.如图所示的电路图,要使灯泡L1和L2组成并联电路,应( )
A.只闭合S1B.只闭合S2C.只闭合S1和S2D.只闭合S2和S3
7.一种声光报警器的电路实物连接如图所示,各元件均能正常工作,下列描述中正确的是( )
A.只闭合S1,灯泡亮,电铃不响
B.只闭合S1,灯泡不亮,电铃响
C.同时闭合S1、S2,灯泡亮,电铃响
D.同时闭合S1、S2,灯泡亮,电铃不响
8.下列描述最符实际的是( )
A.若S1、S2和S3都闭合时,则L1和L2并联
B.若S1、S2和S3都闭合时,则L1和L2串联
C.若S2断开,S1和S3闭合时,则L1和L2并联
D.若S1断开,S2和S3闭合时,则L1和L2串联
9.如图所示电路,若要使L1、L2串联,则( )
A.只闭合S1B.只闭合S2C.只闭合S3D.闭合S1、S2、S3
10.以下四个电路中,开关不能同时控制两个小灯泡的电路是( )
A.B.C.D.
11.小明家的卫生间安装了换气扇和照明灯,换气扇和照明灯的电路连接如图所示,下列说法中正确的是( )
A.换气扇和照明灯不能同时工作
B.换气扇和照明灯只能同时工作
C.开关S1、S2闭合,换气扇和照明灯并联
D.开关S1、S2闭合,换气扇和照明灯串联
12.小华有一发光棒,闭合开关,众小灯齐发光;一段时间后,其中一小灯熄灭,如图所示。关于该小灯熄灭的原因以及众小灯的电路连接方式,下列猜想中合理的是( )
A.若该小灯处断路,众小灯并联;若该小灯处短路,众小灯串联
B.若该小灯处断路,众小灯并联;若该小灯处短路,众小灯并联
C.若该小灯处断路,众小灯串联;若该小灯处短路,众小灯串联
D.若该小灯处断路,众小灯串联:若该小灯处短路,众小灯并联
13.春节是中华民族的传统节日,家家户户张灯结彩喜迎新春,小明也帮助爸爸一起安装家门口的大红灯笼,他发现了很多物理书本上的知识应用,下列说法不正确的是( )
A.拧下一个灯泡,再闭合开关后,另一灯依然工作,说明两灯是并联
B.两个灯正常工作时一样亮,说明它们的实际电功率相同
C.闭合开关后,用导线与一灯并联,两灯均熄灭,家里的其它用电器可以继续工作
D.把开关装在两个灯的干路上可以实现同时工作,同时熄灭
14.小明学习了电学知识后,给蓬溪县交通局建议,在蓬溪中学校门口安装红绿指示灯,以不同颜色的变化保证行人的安全,据你对交通指示灯了解,可以推断出( )
A.红黄绿灯都是串联
B.红灯与黄灯串联后再与绿灯并联
C.红黄绿灯没有关系
D.红黄绿灯都是并联
15.如图所示,汽车装有日间行车灯可以提高行车安全,当汽车启动时,S1闭合,日间行车灯L1立即亮起:再闭合S2车前大灯L2也亮起。符合这一情况的电路图是( )
A.B.C.D.
16.家庭常用的电吹风既能吹冷风又能吹热风。下列电路中最符合电吹风工作要求的是( )
A.B.C.D.
二.作图题(共2小题)
17.设计一个病床呼叫电路。要求:开关S1控制指示灯L1和电铃;开关S2控制指示灯L2和电铃。请在图中连线,形成符合要求的完整电路图。
18.学习了电路相关知识后,小明想给自家的养殖场设计一种呼叫装置,要求前后门来的客人均可呼叫,前门来的客人关闭开关,办公室的电铃响、红灯亮;后门来的客人关闭开关,办公室的电铃响、绿灯亮。请在图中帮助他画出符合要求的电路图(导线不得交叉)。
三.解答题(共3小题)
19.根据所学知识,回答问题
(1)阅读短文,回答问题
三峡工程是一项伟大的工程,主要由大坝、电站厂房和通航建筑物三部分组成。三峡大坝上窄下宽。蓄水位高达175m,水从高处落下,冲击涡轮进行发电,年平均发电量880亿千瓦时,三峡大坝正常蓄水后,上下游水位落差达113m,为方便船只在上、下游之间往返,三峡船闸设有5个闸室。三峡大坝蓄水后,水域面积扩大使附近地区昼夜温差缩小,改变了库区的气候环境。
请在上面的材料中找出与物理相关的描述,并说明所涉及的物理知识,填写下表。(不能与示例相同,物理知识不能重复。)
(2)有人发明了“感应照孔门把手”只有在夜间且有人摸门把手时,锁孔旁的灯才亮,从而方使夜间开锁,它利用感应开关S1(有人摸门把手时,S1闭合;无人摸门把手,S1断开)以及光敏开关S2(天暗时S2闭合,天亮时S2断开)控制电路,达到目的。请根据上述描述,完成电路连接。
20.微波炉的门相当于单刀双掷开关S1,当门打开时,炉内照明灯亮,工作电路不工作;当门关闭时,照明灯熄灭,闭合S2,工作电路可正常工作。请你在图中将两个开关S1、S2和工作电路、照明灯连入电路。
21.周末,小明与父母开车去敬老院做义工。
(1)小明观察发现每个房间有四盏灯、两个开关,每个开关都能独立控制两盏灯,请在图1方框中中画出符合要求的电路图
(2)小明为老人买了一辆电动轮椅,工作原理如图2所示。操纵杆可以同时控制S1和S2两个开关,向前推操纵杆时轮椅前进且能调速,即通过调节滑动变阻器改变电动机的电流,从而达到调速的目的;向后拉操纵杆时轮椅以恒定的速度后退。则当轮椅前进时,开关S1连接触点 ,S2连接触点 ;当轮椅以恒定的速度后退时,开关S1连接触点 ,S2连接触点 。
九年级上学期《15.3 串联和并联》
参考答案与试题解析
一.选择题(共16小题)
1.带有烘干功能的滚筒洗衣机,要求洗衣和烘干均能独立进行。下列电路设计符合要求的( )
A.B.C.D.
【分析】由要求洗衣和烘干均能独立进行可知,加热器和电动机可以独立工作、互不影响即为并联,据此进行解答。
【解答】解:
A.由电路图可知,开关S1闭合时电动机工作,再闭合S2时电动机和加热器并联同时工作,加热器不能独立工作,故A不符合题意;
B.由电路图可知,开关S1闭合时加热器工作,再闭合S2时电动机和加热器并联同时工作,电动机不能独立工作,故B不符合题意;
C.由电路图可知,开关S1闭合时电动机和加热器串联同时工作,再闭合S2时电动机工作,加热器不能独立工作,故C不符合题意;
D.由电路图可知,只闭合S1时电动机工作,只闭合S2时加热器工作,电动机和加热器均能独立进行,故D符合题意。
故选:D。
2.小明家所在的小区安装了自动售水机。售水机既可以通过刷卡闭合“感应开关”,接通供水电机取水,也可以通过投币闭合“投币开关”,接通供水电机取水;光线较暗时“光控开关”自动闭合,接通灯泡提供照明。以下简化电路符合要求的是( )
A.B.C.D.
【分析】根据题意可知,刷卡和投币都可以使电动机工作;光控开关控制照明灯。
【解答】解:
由题知,售水机既可以通过刷卡闭合“感应开关”,接通供水电机取水,也可以通过投币闭合“投币开关”,这说明刷卡和投币互不影响,故感应开关和投币开关应是并联的;
光线较暗时“光控开关”自动闭合,接通灯泡提供照明,这说明灯泡能独立工作,故灯泡与电动机是并联的;结合图示可知,只有A符合题意,BCD不符合题意。
故选:A。
3.小明为养鸡场设计报警电路。养鸡场的前、后门分别装有开关S1,S2,动物闯入时开关会自动闭合。要求:
只要动物闯入任意一个门,电铃都能响起报警。图中符合设计要求的是( )
A.B.C.D.
【分析】串联电路中,各开关相互影响,并联电路中,各开关互不影响,据此结合题意来分析电路的连接方式。
【解答】解:由题意可知,只要动物闯入任意一个门,电铃都能响起报警,这说明这两个开关应该并联,故A符合题意。
故选:A。
4.汽车转向灯电路要求:左转弯时只能左转向灯亮,右转弯时只能右转向灯亮。不能出现操作转向开关,左、右转向灯同时亮的情况。下列设计最合理的是( )
A.B.C.D.
【分析】汽车的每一侧各有两个转向灯,故一共有4个灯泡;根据灯泡的发光情况判定灯泡的连接方式,根据开关的作用判定开关的连接方式。
【解答】解:
由生活常识可知,汽车的每一侧各有两个转向灯,一共有4个灯泡;
由题知,左、右侧的两个灯泡都能各自独立工作且互不影响(同一侧的一个灯泡损坏时,另一灯泡仍然会发光),故每一侧的两个灯泡的连接方式是并联的,故AC错误;
由于在操作过程中,不能出现左、右转向灯同时亮的情况,所以电路中只能有一个控制开关,故B正确,D错误。
故选:B。
5.指纹锁是一种集光学、电子计算机、精密机械等多项技术于一体的高科技产品,它的“钥匙”是特定人的指纹(S1)、磁卡(S2)或应急钥匙(S3),三者都可以单独使电动机M工作而打开门锁。下列电路设计符合要求的是( )
A.B.C.D.
【分析】电动门由电动机控制,三把钥匙相当于两个开关,题意要求三个开关闭合,都能使电动机工作。根据电路的特点来分析解答。
【解答】解:
由题知,三个开关都可以单独控制电动机而打开门锁,所以三个开关应并联再与电动机M串联,故B符合要求,ACD不符合要求。
故选:B。
6.如图所示的电路图,要使灯泡L1和L2组成并联电路,应( )
A.只闭合S1B.只闭合S2C.只闭合S1和S2D.只闭合S2和S3
【分析】电路元件的连接有串联和并联两种方式:由于串联电路只有一条电流路径,流过一个元件的电流同时流过另一个元件,因此各元件相互影响;而并联电路中有多条支路,所以各元件独立工作、互不影响。在进行电路连接时,还一定要注意不能出现电源短路。
【解答】解:A、只闭合S1时,两灯泡串联,故A不合题意;
B、只闭合S2时,电路为断路,故B不合题意
C、只闭合S1和S2时,电流不经过用电器,直接从电源的正极到负极,是短路,故C不符合题意;
D、只闭合S2和S3时电流有两条路径,分别流经灯泡L1和L2,属并联电路,故D符合题意。
故选:D。
7.一种声光报警器的电路实物连接如图所示,各元件均能正常工作,下列描述中正确的是( )
A.只闭合S1,灯泡亮,电铃不响
B.只闭合S1,灯泡不亮,电铃响
C.同时闭合S1、S2,灯泡亮,电铃响
D.同时闭合S1、S2,灯泡亮,电铃不响
【分析】判断开关闭合后,用电器是否可以正常工作,可以从以下几个方面来考虑:①电路是否有电源;②电路中是否有断路的情况;③用电器或电源是否被短路;然后结合各电路的实际情况进行分析。
【解答】解:AB、当只闭合开关S1时,灯泡和电铃串联,它们都能够工作,灯亮铃也响;故AB错误;
CD、当开关S1和S2都闭合时,电铃由于被导线短路没有电流通过,所以只有灯泡可以发光,灯亮,铃不响,故C错误,D正确。
故选:D。
8.下列描述最符实际的是( )
A.若S1、S2和S3都闭合时,则L1和L2并联
B.若S1、S2和S3都闭合时,则L1和L2串联
C.若S2断开,S1和S3闭合时,则L1和L2并联
D.若S1断开,S2和S3闭合时,则L1和L2串联
【分析】分析电路图,得出S1、S2和S3都闭合,S2断开,S1和S3闭合,S1断开,S2和S3闭合三种情况下的电路组成,确定电路的连接方式。
【解答】解:
AB、由图知,若S1、S2和S3都闭合时,电流不经过两盏灯,将发生电源短路,故AB错误;
C、若S2断开,S1和S3闭合时,电路有两条支路,L1和L2并联,故C正确;
D、若S1断开,S2和S3闭合时,电流不经过两盏灯,将发生电源短路,故D错误。
故选:C。
9.如图所示电路,若要使L1、L2串联,则( )
A.只闭合S1B.只闭合S2C.只闭合S3D.闭合S1、S2、S3
【分析】根据串联和并联、短路的概念分析后连接。把几个用电器首尾相接,连入电路就是串联。把几个用电器首首相接,尾尾相接,再连入电路,就是并联,电源短路是指电源两极不经过用电器直接连通的电路。
【解答】解:若只闭合开关S2时,则电流从电源正极出发后,依次经开关S2、灯泡L1、L2回负极,所以它们是串联的;
故选:B。
10.以下四个电路中,开关不能同时控制两个小灯泡的电路是( )
A.B.C.D.
【分析】(1)串联电路:电流只有一条路径,各用电器相互影响,只需要一个开关就可以控制所有的电器;
(2)并联电路:电流有多条电路,各用电器互不影响,干路开关控制整个电路,支路开关控制各自的支路。
【解答】解:
ABD、由图可知,两盏灯并联,开关在干路上,能够同时控制两盏灯,故ABD不符合题意。
C、由图可知,两盏灯并联,开关在下面一条支路上,不能够同时控制两盏灯,故C符合题意;
故选:C。
11.小明家的卫生间安装了换气扇和照明灯,换气扇和照明灯的电路连接如图所示,下列说法中正确的是( )
A.换气扇和照明灯不能同时工作
B.换气扇和照明灯只能同时工作
C.开关S1、S2闭合,换气扇和照明灯并联
D.开关S1、S2闭合,换气扇和照明灯串联
【分析】并联电路的特点:在并联电路中,从电源正极流出的电流在分支处要分为两路,每一路都有电流流过,因此即使某一支路断开,但另一支路仍会与干路构成通路。
【解答】解:
由图可知,开关S1控制换气扇,开关S2控制照明灯;开关S1、S2闭合时,换气扇和照明灯并联;
通过开关的控制换气扇和照明灯可以单独工作,也可以同时工作,故ABD错误,C正确。
故选:C。
12.小华有一发光棒,闭合开关,众小灯齐发光;一段时间后,其中一小灯熄灭,如图所示。关于该小灯熄灭的原因以及众小灯的电路连接方式,下列猜想中合理的是( )
A.若该小灯处断路,众小灯并联;若该小灯处短路,众小灯串联
B.若该小灯处断路,众小灯并联;若该小灯处短路,众小灯并联
C.若该小灯处断路,众小灯串联;若该小灯处短路,众小灯串联
D.若该小灯处断路,众小灯串联:若该小灯处短路,众小灯并联
【分析】串联电路所有用电器共同组成一个通路,一个用电器断路,其它用电器都不能工作;
并联电路每个用电器独立与电源组成通路,一个用电器断路,不影响其它用电器的工作;
用导线将用电器两端连接,会造成用电器短路,无电流通过用电器,用电器不能工作。
【解答】解:若该小灯处断路,众小灯仍然能够发光,说明此小灯对其它灯泡发光情况不影响,所以是并联;
若该小灯短路,如果与其它灯泡都是并联,其它灯泡也被短路不能发光;所以此小灯与其它灯泡串联且此小灯短路,相当于在此位置串联了一段导线,所以其它小灯仍然发光。
故选:A。
13.春节是中华民族的传统节日,家家户户张灯结彩喜迎新春,小明也帮助爸爸一起安装家门口的大红灯笼,他发现了很多物理书本上的知识应用,下列说法不正确的是( )
A.拧下一个灯泡,再闭合开关后,另一灯依然工作,说明两灯是并联
B.两个灯正常工作时一样亮,说明它们的实际电功率相同
C.闭合开关后,用导线与一灯并联,两灯均熄灭,家里的其它用电器可以继续工作
D.把开关装在两个灯的干路上可以实现同时工作,同时熄灭
【分析】根据并联和串联的特点分析判断。并联时各个用电器是独立工作、互不影响,而串联时用电器是相互影响,不能独立工作。灯泡的亮度是由它的实际功率决定的。
【解答】解:A、拧下一个灯泡,再闭合开关后,另一灯依然工作,说明它们互不影响,则两灯是并联的,故A正确;
B、灯泡的亮度是由它的实际功率决定的,两个灯正常工作时一样亮,说明它们的实际电功率相同,故B正确;
C、闭合开关后,用导线与一灯并联,两灯均熄灭,说明两灯并联且被短路了;而这两盏灯又与家里的其它用电器并联,所以此时会造成整个电路短路,空气开关会跳闸,则家里的其它用电器不能继续工作,故C错误;
D、把开关装在两个灯的干路上可以同时控制两盏灯,实现同时工作、同时熄灭,故D正确。
故选:C。
14.小明学习了电学知识后,给蓬溪县交通局建议,在蓬溪中学校门口安装红绿指示灯,以不同颜色的变化保证行人的安全,据你对交通指示灯了解,可以推断出( )
A.红黄绿灯都是串联
B.红灯与黄灯串联后再与绿灯并联
C.红黄绿灯没有关系
D.红黄绿灯都是并联
【分析】用电器工作时,它们之间如果互相影响是串联,如果不互相影响是并联;路口的交通指示灯都能分别亮,互不影响,所以各灯是并联的。
【解答】解:路口的红、绿、黄灯,红灯亮停止行驶,绿灯亮时开始行驶,黄灯亮时越过停车线继续行驶,未越过停车线的等待;路口的红、绿、黄灯都能单独工作,互相不影响,可以推断红、黄、绿三灯是并联的。
故选:D。
15.如图所示,汽车装有日间行车灯可以提高行车安全,当汽车启动时,S1闭合,日间行车灯L1立即亮起:再闭合S2车前大灯L2也亮起。符合这一情况的电路图是( )
A.B.C.D.
【分析】由题意可知,当汽车启动时,S1闭合,日间行车灯L1立即亮起,再闭合S2,近灯光L2也亮起,说明L1与L2可以独立工作、互不影响即为并联,且S1位于干路,S2位于L2支路,据此分析选项得出答案。
【解答】解:
A.由电路图可知,只闭合S1时,两灯泡均不亮,故A不符合题意;
B.由电路图可知,只闭合S1时,两灯泡都亮,再闭合S2时,L1不亮,故B不符合题意;
C.由电路图可知,只闭合S1时,近灯光L2亮,再闭合S2时,日间行车灯L1亮,故C不符合题意;
D.由电路图可知,只闭合S1时,日间行车灯L1亮,再闭合S2时,近灯光L2亮,故D符合题意。
故选:D。
16.家庭常用的电吹风既能吹冷风又能吹热风。下列电路中最符合电吹风工作要求的是( )
A.B.C.D.
【分析】由题知,电吹风能吹冷风又能吹热风,即电路中电动机可以单独工作,也可以是电动机和电热丝同时工作。由此分析各选项解答即可。
【解答】解:
A、由图知,S1闭合时只有电动机工作,吹冷风;再闭合S2时,加热器和电动机并联,两者都能工作,此时吹热风,故A符合题意;
B、由图知,S1闭合时只有加热器工作,两开关都闭合加热器和电动机同时工作,只有热风没有冷风,故B不合题意;
C、由图知,S1闭合时加热器与电动机串联,再闭合S2时,只有电动机工作,但电动机和加热器串联时两者相互影响,故C不合题意;
D、由图知,S1闭合时电动机和加热器都工作,当两开关都闭合时只有加热器工作,故D不合题意。
故选:A。
二.作图题(共2小题)
17.设计一个病床呼叫电路。要求:开关S1控制指示灯L1和电铃;开关S2控制指示灯L2和电铃。请在图中连线,形成符合要求的完整电路图。
【分析】两个指示灯并联连接,开关控制对应病床的指示灯,两开关都能控制电铃。由此分析电路连接并画出电路。
【解答】解:
由题知,S1控制指示灯L1,S2控制指示灯L2,说明两灯互不影响,即两灯并联,而两个开关都能控制电铃,所以电铃串联在干路上,如图所示:
18.学习了电路相关知识后,小明想给自家的养殖场设计一种呼叫装置,要求前后门来的客人均可呼叫,前门来的客人关闭开关,办公室的电铃响、红灯亮;后门来的客人关闭开关,办公室的电铃响、绿灯亮。请在图中帮助他画出符合要求的电路图(导线不得交叉)。
【分析】红灯亮、铃响表示前门来人,绿灯亮、铃响表示后门来人,说明两灯互不影响、独立工作即为并联,且前门的控制开关与红灯在同一支路,后门的控制开关与绿灯在同一支路,均为串联关系;而无论前门还是后门来人都会响铃说明铃串联在干路中,据此连接实物电路图。
【解答】解:
由题意知,两个电灯为并联,且各有一个开关控制,而电铃串联在干路中;即绿灯亮、电铃响时表示人在后门按后门开关,红灯亮、电铃响时表示人在前门按前门开关,电路图如图所示:
三.解答题(共3小题)
19.根据所学知识,回答问题
(1)阅读短文,回答问题
三峡工程是一项伟大的工程,主要由大坝、电站厂房和通航建筑物三部分组成。三峡大坝上窄下宽。蓄水位高达175m,水从高处落下,冲击涡轮进行发电,年平均发电量880亿千瓦时,三峡大坝正常蓄水后,上下游水位落差达113m,为方便船只在上、下游之间往返,三峡船闸设有5个闸室。三峡大坝蓄水后,水域面积扩大使附近地区昼夜温差缩小,改变了库区的气候环境。
请在上面的材料中找出与物理相关的描述,并说明所涉及的物理知识,填写下表。(不能与示例相同,物理知识不能重复。)
(2)有人发明了“感应照孔门把手”只有在夜间且有人摸门把手时,锁孔旁的灯才亮,从而方使夜间开锁,它利用感应开关S1(有人摸门把手时,S1闭合;无人摸门把手,S1断开)以及光敏开关S2(天暗时S2闭合,天亮时S2断开)控制电路,达到目的。请根据上述描述,完成电路连接。
【分析】(1)三峡大坝的船闸是个连通器;水从高处流下时有能量的转化;水冲击涡轮进行发电时也有能量的转化。
(2)只有夜间且有人摸门把手时,锁孔旁的灯才亮,否则灯不亮,说明感应开关S1、光敏开关S2不能独立工作、即为串联,共同控制灯,据此进行解答。
【解答】解:(1)三峡船闸设有5个闸室,船闸属于连通器;
水从高处流下时,水的重力势能转化为水的动能;
水冲击涡轮进行发电时,水的机械能转化为电能;
(2)由题意可知,感应开关S1、光敏开关S2串联共同控制灯,如下图所示:
故答案为:(1)水从高处落下;重力势能转化为动能;冲击涡轮进行发电;水的机械能转化为电能;(2)如上图;
20.微波炉的门相当于单刀双掷开关S1,当门打开时,炉内照明灯亮,工作电路不工作;当门关闭时,照明灯熄灭,闭合S2,工作电路可正常工作。请你在图中将两个开关S1、S2和工作电路、照明灯连入电路。
【分析】根据题意,明确两个开关各自的控制作用,再根据电动机和灯泡可以独立工作,可对电路的连接做出判断。
【解答】解:由题意可知,微波炉的门相当于单刀双掷开关S1,所以控制照明灯,同时还可以控制电动机。
闭合S2,工作电路可正常工作,说明其控制的是电动机,单刀双掷开关S1可随门的关闭和打开而切换,故电路图连接如下图所示。
21.周末,小明与父母开车去敬老院做义工。
(1)小明观察发现每个房间有四盏灯、两个开关,每个开关都能独立控制两盏灯,请在图1方框中中画出符合要求的电路图
(2)小明为老人买了一辆电动轮椅,工作原理如图2所示。操纵杆可以同时控制S1和S2两个开关,向前推操纵杆时轮椅前进且能调速,即通过调节滑动变阻器改变电动机的电流,从而达到调速的目的;向后拉操纵杆时轮椅以恒定的速度后退。则当轮椅前进时,开关S1连接触点 1 ,S2连接触点 1 ;当轮椅以恒定的速度后退时,开关S1连接触点 2 ,S2连接触点 2 。
【分析】(1)每盏灯的额定电压均为220V,且灯全部正常发光说明四盏灯是并联的,若是串联,灯泡不能正常发光,开关与控制的用电器串联,干路开关控制整个并列电路,据此分析设计;
(2)轮椅前进且能调速,故前进电路中应有可以控制电路中的电流的装置,即应有滑动变阻器且与电动机串联;轮椅后退时,轮椅以恒定速度后退,即电动机应与R2串联。
【解答】解:(1)由题意可知,教室的照明电路额定电压均为220V,则四盏灯全部正常发光,则它们之间的连接方式只能是并联;
每个开关都能独立控制两盏灯,则开关在控制的两盏灯的干路上。如下图:
(2)由题轮椅前进且能调速,故前进电路中应有可以控制电路中的电流的装置,即滑动变阻器且与电动机串联在电路中。由电路图可知,此时开关S1和S2都接1;
轮椅后退时,轮椅以恒定速度后退,即电动机应与R2串联,此时电流方向与前进时相反,由电路图可知,此时开关S1和S2都接2。
故答案为:(1)如上图;(2)1;1;2;2。
相关的描述
物理知识
示例
三峡大坝上窄下宽
液体压强随深度的增加而增大
1
2
相关的描述
物理知识
示例
三峡大坝上窄下宽
液体压强随深度的增加而增大
1
水从高处落下
重力势能转化为动能
2
冲击涡轮进行发电
水的机械能转化为电能
2021学年第3节 串联和并联综合训练题: 这是一份2021学年第3节 串联和并联综合训练题,共3页。试卷主要包含了是非题,填充题,选择题,作图题,实验题等内容,欢迎下载使用。
初中物理沪科版九年级全册第四节 电阻的串联和并联当堂达标检测题: 这是一份初中物理沪科版九年级全册第四节 电阻的串联和并联当堂达标检测题,共23页。试卷主要包含了单选题,多选题,填空题,实验题,作图题,计算题等内容,欢迎下载使用。
沪科版九年级全册第四节 科学探究:串联和并联电路的电流优秀随堂练习题: 这是一份沪科版九年级全册第四节 科学探究:串联和并联电路的电流优秀随堂练习题,共13页。试卷主要包含了4科学探究,0分),7 A,0,【答案】C,【答案】D,【答案】A等内容,欢迎下载使用。

