- 人教版(2019)高中物理必修三新教材同步 第10章 4 第1课时 电容器的电容导学案(教师版+学生版) 学案 0 次下载
- 人教版(2019)高中物理必修三新教材同步 第10章 4 第2课时 实验:观察电容器的充、放电现象导学案(教师版+学生版) 学案 0 次下载
- 人教版(2019)高中物理必修三新教材同步 第10章 专题强化 电场能的性质(教师版+学生版) 试卷 2 次下载
- 人教版(2019)高中物理必修三新教材同步 第10章 专题强化 习题课 带电粒子在电场中运动的四种题型(教师版+学生版) 试卷 2 次下载
- 人教版(2019)高中物理必修三新教材同步 章末检测试卷(二)(教师版+学生版) 试卷 1 次下载
高中物理人教版 (2019)必修 第三册5 带电粒子在电场中的运动学案设计
展开物理观念
1.会从运动和力的关系的角度、从功和能量变化的关系的角度分析带电粒子在匀强电场中的加速问题。
科学思维
1.知道带电粒子垂直于电场线进入匀强电场运动的特点,并能对偏移距离、偏转角度、离开电场时的速度等物理量进行分析与计算。
2.通过解决带电粒子在电场中加速和偏转的问题,加深对从牛顿运动定律和功能关系两个角度分析物体运动的认识,以及将匀变速直线运动分解为两个方向上的简单运动来处理的思路的认识。
科学态度与责任
1.了解示波管的工作原理,体会静电场知识对科学技术的影响,激发求知欲。
一、带电粒子在电场中的加速
1.带电粒子的受力特点:电子、质子和各种离子等微观粒子,由于它们在电场中所受的电场力 重力,所以研究它们在电场中的运动时,重力可以 。
2.分析带电粒子的加速问题有两种思路:
(1)利用 定律结合匀变速直线运动公式分析.适用于电场是 且涉及 等描述运动过程的物理量,公式有qE=ma,v=v0+ 等.
(2)利用静电力做功结合动能定理分析.适用于问题涉及 、 等动能定理公式中的物理量或 电场情景时,公式有qEd=eq \f(1,2)mv2-eq \f(1,2)mveq \\al(02)(匀强电场)或qU=eq \f(1,2)mv2-eq \f(1,2)mveq \\al(02)(任何电场)等.
1.判断下列说法的正误.
(1)带电粒子所受重力比所受电场力小得多,可以忽略不计。( )
(2)带电粒子在电场中运动时,电场力对粒子一定做正功。( )
(3)电场力对带电粒子做正功时,粒子的动能一定增大。( )
2.练一练
(1)(2022江苏宿迁期末)氘核(12H)和氦核(24He)从静止开始,经同一电场加速后,它们的速度分别为v1和v2,则( )
A.v1=v2B.v1=2v2
C.v1=3v2D.2v1=v2
二、带电粒子在电场中的偏转
如图1所示,质量为m、带电荷量为q的基本粒子(忽略重力),以初速度v0平行于两极板进入匀强电场,极板长为l,极板间距离为d,极板间电压为U.
图1
(1)运动性质:
①沿初速度方向:速度为 的 运动.
②垂直v0的方向:初速度为 的加速度为a=qUmd的匀加速直线运动.
(2)运动规律:
①偏移距离:因为t=eq \f(l,v0),a=eq \f(qU,md),
偏移距离y=eq \f(1,2)at2=eq \f(qUl2,2mv\\al(02)d).
②偏转角度:因为vy=at=eq \f(qUl,mv0d),
tan θ=eq \f(vy,v0)=eq \f(qUl,mdv\\al(02)).
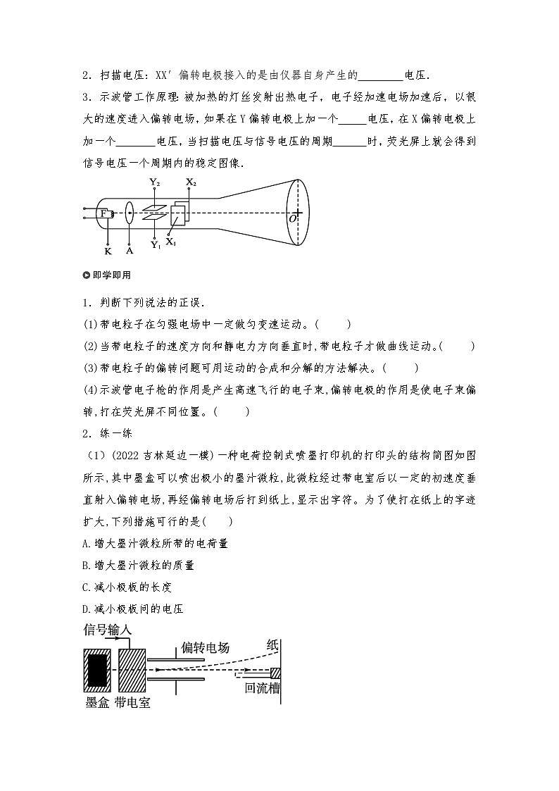
三、示波管的原理
1.示波管主要由 (由发射电子的灯丝、加速电极组成)、 (由一对X偏转电极和一对Y偏转电极组成)和 组成.
2.扫描电压:XX′偏转电极接入的是由仪器自身产生的 电压.
3.示波管工作原理:被加热的灯丝发射出热电子,电子经加速电场加速后,以很大的速度进入偏转电场,如果在Y偏转电极上加一个 电压,在X偏转电极上加一个 电压,当扫描电压与信号电压的周期 时,荧光屏上就会得到信号电压一个周期内的稳定图像.
1.判断下列说法的正误.
(1)带电粒子在匀强电场中一定做匀变速运动。( )
(2)当带电粒子的速度方向和静电力方向垂直时,带电粒子才做曲线运动。( )
(3)带电粒子的偏转问题可用运动的合成和分解的方法解决。( )
(4)示波管电子枪的作用是产生高速飞行的电子束,偏转电极的作用是使电子束偏转,打在荧光屏不同位置。( )
2.练一练
(1)(2022吉林延边一模)一种电荷控制式喷墨打印机的打印头的结构简图如图所示,其中墨盒可以喷出极小的墨汁微粒,此微粒经过带电室后以一定的初速度垂直射入偏转电场,再经偏转电场后打到纸上,显示出字符。为了使打在纸上的字迹扩大,下列措施可行的是( )
A.增大墨汁微粒所带的电荷量
B.增大墨汁微粒的质量
C.减小极板的长度
D.减小极板间的电压
(2)如图2所示,M和N是匀强电场中的两个等势面,电势差为U,一质量为m(不计重力)、电荷量为-q的粒子,以速度v0通过等势面M射入两等势面之间,则该粒子穿过等势面N的速度应是 .
图2
一、带电粒子在电场中的加速
导学探究
如图3所示,平行板电容器两板间的距离为d,电势差为U.一质量为m、带电荷量为q的α粒子,在电场力的作用下由静止开始从正极板A向负极板B运动.
图3
(1)比较α粒子所受电场力和重力的大小,说明重力能否忽略不计(α粒子质量是质子质量的4倍,即m=4×1.67×10-27 kg,电荷量是质子的2倍).
(2)α粒子的加速度是多大(结果用字母表示)?在电场中做何种运动?
(3)计算粒子到达负极板时的速度大小.(结果用字母表示,尝试用不同的方法求解)
知识深化
1.带电粒子的分类及受力特点
(1)电子、质子、α粒子、离子等基本粒子,一般都不考虑重力.
(2)质量较大的微粒,如带电小球、带电油滴、带电颗粒等,除有说明或有明确的暗示外,处理问题时一般都不能忽略重力.
2.分析带电粒子在电场力作用下加速运动的两种方法
(1)利用牛顿第二定律F=ma和运动学公式,只能用来分析带电粒子的匀变速运动.
(2)利用动能定理:qU=eq \f(1,2)mv2-eq \f(1,2)mv02.若初速度为零,则qU=eq \f(1,2)mv2,对于匀变速运动和非匀变速运动都适用.
例1 (多选)(2018·会宁一中高二期末)如图4所示,电子由静止开始从A板向B板运动,当到达B板时速度为v,保持两板间电压不变,则( )
图4
A.当增大两板间距离时,v也增大
B.当减小两板间距离时,v增大
C.当改变两板间距离时,v不变
D.当增大两板间距离时,电子在两板间运动的时间也增大
针对训练1 (多选)一平行板电容器充电后与电源断开,从负极板上某处由静止释放一个电子,设其到达正极板的速度为v1,运动过程中加速度为a1,现将两板间距离增为原来的2倍,再从负极板处由静止释放一个电子,设其到达正极板的速度为v2,运动过程中加速度为a2,则( )
A.a1∶a2=1∶1 B.a1∶a2=2∶1
C.v1∶v2=1∶2 D.v1∶v2=1∶eq \r(2)
二、带电粒子在电场中的偏转
导学探究
如图所示,质量为m、电荷量为q的粒子以初速度v0垂直于电场方向射入两极板间,两极板间存在方向竖直向下的匀强电场,已知板长为l,板间电压为U,板间距为d,不计粒子的重力。
试结合上述情境讨论:
(1)怎样求带电粒子在电场中运动的时间t?
(2)粒子加速度大小是多少?方向如何?
(3)怎样求粒子射出电场时在静电力方向上的偏转距离?
(4)求粒子离开电场时垂直电场方向和沿电场方向的速度。
(5)求合速度与初速度方向的夹角θ的正切值。
(6)求粒子合位移与初速度方向的夹角α的正切值。
知识深化
如图5所示,质量为m、电荷量为+q的粒子以初速度v0垂直于电场方向射入两极板间,两平行板间存在方向竖直向下的匀强电场,已知板长为l,板间电压为U,板间距离为d,不计粒子的重力.
图5
1.运动分析及规律应用
粒子在板间做类平抛运动,应用运动分解的知识进行分析处理.
(1)在v0方向:做匀速直线运动;
(2)在电场力方向:做初速度为零的匀加速直线运动.
2.过程分析
如图6所示,设粒子不与平行板相撞
图6
初速度方向:粒子通过电场的时间t=eq \f(l,v0)
电场力方向:加速度a=eq \f(qE,m)=eq \f(qU,md)
离开电场时垂直于板方向的分速度
vy=at=eq \f(qUl,mdv0)
速度与初速度方向夹角的正切值
tan θ=eq \f(vy,v0)=eq \f(qUl,mdv\\al(02))
离开电场时沿电场力方向的偏移量
y=eq \f(1,2)at2=eq \f(qUl2,2mdv\\al(02)).
3.两个重要推论
(1)粒子从偏转电场中射出时,其速度方向的反向延长线与初速度方向的延长线交于一点,此点为粒子沿初速度方向位移的中点.
(2)位移方向与初速度方向间夹角α的正切值为速度偏转角θ正切值的eq \f(1,2),即tan α=eq \f(1,2)tan θ.
(3)以相同的初速度进入同一个偏转电场的带电粒子,不论m、q是否相同,只要qm相同,即比荷相同,则偏转距离y和偏转角α相同。
(4)若以相同的初动能Ek0进入同一个偏转电场,只要q相同,不论m是否相同,则偏转距离y和偏转角α相同。
(5)不同的带电粒子经同一加速电场加速后(即加速电压相同),进入同一偏转电场,则偏转距离y和偏转角α相同(y=U2l24U1d,tan α=U2l2U1d,U1为加速电压,U2为偏转电压)。
4.分析粒子的偏转问题也可以利用动能定理,即qEy=ΔEk,其中y为粒子在偏转电场中沿电场力方向的偏移量.
例2 如图7所示为示波管中偏转电极的示意图,间距为d,长度为l的平行板A、B加上电压后,可在A、B之间的空间中(设为真空)产生电场(设为匀强电场).在距A、B两平行板等距离的O点处,有一电荷量为+q、质量为m的粒子以初速度v0沿水平方向(与A、B板平行)射入,不计重力,要使此粒子能从C处射出,则A、B间的电压应为( )
图7
A.eq \f(mv\\al(02)d2,ql2) B.eq \f(mv\\al(02)l2,qd2)
C.eq \f(lmv0,qd) D.qeq \f(v0,dl)
例3 一束电子流经U1=5 000 V的加速电压加速后,在距两极板等距离处垂直进入平行板间的匀强电场,如图8所示,两极板间电压U2=400 V,两极板间距d=2.0 cm,板长L1=5.0 cm.
图8
(1)求电子在两极板间穿过时的偏移量y;
(2)若平行板的右边缘与屏的距离L2=5 cm,求电子打在屏上的位置与中心O的距离Y(O点位于平行板水平中线的延长线上);
(3)若另一个质量为m的二价负离子(不计重力)经同一电压U1加速,再经同一偏转电场,射出偏转电场的偏移量y′和打在屏上的偏移量Y′各是多大?
电性相同的不同粒子经相同电场加速,再经同一偏转电场,射出偏转电场时,偏转角θ和偏移量y都相同,不会分开.
1.(带电粒子的直线运动)如图9所示,在P板附近有一电子由静止开始向Q板运动.已知两极板间电势差为U、极板间距为d,电子质量为m、电荷量为e.则关于电子在两极板间的运动情况,下列叙述正确的是( )
图9
A.若将两极板间距d增大一倍,则电子到达Q板的速率保持不变
B.若将两极板间距d增大一倍,则电子到达Q板的速率也增大一倍
C.若将两极板间电势差U增大一倍,则电子到达Q板的时间保持不变
D.若将两极板间电势差U增大一倍,则电子到达Q板的时间减为一半
2.(带电粒子的偏转)如图10所示,带电荷量之比为qA∶qB=1∶3的带电粒子A、B,先后以相同的速度从同一点水平射入平行板电容器中,不计重力,带电粒子偏转后打在同一极板上,水平飞行距离之比为xA∶xB=2∶1,则带电粒子的质量之比mA∶mB以及在电场中飞行的时间之比tA∶tB分别为( )
图10
A.1∶1,2∶3 B.2∶1,3∶2
C.1∶1,3∶4 D.4∶3,2∶1
3.(示波管的原理)(多选)示波管的构造如图11所示.如果在荧光屏上P点出现亮斑,那么示波管中的( )
图11
A.极板X应带正电 B.极板X′应带正电
C.极板Y应带正电 D.极板Y′应带正电
4.(带电粒子的加速和偏转)(2018·宿迁市高一下期末)如图12所示,电子由静止开始被U=180 V的电场加速,沿直线垂直进入另一个场强为E=6 000 V/m的匀强偏转电场,而后电子从右侧离开偏转电场.已知电子比荷为eq \f(e,m)≈eq \f(16,9)×1011 C/kg,不计电子的重力,偏转极板长为L=6.0×10-2 m.求:
图12
(1)电子经过电压U加速后的速度vx的大小;
(2)电子在偏转电场中运动的加速度a的大小;
(3)电子离开偏转电场时的速度方向与刚进入该电场时的速度方向之间的夹角θ.
考点一 带电粒子的直线运动
1.质子(eq \\al(1,1)H)、α粒子(eq \\al(4,2)He)、钠离子(Na+)三个粒子分别从静止状态经过电压为U的同一电场加速后,获得动能最大的是( )
A.质子(eq \\al(1,1)H) B.α粒子(eq \\al(4,2)He)
C.钠离子(Na+) D.都相同
2.(多选)如图1所示,M、N是真空中的两块平行金属板,质量为m、电荷量为+q的带电粒子以初速度v0由小孔射入板间电场,当M、N间电势差为U时,粒子恰好能到达N板.要使这个带电粒子到达M、N板间距的eq \f(1,2)后返回,下列措施中能满足要求的是(不计带电粒子的重力)( )
图1
A.使初速度减小为原来的eq \f(1,2)
B.使M、N间电势差加倍
C.使M、N间电势差提高到原来的4倍
D.使初速度和M、N间电势差都减小为原来的eq \f(1,2)
3.(多选)(2018·松滋市期末)一质量为m、电荷量为q的带正电粒子(重力不计)以速度v0逆着电场线方向射入有左边界的匀强电场,场强为E(如图2所示),则( )
图2
A.粒子射入的最大深度为eq \f(mv\\al(02),qE)
B.粒子射入的最大深度为eq \f(mv\\al(02),2qE)
C.粒子在电场中运动的最长时间为eq \f(mv0,qE)
D.粒子在电场中运动的最长时间为eq \f(2mv0,qE)
考点二 带电粒子的偏转
4.一电子以初速度v0沿垂直场强方向射入两平行金属板间的匀强电场中,现减小两板间的电压,则电子穿过两平行板所需的时间( )
A.随电压的减小而减小
B.随电压的减小而增大
C.与电压减小与否无关
D.随两板间距离的增大而减少
5.如图3所示,a、b两个带正电的粒子,以相同的速度先后垂直于电场线从同一点进入平行板间的匀强电场后,a粒子打在B板的a′点,b粒子打在B板的b′点,若不计重力,则( )
图3
A.a的电荷量一定大于b的电荷量
B.b的质量一定大于a的质量
C.a的比荷一定大于b的比荷
D.b的比荷一定大于a的比荷
6.(2019·人大附中高二期中)如图4所示,有一带电粒子贴着A板沿水平方向射入匀强电场,当偏转电压为U1时,带电粒子沿①轨迹从两板正中间飞出;当偏转电压为U2时,带电粒子沿②轨迹落到B板中间;设粒子两次射入电场的水平速度相同,则两次偏转电压之比为( )
图4
A.U1∶U2=1∶8 B.U1∶U2=1∶4
C.U1∶U2=1∶2 D.U1∶U2=1∶1
7.如图5所示,一重力不计的带电粒子以初速度v0射入水平放置、距离为d的两平行金属板间,射入方向沿两极板的中心线.当极板间所加电压为U1时,粒子落在A板上的P点.如果将带电粒子的初速度变为2v0,同时将A板向上移动eq \f(d,2)后,使粒子由原入射点射入后仍落在P点,则极板间所加电压U2为( )
图5
A.U2=3U1 B.U2=6U1
C.U2=8U1 D.U2=12U1
考点三 带电粒子的加速和偏转 示波管的原理
8.(多选)如图6所示是某示波管的示意图,电子先由电子枪加速后进入偏转电场,如果在偏转电极上加一个电压,则电子束将会偏转,并飞出偏转电场.下面措施中能使电子偏转距离变大的是( )
图6
A.尽可能把偏转极板L做得长一点
B.尽可能把偏转极板L做得短一点
C.尽可能把偏转极板间的距离d做得小一点
D.将电子枪的加速电压提高
9.图7甲为示波管的原理图.如果在电极YY′之间所加的电压按图乙所示的规律变化,在电极XX′之间所加的电压按图丙所示的规律变化,则在荧光屏上会看到的图形是( )
图7
10.一束电子流经U=5 000 V的加速电压加速后,在距两极板等距离处垂直进入平行板间的匀强电场,如图8所示,若两板间距离d=1.0 cm,板长l=5.0 cm,那么,要使电子能从平行板间飞出,两极板间所加电压的最大值为( )
图8
A.400 V B.300 V
C.100 V D.480 V
11.(多选)(2018·广州二中期中)如图9所示,氕、氘、氚的原子核由初速度为零经同一电场加速后,又经同一匀强电场偏转,最后打在荧光屏上,那么( )
图9
A.经过加速电场的过程中,静电力对氚核做的功最多
B.经过偏转电场的过程中,静电力对三种核做的功一样多
C.三种原子核打在屏上的速度一样大
D.三种原子核都打在屏的同一位置上
12.将一带电粒子以初速度v0沿水平方向从A点射入方向竖直向上的匀强电场中,粒子从B点飞出电场时速度方向与电场方向的夹角为150°,电场的水平宽度为L,如图10所示,不计粒子的重力,设粒子的质量为m,电荷量的绝对值为q.
图10
(1)该匀强电场的电场强度为多大?
(2)A、B两点的电势差UAB为多大?
13.如图11所示,有一电子(电荷量为e)经电压U0加速后,进入两块间距为d、电压为U的平行金属板间.若电子从两板正中间垂直电场方向射入,且正好能从金属板边缘穿出电场,求:
图11
(1)金属板AB的长度;
(2)电子穿出电场时的动能.
人教版 (2019)必修 第三册4 静电的防止与利用学案: 这是一份人教版 (2019)必修 第三册<a href="/wl/tb_c163109_t4/?tag_id=42" target="_blank">4 静电的防止与利用学案</a>,文件包含人教版2019高中物理必修三新教材同步第9章4静电的防止与利用--教师版docx、人教版2019高中物理必修三新教材同步第9章4静电的防止与利用--学生版docx等2份学案配套教学资源,其中学案共23页, 欢迎下载使用。
高中物理人教版 (2019)必修 第三册3 电场 电场强度导学案: 这是一份高中物理人教版 (2019)必修 第三册<a href="/wl/tb_c163107_t4/?tag_id=42" target="_blank">3 电场 电场强度导学案</a>,文件包含人教版2019高中物理必修三新教材同步第9章3电场电场强度--教师版docx、人教版2019高中物理必修三新教材同步第9章3电场电场强度--学生版docx等2份学案配套教学资源,其中学案共47页, 欢迎下载使用。
人教版 (2019)必修 第三册2 库仑定律学案设计: 这是一份人教版 (2019)必修 第三册<a href="/wl/tb_c163105_t4/?tag_id=42" target="_blank">2 库仑定律学案设计</a>,文件包含人教版2019高中物理必修三新教材同步第9章2库仑定律--教师版docx、人教版2019高中物理必修三新教材同步第9章2库仑定律--学生版docx等2份学案配套教学资源,其中学案共29页, 欢迎下载使用。

