河北省石家庄市第一中学2022-2023学年高一下学期期末化学试题(Word版附解析)
展开一、单选题
1. 下列有关电解质、强电解质、弱电解质的分类正确的是
A. AB. BC. CD. D
【答案】C
【解析】
【详解】A.H2SO3为弱电解质,A错误;
B.二氧化碳是非电解质,B错误;
C.氯化钠是电解质,高氯酸是强酸,是强电解质,Cu(OH)2是弱电解质,C正确;
D.氨水是混合物,既不是电解质也不是非电解质,D错误;
故选C。
2. 下列说法或表示方法正确的是
A. 等物质的量的硫蒸气和硫固体分别完全燃烧,后者放出热量多
B. 由C(s,石墨)=C(s,金刚石)ΔH=+1.90kJ·ml-1可知,金刚石比石墨稳定
C. 在101kPa时,2gH2完全燃烧生成液态水,放出285.8kJ热量,氢气燃烧的热化学方程式表示为2H2(g)+O2(g)=2H2O(l)ΔH=-285.8kJ·ml-1
D. 在稀溶液中,H+(aq)+OH-(aq)=H2O(l)ΔH=-57.3kJ·ml-1,若将含0.5mlH2SO4浓硫酸与含1mlNaOH的溶液混合,放出的热量大于57.3kJ
【答案】D
【解析】
【分析】
【详解】A.硫蒸汽的能量比硫固体能量高,则等物质的量的硫蒸气和硫固体分别完全燃烧,后者放出热量少,故A错误;
B.石墨转化为金刚石的反应为吸热反应,反应物石墨的能量比生成物金刚石的能量低,能量越高的物质越不稳定,则石墨比金刚石稳定,故B错误;
C.2g氢气的物质的量为1ml,若1ml氢气完全燃烧生成液态水放出285.8kJ热量,2ml氢气完全燃烧生成液态水应放出571.6kJ热量,故C错误;
D.浓硫酸溶于水时会放出热量,则将含0.5mlH2SO4的浓硫酸与含1mlNaOH的溶液混合,放出的热量大于57.3kJ,故D正确;
故选D。
3. 已知反应在不同条件下的化学反应速率如下,其中表示的反应速率最慢的是
A. B.
C. D.
【答案】C
【解析】
【分析】同一化学反应在同一时间段内的反应速率之比等于化学计量系数之比,根据反应方程式转化为同一物质相同单位再比较反应速率快慢。
【详解】A.0.6ml/(L•min)时,=0.15ml·L-1·min-1;
B.当时,=0.25ml·L-1·min-1;
C.;
D.当0.9ml/(L•min)时,=0.225 ml·L-1·min-1。
由上述分析可知,反应速率最慢的为C,故选C。
4. 下列事实不能用勒夏特列原理解释的是
A. 向Fe(SCN)3溶液中加入固体KSCN后颜色变深
B. 实验室用排饱和食盐水的方法收集Cl2
C. 重铬酸钾溶液中存在:Cr2O(橙色)+H2O⇌2CrO(黄色)+2H+,若滴加少量NaOH溶液,溶液由橙色变黄色
D. 实验室保存硫酸亚铁溶液加入少量铁粉
【答案】D
【解析】
【详解】A.Fe(SCN)3溶液中存在平衡:Fe3++3SCN-Fe(SCN)3,加入KSCN,反应物浓度增大,平衡正向移动Fe(SCN)3增多,溶液颜色加深,A项不符合题意;
B.氯气和水存在Cl2+H2O HCl+HClO,饱和的食盐水增加了Cl-的浓度,该平衡产物浓度增大,平衡逆向移动,可以减少Cl2的反应,B项不符合题意;
C.加入NaOH消耗H+平衡正向移动,增多,溶液由橙色变为黄色,C项不符合题意;
D.亚铁离子易被O2氧化为铁离子,而加入铁粉可和铁离子反应,防止Fe2+被氧化,该反应不存在平衡移动问题,D项符合题意;
故选D。
5. 一定温度下分别对醋酸钠稀溶液进行下列操作,一定可使增大的是
①加少量水 ②加少量冰醋酸 ③加少量固体 ④加少量固体
A. ①②B. ③④C. ①④D. ②③
【答案】D
【解析】
详解】①加少量水,溶液浓度减小,导致醋酸根离子水解程度增大,醋酸根离子浓度减小程度大于钠离子浓度减小程度,比值减小;②加少量冰醋酸,醋酸根离子浓度变大,比值变大;③加少量固体,溶液中氢氧根离子浓度增大,醋酸根离子水解程度减小,醋酸根离子浓度变大,比值变大;④加少量固体,钠离子浓度变大,比值减小;
故选D。
6. 碳酸钠晶体()失水可得到或,两个化学反应的能量变化示意图如下:
下列说法不正确的是
A.
B. 碳酸钠晶体()失水是化学变化
C. 向中滴加几滴水,温度升高
D. 失水生成:
【答案】D
【解析】
【详解】A.1ml和9mlH2O(g)的总能量大于1ml(s)的能量,故,故A正确;
B.碳酸钠晶体()失水生成新物质,是化学变化,故B正确;
C.1ml和9mlH2O(g)的总能量大于1ml(s),向中滴加几滴水,放出能量,温度升高,故C正确;
D.
根据盖斯定律②-①得,故D错误;
选D。
7. 消除的反应为: 。下列说法正确的是
A. 正反应的活化能大于逆反应的活化能
B. 平衡时升高温度,v正增大,v逆减小
C. 平衡常数
D. 该反应在任何温度下都可自发进行
【答案】D
【解析】
【详解】A.该反应为放热反应,正反应的活化能小于逆反应的活化能,故A错误;
B.平衡时升高温度,正逆反应速率均加快,故B错误;
C.平衡常数等于生成物浓度的系数次幂的乘积与反应物浓度系数次幂的乘积之比;由方程式可知平衡常数,故C错误;
D.反应正向气体分子数增加,△S>0,且ΔH<0,故△H-T△S<0,与温度无关,故反应在任何温度下都可自发进行,故D正确;
故选:D。
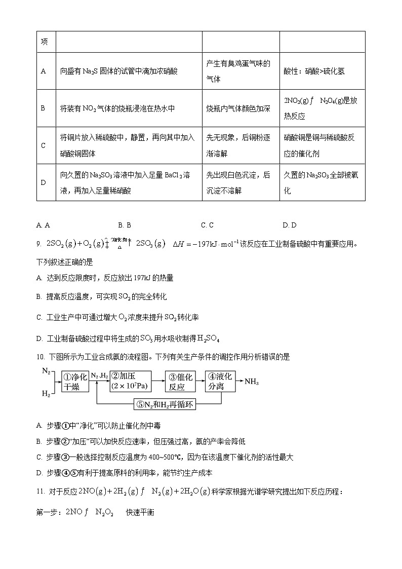
8. 下列实验操作、现象和所得结论正确的是
A. AB. BC. CD. D
【答案】B
【解析】
【详解】A.硝酸具有强氧化性,能将H2S氧化为S,故向盛有Na2S固体的试管中滴加浓硝酸,产生不了产生有臭鸡蛋气味的气体H2S,A不合题意;
B.将装有NO2气体的烧瓶存在2NO2(g)N2O4(g)浸泡在热水中,观察到烧瓶内气体颜色加深,说明NO2浓度增大,上述平衡逆向移动,故能说明2NO2(g)N2O4(g)是放热反应,B符合题意;
C.将铜片放入稀硫酸中,静置,再向其中加入硝酸铜固体,硝酸铜电离出的硝酸根和稀硫酸电离出H+形成了具有强氧化性的HNO3,能与Cu反应,原理为:3Cu+2+8H+=3Cu2++2NO↑+4H2O,Cu(NO3)2不是催化剂而是反应物之一,C不合题意;
D.亚硫酸钡可被硝酸氧化生成硫酸钡,由操作和现象不能证明久置的Na2SO3溶液已全部变质,D不合题意;
故答案为:B。
9. 该反应在工业制备硫酸中有重要应用。下列叙述正确的是
A. 达到反应限度时,反应放出197kJ的热量
B. 提高反应温度,可实现的完全转化
C. 工业生产中可通过增大浓度来提升转化率
D. 工业制备硫酸过程中将生成用水吸收制得
【答案】C
【解析】
【详解】A.消耗二氧化硫2摩尔时,反应放出197kJ的热量,A错误;
B.提高反应温度平衡逆向移动,转化率降低,B错误;
C.增大浓度正反应速率增大,可以提高转化率,C正确;
D.工业制备硫酸过程中将生成的用稀硫酸吸收制得浓,D错误;
故选C。
10. 下图所示为工业合成氨的流程图。下列有关生产条件的调控作用分析错误的是
A. 步骤①中“净化”可以防止催化剂中毒
B. 步骤②“加压”可以加快反应速率,但压强过高,氨的产率会降低
C. 步骤③一般选择控制反应温度为400~500℃,因为在该温度下催化剂的活性最大
D. 步骤④⑤有利于提高原料的利用率,能节约生产成本
【答案】B
【解析】
【详解】A.步骤①中“净化”可除去杂质,防止催化剂中毒,故A正确;
B.合成氨的反应为气体分子数减小的反应,加压有利于平衡正向移动,提高原料转化率和氨的产率,加压也可以提高反应速率,故B错误;
C.400~500℃时催化剂的活性最大,催化效果最佳,因此步骤③一般选择控制反应温度为400~500℃,故C正确;
D.液化分离出NH3和N2、H2的循环再利用均可以使平衡正向移动,所以步骤④、⑤有利于提高原料的利用率,能节约生产成本,故D正确;
故答案选B。
11. 对于反应科学家根据光谱学研究提出如下反应历程:
第一步: 快速平衡
第二步: 慢反应
第三步: 快反应
其中可近似认为第二步反应不影响第一步的平衡。下列叙述不正确的是
A. 与是总反应的催化剂
B. v(第一步反应)>v(第二步反应)
C. 总反应快慢主要由第二步反应决定
D. 选择合适的催化剂能提高单位时间内的产率
【答案】A
【解析】
【详解】A.根据反应历程可知,N2O2与N2O是总反应的中间产物,A错误;
B.第一步快速平衡,说明反应速率很快,正逆反应速率均很快,而第二步为慢反应,反应速率慢,故v(第一步的逆反应)>v(第二步反应),B正确;
C.整个化学反应速率由最慢的一步决定,则总反应快慢主要由第二步反应决定,C正确;
D.催化剂能降低反应的活化能,加快反应速率,则选择合适的催化剂能提高单位时间内的产率,D正确;
故选A。
12. 向10mL氨水中加入蒸馏水,将其稀释到1L后,下列说法中不正确的是
A. NH3·H2O的电离程度增大B. c(NH3·H2O)减小
C. 增大D. 的数目减小
【答案】D
【解析】
【分析】在氨水中存在电离平衡:NH3·H2O+OH-,根据平衡移动原理分析解答。
【详解】A.将氨水加水稀释,NH3·H2O的电离平衡正向移动,电离的NH3·H2O分子数增加,总分子数不变,故NH3·H2O的电离程度增大,A正确;
B.将氨水加水稀释,NH3·H2O 的浓度c(NH3·H2O)减小,平衡正向移动,也会导致c(NH3·H2O)减小,因此最终达到平衡时溶液中c(NH3·H2O)减小,B正确;
C.稀释促进电离、数目减小、的数目增多,则增大,C正确;
D.将氨水加水稀释,电离平衡正向移动,电离产生的NH的数目增多,D错误;
故选D。
13. 化学常用图像直观地描述化学反应的进程或结果。下列图像描述不正确的是
A. 图①表示弱电解质在水中建立电离平衡的过程
B. 图②表示强碱滴定强酸的滴定曲线
C. 图③表示25℃时分别稀释pH=11的NaOH溶液和氨水时溶液pH的变化,曲线Ⅱ表示氨水
D. 图④可表示溶液中通入至过量的过程中溶液导电性的变化
【答案】D
【解析】
【详解】A.弱电解质存在电离平衡,平衡时正逆反应速率相等,图像符合电离特点,选项A正确;
B.强碱滴定强酸,溶液pH增大,存在pH的突变,图像符合,选项B正确;
C.25℃时分别稀释pH=11的NaOH溶液和氨水,弱碱溶液氨水的pH变化小,强碱NaOH的pH变化大,曲线Ⅱ表示氨水,图像符合,选项C正确;
D.向CH3COOH溶液中通入NH3生成醋酸铵,体积不变,自由移动离子浓度变大,导电性开始应增强,而不是减弱,图像不符合,选项D错误;
答案选D。
14. 25℃时,水的电离达到平衡:H2OH++OH- ΔH>0,下列叙述正确的
A. 向水中加入稀氨水,平衡逆向移动,c(OH-)减小, c(H+)减小
B. 将水加热,Kw增大,pH变小
C. 向水中加入少量HCl气体平衡逆向移动,c(H+)减小,c(OH-)减小
D. 向水中分别加入0.1ml/L盐酸与0.1ml/LNaOH溶液,两溶液中水的电离程度不相同
【答案】B
【解析】
【详解】A.向水中加入稀氨水,氨水是弱碱,会抑制水的电离,使平衡逆向移动,c( OH-)增大,c(H+)减小,故A错误;
B.水的电离是吸热的,将水加热,水的电离平衡正向移动,Kw增大pH变小,故B正确;
C.向水中加入少量HCl气体,会抑制水的电离,平衡逆向移动,c(H+)增大,c(OH-)减小,故C错误;
D.加酸加碱均能抑制水的电离,向水中分别加入0.1ml•L-1盐酸与0.1ml•L-1NaOH溶液,对水的电离抑制程度相同,两溶液中水的电离程度相同,故D错误;
故选:B。
15. 某温度下,在一恒容密闭容器中进行如下两个反应并达到平衡:
①2X(g)+Y(g)Z(s)+2Q(g) △H1<0
②M(g)+N(g)R(g)+Q(g) △H2>0
下列叙述错误的是
A. 加入适量Z,①和②平衡均不移动B. 通入稀有气体Ar,①平衡正向移动
C. 降温时无法判断Q浓度的增减D. 通入Y,则N的浓度增大
【答案】B
【解析】
【详解】A.Z为固体,加入适量Z对平衡没有影响,A正确;
B.恒容条件下充入稀有气体,各物质的浓度不发生改变,平衡不移动,B错误;
C.反应①为放热反应,反应②为吸热反应,降温时反应①正向移动,会使Q的浓度增大,但反应②逆向移动,会使Q的浓度减小,所以无法判断Q浓度的增减,C正确;
D.通入X反应①正向移动,Q的浓度增大,使得反应②逆向移动,N的浓度增大,D正确;
故选B。
16. 可逆反应,反应过程中,当其它条件不变时,C的百分含量(C%)与温度和压强的关系如下图,下列叙述正确的是
A. 达平衡后,加入催化剂后C%增大
B. 达平衡后,若升温,平衡右移
C. 达平衡后,增加A的量有利于平衡向右移动
D. 化学方程式中n>e+f
【答案】D
【解析】
【详解】A.催化剂只改变反应速率,不影响平衡移动,所以加入催化剂,不能改变,A错误;
B.如图,温度越高,越小,平衡逆向移动,正反应为放热反应,B错误;
C.A是固体,增大A的量,不影响平衡,C错误;
D.根据图示信息,增大压强,增大,平衡正向移动,正反应为气体分子数减小的反应,所以,D正确;
故选D。
17. 一定温度下,向1L密闭容器中充入2mlX和1mlY,发生反应2X(g)+Y(g)⇌3Z(?)。达到平衡时,容器的压强从原来的P0变为0.4P0。下列说法错误的是
A. Z不可能为气体
B. 达到平衡时容器内有1.8mlZ
C. 压缩体积,再次达到平衡,X的浓度不变
D. Y的体积分数不变说明反应达到平衡状态
【答案】D
【解析】
【详解】A.若Z为气体,则反应前后气体的压强不变,题目中压强从原来的P0变为0.4P0故Z不可能为气体,故A正确;
B.根据向1L密闭容器中充入2mlX和1mlY,发生反应2X(g)+Y(g)⇌3Z(?)。达到平衡时,容器的压强从原来的P0变为0.4P0,则
则,则x= 0.6,故达到平衡时容器内有1.8mlZ,故B正确;
C.Z为非气体,故压缩体积,再次达到平衡,X的浓度不变,故C正确;
D.反应体系中只有X和Y,Y的体积分数一直为,故Y的体积分数不变不能说明反应达到平衡状态,故D错误;
故选D。
18. 已知的电离平衡常数:和,的电离平衡常数:。在反应达到平衡后,要使的浓度增大可加入
A. B. C. D.
【答案】C
【解析】
【详解】A.次氯酸会和氢氧化钠反应,加入氢氧化钠时,平衡虽右移,但次氯酸也参与了反应,导致次氯酸浓度减小,A错误;
B.加入HCl时,平衡左移,次氯酸浓度减小,B错误;
C.由题意电离平衡常数知,酸性碳酸大于次氯酸大于碳酸氢根,故加入碳酸氢钠时碳酸氢钠只与盐酸反应,使平衡右移,次氯酸浓度增大,C正确;
D.加水稀释时,虽平衡右移,但次氯酸由于被稀释浓度减小,D错误;
故选C。
19. 将体积均为10 mL、pH均为3的盐酸和醋酸,加入水稀释至a mL和b mL,测得稀释后溶液的pH均为5,则稀释后溶液的体积
A. a=b=100 mLB. a=b=1000 mL
C. a=1000 mL<bD. a=100 mL<b
【答案】C
【解析】
【分析】醋酸是弱电解质,在水溶液里只有部分电离,加水稀释促进醋酸电离,氯化氢是强电解质,在水溶液里完全电离
【详解】盐酸是强酸,将10 mL、pH为3的盐酸加水稀释至pH=5,说明溶液稀释100倍,即稀释后溶液的体积为a=1000mL;而醋酸是弱酸,加水稀释过程中还能促进醋酸的电离,将10 mL、pH为3的醋酸加水稀释至pH=5,说明溶液稀释大于100倍,即稀释后溶液的体积为b>1000mL,则a=1000mL<b,故答案为C。
20. 一定条件下,在容积相等的两个恒温恒容密闭容器中加入一定量的一氧化碳和水蒸气,发生反应: ,达平衡后获得数据如下表。下列说法不正确的是
A. ①中反应达平衡时,CO的转化率为80%
B. 平衡时:②>①
C. Q大于65.6
D. 该温度下,②中反应的平衡常数
【答案】C
【解析】
【详解】A.CO(g)+H2O(g)CO2(g)+H2(g)△H=-41kJ/ml,说明消耗1ml CO,反应放出41kJ热量,容器①达到平衡时放出32.8kJ热量,则消耗CO物质的量为ml=0.8ml,CO的转化率为×100%=80%,A正确;
B.反应前后气体体积不变,反应①②是等效平衡,则容器②消耗CO物质的量为1.6ml,平衡时:c(CO)②==0.2ml/L,c(CO)①==0.1ml/L即②>①,B正确;
C.反应前后气体体积不变,反应①②是等效平衡,则容器②消耗CO物质的量为1.6ml,放热的热量Q=1.6ml×41kJ/ml=65.6kJ,C错误;
D.化学平衡常数只与温度有关,容器①、②温度相同,则化学平衡常数相等,根据容器①数据,列化学平衡三段式,
K===1,D正确;
故答案为C。
二、填空题
21. 下表中的物质为化学实验室常用药品:
回答下列问题:
(1)NH4Cl溶液呈弱酸性的原因(用离子方程式表示):_______;常温时,0.1ml·L-1的溶液呈碱性的是_______(填序号)。
(2)标准状况下,5.6LHCl气体完全溶于蒸馏水中,形成2500mL溶液,则该溶液的pH=_______;常温时,pH=3的H2SO4溶液中,由水电离出的c水(H+)=_______ml‧L-1;pH=10的Na2CO3溶液中由水电离出的c水(OH-)=_______ ml‧L-1。
(3)常温时,向CH3COOH溶液中加入少量NH4Cl固体,电离平衡常数Ka_______(填“增大”“减小”或“不变”。
(4)写出NaHCO3在生活中的一种用途:_______。
【答案】(1) ①. NH+ H2O⇌NH3·H2O+ H+ ②. ③④⑥
(2) ①. 1 ②. 10-11 ③. 10-4
(3)不变 (4)作药物,治疗胃酸过多或作面包膨松剂
【解析】
【小问1详解】
NH4Cl属于强酸弱碱盐,在水中NH发生水解导致溶液呈弱酸性,离子方程式为:NH+ H2O⇌NH3·H2O+ H+;在①~⑧的物质中,NaHCO3中同时存在HCO的电离和水解,且水解程度大于电离程度,则溶液呈碱性;Na2CO3为强碱弱酸盐,溶液中存在CO的水解,使溶液呈碱性;NH3·H2O为碱,在溶液中能电离出OH-,以上3种溶液均呈碱性,故填序号③④⑥;
【小问2详解】
标准状况下,=0.25ml,=0.1 ml‧L-1,pH=-lg0.1=1;常温时,pH=3的H2SO4溶液中,由=10-14可知,溶液中=10-11ml‧L-1,由水电离出的c水(H+)= c水(OH-)=10-11ml‧L-1;pH=10的Na2CO3溶液中,c(H+)=10-10ml‧L-1,故c(OH-)=10-4ml‧L-1,该OH-完全由水电离所得,故pH=10的Na2CO3溶液中由水电离出的c水(OH-)=10-4ml‧L-1,故答案为:1;10-11;10-4;
【小问3详解】
NH4Cl固体溶于水中,因NH水解使溶液呈酸性,CH3COOH的电离平衡向逆反应方向移动,但温度不变,电离平衡常数不变,故答案为:不变;
【小问4详解】
NaHCO3是焙制糕点所用的发酵粉的主要成分之一;在医疗上,它是治疗胃酸过多的一种药剂,故答案为:作药物,治疗胃酸过多或作面包膨松剂。
22. Ⅰ.某学生用的标准NaOH溶液滴定未知浓度的盐酸,其操作可分为如下几步:
①用蒸馏水洗涤碱式滴定管,注入的标准NaOH溶液至“0”刻度线以上;
②固定好滴定管并使滴定管尖嘴充满液体;
③调节液面至“0”或“0”刻度线稍下,并记录读数;
②量取20.00 mL待测液注入洁净的锥形瓶中,并加入2~3滴酚酞试液;
⑤用标准NaOH溶液滴定至终点,记下滴定管液面读数;
⑥重复以上滴定操作2~3次。
请回答下列问题:
(1)以上步骤有错误的是_______(填编号),该步骤错误操作会导致测定结果_______(填“偏大”“偏小”或“无影响”)。
(2)下列操作会导致上述所测盐酸溶液的浓度偏高的是_______(填正确答案标号)。
A. 滴定达到终点时,俯视滴定管内液面读数
B. 碱式滴定管尖嘴部分开始有气泡,滴定后消失
C. 锥形瓶用蒸馏水洗净后未干燥就装入盐酸待测液
D. 滴定到终点读数时发现滴定管尖嘴处悬挂一滴溶液
Ⅱ.乙二酸俗名草酸,下面是化学学习小组同学对草酸晶体()进行的探究性学习的过程,请你参与并协助他们完成相关学习任务。
该组同学的研究课题是:探究测定草酸晶体()中的x值。
通过查阅资料和网络查寻得,草酸易溶于水,水溶液可以用酸性溶液进行滴定:
学习小组的同学设计了滴定的方法测定x值
①称取1.260g纯草酸晶体,将其制成100.00 mL水溶液为待测液
②取25.00 mL待测液放入锥形瓶中,再加入适量的稀
③用浓度为的标准溶液进行滴定,达到终点记录消耗体积。
(3)滴定时,将酸性标准液装在如图中的_______(填“甲”或“乙”)滴定管中。
(4)滴定时,左手操作滴定管,右手轻轻摇动锥形瓶,眼睛注视_______。
(5)本实验滴定达到终点的标志是_______。
(6)为了提高实验的准确性,学习小组共进行3次实验,记录数据如下表:
通过上述数据,可知消耗的溶液体积为_______mL,该“一定质量”草酸晶体中含n(H2C2O4)=_______ml。
【答案】(1) ①. ① ②. 偏大 (2)BD
(3)甲 (4)锥形瓶内溶液颜色变化
(5)当最后半滴酸性高锰酸钾溶液滴入时,溶液由无色变成浅紫红色,且半分钟内不复原
(6) ①. 10.00 ②. 0.01
【解析】
【小问1详解】
碱式滴定管在洗涤后需要润洗,步骤①中碱式滴定管未洗涤,所以错误步骤是①;未润洗滴定管,导致c(NaOH)偏低,滴定过程中,消耗V(NaOH)偏大,测定值偏大,
故答案为:①;偏大;
小问2详解】
A.滴定达到终点时,俯视滴定管内液面读数,V(NaOH)偏小,c(HCl)偏低,故A错误;
B.碱式滴定管尖嘴部分开始有气泡,滴定后消失,V(NaOH)偏大,c(HCl)偏高,故B正确;
C.锥形瓶用蒸馏水洗净后未干燥就装入盐酸待测液,不影响V(NaOH)体积,则c(HCl)无影响,故C错误;
D.滴定到终点读数时发现滴定管尖嘴处悬挂一滴溶液,V(NaOH)偏大,c(HCl)偏高,故D正确;
故答案为:BD;
【小问3详解】
酸性溶液盛放在酸式滴定管中,且酸性高锰酸钾溶液能腐蚀橡胶,所以酸性高锰酸钾溶液盛放在酸式滴定管中,所以选择甲,
故答案为:甲;
【小问4详解】
滴定时,左手操作滴定管,右手轻轻摇动锥形瓶,眼睛注视锥形瓶内溶液颜色变化,
故答案为:锥形瓶内溶液颜色变化;
【小问5详解】
高锰酸钾和还原剂草酸反应,草酸使高锰酸钾溶液褪色,草酸消耗完,滴入最后半滴酸性高锰酸钾溶液,溶液由无色变成浅紫红色,且半分钟内不复原,即达到滴定终点,
故答案为:当最后一滴酸性高锰酸钾溶液滴入时,溶液由无色变成浅紫红色,且半分钟内不褪色;
【小问6详解】
第一组V(KMnO4)=9.95mL,第二组V(KMnO4)=(11.10-1.05)mL=10.05mL,第三组V(KMnO4)=(13.50-0.50)mL=13.00mL,第三组溶液体积与其它两组溶液体积偏差较大,舍去,消耗KMnO4溶液平均体积==10.00mL,n(H2C2O4)=n(KMnO4)=×0.1000ml/L×0.01L=0.0025ml,25mLH2C2O4溶液中n(H2C2O4)为0.0025ml,100mLH2C2O4溶液中n(H2C2O4)=0.0025ml×4=0.01ml,
故答案为:10.00;0.01。
23. 二氧化碳的捕集和资源化利用是缓解温室效应的重要战略方向。回答下列问题:
(1)我国在二氧化碳催化加氢合成甲醇上取得了突破性进展,有关反应如下:
反应ⅰ。
反应ⅱ。
和合成甲醇的热化学方程式为___________。
(2)利用CO2(g)和H2(g)制甲醇[CH3OH(g)]的过程中能量的变化曲线如图1中a、b所示。下列说法正确的是___________ (填标号)。
A. 上述正反应旧键断裂吸热大于新键生成放热
B. a反应正反应的活化能为510kJ·ml-1
C. b过程使用催化剂后降低了反应的活化能和∆H
D. b过程的反应速率:第Ⅱ阶段>第I阶段
(3)将和按物质的量之比充入一恒容密闭容器中,同时发生了反应ⅰ和反应ⅱ,测得的平衡转化率随温度、压强变化的情况如图所示。
①压强、、的大小关系为___________。
②点、点的化学反应速率大小:___________(填“<”、“=”或“>”)。
③温度高于时,的平衡转化率随温度的升高而增大的原因是___________。
④图中M点对应温度下,已知CO的选择性为50%(CO的选择性为:生成CO的物质的量与消耗CO2的物质的量之比)。若开始充入CO2(g)和H2(g)的物质的量分别为2ml和6ml,该温度下反应ii生成的CO(g)为___________ml。
⑤为了提高生成甲醇的反应速率和选择性,还可以___________。
【答案】(1) (2)D
(3) ①. p1>p2>p3 ②. < ③. 反应ii是吸热反应,升温平衡正向移动,反应i为放热反应,升温平衡速向移动,而反应正向移动的程度bi反应i逆向移动的程度大 ④. 0.25 ⑤. 加压或选择合适催化剂
【解析】
【小问1详解】
已知,反应ⅰ: ;
反应ⅱ: ;根据盖斯定律可知,由反应ⅰ-反应ⅱ可得,和合成甲醇的热化学方程式为,故答案为:。
【小问2详解】
A.由图可知,该反应为放热反应,焓变△H=正反应旧键断裂吸热大于-新键生成放热,则正反应旧键断裂吸热小于新键生成放热,故A错误;
B.由图可知,正反应的活化能419kJ/ml,逆反应的活化能为510kJ•ml-1,故B错误;
C.催化剂能降低了反应的活化能,加快反应速率,但不能改变反应的焓变△H,故C错误;
D.由图可知,b过程的活化能:第Ⅰ阶段>第Ⅱ阶段,反应的活化能越高,反应速率越慢,则反应速率:第Ⅱ阶段>第Ⅰ阶段,故D正确;
故答案为:D。
【小问3详解】
①反应i是气体体积减小的反应,反应ii是气体体积不变的反应,增大压强反应i的平衡正向移动,二氧化碳的平衡转化率增大,则压强p1、p2、p3的大小关系为p1>p2>p3,
故答案为:p1>p2>p3;
②A、B点二氧化碳的平衡转化率相等,则反应物浓度相等,但B点的压强、温度均比A点大,压强越大、温度越高反应速率越快,则v(A)
③反应ii是吸热反应,升温平衡正向移动,反应i为放热反应,升温平衡逆向移动,而反应正向移动的程度大于反应i逆向移动的程度,导致温度高于543K时,CO2的平衡转化率随温度的升高而增大,
故答案为:反应ii是吸热反应,升温平衡正向移动,反应i为放热反应,升温平衡速向移动,而反应正向移动的程度bi反应i逆向移动的程度大;
④由图可知,M点对应温度下CO2的平衡转化率为25%,即消耗CO2的物质的量为2ml×25%=0.5ml,CO的选择性为50%,则反应ii生成的CO(g)为0.5ml×50%=0.25ml,
故答案为:0.25;
⑤反应i为气体体积减小的反应,增大压强可促进平衡正向移动,加快反应速率,所以提高生成甲醇的反应速率和选择性的措施为加压或选择合适催化剂,
故答案为:加压或选择合适催化剂。
24. 已知三氯化铁的熔点为,沸点为,易溶于水并且有强烈的吸水性,吸收空气里的水分而潮解,某学习小组对氯气与铁的反应及产物做了如下探究实验。
(1)图中装有的仪器名称为_______,A中发生反应的离子方程式为_______。
(2)为制取纯净的,装置连接顺序为a→_______(用abcdefgh表示)。
(3)B装置中的冷水浴作用是_______。
(4)反应一段时间后熄灭酒精灯,冷却后将硬质玻璃管及收集器中的物质一并快速转移至锥形瓶中,加入过量的稀盐酸和少许植物油(反应过程中不振荡),充分反应后,进行如下实验:
试剂X为:_______;淡红色溶液中加入H2O2后溶液红色加深的原因为:_______(结合离子方程式解释)。
【答案】(1) ①. 圆底烧瓶 ②. MnO2+4H++2Cl-Mn2++Cl2↑+2H2O
(2)a→g→h→d→e→b→c→f
(3)冷凝三氯化铁 (4) ①. KSCN溶液 ②. 2Fe2++H2O2+2H+=2Fe3++2H2O,Fe2+被H2O2氧化生成Fe3+,从而增大Fe3+浓度
【解析】
【分析】由实验装置可知,浓盐酸和二氧化锰加热制备氯气,饱和食盐水出去氯气中的HCl,然后浓硫酸干燥氯气,再发生Fe与氯气的反应制备氯化铁,因氯化铁易水解,则最后连接盛有碱石灰的干燥管,防止空气中的水蒸气进入装置,以此来解答。
【小问1详解】
根据仪器构造可知,图中装有MnO2的仪器名称为圆底烧瓶;A中二氧化锰和浓盐酸在加热条件下反应生成氯化锰、氯气和水,离子方程式为:MnO2+4H++2Cl-Mn2++Cl2↑+2H2O。
【小问2详解】
浓硫酸具有吸水性能做氯气干燥剂、碱石灰具有碱性而吸收氯气、饱和食盐水吸收氯化氢而抑制氯气溶解,装置排列顺序为气体的制取→洗气→干燥→氯气和铁的反应→尾气处理,装置连接顺序为a→g→h→d→e→b→c→f。
【小问3详解】
三氯化铁的熔点为306℃,沸点为315℃,B装置中的冷水浴作用是冷凝三氯化铁。
【小问4详解】
淡黄色溶液加入试剂X后变为淡红色溶液,说明溶液中有三价铁,则可用KSCN溶液检验Fe3+;淡红色溶液中加入H2O2后溶液颜色加深的原因为:2Fe2++H2O2+2H+=2Fe3++2H2O,Fe2+被H2O2氧化生成Fe3+,从而增大Fe3+浓度。选项
A
B
C
D
电解质
H2O
CO2
NaCl
NaOH
强电解质
H2SO3
Ba(OH)2
HClO4
BaSO4
弱电解质
CH3COOH
H2O
Cu(OH)2
氨水
选项
实验操作
实验现象
实验结论
A
向盛有Na2S固体的试管中滴加浓硝酸
产生有臭鸡蛋气味的气体
酸性:硝酸>硫化氢
B
将装有NO2气体的烧瓶浸泡在热水中
烧瓶内气体颜色加深
2NO2(g)N2O4(g)是放热反应
C
将铜片放入稀硫酸中,静置,再向其中加入硝酸铜固体
先无现象,后铜粉逐渐溶解
硝酸铜是铜与稀硫酸反应的催化剂
D
向久置的Na2SO3溶液中加入足量BaCl2溶液,再加入足量稀硝酸
先出现白色沉淀,后沉淀不溶解
久置的Na2SO3全部被氧化
容器编号
起始时各物质的物质的量/ml
达到平衡的时间/min
达到平衡时体系能量的变化
CO
①
1
4
0
0
放出32.8kJ热量
②
2
8
0
0
放出QkJ热量
序号
①
②
③
④
⑤
⑥
⑦
⑧
物质
H2SO4
CH3COOH
NaHCO3
Na2CO3
NH4Cl
NH3·H2O
HCl
NaCl
待测液/mL
25.00
0.00
9.95
25.00
1.05
11.10
25.00
0.50
13.50
河北省石家庄市第一中学2022-2023学年高一下学期7月期末化学试题: 这是一份河北省石家庄市第一中学2022-2023学年高一下学期7月期末化学试题,共11页。试卷主要包含了单选题,填空题,实验题,原理综合题等内容,欢迎下载使用。
河北省石家庄市2022-2023学年高一下学期期末考试化学试题: 这是一份河北省石家庄市2022-2023学年高一下学期期末考试化学试题,共25页。试卷主要包含了单选题,实验题,填空题等内容,欢迎下载使用。
河北省石家庄市2022-2023学年高一下学期期末化学试题(含答案): 这是一份河北省石家庄市2022-2023学年高一下学期期末化学试题(含答案),共19页。试卷主要包含了单选题,填空题等内容,欢迎下载使用。

