所属成套资源:全套2024届高考物理二轮复习课时学案+教学课件
2024届高考物理二轮复习第17讲振动与波、光学和热学的实验学案
展开
这是一份2024届高考物理二轮复习第17讲振动与波、光学和热学的实验学案,共16页。
知识网络构建
命题分类剖析
命题点一 用单摆测重力加速度的大小
1.测摆长:用毫米刻度尺测量出摆线长L,用游标卡尺测量出小球直径D,则单摆的摆长l=L+D2.
2.测周期:将单摆从平衡位置拉开一个角度(小于5°),然后释放小球,记下单摆摆动30次或50次全振动的总时间t,则单摆的振动周期T=tN.
3.数据处理:
(1)方法一:由T=2πlg,得g=4π2lT2.
(2)方法二:由单摆周期公式不难推出l=g4π2T2,因此,多次测量,描点画lT2图像,图像应是一条通过原点的直线,如图所示;
求出图像的斜率k=lT2=ΔlΔT2,即可利用g=4π2k,计算重力加速度.
例 1 [2023·新课标卷]一学生小组做“用单摆测量重力加速度的大小”实验.
(1)用实验室提供的螺旋测微器测量摆球直径.首先,调节螺旋测微器,拧动微调旋钮使测微螺杆和测砧相触时,发现固定刻度的横线与可动刻度上的零刻度线未对齐,如图(a)所示,该示数为________ mm;螺旋测微器在夹有摆球时示数如图(b)所示,该示数为________ mm,则摆球的直径为________ mm.
(2)单摆实验的装置示意图如图(c)所示,其中角度盘需要固定在杆上的确定点O处,摆线在角度盘上所指的示数为摆角的大小.若将角度盘固定在O点上方,则摆线在角度盘上所指的示数为5°时,实际摆角________5°(填“大于”或“小于”).
(3)某次实验所用单摆的摆线长度为81.50 cm,则摆长为________ cm.实验中观测到从摆球第1次经过最低点到第61次经过最低点的时间间隔为54.60 s,则此单摆周期为________ s,该小组测得的重力加速度大小为________ m/s2.(结果均保留3位有效数字,π2取9.870)
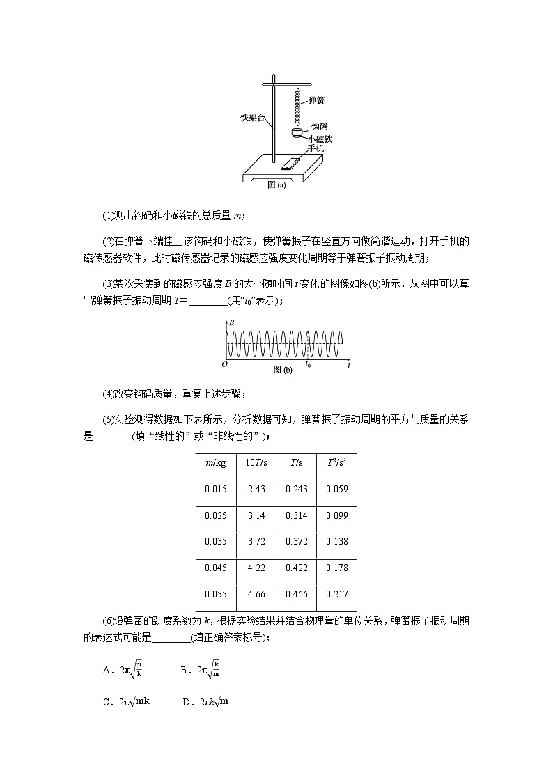
例 2 [2023·湖南卷]某同学探究弹簧振子振动周期与质量的关系,实验装置如图(a)所示,轻质弹簧上端悬挂在铁架台上,下端挂有钩码,钩码下表面吸附一个小磁铁,其正下方放置智能手机,手机中的磁传感器可以采集磁感应强度实时变化的数据并输出图像,实验步骤如下:
(1)测出钩码和小磁铁的总质量m;
(2)在弹簧下端挂上该钩码和小磁铁,使弹簧振子在竖直方向做简谐运动,打开手机的磁传感器软件,此时磁传感器记录的磁感应强度变化周期等于弹簧振子振动周期;
(3)某次采集到的磁感应强度B的大小随时间t变化的图像如图(b)所示,从图中可以算出弹簧振子振动周期T=________(用“t0”表示);
(4)改变钩码质量,重复上述步骤;
(5)实验测得数据如下表所示,分析数据可知,弹簧振子振动周期的平方与质量的关系是________(填“线性的”或“非线性的”);
(6)设弹簧的劲度系数为k,根据实验结果并结合物理量的单位关系,弹簧振子振动周期的表达式可能是________(填正确答案标号);
A.2πmk B.2πkm
C.2πmk D.2πkm
(7)除偶然误差外,写出一条本实验中可能产生误差的原因:________________________________________________________________________.
提升训练
1.某同学用单摆测量重力加速度
(1)为了减少测量误差,下列做法正确的是________(多选);
A.摆的振幅越大越好
B.摆球质量大些、体积小些
C.摆线尽量细些、长些、伸缩性小些
D.计时的起、止位置选在摆球达到的最高点处
(2)改变摆长,多次测量,得到周期平方与摆长的关系图像如图所示,所得结果与当地重力加速度值相符,但发现其延长线没有过原点,其原因可能是________.
A.测周期时多数了一个周期
B.测周期时少数了一个周期
C.测摆长时直接将摆线的长度作为摆长
D.测摆长时将摆线的长度加上摆球的直径作为摆长
2.[2024·济南市测评]某实验小组在实验室用单摆做测定重力加速度的实验,实验装置如图甲所示.
(1)摆球的直径用螺旋测微器测出,如图乙所示,其读数为________ mm.
(2)正确操作测出单摆完成n次全振动的时间为t,用毫米刻度尺测得摆线长为L,螺旋测微器测得摆球直径为d.用上述测得量写出重力加速度的表达式:g=______________.
(3)某同学测得的g值比当地的重力加速度偏小,可能原因是________.
A.计算时将L当成摆长
B.测摆线长时摆线拉得过紧
C.开始计时时,秒表按下过晚
D.实验中误将30次全振动计为29次
命题点二 光学的两个实验
例 1 某小组做测定玻璃的折射率实验,所用器材有:玻璃砖,大头针,刻度尺,圆规,笔,白纸.
(1)下列哪些措施能够提高实验准确程度________.
A.选用两光学表面间距大的玻璃砖
B.选用两光学表面平行的玻璃砖
C.选用粗的大头针完成实验
D.插在玻璃砖同侧的两枚大头针间的距离尽量大些
(2)该小组用同一套器材完成了四次实验,记录的玻璃砖界线和四个大头针扎下的孔洞如下图所示,其中实验操作正确的是________.
(3)该小组选取了操作正确的实验记录,在白纸上画出光线的径迹,以入射点O为圆心作圆,与入射光线、折射光线分别交于A、B点,再过A、B点作法线NN′的垂线,垂足分别为C、D点,如图所示,则玻璃的折射率n=________.(用图中线段的字母表示)
思维提升
实验数据处理的两种辅助方法
例 2 图示是“用双缝干涉测量光的波长”实验的装置.实验中:
(1)观察到较模糊的干涉条纹,要使条纹变得清晰,值得尝试的是________.
A.旋转测量头
B.增大单缝与双缝间的距离
C.调节拨杆使单缝与双缝平行
(2)要增大观察到的条纹间距,正确的做法是________.
A.减小单缝与光源间的距离
B.减小单缝与双缝间的距离
C.增大透镜与单缝间的距离
D.增大双缝与测量头间的距离
提升训练
1.[2023·海南卷][本题第(2)小问的物理量是根据题目编写的,与原题有些许出入]如图所示,在用激光测玻璃砖折射率的实验中,玻璃砖与光屏P平行放置,从另一侧用激光笔以一定角度照射,此时在光屏上的S1处有激光点,移走玻璃砖,光点移到S2处,
(1)请在图中画出激光束经玻璃砖折射后完整的光路图;
(2)已经测出AB=l1,OA=l2,S1S2=l3,则折射率n=________(用l1、l2、l3表示);
(3)若改用宽度比ab更小的玻璃砖做实验,则S1S2间的距离会________(填“变大”“变小”或“不变”).
2.在用双缝干涉测量光的波长的实验中,如图所示,则:
(1)a、b分别是( )
A.单缝和双缝 B.双缝和单缝
C.单缝和单缝 D.双缝和双缝
(2)如果双缝间距是d,双缝到毛玻璃的距离是L,第一条亮纹到第六条亮纹间距是x,则光的波长是________.(用x、d、L表示)
命题点三 热学的两个实验
例 1 [2023·山东卷]利用图甲所示实验装置可探究等温条件下气体压强与体积的关系.将带有刻度的注射器竖直固定在铁架台上,注射器内封闭一定质量的空气,下端通过塑料管与压强传感器相连.活塞上端固定一托盘,托盘中放入砝码,待气体状态稳定后,记录气体压强p和体积V(等于注射器示数V0与塑料管容积ΔV之和),逐次增加砝码质量,采集多组数据并作出拟合曲线如图乙所示.
回答以下问题:
(1)在实验误差允许范围内,图乙中的拟合曲线为一条过原点的直线,说明在等温情况下,一定质量的气体________.
A.p与V成正比
B.p与1V成正比
(2)若气体被压缩到V=10.0 mL,由图乙可读出封闭气体压强为________ Pa(保留3位有效数字).
(3)某组同学进行实验时,一同学在记录数据时漏掉了ΔV,则在计算pV乘积时,他的计算结果与同组正确记录数据同学的计算结果之差的绝对值会随p的增大而________(填“增大”或“减小”).
例 2 用油膜法估算分子大小的实验中,首先需将纯油酸稀释成一定浓度的油酸酒精溶液,稀释的目的是__________________________________________________.实验中为了测量出一滴已知浓度的油酸酒精溶液中纯油酸的体积,可以__________________________________________________.为得到油酸分子的直径,还需测量的物理量是__________________________.
提升训练
1.(1)在做“用油膜法估测油酸分子大小”的实验时,已经准备的器材有:一定浓度的油酸酒精溶液、烧杯、浅盘和水、玻璃板、彩笔,要完成本实验,还缺少的器材有
________________________________________________________________________.
(2)在“用油膜法估测油酸分子大小”的实验中,在哪些方面做了理想化的假设________________________________________________________________________
________________________________________________________________________;
实验中滴在水面的是油酸酒精溶液而不是纯油酸,且只能滴一滴,这是因为________________________________________________________________________
________________________________________________________________________;
在将油酸酒精溶液滴向水面前,要先在水面上均匀撒上爽身粉,这样做是为了________________________________________________________________________
________________________________________________________________________.
(3)下面4个图反映“用油膜法估测油酸分子大小”实验中的4个步骤,将它们按操作先后顺序排列应是________(用符号表示).
(4)在做“用油膜法估测油酸分子大小”的实验中,已知实验室中使用的油酸酒精溶液的体积浓度为c,又用注射器测得每N滴这种油酸酒精溶液的总体积为V,将一滴这种溶液滴在浅盘中的水面上,在玻璃板上描出油膜的边界线,再把玻璃板放在画有边长为a的正方形小格的纸上(如图所示),测得油膜占有的小正方形个数为X.
①每一滴油酸酒精溶液中含有纯油酸的体积的表达式V0=________.
②油膜的面积表达式S=________,从图中可数出小正方形的有效个数X=________.
③用以上字母表示油酸分子的大小D=________________________________________________________________________.
2.某同学利用图(a)装置验证玻意耳定律:粗细相同的玻璃管A和B下端用橡皮管相连,管内装有水银,A管上端封闭,内有封闭气体,B管上端开口.上、下移动B管时,需保持________不变,气体体积V可以根据A管上的刻度读出,利用刻度尺测出B管液面与A管液面的高度差h.测得一系列数据后,以h为纵坐标,得到如图(b)所示的函数图像,则图像的横坐标应为________;图线与h轴交点的物理含义是______________________.
第17讲 振动与波、光学和热学的实验
命题分类剖析
命题点一
[例1] 解析:(1)测量前测微螺杆和测砧相触时,图(a)的示数为d0=0 mm+0.7×0.01 mm=0.007 mm
螺旋测微器读数是固定刻度读数(0.5 mm的整数倍)加可动刻度(0.5 mm以下的小数)读数,图中读数为d1=20 mm+3.4×0.01 mm=20.034 mm
则摆球的直径为d=d1-d0=20.027 mm
(2)角度盘的大小一定,即在规定的位置安装角度盘,测量的摆角准确,但将角度盘固定在规定位置上方,即角度盘到悬挂点的距离变短,同样的角度,摆线在角度盘上扫过的弧长变短,故摆线在角度盘上所指的示数为5°时,实际摆角大于5°;
(3)单摆的摆线长度为81.50 cm,则摆长为l=l0+d2=81.50 cm+2.002 72 cm=82.5 cm;
一次全振动单摆经过最低点两次,故此单摆的周期为T=2tN=54.6030 s=1.82 s
由单摆的周期表达式T=2πlg得,重力加速度g=4π2lT2=9.83 m/s2
答案:(1)0.007(0.007~0.009均可) 20.034(20.034~20.036均可) 20.027(20.025~20.029均可)
(2)大于 (3)82.5 1.82 9.83
[例2] 解析:(3)从图中可以算出弹簧振子振动周期T=t010
(5)分析数据可知,弹簧振子振动周期的平方与质量的比值接近于常量3.95,则弹簧振子振动周期的平方与质量的关系是线性的.
(6)因2π mk的单位为 kgNm= kg·mkg·ms2=s
因为s(秒)为周期的单位,则其它各项单位都不是周期的单位,故选A.
(7)除偶然误差外,钩码振动过程中受空气阻力的影响可能会使本实验产生误差.
答案:(3)t010 (5)线性的 (6)A (7)空气阻力
[提升训练]
1.解析:(1)单摆只有在最大摆角小于5°时,其振动才可以视为简谐运动,所以选项A错误;摆球的质量大些、体积小些,可以减小振动时空气阻力的影响,可以减小测量误差,选项B正确;摆线尽量细些,可减小摆线质量的影响,摆线尽量长些,可保证最大摆角小于5°,伸缩性小些,可使摆动过程中摆长保持不变,选项C正确;由于摆球在通过最低位置时速度最大,计时的起、止位置选在摆球达到的最低位置,有利于减小计时误差,选项D错误.
(2)设摆线长为L,摆球半径为r,则单摆的周期公式为T=2π L+rg,变化为T2=4π2L+rg.对照图3所示的图像,图像斜率k=4π2g.实验所得结果与当地重力加速度值相等,说明实验测量符合要求,图像延长线没有过原点,说明测量摆长时直接将摆线长度作为摆长,其原因可能是C.
答案:(1)BC (2)C
2.解析:(1)螺旋测微器的读数为d=4.5 mm+20.0×0.01 mm=4.700 mm
(2)单摆完成n次全振动的时间为t,则单摆的周期为T=tn
由题可得,单摆的摆长为l=L+d2
根据单摆的周期公式T=2πlg
可得,重力加速度为g=4π2lT2=4π2n2t2L+d2
(3)计算时将L当成摆长,此时得到重力加速度的表达式将为g′=4π2lT2=4π2n2Lt2,可知,此时测得的重力加速度将偏小,故A正确;测摆线长时摆线拉得过紧,则导致摆长l偏大,会使测得的重力加速度将偏大,故B错误;开始计时时,秒表按下过晚,会导致测得的时间t偏小,从而导致测得的重力加速度偏大,故C错误;实验中误将30次全振动计为29次,会使得记录的次数n偏小,从而导致测得的重力加速度偏小,故D正确.
答案:(1)4.700 (2)4π2n2L+d2t2 (3)AD
命题点二
[例1] 解析:(1)采用插针法测定光的折射率的时候,应选定光学表面间距大一些的玻璃砖,这样光路图会更加清晰,减小误差,同时两枚大头针的距离尽量大一些,保证光线的直线的准确度,因此A、D正确,光学表面是否平行不影响该实验的准确度,因此B错误,应选用细一点的大头针因此C错误.
(2)根据光的折射定律可知当选用平行的玻璃砖时出射光和入射光应是平行光,又因发生了折射因此出射光的出射点应相比入射光的延长线向左平移,因此D正确.
(3)由折射定律可知折射率n=sin ∠AOCsin ∠BOD,sin ∠AOC=ACR,sin ∠BOD=BDR,联立解得n=ACBD.
答案:(1)AD (2)D (3)ACBD
[例2] 解析:(1)若粗调后看不到清晰的干涉条纹,看到的是模糊不清的条纹,则最可能的原因是单缝与双缝不平行;要使条纹变得清晰,值得尝试的是调节拨杆使单缝与双缝平行,故选C.(2)根据Δx=ldλ可知要增大条纹间距可以增大双缝到光屏的距离l,减小双缝的间距d,故选D.
答案:(1)C (2)D
[提升训练]
1.解析:(1)光线穿过平行玻璃砖的出射光线和入射光线平行,过S1作BS2的平行线,交ad于C点,连接OC,光路图如答图所示.(2)根据几何关系可知,入射角的正弦值sin i=l1l12+l22 ,折射角的正弦值sin r=l1-l3l1-l32+l22 ,根据折射定律n=sinisinr=l1l1-l32+l22 l1-l3 l12+l22 .(3)若玻璃砖的宽度变小,ad边与两条光线的交点距离变小,即BC变小,则S1S2间的距离也会变小.
答案:(1)如图所示
2l1l1-l32+l22 l1-l3 l12+l22 (3)变小
2.解析:(1)由双缝干涉原理可知,先用滤光片得到单色光,然后用单缝得到细长的光源,最后用双缝得到两束相干光,故a、b分别是单缝和双缝,故选A.(2)第一条亮纹到第六条亮纹间距是x,则相邻亮条纹间距为Δx=x5,根据Δx=Lλd可得光的波长是λ=ΔxdL=dx5L
答案:(1)A (2)dx5L
命题点三
[例1] 解析:(1)在实验误差允许范围内,图乙中的拟合曲线为一条过原点的直线,说明在等温情况下,一定质量的气体,p与1V成正比.故选B.
(2)若气体被压缩到V=10.0 mL,则有
1V=110.0 mL-1=100×10-3 mL-1
由图乙可读出封闭气体压强为
p=2.04×105 Pa.
(3)某组同学进行实验时,一同学在记录数据时漏掉了ΔV,则在计算pV乘积时,根据
p(V0+ΔV)-pV0=pΔV
可知他的计算结果与同组正确记录数据同学的计算结果之差的绝对值会随p的增大而增大.
答案:(1)B (2)2.04×105 (3)增大
[例2] 解析:油膜法测量分子大小需要形成单分子油膜,故而需要减少油酸浓度;一滴油酸的体积非常微小不易准确测量,故而使用累积法,测出N滴油酸溶液的体积V,用V与N的比值计算一滴油酸的体积;由于形成单分子油膜,油膜的厚度h可以认为是分子直径,故而还需要测量出油膜的面积S,以计算厚度h=VS.
答案:使油酸在浅盘的水面上容易形成一块单分子层油膜 把油酸酒精溶液一滴一滴地滴入小量筒中,测出1 mL油酸酒精溶液的滴数,得到一滴溶液中纯油酸的体积 油膜稳定后得表面积S.
[提升训练]
1.解析:(1)在本实验中,要用注射器通过累积法得到一滴油酸酒精溶液的体积,先在水槽中撒上爽身粉,再将用酒精稀释过的油酸用注射器滴到水面上,将玻璃板盖在水槽上,在玻璃板上铺上坐标纸,用彩笔画出油膜的边界,用数格子的方法得出形成的面积;则可根据体积公式求得分子直径.故实验中还需要:注射器、爽身粉及坐标纸.
(2)在“用油膜法估测油酸分子大小”的实验中,一般将油膜看成单分子膜,将油酸看成球形,将油酸分子看成是紧挨在一起的;实验中滴在水面上的是油酸酒精溶液而不是纯油酸,且只能滴一滴,这是因为纯油酸粘滞力较大,直接测量体积时误差太大;在滴入油滴之前,要先在水面上均匀撒上爽身粉,这样做的目的是使油膜边界清晰,便于描绘油膜形状.
(3)“油膜法估测油酸分子的大小”实验步骤为:配制油酸酒精溶液→测定一滴油酸酒精溶液的体积→准备浅水盘→形成油膜→描绘油膜边缘→测量油膜面积→计算分子直径,显然,操作先后顺序排列应是dacb.
(4)①由题意可知,一滴油酸酒精溶液的体积V′=VN,其中纯油酸的体积V0=cVN;②所形成的油膜的面积为S=Xa2;超过半格的算一个,不足半格的舍去,从图中可数出小正方形的有效个数X=55;③纯油酸的体积V0=DS,D=V0S=cVNXa2.
答案:(1)注射器、爽身粉、坐标纸
(2)将油膜看成单分子膜,将油酸分子看成球形,将油酸分子看成是紧挨在一起的 纯油酸粘滞力较大,直接测量体积时误差太大 使油膜边界清晰,便于描绘油膜形状
(3)dacb (4)①cVN ②Xa2 55 ③cVNXa2
2.解析:由于要验证玻意耳定律,则上、下移动B管时,需保持温度不变;对A中的气体,若满足玻意耳定律,则(p0+h)V=C,解得h=C·1V-p0,则以h为纵坐标,得到如题图(b)所示的函数图像,则图像的横坐标为1V;图线与h轴交点的物理含义是-p0,即大气压强p0的相反数.
答案:温度 1V 大气压强p0的相反数
m/kg
10T/s
T/s
T2/s2
0.015
2.43
0.243
0.059
0.025
3.14
0.314
0.099
0.035
3.72
0.372
0.138
0.045
4.22
0.422
0.178
0.055
4.66
0.466
0.217
方法图解
思维过程
辅助线段法
作辅助线AB垂直于OB、CD垂直于OD.sin θ1=ABOA,sin θ2=CDOC,则n=sinθ1sinθ2=AB·OCOA·CD.
“单位圆”法
过E作NN′的垂线EH,过E′作NN′的垂线E′H′.sin θ1=EHOE,sin θ2=E'H'OE',OE=OE'=R,则n=sinθ1sinθ2=EHE'H'.
相关学案
这是一份第18讲 热学和光学实验(含解析)--2024年高考物理大二轮复习讲义,共12页。
这是一份2023届高考物理二轮复习专题五第1讲机械振动与机械波学案,共13页。
这是一份2023届高考物理二轮复习第20讲热学和光学实验学案(浙江专用),共23页。

