江西省宜春市丰城市第九中学2023-2024学年高一下学期4月月考化学试题(原卷版+解析版)
展开本试卷总分值为100分 考试时间80分钟
可能用到的原子相对质量C12 O16 Na23 S32 Cl35.5 Ba137
一、单项选择题(共16小题,共48分)
1. 下列物质的分类正确的是
A. AB. BC. CD. D
2. 下表中,对陈述I、II的正确性及二者间是否具有因果关系的判断都正确的是
A AB. BC. CD. D
3. 下列关于物质分类的说法正确的是
A. 纯碱、烧碱都属于碱
B. 冰水混合物属于纯净物
C. 凡能电离出H+的化合物都属于酸
D. 盐类物质一定含有金属阳离子和酸根离子
4. 为除去括号内的杂质,所选用的试剂或方法正确的是
A. CO2(HCl):将混合气体通过足量的饱和碳酸钠溶液
B. Na2CO3固体粉末(NaHCO3):加热到固体质量不再减轻为止
C. NaHCO3溶液(Na2CO3):向溶液中加入过量Ca(OH)2溶液,过滤
D. Cl2(HCl):将混合气体通过浓硫酸
5. 向一定浓度的溶液中滴加溶液,其电导率随滴入溶液体积变化的曲线如图所示。下列分析正确的是
A. ab段发生反应离子方程式是:
B. c点溶液中大量存在的离子是、
C. b、d两点对应溶液中的离子总数目相等
D. bc段发生反应的离子方程式是:
6. 下列反应的离子方程式正确的是
A. 向溶液中通入少量
B. 溶解在HI溶液中:
C. 向溶液中加过量的溶液:
D. 向KI-淀粉试纸上滴加硫酸酸化的,试纸变蓝:
7. 设NA 为阿伏加德罗常数值,下列说法正确的是
A. 常温下NA 个 Cl2 分子所占有的体积为 22.4 L
B. 1 ml O2 做氧化剂时转移电子数一定为 4NA
C. 在Na2O2与CO2 反应中,固体质量每增重28 g,转移电子数2NA
D. 23gNa与O2 充分反应生成Na2O和Na2O2 的混合物,消耗O2分子数在0.25NA和0.5NA之间
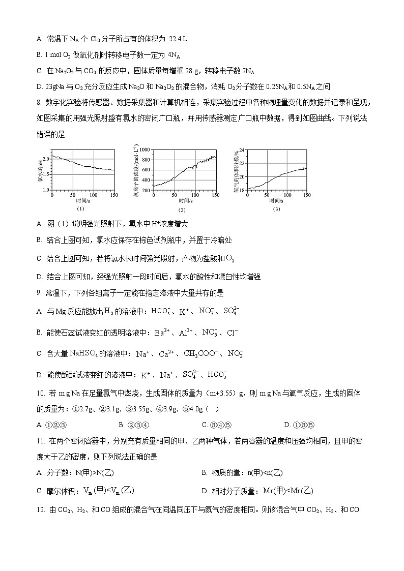
8. 数字化实验将传感器、数据采集器和计算机相连,采集实验过程中各种物理量变化的数据并记录和呈现,如图采集的用强光照射盛有氯水的密闭广口瓶,并用传感器测定广口瓶中数据,得到如图曲线。下列说法错误的是
A. 图(1)说明强光照射下,氯水中H+浓度增大
B. 结合上图可知,氯水应保存在棕色试剂瓶中,并置于冷暗处
C. 结合上图可知,若将氯水长时间强光照射,产物为盐酸和
D. 结合上图可知,经强光照射一段时间后,氯水的酸性和漂白性均增强
9. 常温下,下列各组离子一定能在指定溶液中大量共存的是
A. 与Mg反应能放出的溶液中:、、、
B. 能使石蕊试液变红的透明溶液中:、、、
C. 含大量的溶液中:、、、
D. 能使酚酞试液变红的溶液中:、、、
10. 若 m g Na在足量氯气中燃烧,生成固体的质量为(m+3.55)g,则 m g Na与氧气反应,生成的固体的质量为:①2.7g、②3.1g、③3.55g、④3.9g、⑤4.0g( )
A. ①②③B. ②③④C. ③④⑤D. ①③⑤
11. 在两个密闭容器中,分别充有质量相同的甲、乙两种气体,若两容器的温度和压强均相同,且甲的密度大于乙的密度,则下列说法正确的是
A. 分子数:N(甲)>N(乙)B. 物质的量:n(甲)
12. 由CO2、H2、和CO组成的混合气在同温同压下与氮气的密度相同。则该混合气中CO2、H2、和CO的体积比为 ( )
A. 29︰8︰13B. 22︰1︰14C. 13︰9︰29D. 26︰16︰57
13. 硝酸厂烟气中含有大量氮氧化物(NOx)。常温下,将烟气与H2的混合气体通入Ce(SO4)2 与Ce2(SO4)3[Ce中文名“铈”]的混合溶液中可实现无害化处理,其转化过程如图所示(以NO为例)。下列说法正确的是
A. 反应Ⅰ中氧化产物与还原产物的物质的量之比为
B. 反应Ⅱ的离子方程式为
C. 该转化过程的实质是NO被H2氧化
D. 反应过程中混合溶液内Ce3+和Ce4+离子总数一定保持不变
14. 对于反应:,下列说法正确的是
A. 该反应中,有三种元素化合价发生改变
B. 该反应的还原剂为和,氧化产物为和
C. 1.5ml参加反应,被还原的为0.4ml
D. 1.5ml参加反应,有4ml转移
15. 向FeI2、FeBr2的混合溶液中通入适量的氯气,溶液中某些离子的物质的量变化如下图所示。下列有关说法中正确的是
A. 离子的还原性顺序为:Fe2+>Br->I-
B. 原混合溶液中FeBr2的物质的量为4ml
C. 原溶液中:n(Fe2+)∶n(I-)∶n(Br-)=2∶1∶3
D. 当通入2 ml Cl2时,溶液中发生的离子反应可表示为:2Fe2++2Br-+2Cl2=2Fe3++Br2+4Cl-
16. 某溶液M中只可能含有下列离子中的若干种:、、、、、、、和。为验证溶液中存在的离子种类,某同学进行如图所示实验:
下列有关溶液M的说法错误的是
A. 气体X可以使湿润的红色石蕊试纸变蓝
B. 根据实验不能确定溶液M中是否存在
C. 一定存在和,且物质的量浓度分别为1和2
D. 将气体Y通入301溶液中,所得溶液中阴离子主要为和
二、填空题
17. 室温下,某容积固定的密闭容器由可移动的活塞隔成A、B两室,分别向A、B两室充入、的混合气体和1 ml空气,此时活塞的位置如图所AB示。
(1)A室混合气体的物质的量为_______,所含分子总数为_______。
(2)若将、的混合气体点燃引爆。活塞先左弹,恢复原温度后,活塞右滑停留于容器的中央。则原来、的体积之比可能为_______。
(3)若实验测得A室混合气体的质量为34 g,则该混合气体的密度是同温同压条件下氦气密度的_______倍。将A室、的混合气体点燃引爆,恢复原温度后,最终活塞停留的位置在_______刻度,容器内气体压强与反应前气体压强之比为_______。
18. 完成下列两小题的计算:
(1)现有14.4gCO和CO2的混合气体,在标准状况下其体积为8.96L。
①该混合气体的平均摩尔质量为______,混合气体中碳原子的个数为______(用NA表示阿伏加德罗常数)。
②将混合气体依次通过如图所示装置,最后收集在气球中(实验在标准状况下测定)。
气球中收集到的气体的摩尔质量为______,气球的体积为______。
(2)固体中含有部分。取该固体充分加热,产生的气体依次通过浓硫酸(增重)和碱石灰(增重)。请计算:
①加热分解产生的气体中在标准状况下的体积为______L。
②固体中的质量为______g。
③固体中的值为______。
19. 现有含有杂质的样品1.95g,某同学在实验室用如图装置(部分夹持仪器已省略)测定其杂质含量:
已知:碱石灰主要含有氧化钙和氢氧化钠
回答下列问题:
(1)将仪器连接好后,首先要进行的实验操作是_____。
(2)装置B中饱和碳酸氢钠的作用是除去中HCl气体,该过程涉及的离子反应方程式是_____。
(3)写出装置C中和反应的化学方程式:_____。
(4)若无装置D,测得样品中的质量分数_____(填“偏高”“偏低”或“无影响”)。
(5)1.95g样品充分反应后,待冷却后读出装置F中水的体积,将其折算成产生气体的质量为0.24g,则样品中的质量分数为_____。
(6)若除去粉末中的,采用的简单方法为_____。
(7)若将投入到含有下列离子的溶液中:、、、、、,反应完毕后,溶液中上述离子数目几乎不变的有__________(填离子符号)。
20. 高铁酸钾()具有强氧化性,是一种环保、高效、多功能水处理剂,实验室用含少量杂质的铁屑原料,经过如下流程制备少量。
(1)中铁元素的化合价是___________。
(2)往原料中添加过量除去的物质为___________。
(3)“预氧化”环节的离子方程式是___________。
(4)“制备”的反应中,还原剂和氧化剂的物质的量之比为___________。
(5)“熔融法”是最早发现+6价高铁酸盐的方法,该法制备高铁酸盐的原理如下:,若反应中被氧化的与被还原的之物质的量比为1∶4,请写出该反应配平后的方程式:___________。此时,若反应产生11.2L(标准状况),则转移的电子为___________ml。碱
酸
盐
碱性氧化物
酸性氧化物
A
Na2CO3
H2SO4
NaHCO3
Al2O3
CO2
B
Cu(OH)2
HCl
NaCl
Na2O
NO2
C
NaOH
CH3COOH
Cu2(OH)2CO3
Na2O2
SO2
D
NH3·H2O
HNO3
NH4HSO4
CaO
SO3
选项
陈述I
陈述II
判断
A
小苏打可用于治疗胃酸过多
Na2CO3可与盐酸反应
I对;II对;有关系
B
向滴有酚酞的水溶液中加入Na2O2,溶液变红
Na2O2与水反应生成氢氧化钠
I对;II错;无关系
C
金属钠具有强还原性
高压钠灯发出透雾性强的黄光
I对;II对;有关系
D
过氧化钠可用作航天员的供氧剂
Na2O2能和CO2、H2O反应生成O2
I对;II对;有关系
江西省宜春市丰城市第九中学2023-2024学年高二下学期4月月考化学试题(原卷版+解析版): 这是一份江西省宜春市丰城市第九中学2023-2024学年高二下学期4月月考化学试题(原卷版+解析版),文件包含江西省宜春市丰城市第九中学2023-2024学年高二下学期4月月考化学试题原卷版docx、江西省宜春市丰城市第九中学2023-2024学年高二下学期4月月考化学试题解析版docx等2份试卷配套教学资源,其中试卷共27页, 欢迎下载使用。
江西省宜春市丰城市第九中学2023-2024学年高一下学期4月月考化学试题(Word版附解析): 这是一份江西省宜春市丰城市第九中学2023-2024学年高一下学期4月月考化学试题(Word版附解析),共8页。试卷主要包含了单项选择题,填空题等内容,欢迎下载使用。
江西省宜春市丰城市第九中学2023-2024学年高二下学期第一次月考化学试题: 这是一份江西省宜春市丰城市第九中学2023-2024学年高二下学期第一次月考化学试题,共4页。

