2024届高考化学二轮复习题型强化练(三)含答案
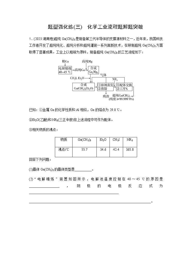
展开已知:①金属Ga的化学性质和Al相似,Ga的熔点为29.8 ℃。
②Et2O(乙醚)和NR3(三正辛胺)在上述流程中可作为配体。
③相关物质的沸点:
回答下列问题:
(1)晶体Ga(CH3)3的晶体类型是__________。
(2)“电解精炼”装置如图所示,电解池温度控制在40~45 ℃的原因是__________________,阴极的电极反应式为_____________________________________________________
________________________________________________________________________。
(3)“合成Ga(CH3)3(Et2O)”工序中的产物还包括MgI2和CH3MgI,写出该反应的化学方程式:________________________________________________________________________
________________________________________________________________________。
(4)“残渣”经纯水处理,能产生可燃性气体,该气体主要成分是________。
(5)下列说法错误的是__________(填字母)。
A.流程中Et2O得到了循环利用
B.流程中,“合成Ga2Mg3”至“工序X”需在无水无氧的条件下进行
C.“工序X”的作用是解配Ga(CH3)3(NR3),并蒸出Ga(CH3)3
D.用核磁共振氢谱不能区分Ga(CH3)3和CH3I
(6)直接分解Ga(CH3)3(Et2O)不能制备超纯Ga(CH3)3,而本流程采用“配体交换”工艺制备超纯Ga(CH3)3的理由是______________________________________________________
________________________________________________________________________。
(7)比较分子中的C—Ga—C键角大小:Ga(CH3)3______(填“>”“<”或“=”)Ga(CH3)3(Et2O),其原因是_________________________________________________________________
________________________________________________________________________。
解析:以粗镓为原料,制备超纯Ga(CH3)3,粗Ga经过电解精炼得到纯Ga,Ga和Mg反应生产Ga2Mg5,Ga2Mg5和CH3I、Et2O反应生成Ga(CH3)3(Et2O)、MgI2和CH3MgI,然后经过蒸发溶剂、蒸馏,除去残渣MgI2、CH3MgI,加入NR3进行配体交换、进一步蒸出得到超纯Ga(CH3)3,Et2O重复利用,据此解答。
(1)晶体Ga(CH3)3的沸点较低,晶体类型是分子晶体。
(2)电解池温度控制在40~45 ℃可以保证Ga为液体,便于纯Ga流出;粗Ga在阳极失去电子,阴极得到Ga,电极反应式为Ga3++3e-===Ga。
(3)“合成Ga(CH3)3(Et2O)”工序中的产物还包括MgI2和CH3MgI,该反应的化学方程式8CH3I+2Et2O+Ga2Mg5===2Ga(CH3)3(Et2O)+3MgI2+2CH3MgI。
(4)“残渣”含CH3MgI,经纯水处理,能产生可燃性气体CH4。
(5)根据分析,流程中Et2O得到了循环利用,A项正确;Ga(CH3)3(Et2O)容易和水反应,容易被氧化,则流程中,“合成Ga2Mg5”至“工序X”需在无水无氧的条件下进行,B项正确;“配体交换”得到Ga(CH3)3(NR3),“工序X”先解配Ga(CH3)3(NR3)后蒸出Ga(CH3)3,C项正确;Ga(CH3)3和CH3I二者甲基的环境不同,核磁共振氢谱化学位移不同,用核磁共振氢谱能区分Ga(CH3)3和CH3I,D项错误。故选D。
(6)直接分解Ga(CH3)3(Et2O)时由于Et2O的沸点较低,与Ga(CH3)3一起蒸出,不能制备超纯Ga(CH3)3,而题中流采用“配体交换”工艺制备超纯Ga(CH3)3的理由是,根据题给相关物质沸点可知,NR3沸点远高于Ga(CH3)3,与Ga(CH3)3易分离。
(7)分子中的C—Ga—C键角大小为Ga(CH3)3>Ga(CH3)3(Et2O),其原因是Ga(CH3)3中Ga为sp2杂化,所以为平面结构,而Ga(CH3)3(Et2O)中Ga为sp3杂化,所以为四面体结构,故夹角较小。
答案:(1)分子晶体
(2)保证Ga为液体,便于纯Ga流出 Ga3++3e-===Ga
(3)8CH3I+2Et2O+Ga2Mg5===2Ga(CH3)3(Et2O)+3MgI2+2CH3MgI
(4)CH4 (5)D
(6)NR3沸点较高,易与Ga(CH3)3分离,Et2O的沸点低于Ga(CH3)3,一起气化,难以得到超纯Ga(CH3)3
(7)> Ga(CH3)3中Ga为sp2杂化,所以为平面结构,而Ga(CH3)3(Et2O)中Ga为sp3杂化,所以为四面体结构,故夹角较小
2.(2023·新课标卷)铬和钒具有广泛用途。铬钒渣中铬和钒以低价态含氧酸盐形式存在,主要杂质为铁、铝、硅、磷等的化合物,从铬钒渣中分离提取铬和钒的一种流程如下图所示:
已知:最高价铬酸根在酸性介质中以Cr2Oeq \\al(2-,7)存在,在碱性介质中以CrOeq \\al(2-,4)存在。
回答下列问题:
(1)煅烧过程中,钒和铬被氧化为相应的最高价含氧酸盐,其中含铬化合物主要为__________(填化学式)。
(2)水浸渣中主要有SiO2和__________。
(3)“沉淀”步骤调pH到弱碱性,主要除去的杂质是____________。
(4)“除硅磷”步骤中,使硅、磷分别以MgSiO3和MgNH4PO4的形式沉淀,该步需要控制溶液的pH≈9以达到最好的除杂效果。若pH<9时,会导致_______________________
________________________________________________________________________;
pH>9时,会导致________________________________________________________
________________________________________________________________________。
(5)“分离钒”步骤中,将溶液pH调到1.8左右得到V2O5沉淀。V2O5在pH<1时,溶解为VOeq \\al(+,2)或VO3+;在碱性条件下,溶解为VOeq \\al(-,3)或VOeq \\al(3-,4)。上述性质说明V2O5具有________(填字母)。
A.酸性 B.碱性 C.两性
(6)“还原”步骤中加入焦亚硫酸钠(Na2S2O5)溶液,反应的离子方程式为___________
________________________________________________________________________。
解析:由题给流程可知,铬钒渣在氢氧化钠和空气中煅烧,将钒、铬、铁、铝、硅、磷等元素转化为相应的最高价含氧酸盐,煅烧渣加入水浸取、过滤得到含有二氧化硅、氧化铁的滤渣和滤液;向滤液中加入稀硫酸调节溶液pH将铝元素转化为氢氧化铝沉淀,过滤得到氢氧化铝滤渣和滤液;向滤液中加入硫酸镁溶液、硫酸铵溶液将硅元素、磷元素转化为MgSiO3和MgNH4PO4沉淀,过滤得到含有MgSiO3、MgNH4PO4的滤渣和滤液;向滤液中加入稀硫酸调节溶液pH将钒元素转化为五氧化二钒,过滤得到五氧化二钒和滤液;向滤液中加入焦亚硫酸钠溶液将铬元素转化为三价铬离子,调节溶液pH将铬元素转化为氢氧化铬沉淀,过滤得到氢氧化铬。
(1)由分析可知,煅烧过程中,铬元素转化为铬酸钠。
(2)由分析可知,水浸渣中主要有二氧化硅、氧化铁。
(3)由分析可知,沉淀步骤调pH到弱碱性的目的是将铝元素转化为氢氧化铝沉淀。
(4)由分析可知,加入硫酸镁溶液、硫酸铵溶液的目的是将硅元素、磷元素转化为MgSiO3和MgNH4PO4沉淀,若溶液pH<9时,磷酸根会与H+反应使其浓度降低导致MgNH4PO4无法完全沉淀,同时可能出现硅酸胶状沉淀不宜处理;若溶液pH>9时,会导致镁离子生成氢氧化镁沉淀,不能形成MgSiO3沉淀,导致产品中混有杂质,同时溶液中铵根离子浓度降低导致MgNH4PO4无法完全沉淀。
(5)由题给信息可知,五氧化二钒是既能与酸溶液反应生成盐和水,也能与碱溶液反应生成盐和水的两性氧化物,故选C。
(6)由题意可知,还原步骤中加入焦亚硫酸钠溶液的目的是将铬元素转化为铬离子,反应的离子方程式为2Cr2Oeq \\al(2-,7)+3S2Oeq \\al(2-,5)+10H+===4Cr3++6SOeq \\al(2-,4)+5H2O。
答案:(1)Na2CrO4 (2)Fe2O3 (3)Al(OH)3
(4)磷酸根会与H+反应使其浓度降低导致MgNH4PO4无法完全沉淀,同时可能出现硅酸胶状沉淀不宜处理 镁离子生成氢氧化镁沉淀,不能形成MgSiO3沉淀,导致产品中混有杂质,同时溶液中铵根离子浓度降低导致MgNH4PO4无法完全沉淀
(5)C (6)2Cr2Oeq \\al(2-,7)+3S2Oeq \\al(2-,5)+10H+===4Cr3++6SOeq \\al(2-,4)+5H2O
3.(2023·全国甲卷)BaTiO3是一种压电材料。以BaSO4为原料,采用下列路线可制备粉状BaTiO3。
回答下列问题:
(1)“焙烧”步骤中碳粉的主要作用是_________________________________________。
(2)“焙烧”后固体产物有BaCl2、易溶于水的BaS和微溶于水的CaS。“浸取”时主要反应的离子方程式为_________________________________________________________
________________________________________________________________________。
(3)“酸化”步骤应选用的酸是________(填字母)。
a.稀硫酸 b.浓硫酸
c.盐酸 d.磷酸
(4)如果焙烧后的产物直接用酸浸取,是否可行?____________,其原因是_________
________________________________________________________________________。
(5)“沉淀”步骤中生成BaTiO(C2O4)2的化学方程式为
________________________________________________________________________。
(6)“热分解”生成粉状钛酸钡,产生的nCO2∶nCO=______________。
解析:由流程和题中信息可知,BaSO4与过量的碳粉及过量的氯化钙在高温下焙烧得到CO、BaCl2、易溶于水的BaS和微溶于水的CaS;烧渣经水浸取后过滤,滤渣中有碳粉和CaS,滤液中有BaCl2和BaS;滤液经酸化后浓缩结晶得到BaCl2晶体;BaCl2晶体溶于水后,加入TiCl4和(NH4)2C2O4将钡离子充分沉淀得到BaTiO(C2O4)2;BaTiO(C2O4)2经热分解得到BaTiO3。
(1)“焙烧”步骤中,BaSO4与过量的碳粉及过量的氯化钙在高温下焙烧得到CO、BaCl2、BaS和CaS,BaSO4被还原为BaS,因此,碳粉的主要作用是作还原剂,将BaSO4还原。
(2)“焙烧”后固体产物有BaCl2、易溶于水的BaS和微溶于水的CaS。“浸取”时易溶于水的BaS与过量的CaCl2可以发生复分解反应生成硫化钙沉淀,反应的离子方程式为S2-+Ca2+=== CaS↓。
(3)“酸化”步骤是为了将BaS转化为易溶于水的钡盐,由于硫酸钡和磷酸钡均不溶于水,而BaCl2可溶于水,因此,应选用的酸是盐酸,选c。
(4)如果焙烧后的产物直接用酸浸取是不可行的,其原因是:产物中的硫化物与酸反应生成的有毒气体H2S会污染空气,而且CaS与盐酸反应生成可溶于水的CaCl2,导致BaCl2溶液中混有CaCl2杂质无法除去、最终所得产品的纯度降低。
(5)“沉淀”步骤中生成BaTiO(C2O4)2的化学方程式为BaCl2+TiCl4+H2O+2(NH4)2C2O4===BaTiO(C2O4)2+4NH4Cl+2HCl。
(6)“热分解”生成粉状钛酸钡,该反应的化学方程式为BaTiO(C2O4)2eq \(=====,\s\up7(△))BaTiO3+2CO2↑+2CO↑,因此,产生的nCO2∶nCO=1∶1。
答案:(1)作还原剂,将BaSO4还原
(2)S2-+Ca2+===CaS↓
(3)c
(4)不可行 产物中的硫化物与酸反应生成的有毒气体H2S会污染空气,而且CaS与盐酸反应生成可溶于水的CaCl2,导致BaCl2溶液中混有CaCl2杂质无法除去、最终所得产品的纯度降低
(5)BaCl2+TiCl4+H2O+2(NH4)2C2O4===BaTiO(C2O4)2↓+4NH4Cl+2HCl
(6)1∶1
4.(2023·全国乙卷)LiMn2O4作为一种新型锂电池正极材料受到广泛关注。由菱锰矿(MnCO3,含有少量Si、Fe、Ni、Al等元素)制备LiMn2O4的流程如下:
已知:Ksp[Fe(OH)3]=2.8×10-39,Ksp[Al(OH)3]=1.3×10-33,Ksp[Ni(OH)2]=5.5×10-16。
回答下列问题:
(1)硫酸溶矿主要反应的化学方程式为_______________________________________
________________________________________________________________________。
为提高溶矿速率,可采取的措施______________(举1例)。
(2)加入少量MnO2的作用是________________________;不宜使用H2O2替代MnO2,原因是________________________________________________________________________
________________________________________________________________________。
(3)溶矿反应完成后,反应器中溶液pH=4,此时c(Fe3+)=__________ ml·L-1;用石灰乳调节至pH≈7,除去的金属离子是__________。
(4)加入少量BaS溶液除去Ni2+,生成的沉淀有________________。
(5)在电解槽中,发生电解反应的离子方程式为______________________________。随着电解反应进行,为保持电解液成分稳定,应不断__________。电解废液可在反应器中循环利用。
(6)煅烧窑中,生成LiMn2O4反应的化学方程式是______________________________
________________________________________________________________________。
解析:根据题给的流程,将菱锰矿置于反应器中,加入硫酸和MnO2,可将固体溶解为离子,也可将杂质中的Fe、Ni、Al等元素物质转化为其离子形式,同时,加入的MnO2可以将溶液中的Fe2+氧化为Fe3+;随后将溶液pH调至约等于7,此时,根据已知条件给出的三种氢氧化物的溶度积可以将溶液中的Al3+沉淀出来;随后加入BaS,可以将溶液中的Ni2+沉淀,得到相应的滤渣;之后溶液中含有大量的Mn2+,将此溶液置于电解槽中电解,得到MnO2,将MnO2与碳酸锂共同煅烧得到最终产物LiMn2O4。
(1)菱锰矿中主要含有MnCO3,加入硫酸后可以与其反应,硫酸溶矿主要反应的化学方程式为MnCO3+H2SO4===MnSO4+H2O+CO2↑;为提高溶矿速率,可以将菱锰矿粉碎。
(2)根据分析,加入MnO2的作用是将酸溶后溶液中含有的Fe2+氧化为Fe3+,但不宜使用H2O2氧化Fe2+,因为氧化后生成的Fe3+可以催化H2O2分解,不能使溶液中的Fe2+全部氧化为Fe3+。
(3)溶矿完成以后,反应器中溶液pH=4,此时溶液中c(OH-)=1.0×10-10ml·L-1,此时体系中含有的c(Fe3+)=eq \f(Ksp[Fe(OH)3],c3(OH-))=2.8×10-9ml·L-1,这时,溶液中的c(Fe3+)小于1.0×10-5,认为Fe3+已经沉淀完全;用石灰乳调节至pH≈7,这时溶液中c(OH-)=1.0×
10-7ml·L-1,溶液中c(Al3+)=1.3×10-12ml·L-1,c(Ni2+)=5.5×10-2ml·L-1,c(Al3+)小于1.0×10-5,Al3+沉淀完全,这一阶段除去的金属离子是Al3+。
(4)加入少量BaS溶液除去Ni2+,此时溶液中发生的离子方程式为BaS+Ni2++SOeq \\al(2-,4)=== BaSO4↓+NiS↓,生成的沉淀有BaSO4、NiS。
(5)在电解槽中,Mn2+发生反应生成MnO2,反应的离子方程式为Mn2++2H2Oeq \(=====,\s\up7(电解))H2↑+MnO2↓+2H+;电解时电解液中Mn2+大量减少,需要加入MnSO4以保持电解液成分的稳定。
(6)煅烧窑中MnO2与Li2CO3发生反应生成LiMn2O4,反应的化学方程式为2Li2CO3+8MnO2eq \(=====,\s\up7(煅烧))4LiMn2O4+2CO2↑+O2↑。
答案:(1)MnCO3+H2SO4===MnSO4+H2O+CO2↑ 粉碎菱锰矿
(2)将Fe2+氧化为Fe3+ Fe3+可以催化H2O2分解
(3)2.8×10-9 Al3+
(4)BaSO4、NiS
(5)Mn2++2H2Oeq \(=====,\s\up7(电解))H2↑+MnO2↓+2H+ 加入MnSO4
(6)2Li2CO3+8MnO2eq \(=====,\s\up7(煅烧))4LiMn2O4+2CO2↑+O2↑
5.(2023·广东统考一模)利用转炉烟尘(主要成分为CuO、ZnO、PbO、Sb4O6、As2O5)制备硫酸铜联产硫酸锌以及聚合硫酸铁的工艺流程如图:
已知:
①酸浸后As元素以H3AsO4形式存在。
②常温下,Ksp[Cu(OH)2]≈1.0×10-20。
③聚合硫酸铁盐基度[聚合硫酸铁中eq \f(n(OH-),3n(Fe3+))×100%]越大,絮凝效果越好。
回答下列问题:
(1)“酸浸渣”所含金属化合物是________(填化学式)。常温下,调节“酸浸液”pH为________(保留两位有效数字)时,溶液中c(Cu2+)=0.01 ml·L-1。
(2)生成Ca3(AsO4)2·Ca(OH)2的化学方程式为__________________________________
________________________________________________________________________。
(3)在一定温度下,将NaClO4加入“浓缩液”中可制取聚合硫酸铁[Fe2(OH)x(SO4)y]m。
①x和y的关系应满足:y=____________(用含x的式子表示)。
②“滤液3”中H2SO4的加入量对盐基度的影响如图所示,当n(H2SO4)∶n(FeSO4)>0.35时,产品的盐基度减小,其原因是________________________________________________
________________________________________________________________________。
(4)①“萃余液”经__________、__________、过滤、洗涤,得到ZnSO4·7H2O晶体。
②加热ZnSO4·7H2O固体,固体质量保留百分数与温度的关系如图所示。将ZnSO4·7H2O(M=287 g·ml-1)加热到145 ℃时得到ZnSO4·xH2O,其中x的值为__________;温度为1 050 ℃时,ZnSO4固体完全分解为ZnO以及两种气体(只有一种是氧化物),该反应的化学方程式为________________________________________________________________________
________________________________________________________________________。
解析:转炉烟尘加入硫酸酸浸,Cu、Zn、Sb转化为硫酸盐,As转化为H3AsO4,铅转化为硫酸铅沉淀成为酸浸渣;滤液加入氢氧化钙调节pH,As、Sb转化为沉淀,过滤滤液2加入铜萃取剂萃取分液,水相处理得到硫酸锌,有机相加入硫酸蒸馏分离得到硫酸铜溶液,硫酸铜溶液中加入铁生成铜和硫酸亚铁,过滤滤液3加入硫酸酸化后浓缩,浓缩液加入氧化剂NaClO4制取聚合硫酸铁。
(1)由分析可知,“酸浸渣”所含金属化合物是PbSO4。常温下,Ksp[Cu(OH)2]≈1.0×10-20,溶液中c(Cu2+)=0.01 ml·L-1时,c(OH-)=eq \r(\f(Ksp[Cu(OH)2],c(Cu2+)))=eq \r(\f(1.0×10-20,0.01))=10-9 ml·
L-1,则pOH=9.0,此时调节“酸浸液”pH为5.0。
(2)酸浸生成的H3AsO4和加入的石灰乳生成Ca3(AsO4)2·Ca(OH)2,反应为2H3AsO4+4Ca(OH)2===Ca3(AsO4)2·Ca(OH)2+6H2O。
(3)①根据化合价代数和为零可知,2×(+3)+x×(-1)+y×(-2)=0,则y=3-0.5x。②铁离子水解生成氢离子,硫酸为强酸会电离出氢离子;“滤液3”中H2SO4的加入会抑制铁离子的水解,导致产品的盐基度减小。
(4)①“萃余液”经蒸发浓缩、降温结晶、过滤、洗涤,得到ZnSO4·7H2O晶体。②假设初始ZnSO4·7H2O为1 ml,质量为287 g,ZnSO4·7H2O中ZnSO4质量为161 g;加热到145 ℃时得到ZnSO4·xH2O,固体质量为287 g×62.4%=179 g,则结晶水的物质的量为eq \f(179-161,18) ml=1 ml,故其中x的值为1;温度为1 050 ℃时,ZnSO4固体完全分解为ZnO以及两种气体(只有一种是氧化物),根据元素守恒可知,生成氧化物气体为二氧化硫,硫元素化合价降低,则氧元素化合价升高生成氧气,故该反应的化学方程式为2ZnSO4eq \(=====,\s\up7(1 050 ℃))2ZnO+2SO2↑+O2↑。
答案:(1)PbSO4 5.0
(2)2H3AsO4+4Ca(OH)2===Ca3(AsO4)2·Ca(OH)2+6H2O
(3)①y=3-0.5x ②H2SO4的加入会抑制铁离子的水解
(4)①蒸发浓缩 冷却结晶
②1 2ZnSO4eq \(=====,\s\up7(1 050 ℃))2ZnO+2SO2↑+O2↑
6.(2023·广东深圳一模)铋及其化合物广泛应用于电子材料、医药等领域。一种以含铋烧渣(主要成分为Bi2O3、MnSO4,还含有少量MnS、Fe2O3、CuO及SiO2等)制取Bi2O3并回收锰的工艺流程如下:
已知:①氧化性:Cu2+>Bi3+。
②Bi3+易水解成BiOCl沉淀;常温下,BiOCl存在的pH范围约为2.0~11.0。
③常温下,Ksp[Fe(OH)2]=4.9×10-17;lg 7=0.85。
回答下列问题:
(1)基态锰原子的价电子排布式为_________________________________________________。
(2)“水浸提锰”时,另加入少量稀硫酸可促进________(填化学式)溶解,进一步提高锰的浸取率。
(3)“滤渣2”的主要成分有________(填化学式)、Bi。
(4)常温下,“含Fe2+滤液”中Fe2+的浓度为0.01 ml·L-1。为保证BiOCl产品的纯度,理论上,“沉铋”时应控制溶液的pH<________(保留一位小数)。
(5)“脱氯”过程中主要反应的离子方程式为__________________________________
________________________________________________________________________。
(6)BiOCl是一种性能优良的光催化剂,可催化降解有机污染物对硝基苯酚等。对硝基苯酚的熔点高于邻硝基苯酚的熔点,其原因是__________________________________________________________________
________________________________________________________________________
________________________________________________________________________。
(7)我国科学家在新型二维半导体芯片材料——硒氧化铋的研究中取得突破性进展。硒氧化铋的晶胞结构如图所示,晶胞棱边夹角均为90°,晶胞参数为a pm,a pm,b pm。
①该晶胞沿z轴方向的投影图为______(填字母)。
②该晶体中,每个O2-周围紧邻的Bi3+共有____________________________________个。
③该晶体的密度为__________________g·cm-3(列出计算式,NA为阿伏加德罗常数的值)。
解析:铋烧渣(主要成分为Bi2O3、MnSO4,还含有少量MnS、Fe2O3、CuO及SiO2等)制备Bi2O3,含铋烧渣先水浸除锰,另加入少量稀硫酸可促进MnS溶解,同时MnSO4溶于水通过过滤分离,滤渣用浓盐酸酸浸,SiO2不溶于盐酸过滤后存在于滤渣1中,滤液中存在Bi3+、Cu2+、Fe3+,滤液中加入Bi粉还原,将Fe3+转化为Fe2+、Cu2+转化为Cu过滤除去,滤液中加入碳酸钠溶液沉铋,Fe2+存在于滤液中通过过滤除去,得到BiOCl,最后脱氯得到Bi2O3。
(1)Mn是25号元素,根据构造原理可得其价电子排布式为3d54s2。
(2)MnS可以溶解于稀酸,“水浸提锰”时,另加入少量稀硫酸可促进MnS溶解,进一步提高锰的浸取率。
(3)由分析可知,“还原”步骤中加入Bi粉,将Fe3+转化为Fe2+、Cu2+转化为Cu,过滤后Cu存在于滤渣2中。
(4)Fe2+开始沉淀时,c(OH-)=eq \r(\f(Ksp[Fe(OH)2],c(Fe2+)))=eq \r(\f(\a\vs4\al(4.9×10-17),0.01)) ml·L-1=7×10-8 ml·L-1,c(H+)=eq \f(Kw,c(OH-))=eq \f(1×10-14,7×10-8) ml·L-1=eq \f(1,7)×10-6 ml·L-1,pH=-lg c(H+)=-lg eq \f(1,7)×10-6=6-lg eq \f(1,7)=6-lg 1+lg 7=6.85≈6.9,为保证BiOCl产品的纯度,避免Fe2+沉淀,理论上,“沉铋”时应控制溶液的pH<6.9。
(5)“脱氯”过程中BiOCl和OH-反应生成Bi2O3和Cl-,离子方程式为2BiOCl+2OH-=== Bi2O3+2Cl-+H2O。
(6)对硝基苯酚存在分子间氢键,而邻硝基苯酚更易形成分子内氢键,导致对硝基苯酚分子间的作用力比邻硝基苯酚分子之间的作用力更强,故对硝基苯酚的熔点高于邻硝基苯酚的熔点。
(7)①由晶胞结构可知,该晶胞沿z轴方向的投影图为,故选B。②由晶胞结构可知,该晶体中,每个O2-周围紧邻的Bi3+共有4个。③由晶胞结构可知,该晶胞中Bi3+的个数为8×eq \f(1,4)+2=4,Se2-的个数为8×eq \f(1,8)+1=2,O2-的个数为8×eq \f(1,2)=4,该晶体的密度为eq \f(209×4+16×4+79×2,NA×a2b×10-30) g·cm-3。
答案:(1)3d54s2 (2)MnS (3)Cu (4)6.9
(5)2BiOCl+2OH-===Bi2O3+2Cl-+H2O
(6)对硝基苯酚存在分子间氢键,而邻硝基苯酚更易形成分子内氢键,导致对硝基苯酚分子间的作用力比邻硝基苯酚分子之间的作用力更强
(7)①B ②4 ③eq \f(209×4+16×4+79×2,NA×a2b×10-30)
物质
Ga(CH3)3
Et2O
CH3I
NR3
沸点/℃
55.7
34.6
42.4
365.8
2024届高考化学二轮复习题型强化练(六)含答案: 这是一份2024届高考化学二轮复习题型强化练(六)含答案,共10页。试卷主要包含了氮化镓具有优异的光电性能等内容,欢迎下载使用。
2024届高考化学二轮复习题型强化练(五)含答案: 这是一份2024届高考化学二轮复习题型强化练(五)含答案,共16页。
2024届高考化学二轮复习题型强化练(一)含答案: 这是一份2024届高考化学二轮复习题型强化练(一)含答案,共8页。试卷主要包含了下列化学用语正确的是,设NA为阿伏加德罗常数的值等内容,欢迎下载使用。

