还剩3页未读,
继续阅读
高中地理鲁教版(2019)必修二 第二单元 单元归纳总结学案
展开
这是一份高中地理鲁教版(2019)必修二 第二单元 单元归纳总结学案,共6页。
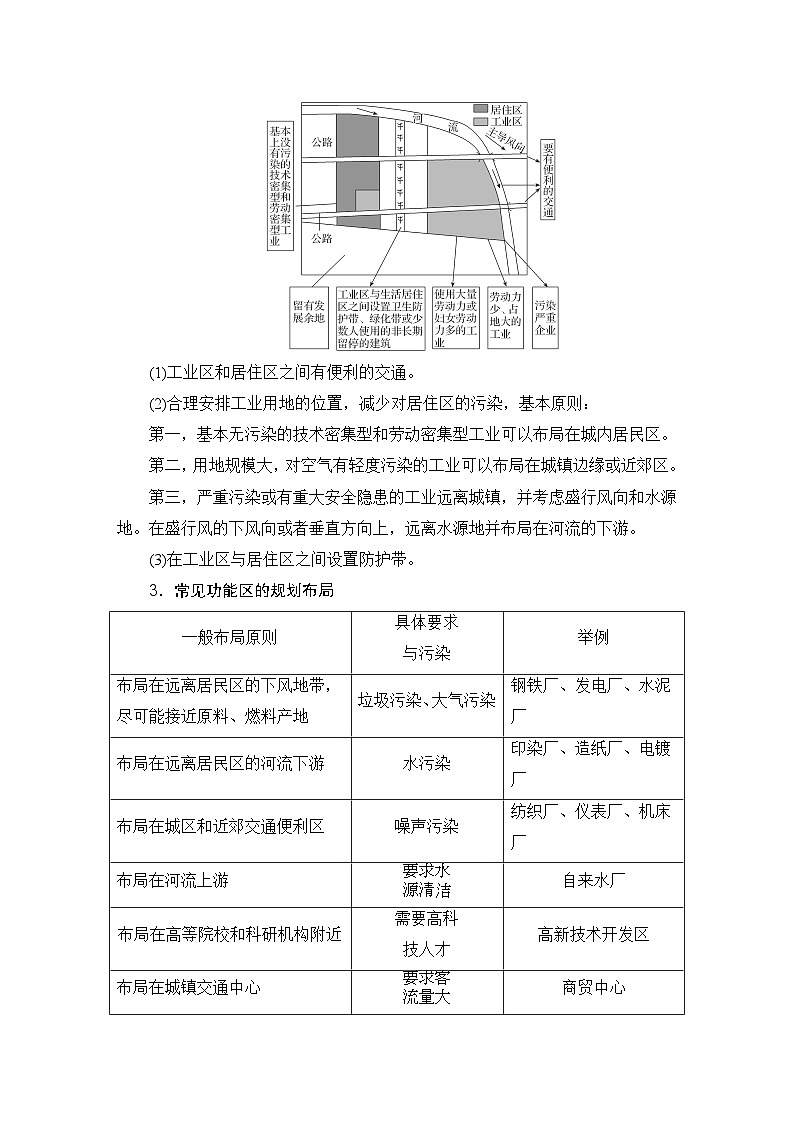
单 元 归 纳 总 结一、城镇功能区的布局原则1.总的原则合理布局城镇功能区(尤其是居住区与工业区)主要考虑以下四个方面:(1)协调工业用地、居住用地和交通用地的相对位置,既要保证工业用地和居住用地内部的交通联系,又要在工业用地与居住用地之间布置便利的交通,以方便这两类用地之间的联系。(2)合理布局居住用地、工业用地的相对位置,可减少污染物对城镇环境的污染。(3)卫生防护带主要指设置在工业用地与居住用地之间的城镇绿地,防护带内可以植树造林,包括苗圃、花圃、果园、林场等,也可安排一些少数人使用非长期的建筑物,如仓库和停车场等。这样既可起到防护作用,又可增加城镇绿化面积,改善城镇的环境。(4)留有发展余地的目的是针对一些预想不到的情况,使各功能区有足够的“弹性”。2.城镇功能区合理布局的方法在合理布置功能区时要考虑很多因素,在合理协调工业用地和居住用地之间的关系时,要注意以下几个方面(如下图)。(1)工业区和居住区之间有便利的交通。(2)合理安排工业用地的位置,减少对居住区的污染,基本原则:第一,基本无污染的技术密集型和劳动密集型工业可以布局在城内居民区。第二,用地规模大,对空气有轻度污染的工业可以布局在城镇边缘或近郊区。第三,严重污染或有重大安全隐患的工业远离城镇,并考虑盛行风向和水源地。在盛行风的下风向或者垂直方向上,远离水源地并布局在河流的下游。(3)在工业区与居住区之间设置防护带。3.常见功能区的规划布局4.功能区分布是否合理的评价判断功能区的布局是否合理,主要从工业区和居住区的布局,如距城镇的远近、常年的风向、河流流向等来判断。(1)根据材料信息,图中的经纬度位置及相关的地理事物、图中的指向标等判断风向。(2)根据等高线、河流的粗细变化等判断河流的流向。(3)注意高级居住区和行政区、文教区相连,高新技术产业区应接近高等院校,建在环境优美、交通便利的地方。【例1】 下图为我国南方平原地区某城市功能分区图,图中⑤为污水处理厂。据此完成(1)~(3)题。(1)该市拟建一所大学,应布局在( )A.① B.② C.③ D.④(2)⑤布局在图中位置的主要原因是( )①位于盛行风上风向 ②位于河流下游地区 ③靠近工业区 ④靠近住宅区A.①② B.①③ C.②③ D.③④(3)该城市( )A.①处为中心商务区B.②处可能是高新技术园区C.④处河流流向为自东向西D.⑤处位于主导风向的下风向(1)B (2)C (3)B 解析:第(1)题,大学属于文化教育用地,一般应该布局在科技区,大学可以为科技区提供人才,②正确。①位于居住区,③位于商业区,④位于农业区,均不适合建设大学。故选B。第(2)题,由材料可知,⑤为污水处理厂,污水处理厂不属于大气污染企业,其选址与盛行风风向关系不大,①错误;图示河流向东南方向河道变宽,河流流向为自西向东,污水处理厂位于河流下游地区,利于收集污水,②正确;污水处理厂靠近工业区,可以集中处理工厂的污水,③正确;由图可知,⑤距住宅区(①)较远,④错误。故选C。第(3)题,读图①处位于居住区,不是中心商务区,③位于商业区,最可能为中心商务区,A错误;②位于科技区,人才丰富,交通便利,可能为高新技术园区,B正确;④处河流流向自西向东,C错误;根据风频图,⑤位于主导风向的上风向,D错误。二、城市与环境在现实生活中的应用【例2】 下图为某城市规划图。为加强新区建设,将新建居住区、公路线各一处。图中居住区B1、B2、B3和公路L1、L2、L3作为选址方案。读图,完成(1)~(2)题。(1)新建居住区和公路线的最佳组合是( )A.B1、L2 B.B3、L2C.B2、L3 D.B3、L3(2)下列关于该城市叙述正确的是( )A.工业区分散布局利于环境保护B.为改善城市环境设置了基本农田C.工业新区位于市中心的下风向D.城市空间形态主要受铁路线的影响(1)D (2)A 解析:第(1)题,图中B1占用耕地,且距离公路较远,出行不便,A不符合题意。B2距城区较远,两面被铁路包围,且没有到市区的公路,出行不便,C不符合题意。B3位于工业区的上风向,依山傍水,环境较好,最适宜建居住区;L2占用耕地,L3不占用耕地且距离B3较近,故L3是最适宜修建的公路线,B不符合题意,D符合题意。第(2)题,该城市北部、东部为丘陵地形,城区布局空间较小,主导风向为东南风,工业新区并不位于市中心的下风向,C错误;若工业区集中布局,大气污染物不易扩散,将会加大环境压力,故工业区分散布局利于环境保护,A正确;基本农田保障粮食生产,设置的目的不是改善城市环境,B错误;图中显示工业新区位于市中心的东北部,位于与城市主导风向垂直的郊外,该城市空间形态受地形影响较大,D错误。一般布局原则具体要求与污染举例布局在远离居民区的下风地带,尽可能接近原料、燃料产地垃圾污染、大气污染钢铁厂、发电厂、水泥厂布局在远离居民区的河流下游水污染印染厂、造纸厂、电镀厂布局在城区和近郊交通便利区噪声污染纺织厂、仪表厂、机床厂布局在河流上游eq \a\vs4\al(要求水,源清洁)自来水厂布局在高等院校和科研机构附近需要高科技人才高新技术开发区布局在城镇交通中心eq \a\vs4\al(要求客,流量大)商贸中心布局在港口、码头、车站附近用地多,交通方便仓库布局在近郊、交通便利地区靠近市场奶牛场、蛋鸡场城市与环境在现实生活中的应用举例城市空间结构①交通便捷程度高的城市内部地区规划商业用地;②环境优美的城市外缘地区规划建设高级居住区;③城市外缘、交通便利的地区布局工业区;④利用中心地理论合理规划区域城市的规模与数量城镇化①根据经济发展水平,制定合理的城市规划;②根据城镇化的特点,制定城市发展的措施城镇化过程对地理环境的影响①为防止城市内涝,在城市道路建设的过程中采用透水材料以及建设雨水花园、海绵城市等;②针对城市交通拥挤的状况合理规划城市道路,居住小区采取街区制,合理发展公共交通等;③针对城市大气污染、水污染问题合理布局城市中工业区的位置,建设污水处理厂等
单 元 归 纳 总 结一、城镇功能区的布局原则1.总的原则合理布局城镇功能区(尤其是居住区与工业区)主要考虑以下四个方面:(1)协调工业用地、居住用地和交通用地的相对位置,既要保证工业用地和居住用地内部的交通联系,又要在工业用地与居住用地之间布置便利的交通,以方便这两类用地之间的联系。(2)合理布局居住用地、工业用地的相对位置,可减少污染物对城镇环境的污染。(3)卫生防护带主要指设置在工业用地与居住用地之间的城镇绿地,防护带内可以植树造林,包括苗圃、花圃、果园、林场等,也可安排一些少数人使用非长期的建筑物,如仓库和停车场等。这样既可起到防护作用,又可增加城镇绿化面积,改善城镇的环境。(4)留有发展余地的目的是针对一些预想不到的情况,使各功能区有足够的“弹性”。2.城镇功能区合理布局的方法在合理布置功能区时要考虑很多因素,在合理协调工业用地和居住用地之间的关系时,要注意以下几个方面(如下图)。(1)工业区和居住区之间有便利的交通。(2)合理安排工业用地的位置,减少对居住区的污染,基本原则:第一,基本无污染的技术密集型和劳动密集型工业可以布局在城内居民区。第二,用地规模大,对空气有轻度污染的工业可以布局在城镇边缘或近郊区。第三,严重污染或有重大安全隐患的工业远离城镇,并考虑盛行风向和水源地。在盛行风的下风向或者垂直方向上,远离水源地并布局在河流的下游。(3)在工业区与居住区之间设置防护带。3.常见功能区的规划布局4.功能区分布是否合理的评价判断功能区的布局是否合理,主要从工业区和居住区的布局,如距城镇的远近、常年的风向、河流流向等来判断。(1)根据材料信息,图中的经纬度位置及相关的地理事物、图中的指向标等判断风向。(2)根据等高线、河流的粗细变化等判断河流的流向。(3)注意高级居住区和行政区、文教区相连,高新技术产业区应接近高等院校,建在环境优美、交通便利的地方。【例1】 下图为我国南方平原地区某城市功能分区图,图中⑤为污水处理厂。据此完成(1)~(3)题。(1)该市拟建一所大学,应布局在( )A.① B.② C.③ D.④(2)⑤布局在图中位置的主要原因是( )①位于盛行风上风向 ②位于河流下游地区 ③靠近工业区 ④靠近住宅区A.①② B.①③ C.②③ D.③④(3)该城市( )A.①处为中心商务区B.②处可能是高新技术园区C.④处河流流向为自东向西D.⑤处位于主导风向的下风向(1)B (2)C (3)B 解析:第(1)题,大学属于文化教育用地,一般应该布局在科技区,大学可以为科技区提供人才,②正确。①位于居住区,③位于商业区,④位于农业区,均不适合建设大学。故选B。第(2)题,由材料可知,⑤为污水处理厂,污水处理厂不属于大气污染企业,其选址与盛行风风向关系不大,①错误;图示河流向东南方向河道变宽,河流流向为自西向东,污水处理厂位于河流下游地区,利于收集污水,②正确;污水处理厂靠近工业区,可以集中处理工厂的污水,③正确;由图可知,⑤距住宅区(①)较远,④错误。故选C。第(3)题,读图①处位于居住区,不是中心商务区,③位于商业区,最可能为中心商务区,A错误;②位于科技区,人才丰富,交通便利,可能为高新技术园区,B正确;④处河流流向自西向东,C错误;根据风频图,⑤位于主导风向的上风向,D错误。二、城市与环境在现实生活中的应用【例2】 下图为某城市规划图。为加强新区建设,将新建居住区、公路线各一处。图中居住区B1、B2、B3和公路L1、L2、L3作为选址方案。读图,完成(1)~(2)题。(1)新建居住区和公路线的最佳组合是( )A.B1、L2 B.B3、L2C.B2、L3 D.B3、L3(2)下列关于该城市叙述正确的是( )A.工业区分散布局利于环境保护B.为改善城市环境设置了基本农田C.工业新区位于市中心的下风向D.城市空间形态主要受铁路线的影响(1)D (2)A 解析:第(1)题,图中B1占用耕地,且距离公路较远,出行不便,A不符合题意。B2距城区较远,两面被铁路包围,且没有到市区的公路,出行不便,C不符合题意。B3位于工业区的上风向,依山傍水,环境较好,最适宜建居住区;L2占用耕地,L3不占用耕地且距离B3较近,故L3是最适宜修建的公路线,B不符合题意,D符合题意。第(2)题,该城市北部、东部为丘陵地形,城区布局空间较小,主导风向为东南风,工业新区并不位于市中心的下风向,C错误;若工业区集中布局,大气污染物不易扩散,将会加大环境压力,故工业区分散布局利于环境保护,A正确;基本农田保障粮食生产,设置的目的不是改善城市环境,B错误;图中显示工业新区位于市中心的东北部,位于与城市主导风向垂直的郊外,该城市空间形态受地形影响较大,D错误。一般布局原则具体要求与污染举例布局在远离居民区的下风地带,尽可能接近原料、燃料产地垃圾污染、大气污染钢铁厂、发电厂、水泥厂布局在远离居民区的河流下游水污染印染厂、造纸厂、电镀厂布局在城区和近郊交通便利区噪声污染纺织厂、仪表厂、机床厂布局在河流上游eq \a\vs4\al(要求水,源清洁)自来水厂布局在高等院校和科研机构附近需要高科技人才高新技术开发区布局在城镇交通中心eq \a\vs4\al(要求客,流量大)商贸中心布局在港口、码头、车站附近用地多,交通方便仓库布局在近郊、交通便利地区靠近市场奶牛场、蛋鸡场城市与环境在现实生活中的应用举例城市空间结构①交通便捷程度高的城市内部地区规划商业用地;②环境优美的城市外缘地区规划建设高级居住区;③城市外缘、交通便利的地区布局工业区;④利用中心地理论合理规划区域城市的规模与数量城镇化①根据经济发展水平,制定合理的城市规划;②根据城镇化的特点,制定城市发展的措施城镇化过程对地理环境的影响①为防止城市内涝,在城市道路建设的过程中采用透水材料以及建设雨水花园、海绵城市等;②针对城市交通拥挤的状况合理规划城市道路,居住小区采取街区制,合理发展公共交通等;③针对城市大气污染、水污染问题合理布局城市中工业区的位置,建设污水处理厂等
相关资料
更多

