山西省浑源县第七中学校2022-2023学年高二下学期7月期末考试化学试题(原卷版+解析版)
展开考生注意:
1.本试卷满分100分,考试时间90分钟。
2.考生作答时,请将答案答在答题卡上。必须在题号所指示的答题区域作答,超出答题区域书写的答案无效,在试题卷、草稿纸上答题无效。
可能用到的相对原子质量:H-1 C-12 O-16 Al-27 Cl-35.5 K-39 Mn-55
一、单选题(本大题共14小题,每小题3分,共42分。在每小题给出的四个选项中,只有一项是符合题目要求的)
1. 化学与科学、社会、历史密切相关,下列叙述错误的是
A. 敦煌壁画的颜料之一云母为聚硅酸盐,其阴离子以硅氧四面体为结构单元构成
B. 用纳米技术催化合成可降解塑料聚碳酸酯,可实现“碳”的循环利用
C. 纳米铁粉可以高效地吸咐去除污水中的、、等重金属离子
D. “垃圾分类”将易腐垃圾转化成热值较高的可燃性气体,属于生物质能热化学转换
【答案】C
【解析】
【详解】A.聚硅酸根离子中Si、O之间以单键相连,形成硅氧四面体结构单元,故A正确;
B.用纳米技术催化合成可降解塑料聚碳酸酯,可将空气中的二氧化碳加以利用,降解塑料也会生成二氧化碳,可实现“碳”的循环利用,故B正确;
C.纳米铁粉可以与污水中的、、等重金属离子发生置换反应,故C错误;
D.将易腐垃圾转化成热值较高的可燃性气体,将生物质能转化为化学能储存,属于生物质能的热化学转换,故D正确;
答案选C。
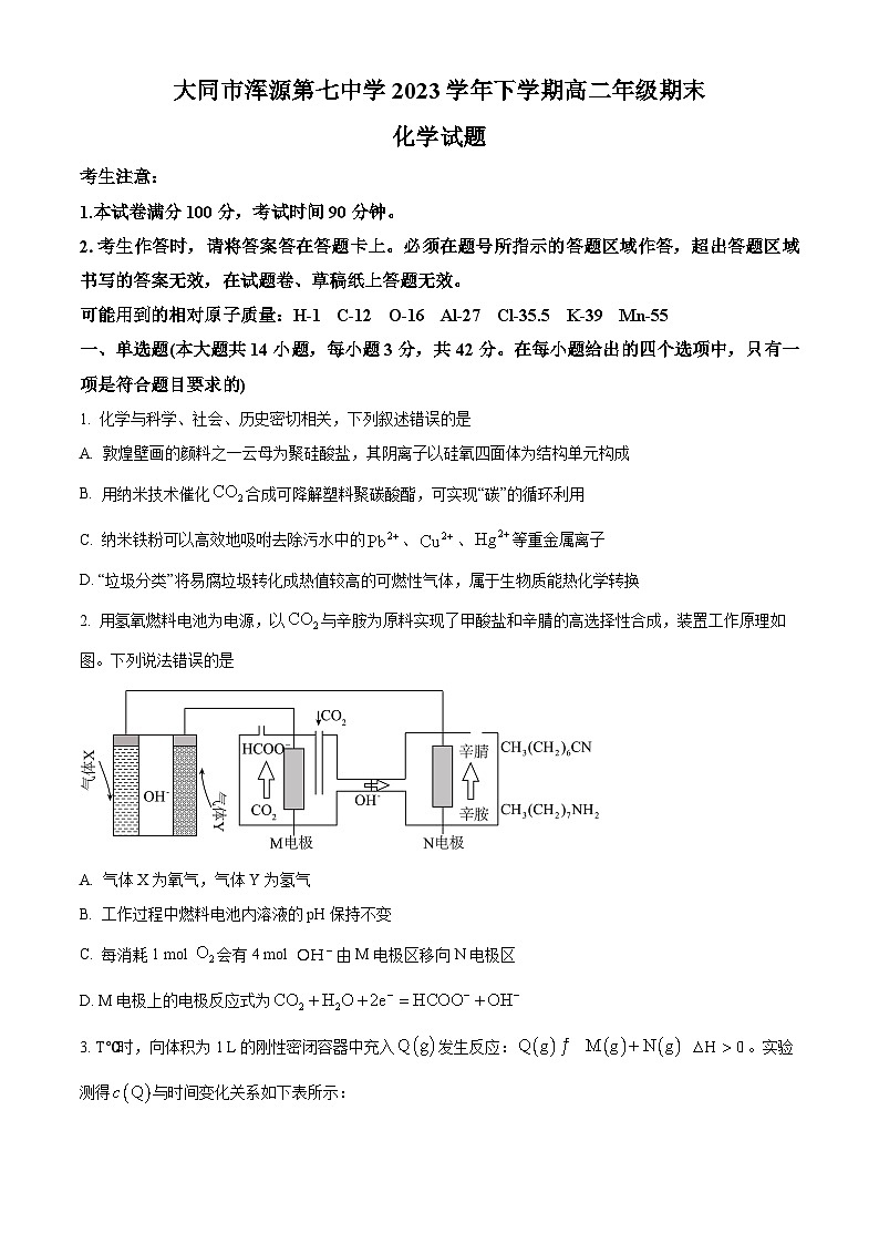
2. 用氢氧燃料电池为电源,以与辛胺为原料实现了甲酸盐和辛腈的高选择性合成,装置工作原理如图。下列说法错误的是
A. 气体X氧气,气体Y为氢气
B. 工作过程中燃料电池内溶液的pH保持不变
C. 每消耗1 ml 会有4 ml 由M电极区移向N电极区
D. M电极上的电极反应式为
【答案】B
【解析】
【详解】A.由电解池内的移动方向可判断M电极为阴极,N电极为阳极,气体X为氧气,气体Y为氢气,A正确;
B.工作过程中有水生成,对燃料电池内溶液起到稀释作用,溶液的pH会降低,B错误;
C.每消耗1 ml ,会转移4 ml ,会有4 ml 由M电极区移向N电极区,C正确;
D.M电极上的电极反应式为,D正确;
故选B。
3. T℃时,向体积为1 L的刚性密闭容器中充入发生反应: 。实验测得与时间变化关系如下表所示:
下列叙述错误的是
A. 0~20 min内,用M表示的平均反应速率为0.01
B. 60 min时,反应达到平衡状态
C. 其他条件不变,升高温度,Q的平衡转化率增大
D. 其他条件不变,加入催化剂后N的平衡产率不变
【答案】B
【解析】
【详解】A.0~20 min内,用M表示的平均反应速率为 ,A正确;
B.60~80 min之间Q的浓度还在发生变化,60分钟时反应未达到平衡,B错误;
C.该反应为吸热反应,其他条件不变,升高温度,平衡正向移动,Q的平衡转化率增大,C正确;
D.催化剂不影响平衡产率,D正确;
故选B。
4. 在下列各限定条件的溶液中,离子一定能大量共存的是
A. 强碱性溶液中:
B. 含有的溶液中:
C. 室温下,的溶液中:
D. 水电离浓度为的溶液:
【答案】D
【解析】
【详解】A.强碱性溶液中含有大量氢氧根离子,与氢氧根离子反应生成氢氧化铝或偏铝酸钠不能大量共存,故A不选;
B.与发生氧化还原反应不能大量共存,故B不选;
C.的溶液显酸性,酸性条件下具有强氧化性能氧化,不能大量共存,故C不选;
D.水电离的浓度为的溶液,可能为酸溶液也可能为碱溶液,与氢离子或氢氧根离子均不反应,能大量共存,故D选;
故选:D。
5. 不同温度下水电离平衡曲线如图所示,下列说法正确的是
A. 图中Kw的大小关系:E>A>D
B. B点的pH=6,显酸性
C. 若处在C点时,将pH=3的盐酸与pH=11的NaOH等体积混合后,溶液呈中性
D. 向水中加入少量NaOH溶液可实现从A点到E点的变化
【答案】D
【解析】
【详解】A.A、D、E都处于25℃时,Kw相等,B点c(H+)和c(OH-)都大于E点的c(H+)和c(OH-),并且C点的c(H+)和c(OH-)大于A点c(H+)和c(OH-),c(H+)和c(OH-)越大,Kw越大,故B>C>A=D=E,故A正确;
B.B点时温度为100℃,图象可知到溶液中c(H+)=c(OH-)=10-6ml/L,pH=6,呈中性,故B错误;
C.25℃时,将pH=3的盐酸与pH=11的NaOH等体积混合后,溶液呈中性,C点温度高于25℃,低于100℃,10-14<Kw<10-12,若处在C点时,将pH=3的盐酸与pH=11的NaOH等体积混合后,溶液不呈中性,故C错误;
D.从A点到E点,Kw不变,温度不变,但溶液由中性变为碱性,向水中加入少量NaOH溶液可实现从A点到E点的变化,故D正确;
故选:D。
6. 在一定温度下,在体积为VL的密闭容器中,不能说明可逆反应2NO(g)+O2(g)⇌2NO2(g)已达到平衡状态的是
A. 正反应生成NO2的速率和逆反应生成O2的速率相等
B. 反应器中压强不随时间变化而变化
C. 混合气体颜色深浅保持不变
D. 混合气体平均相对分子质量保持不变
【答案】A
【解析】
分析】
【详解】A.正反应生成NO2的速率和逆反应生成O2的速率为2:1时达到平衡,故A错误;
B.该反应前后气体分子数不相等,压强在变化,当反应器中压强不随时间变化而变化反应达到平衡,故B正确;
C.NO2气体为红棕色,当混合气体颜色深浅保持不变,说明NO2的浓度不再变化,达到平衡,故C正确;
D.混合气体的总分子数在变化,气体总质量不变,混合气体平均相对分子质量一直在变化,当混合气体平均相对分子质量保持不变,达到平衡,故D正确;
故答案为A。
7. 下列化学用语表示正确的是
A. 乙烯的结构简式:CH2CH2B. 乙醇的实验式:C2H6O
C. 氨基的电子式: D. 甲醛的球棍模型:
【答案】B
【解析】
【详解】A.乙烯的结构简式为CH2=CH2,A错误;
B.乙醇的实验式为C2H6O,B正确;
C.氨基中N原子周围有5个电子,其中含有一个未成对电子和一对孤电子对,其电子式为 ,C错误;
D.图示为甲醛的空间填充模型而不是球棍模型,D错误;
故答案选B。
8. 相同条件下,下列比较不正确的是
A. 键角大小:B. 范德华力强弱:
C. 水中溶解度:乙醇<戊醇D. 酸性:氯乙酸<二氯乙酸
【答案】C
【解析】
【详解】A.中心N原子价层电子对数均为3,中N原子含1对孤电子对,孤电子对对成键电子对的排斥力大于成键电子对之间的斥力,因此中键角小于,故A正确;
B.为组成和结构相似的分子晶体,随相对分子质量的增加,范德华力增强,相对分子质量,范德华力强弱:,故B正确;
C.对于一元醇,烃基占比越大,在水中的溶解度越小,所以在水中溶解性:乙醇>戊醇,故C错误;
D.Cl原子为吸引电子的基团,能使-OH上的氢活泼性增强,则二氯乙酸更易电离出氢离子,酸性:氯乙酸<二氯乙酸,故D正确;
故选:C。
9. 已知共价键的极性越强,该共价键在反应中越容易发生断裂,下列事实中不能用上述观点解释的是
A.
B.
C.
D.
【答案】C
【解析】
【详解】A.反应中断开是O-H键和Br-H键,都是极性键,能用上述观点解释,故A不符合题意;
B.酯化反应的机理是酸脱羟基醇脱氢,断开的都是极性键,能用上述观点解释,故B不符合题意;
C.氢气与苯的加成反应,断开的都是非极性键,故不能用上述观点解释,故C符合题意;
D.乙醛断开C=O中一个键,HCN断开C-H键,都是极性键,能用上述观点解释,故D不符合题意。
答案选C。
10. 下列实验方案设计,现象和结论都正确的是
A. AB. BC. CD. D
【答案】D
【解析】
【详解】A.生成的乙炔中混有硫化氢,均可被酸性高锰酸钾溶液氧化,则高锰酸钾溶液褪色,不能证明乙炔被酸性高锰酸钾溶液氧化,故A错误;
B.1-氯丁烷与氢氧化钠溶液共热,发生水解反应生成HCl,取冷却后反应液要先滴加硝酸中和NaOH,再滴加硝酸银溶液,故B错误;
C.水解后在碱性溶液中检验葡萄糖,水解后没有加碱至碱性,不能说明未水解,故C错误;
D.酯基在酸性条件下水解生成酚羟基,羧基与碳酸氢钠反应,氯化铁遇酚显紫色,由实验操作和现象,可证明含有酯基,故D正确。
答案选D
11. 下列有机物的命名正确的是
A. 2-乙基丙烷
B. 3,4,4-三甲基己烷
C. 2-甲基-4-戊炔
D. 2-甲基-1,4-戊二烯
【答案】D
【解析】
【详解】A.属于链状烷烃,题给名称主链选错,其名称为2-甲基丁烷,A项错误;
B.为链状烷烃,题给名称没有使取代基位置最小,其名称为3,3,4-三甲基己烷,B项错误;
C.属于炔烃,题给名称没有使碳碳三键位置最小,其名称为4-甲基-1-戊炔,C项错误;
D.为二烯烃,其名称为2-甲基-1,4-戊二烯,D项正确;
答案选D。
12. 下列实验装置(部分夹持仪器未画出)能达到实验目的的是
A. AB. BC. CD. D
【答案】D
【解析】
【详解】A.电石制取乙炔时含有硫化氢杂质,硫化氢也能使溴水褪色,因此不能证明乙炔使溴水褪色,故A不符合题意;
B.甲烷和氯气在强光照射下易发生爆炸,故B不符合题意;
C.乙烯和酸性高锰酸钾溶液反应会生成二氧化碳,引入新的杂质,故C不符合题意;
D.硝基苯和水不互溶,硝基苯的密度比水大,故可用分液漏斗分离硝基苯和水,故D符合题意。
综上所述,答案为D。
13. 设为阿伏加德罗常数的值,下列叙述正确的是
A. 常温常压下,乙烯和丙烯的混合气体共14g,含原子数为3
B. 1ml苯分子含碳碳双键数目为3
C. 常温常压下,28g乙烯含σ键数目为6
D. 1ml羟基所含电子数为10
【答案】A
【解析】
【详解】A.根据乙烯和丙烯的最简式CH2,可以计算出14g乙烯、丙烯气体CH2物质的量是1ml,原子总数均为3NA,故A正确;
B.苯分子中不含有碳碳双键,故B错误;
C.1个乙烯含5个σ键,28g乙烯相当于1ml乙烯,故28g乙烯含有的σ键数目为5,故C错误;
D.1个羟基含电子数为9,1ml羟基所含电子数为9,故D错误。
答案选A。
14. 我国科技工作者发明了合成甲醇的高选择性催化剂,其晶胞结构如图所示(Zr位于元素周期表第五周期第IVB族),晶胞参数为,,。下列说法错误的是
A. 基态Zr价电子排布式为
B. 在晶胞中配位数为4
C. 该催化剂的化学式为
D. 该晶胞密度为
【答案】B
【解析】
【详解】A.Zr位于元素周期表第五周期第IVB族,为40号元素,基态Zr价电子排布式为,A正确;
B.由图可知,以底面面心为例,其上下层各有4个氧,则在晶胞中配位数为8,B错误;
C.据“均摊法”,晶胞中含个Zr、8个Ga,故该催化剂的化学式为,C正确;
D.结合C分析可知,该晶胞密度为,D正确;
故选B。
二、非选择题(共58分,15题14分,16题15分,17题16分,18题13分)
15. 己二酸[]是重要的有机合成中间体,是重要的化工原料。实验室利用图1装置(夹持、加热装置省略)制备己二酸。
已知:己二酸的物理常数如下表所示。
Ⅰ.制备:向三颈烧瓶中,先加入一定量的浓,再通过仪器M向三颈烧瓶中缓缓加入环己醇,保持80℃持续反应2h。
Ⅱ.提纯:冷却后,抽滤、洗涤、干燥得己二酸粗品。
Ⅲ.测定粗品纯度:精确称取粗品0.0146 g于锥形瓶中,加入适量蒸馏水溶解,加入合适指示剂,用0.01 ml/L的NaOH标准液滴定至终点,重复上述操作三次,平均消耗NaOH标准液的体积为V mL。
实验原理: (未配平)。
回答下列问题:
(1)与分液漏斗相比,仪器M的优点为___________;仪器X的作用为___________。
(2)制备时,如图1连接装置后需先进行的操作为___________;为避免制备过程中尾气污染空气,仪器X后需连接尾气处理装置,其中装置内盛放的试剂为___________(填化学式)溶液。
(3)洗涤时应选用___________(填选项字母)。
a.热水 b.冰水 c.乙醇
(4)第一次滴定开始和结束时,滴定管中的液面如图2,则消耗NaOH溶液的体积为___________mL。
重复上述操作三次,记录另两次数据如表中所示:
最终所得己二酸粗品的纯度为___________。
【答案】(1) ①. 能更好的控制液体滴加速度或平衡压强,使液体顺利滴下 ②. 冷凝回流,提高原料利用率
(2) ①. 检查装置气密性 ②. NaOH(答案合理即可)
(3)b (4) ①. 16.40 ②. 82%(或82.0%)
【解析】
【分析】向三颈烧瓶中,先加入一定量的浓,再通过仪器M向三颈烧瓶中缓缓加入环己醇,保持80℃持续反应2h,提纯:冷却后,抽滤、洗涤、干燥得己二酸粗品,再提纯,进行产率测定;
【小问1详解】
与分液漏斗相比,恒压滴液漏斗的优点为能更好的控制液体滴加速度;冷凝管的作用为冷凝回流,提高原料利用率;
【小问2详解】
制备时,如图连接装置后需先经行的操作为检查装置气密性;为避免制备过程中尾气污染空气,仪器X后需连接尾气处理装置,其中装置内盛放的试剂为NaOH溶液;
【小问3详解】
洗涤时应减少产品溶解,故选用冰水;
【小问4详解】
读数为16.40,第一次滴定消耗NaOH溶液的体积为16.40 mL,第二次滴定消耗NaOH溶液的体积也为16.40 mL,第三次数据误差较大应舍去,V=16.40 mL。消耗0.01 的NaOH标准液的体积为16.40 mL,可算得己二酸的质量为,产品纯度为。
16. 回答下列问题:
(1)已知:①
②
则相同的状况下,能量较低的是_______(填“红磷”或“白磷”);红磷的稳定性比白磷_______(填“高”或“低”)。
(2)和混合可作火箭推进剂,已知:液态和足量氧气反应生成和,放出的热量;。则液态和液态完全反生成和的热化学方程式为_______。
(3)一种以肼为液体燃料的电池装置如图所示。
该电池用空气中的氧气作氧化剂,作电解质。负极反应式为_______正极反应式_______。每消耗肼流经电路电子数目为_______。
【答案】(1) ①. 红磷 ②. 高
(2)N2H4(l)+2H2O2(l)=N2(g)+4H2O(l) ΔH=-730.4 kJ·ml-1
(3) ①. N2H4 -4e- +4OH-=N2+4H2O ②. O2+4e-+2H2O=4OH- ③. 4NA
【解析】
【小问1详解】
已知,,则反应,生成等量的,红磷放出能量更低,则红磷的较低、稳定性较白磷要高;
【小问2详解】
液态(为0.5ml)和足量氧气反应生成和,放出的热量;
则反应为:①
②
由盖斯定律可在,①+②得:;
【小问3详解】
由图可知,负极肼失去电子发生氧化反应生成氮气,反应为;正极为空气中氧气得到电子发生还原反应,反应为;根据电子守恒可知,每消耗肼流经电路电子数目为4NA。
17. 我国科学家研究发现,常温常压下,铁基离子液体在工业尾气中、等的脱除方面具有良好的性能。结构如图所示。
(1)中C原子的杂化轨道类型有___________。在中,配体为___________,配位数为___________。
(2)在一定条件下还可以转化为较稳定的中σ键与π键的个数比为___________,的电子式为___________。
(3)与反应生成具有特征蓝色的物质X,这是实验室中检验的常用方法。
①科学家通过最常用的___________实验测定了物质X的晶体结构,其晶胞如图b所示(未表示),图a表示晶胞的结构(未表示K+)。
②物质X的化学式为___________。
③若A处粒子的坐标参数为(0,0,0),B处粒子为(1,1,1),则C处粒子的坐标为___________。
④已知物质X的摩尔质量为,晶胞中与的最小距离为dnm,阿伏加德罗常数为。则该晶胞中两个之间的最短距离为___________nm,晶体的密度为___________。
【答案】(1) ①. ②. (或氯离子) ③. 4
(2) ①. 1:1 ②.
(3) ①. X射线衍射 ②. [或 ③. (,,) ④. ⑤.
【解析】
【小问1详解】
中的饱和C原子采用sp3杂化,双键C原子采用sp2杂化,杂化轨道类型有;在中,配体为Cl-,配位数为4;
【小问2详解】
中C与N之间是三键,故中有12个σ键和12个π键,σ键与π键的个数比为1:1;的电子式为;
【小问3详解】
①科学家通过最常用的X射线衍射实验测定晶体结构;
②根据图a可知,在个晶胞中,Fe2+个数为=,Fe3+个数为=,CN-的个数为=3,由图b可知,1个晶胞中含有4个K+,则个晶胞中含K+,故晶体的化学式为;
③由题意可知,图b是晶胞结构,A处粒子的坐标参数为(0,0,0),B处粒子为(1,1,1),C处位于晶胞的体对角线上,在x、y、z轴上的投影都是,C处粒子的坐标为(,,);
④晶胞中与的最小距离为dnm,则该晶胞中两个之间的最短距离为nm(面对角线的一半),1个晶胞中含有4个,晶胞的体积为(2d)3cm3,则晶体的密度为g/cm3=。
18. 某α,β-不饱和烯醛是一种药物中间体,其合成路线如下:
(1)F中含氧官能团名称为___________,检验该官能团可用的化学试剂为___________。
(2)B→C的反应类型为___________。
(3)A化学名称为___________,NaIO4中的空间结构为___________。
(4)每个D分子中手性碳原子的数目为___________。
(5)F的一种同分异构体同时满足下列条件,写出该同分异构体的一种结构简式___________。
①分子中含有苯环,能与FeCl3溶液发生显色反应;
②分子中只有5种不同化学环境的氢。
(6)结合题中信息写出 在NaIO4作用下所得产物的结构简式_______。
【答案】(1) ①. 醛基 ②. 银氨溶液或新制氢氧化铜悬浊液
(2)氧化反应 (3) ①. 2-甲基-1,3-丁二烯 ②. 正四面体
(4)3 (5) 或
(6) 和
【解析】
【分析】由合成路线可知,A分子间发生加成反应生成B,C比B在分子结构上增加了氧原子,有机物分子中“去氢加氧”为氧化反应可知,B发生氧化反应生成C,C中环破裂生成D,D和NaIO4反应生成E,E在碱性环境中发生生成F,以此解答。
【小问1详解】
F中含氧官能团为,名称为醛基,可用银氨溶液或新制氢氧化铜悬浊液来检验醛基。
【小问2详解】
由题干路线可知C比B在分子结构上增加了氧原子,有机物分子中“去氢加氧”为氧化反应,故的反应类型为氧化反应。
【小问3详解】
A分子中含有两个碳碳双键,且均处于端位,从离甲基最近的一端给主链碳原子编号,两个双键分别位于1、2碳和3、4碳之间,2号碳上有一个甲基,A的名称为:2-甲基-1,3-丁二烯。离子中碘原子形成了4个σ键,孤电子对数为:,价层电子对数为4,的空间结构为正四面体。
【小问4详解】
手性碳原子是连有四个不同基团的碳原子,故每个D分子中手性碳原子为图中*所示 数目为3。
【小问5详解】
①分子中含有苯环,能与溶液发生显色反应,故含有酚羟基;②分子中只有5种不同化学环境的氢,因此结构对称,除去苯环外没有其他不饱和度,故 和 均可以。
【小问6详解】
结合题中的转化,羟基相连的碳碳单键断裂,羟基相连的碳原子上有氢的转化成醛基,故该物质在作用下所得产物的结构简式为: 和。t/min
0
20
40
60
80
/
1.00
0.80
0.65
0.55
0.50
实验目的
方案设计
现象和结论
A
探究乙炔的氧化反应
向放有几小块电石的圆底烧瓶中逐滴加入适量饱和食盐水,将产生的气体直接通入酸性高锰酸钾溶液中
若溶液褪色,则说明乙炔可与酸性高锰酸钾溶液发生氧化反应
B
检验1-氯丁烷中的氯元素
向试管里加入2mL1-氯丁烷和溶液,水溶加热一段时间,静置。取少量水层液体于另一支试管中,加入几滴溶液
若有白色沉淀产生,则说明1-氯丁烷中含有氯元素
C
探究蔗糖是否属于还原糖
向试管中加入1mL10%蔗糖溶液,再加入过量溶液后加热煮沸。经冷却后加入新制备的并加热
若没有砖红色沉淀产生,则说明蔗糖不属于还原糖
D
检验乙酰水杨酸()中的酯基
向盛有2mL乙酰水杨酸水溶液的试管中滴入2滴稀硫酸,加热。经冷却后滴入几滴溶液,振荡,再加入几滴溶液
若溶液显紫色,则说明乙酰水杨酸中有酯基
A
B
C
D
证明乙炔使溴水褪色
探究CH4和Cl2反应
除去甲烷中的乙烯
分离硝基苯和水
色态
相对分子质量
熔点/℃
溶解性
己二酸
白色晶体
146
152
g/100 mL水
乙醇
15℃
25℃
100℃
易溶
1.4
2.3
160
滴定次数
初读数/mL
末读数/mL
第二次
1.20
17.60
第三次
5.10
23.40
新疆博湖县奇石中学2022-2023学年高二下学期期末考试化学试题(原卷版+解析版): 这是一份新疆博湖县奇石中学2022-2023学年高二下学期期末考试化学试题(原卷版+解析版),文件包含精品解析新疆博湖县奇石中学2022-2023学年高二下学期期末考试化学试题原卷版docx、精品解析新疆博湖县奇石中学2022-2023学年高二下学期期末考试化学试题解析版docx等2份试卷配套教学资源,其中试卷共12页, 欢迎下载使用。
陕西省咸阳市2022-2023学年高二下学期期末考试化学试题(原卷版+解析版): 这是一份陕西省咸阳市2022-2023学年高二下学期期末考试化学试题(原卷版+解析版),共38页。试卷主要包含了5 Fe, 下列装置可以用于相应实验的是等内容,欢迎下载使用。
陕西省咸阳市2022-2023学年高二下学期期末考试化学试题(原卷版+解析版): 这是一份陕西省咸阳市2022-2023学年高二下学期期末考试化学试题(原卷版+解析版),共38页。试卷主要包含了5 Fe, 下列装置可以用于相应实验的是等内容,欢迎下载使用。

