还剩16页未读,
继续阅读
第18章 电功率 单元测试 人教版物理九年级全一册
展开
这是一份第18章 电功率 单元测试 人教版物理九年级全一册,共19页。
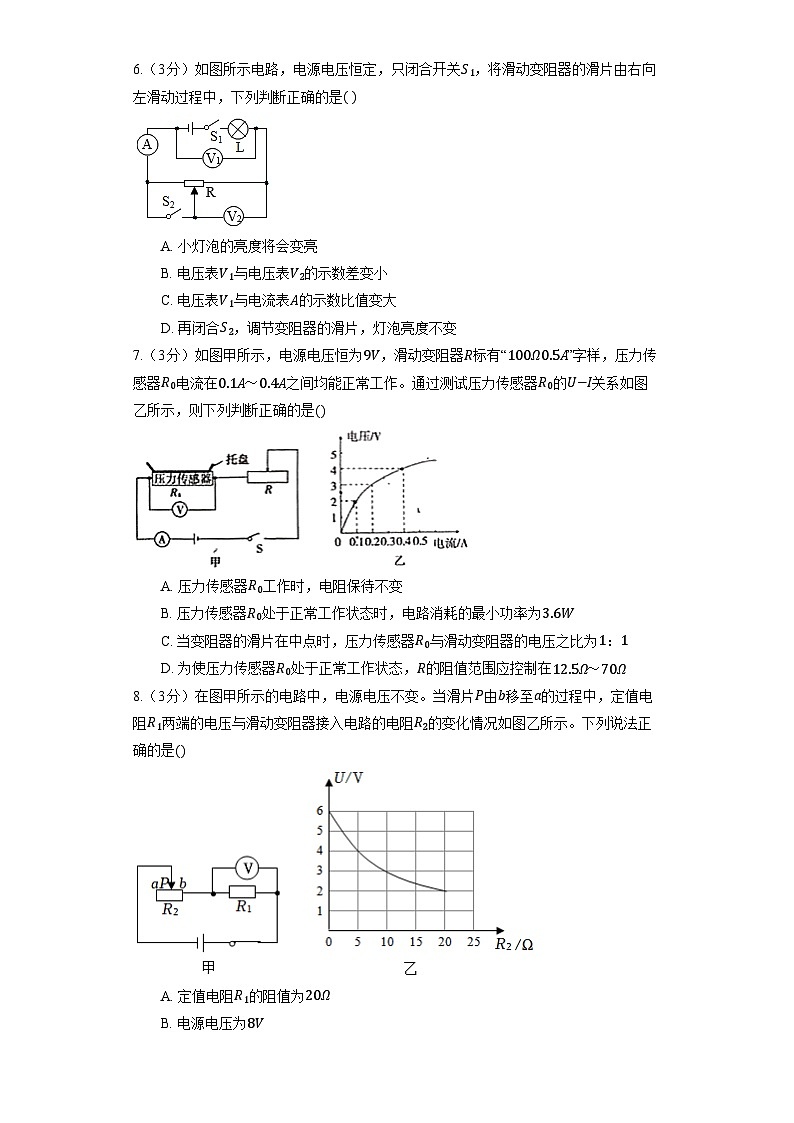
人教版物理九年级全册《第18章 电功率》单元测试一 、单选题(本大题共8小题,共24分)1.(3分)下列说法中正确的是( )A. 用电器两端电压大,用电器做功就快B. 电功率是表示电流做功快慢的物理量C. 用电器的电功率越大,做功就越多D. 用电器的额定功率越大,消耗的电能就越多2.(3分)然然想测量家里某个用电器的电功率,她让这个用电器单独接入家庭电路中工作3min,观察到家中电能表(如图所示)的转盘转了125转,则这个用电器可能是( )。A. 电视机 B. 电风扇 C. 电脑 D. 电热水壶3.(3分)如图,R为恒流电阻,能起稳流作用,即控制电路中的电流大小不变,R0为定值电阻,E为电压可调的电源。下列描述恒流电阻R及其消耗的电功率P随电源电压U总变化关系的图线中,可能正确的是()A. B. C. D. 4.(3分)“探究小灯泡的电功率”的实验电路如图甲所示,实验中选择“2.5V”规格的小灯泡,实验中得到的U−I图像如图乙。下列说法不正确的是( ) A. 调节滑片过程发现灯泡亮度变化,这是由灯泡的实际功率变化引起的B. 小灯泡的额定功率为0.75W,正常发光时电阻为8.3ΩC. 实验中发现小灯泡无法调到额定电压,一定是因为电源电压过小D. 用图甲的电路,通过更换灯泡L的方法,能完成探究“电功率与电流的关系”5.(3分)如图所示,在探究电流通过导体时产生热量的多少跟什么因索有关的实验装置中。两个透明容器中分别接入了电阻丝R1和R2,且密封着等量的空气。将导线a和b接入电路进行实验,下列说法正确的是( )A. .若R1和R2阻值相等,则可以探究电流通过导体产生的热量与电阻的关系B. 若R1和R2阻值不相等,则可以探究电流通过导体产生的热量与电流的关系C. .若R1和R2阻值不相等,则可以探究电流通过导体产生的热量与电阻的关系D. .若把容器右边的5Ω电阻放入容器中,则可以探究电流通过导体产生的热量与电阻的关系6.(3分)如图所示电路,电源电压恒定,只闭合开关S1,将滑动变阻器的滑片由右向左滑动过程中,下列判断正确的是( )A. 小灯泡的亮度将会变亮B. 电压表V1与电压表V2的示数差变小C. 电压表V1与电流表A的示数比值变大D. 再闭合S2,调节变阻器的滑片,灯泡亮度不变7.(3分)如图甲所示,电源电压恒为9V,滑动变阻器R标有“100Ω0.5A”字样,压力传感器R0电流在0.1A~0.4A之间均能正常工作。通过测试压力传感器R0的U−Ι关系如图乙所示,则下列判断正确的是()A. 压力传感器R0工作时,电阻保待不变B. 压力传感器R0处于正常工作状态时,电路消耗的最小功率为3.6WC. 当变阻器的滑片在中点时,压力传感器R0与滑动变阻器的电压之比为1:1D. 为使压力传感器R0处于正常工作状态,R的阻值范围应控制在12.5Ω~70Ω8.(3分)在图甲所示的电路中,电源电压不变。当滑片P由b移至a的过程中,定值电阻R1两端的电压与滑动变阻器接入电路的电阻R2的变化情况如图乙所示。下列说法正确的是() A. 定值电阻R1的阻值为20ΩB. 电源电压为8VC. 电路的最大功率为3.6WD. 当滑片P移到中点时,通过R1的电流10s产生热量为18J二 、填空题(本大题共4小题,共16分)9.(4分)如图是家用电吹风的电路原理图,其中电热丝通电后可以发热,电动机通电后可以送风,当选择开关O接在C、D位置时,电吹风处于关机状态。要让电吹风工作时吹热风,它的开关O应接在 ______ (用图中的字母表示)位置,此时电热丝的电功率为1000W。已知冷风挡的额定功率为400W,则电吹风热风挡的额定功率 ______ W。10.(4分)电动自行车有充电、行驶两种状态,局部电路如图。断开开关S,利用充电插口对蓄电池充电时,蓄电池相当于电路中的 ______(选填“电源”或“用电器”)。电动机的工作原理是 ______;电动机正常工作电压为36V,线圈电阻为1.5Ω,通过电动机线圈的电流为4A,100s内电流通过线圈产生的热量为 ______J,电动机消耗的电能为 ______J,电动机的效率是 ______%。11.(4分)(2020.贵州铜仁期末)夏天,人们常用电热驱蚊器驱蚊(如图),它是利用电流的______来工作的;其发热元件是一个阻值为10000Ω的电阻,工作时的电流约为0.02A,若通电100s该发热元件产生的热量为_______J.12.(4分)(1)梦梦同学想测量某定值电阻的阻值,她发现该定值电阻两端电压为8V时通过它的电流为0.2A,则该定值电阻的阻值为_________Ω;若通过该电阻的电流为0.5A时,它两端的电压为__________V。(2)某电吹风工作6min,能使如图所示的电能表的转盘转过120转,则电吹风消耗的电能为_______kW.ℎ,电功率为_________W,这些电能可供一只“220V 10W”的LED灯正常工作_____ℎ,一只这样的LED灯与一只“220V 100W”的白炽灯正常发光时亮度相当,若LED灯正常发光时的效率为80%,则白炽灯正常发光时的效率为______。 (3)MP3曾经以其独特的魅力成为时尚,若MP3正常工作时的功率为0.01W,则连续播放100s,消耗的电能为________J。它在电池充电过程中是将_______能转化为化学能。(4)将一个标有“36V 10W”字样的灯泡,接在电压为18V的电源上,此时该灯泡的实际功率为_______W(灯丝电阻不随温度改变),由三节新干电池串联组成的电池组的电压为______V。(5)一灯泡电阻是20Ω,正常工作电压是8V,灯泡正常工作时通过的电流是___A,现在把它接在9V的电源上,要使它正常工作,需要给他串联一个电阻为________Ω的分压电阻。(6)如图所示R1、R2、两电阻的电压与电流关系图象,由图可知电阻R1的阻值为________Ω,将两个电阻并联后接在3V电源两端,干路的电流为_______A。 (7)在如图所示电路中,闭合开关S,电流表A1、A2的示数之比I1:I2=2:1,则电阻之比R1:R2=__________电流表电流表A1、A3的示数之比I1:I3=___________。 (8)如图甲所示,电源电压保持不变,闭合开关S,滑动变阻器滑片从b点滑到a点的过程中两个电压表的示数随电流表示数变化的图象如图乙所示。图乙中___(填“dc”或“ec”)表示电压表V2的示数随电流表示数变化的图象;该过程中电路消耗的总功率最大值为_____W。 三 、实验题(本大题共1小题,共6分)13.(6分)小亮在做“测量小灯泡的电功率”的实验,所用的小灯泡额定电压为2.5V。 (1)图甲为小亮连接的实物电路,请你帮他补充完整: (2)电路连接正确后,闭合开关前、应将滑动变阻器的滑片移到 ______(选填“左”或“右”)端:闭合开关后,发现小灯泡不亮,电压表无示数,电流表有示数,产生这种现象的原因是 ______(写出一种合理情况即可); (3)排除故障后,闭合开关,移动滑动变阻器滑片,当电压表示数为2V时,电流表示数如图乙所示为 ______A,此时计算出小灯泡的实际功率为 ______W; (4)根据实验数据绘制成了U−I图像如图丙所示,根据图像提供的信息,可计算出小灯泡的额定功率是 ______W,并可归纳出:小灯泡两端的实际电压越 ______,实际功率越大。 (5)完成上述实验后,小亮进一步思考,在没有电流表的情况下,能否测量小灯泡的额定功率?他想利用一个定值电阻R0接在原电路电流表的位置,设计的电路图如图丁所示,然后调节滑动变阻器滑片使电压表示数为U额,接着保持滑片位置不变,将电压表 ______点(选填“A”或“B”)的接线改接到C点,观察并记录电压表示数为U,则小灯泡的额定功率可表示为P额=______(用R0、U额、U等物理量符号表示),所选用的定值电阻R0的阻值不得超过 ______Ω。四 、计算题(本大题共2小题,共24分)14.(12分)如图所示,电源电压恒定,R1=50Ω,滑动变阻器R2上标有“60Ω 1A”,小灯泡L上标有“10V 2W”字样(灯丝电阻不受温度影响),电流表的量程为0~0.6A。 (1)当开关S2闭合,S1、S3断开,滑动变阻器的滑片P滑至中点时,灯泡L恰好正常发光,则电源电压U为多大? (2)如何调节开关和滑动变阻器,使总电路消耗功率最小?以最小功率通电11分钟,电流对总电路做的功是多少? (3)若开关S1闭合,调节另外两个开关和滑动变阻器,使总电路消耗功率最大,此时滑动变阻器接入电路的阻值是多少?(要求:把开关的闭合、断开情况说清楚,不能损坏电器。答案取整数)15.(12分)2014年入冬初,我市气温骤降,铭铭同学从家电超市买了一台电热取暖器给爷爷取暖用,如图甲所示,它是由三根规格相同的“220V,300W”电热丝组成,如图乙所示电路,求: (1)该取暖器正常工作时,通过每根电热丝的电流为多大?(保留一位小数) (2)三根电热丝都正常工作10h.取暖器消耗多少电能? (3)铭铭想测出取暖器的实际功率,他关掉了家里的其他用电器,只让取暖器工作5min,观察到如图丙所示的电能表铝盘转过了110转,则这台取暖器的实际功率是多少?答案和解析1.【答案】B;【解析】解:A、由P=UI可知,用电器电功率的大小取决于电流和电压两个物理量,故A错误; B、电功率指电流单位时间内所做功,是表示电流做功快慢的物理量,故B正确; C、由W=Pt可知,电流所做的功的多少与电功率和通电的时间有关,所以导体的电功率或额定功率大,做功不一定多,故CD错误。 故选:B。 (1)由P=UI可知,用电器电功率的大小取决于电流和电压两个物理量; (2)电功率是表示电流做功快慢的物理量; (3)(4)由W=Pt可知,电流所做的功的多少与电功率和通电的时间有关。 该题考查了学生对电功和电功率的定义和意义的理解和掌握,注意与电功与电功率的区别。2.【答案】D;【解析】略3.【答案】C;【解析】解:(1)根据欧姆定律可得总电阻:R总=U总I, 根据串联电路的总电阻等于各用电器的电阻之和和欧姆定律可得: R=R总−R0=U总I−R0-----------------①, 因R0和I为定值,①式为R随U总的变化关系式,可知,R与U总的变化关系为一次函数关系,且R随U总的变大而变大,故AB错误; (2)R消耗的电功率: P=URI=(U总−U0)I=(U总−IR0)I=U总I−I2R0, 此式为R消耗的电功率P随电源总电压U总变化的一次函数关系,且P随U总的变大而变大,故C正确,D错误。 故选:C。 (1)根据串联电路电阻的规律和欧姆定律得出R的电阻表达式,根据数学知识分析对应的函数图象; (2)根据R消耗的电功率:P=URI=(U总−U0)I=(U总−IR0)I,根据二次函数知识确定正确答案。 此题主要考查串联电路的规律及欧姆和电功率公式的运用,关键是得出流R、R消耗的电功率P随电源电压U总变化关系的函数关系式,根据数学知识解决,体现了数学知识在物理中的运用。4.【答案】C;【解析】解:A、调节滑片,变阻器连入电路的阻值发生变化,这样灯泡两端电压和电流都会发生变化,由P=UI知,其实际功率发生变化,所以灯泡亮度会发生改变,故A正确; B、由图像知,灯泡电压等于额定电压2.5V时,通过灯泡的电流为0.3A, 所以灯泡的额定功率:P=UI=2.5V×0.3A=0.75W; 由欧姆定律I=UR,可得灯泡正常发光时电阻:R=UI=2.5V0.3A≈8.3Ω,故B正确; C、实验中,移动滑片调节灯泡两端电压,但都无法使灯泡两端电压调到额定电压2.5V,可能是电源电压低于灯泡的额定电压的原因;也可能是电源电压过大,而变阻器的最大电阻过小,当变阻器的最大电阻连入电路中时,灯的电压也高于2.5V,故C错误; D、由P=UI知,电功率与电压和电流有关,所以探究“电功率与电流的关系”时,可换用不同灯泡且保持电压不变,测量电流再计算出电功率,从而得到电功率与电流的关系,故D正确。 故选:C。 A、灯的亮度由灯的实际功率决定,由此结合电路分析; B、由图像读出灯泡正常发光时的电流,由电功率公式计算额定功率,由欧姆定律计算其电阻; C、灯泡正常工作时电压等于额定电压,小灯泡无法调到额定电压,可能是低于也可能是高于额定电压,据此分析; D、探究“电功率与电流的关系”应保持电压不变,若不换灯泡,无法得到普遍性的结论。 本题是探究小灯泡的电功率的实验,考查了灯泡实际功率的决定因素、电功率和电阻的计算,还考查了电功率与电流关系的实验探究及控制变量法的运用等知识。5.【答案】D;【解析】解:A、若R1和R2阻值相等,通电时间相同,通过两个电阻的电流不同,所以能探究电流通过导体产生的热量与电流的关系,故A错误; BC、若R1和R2阻值不相等,电流不同,则无法探究电流通过导体产生的热量与电阻、电流的关系,故BC错误; D、.若把容器右边的5Ω电阻放入容器中,两容器中导体通过的总电流相等,则可以探究电流通过导体产生的热量与电阻的关系,故D正确。 故选:D。 电流产生的热量跟电流大小、电阻大小、通电时间有关;实验中应采用控制变量法。 此题主要考查的是学生对“电流通过导体产生的热量与什么因素有关的”实验的理解和掌握,注意控制变量法和转换法的运用。6.【答案】B;【解析】解: ABC、只闭合开关S1,该电路为串联电路,电流表测量电路中的电流,电压表V1测量滑动变阻器两端的电压,电压表V2测量滑动变阻器右部分两端的电压; 由于电压表在电路中相当于断路,移动滑片时,滑动变阻器接入电路的电阻不变,总电阻不变,根据欧姆定律可知,电路中的电流不变,即电流表示数不变,灯泡的实际功率不变,灯泡的亮度不变,故A错误; 根据U=IR可知,滑动变阻器两端的电压不变,即V1示数不变;滑动变阻器的滑片由右向左滑动过程中,与电压表V2并联部分的电阻变大,根据U=IR可知,电压表V2示数变大,所以电压表V1与电压表V2的示数差变小,故B正确; 电压表V1示数不变,电流表A的示数不变,其比值不变,故C错误; D、再闭合S2,变阻器左边部分被短路,该电路为串联电路,电流表测量电路中的电流,电压表V1和V2测量滑动变阻器两端的电压,调节变阻器的滑片,滑动变阻器接入电路的电阻发生变化,总电阻改变,根据欧姆定律可知,电路中的电流改变,通过灯泡的电流改变,则灯泡的亮度改变,故D错误。 故选:B。 (1)只闭合开关S1,该电路为串联电路,电流表测量电路中的电流,电压表V1测量滑动变阻器两端的电压,电压表V2测量滑动变阻器右部分两端的电压;根据滑片移动的方向判定电路中电阻的变化,根据欧姆定律判定电路中电流的变化和电压表示数的变化;根据通过灯泡电流的变化判定灯泡亮度的变化; (2)再闭合S2,调节变阻器的滑片,根据滑动变阻器接入电路阻值的变化判定电路中电流的变化,从而得出灯泡亮度的变化。 此题主要考查串联电路的规律、欧姆定律公式的运用,关键是电路的正确识别。7.【答案】D;【解析】解:(1)压力传感器R0与滑动变阻器串联,电压表测量压力传感器两端的电压,电流表测量电路中的电流。由图象可知,通过R0的电流与R0两端的电压不成正比,根据欧姆定律可知,压力传感器R0的电阻不是一个定值,故A错误; (2)压力传感器R0处于正常工作状态时,电路电流最小为0.1A,则电路消耗的最小功率为:P最小=UI最小=9V×0.1A=0.9W,故B错误; (3)因为压力传感器R0与滑动变阻器串联,通过的电流相等, 所以压力传感器R0与滑动变阻器串联两端的电压之比就等于两电阻之比, 因无法判断压力传感器R0与滑动变阻器电阻的大小关系,所以无法判断它们两端电压的关系,故C错误; (4)压力传感器R0处于正常工作状态时,电路电流最小为0.1A,压力传感器R0两端的最小电压为2V, 所以滑动变阻器两端的最大电压为U1=9V−2V=7V, 此时滑动变阻器接入电路的电阻最大,R大=U1I最小=7V0.1A=70Ω, 电路电流最大为0.4A,压力传感器R0两端的最大电压为4V, 所以滑动变阻器两端的最小电压为U2=9V−4V=5V, 滑动变阻器接入电路的电阻最小,R小=U2I最大=5V0.4A=12.5Ω, 所以滑动变阻器的阻值范围应控制在12.5Ω~70Ω,故D正确。 故选:D。 (1)压力传感器R0与滑动变阻器串联,电压表测量压力传感器两端的电压,电流表测量电路中的电流。由图象可知,通过R0的电流与R0两端的电压不是正比关系,根据欧姆定律可知其电阻特点; (2;由图象可知,电路电流最小为0.1A,利用P=UI即可求出最小电功率; (3)当P在中点时,无法判断压力传感器R0与滑动变阻器电阻的大小关系,根据电阻的分压特点可知无法确定当P在中点时压力传感器R0与滑动变阻器的电压之比。 (4))电子元件处于正常工作状态时,已知电路最小、最大电流和对应的电压,根据串联电路电压的规律以及欧姆定律算出滑动变阻器的最大和最小电阻。 此题主要考查欧姆定律的应用以及串联电路电压的规律,关键是公式及其变形的灵活运用,难点是计算滑动变阻器的电阻范围,重点是学会根据图象分析问题。8.【答案】C;【解析】解:(1)当滑片P移到b端时,电路为R1的简单电路,电压表的示数为电源的电压;由图象可知,电压表的示数为6V,即电源的电压U=6V,故B错误; 滑片P移到a端时,R1与滑动变阻器的最大阻值串联,由图象可知,滑动变阻器R2的最大阻值为20Ω,电压表的示数U1=2V, 因串联电路中总电压等于各分电压之和,所以,滑动变阻器两端的电压:U2=U−U1=6V−2V=4V, 因串联电路中各处的电流相等,所以,电路中的电流:I=U2R2=4V20Ω=0.2A; 则R1的阻值:R1=U1I=2V0.2A=10Ω,故A错误; (2)滑片P移到b端时,电路为R1的简单电路,电阻的阻值最小,由P=U2R可知电路消耗的功率最大,则电路的最大功率:Pmax=U2R1=(6V)210Ω=3.6W,故C正确; (3)当滑片P移到中点时,滑动变阻器接入电路的阻值为R2'=12×20Ω=10Ω,此时R2'=R1,则U1'=U2'=3V, 故通过R1的电流10s产生的热量:Q=W=U1'2R1t=(3V)210Ω×10s=9J,故D错误。 故选:C。 (1)当滑片P移到b端时,接入电路中的电阻为0,电路为R1的简单电路,电压表的示数为电源的电压,根据图象读出电源的电压; 滑片P移到a端时,R1与滑动变阻器的最大阻值串联,根据图象读出电压表的示数和滑动变阻器的最大阻值,根据串联电路的电压特点求出滑动变阻器两端的电压,根据串联电路的电流特点和欧姆定律求出电路中的电流,再根据欧姆定律求出R1的阻值; (2)当滑片P移到b端时,电路为R1的简单电路,电阻的阻值最小,由P=U2R可知电路消耗的功率最大,据此求出最大功率; (4)当滑片P移到中点时,比较两电阻的阻值大小,根据Q=W=U2Rt求出R1产生的热量。 此题主要考查了串联电路的特点、欧姆定律、电功以及电功率计算的应用,关键是根据图象读出滑片接入电路中不同电阻时对应电压表的示数9.【答案】;【解析】解:根据电路图知,开关接在A、B位置时,电动机和电热丝并联,吹风机吹热风,此时电热丝的电功率为1000W; 开关接在B、C位置时,只电动机工作,吹风机吹冷风,冷风挡的额定功率为400W,则电吹风热风挡的额定功率P热=P冷+P电热丝=400W+1000W=1400W。 故答案为:A、B;1400。 根据电路图知,开关接在A、B位置时,电动机和电热丝并联,吹风机吹热风; 开关接在B、C位置时,只电动机工作,吹风机吹冷风,根据P热=P冷+P电热丝得出电吹风热风挡的额定功率。 此题主要考查电功率的计算,是一道综合题。10.【答案】用电器 通电导体在磁场中受力而运动 2400 14400 83.3;【解析】解:在对蓄电池充电时,蓄电池消耗电能,转化为化学能储存起来,所以此时蓄电池相当于电路中的用电器; 电动机是利用通电导体在磁场中受力而运动制成的; 电动机100s内电流通过线圈产生的热量为: Q=I2Rt=(4A)2×1.5Ω×100s=2400J; 电动机消耗的电能为: W=UIt=36V×4A×100s=14400J, 电动机做的有用功为: W机械=W−Q=14400J−2400J=12000J, 电动机的效率是: η=W机械W×100%=12000J14400J×100%≈83.3%。 故答案为:用电器;通电导体在磁场中受力而运动;2400;14400;83.3。 (1)用电器工作时,将电能转化为其他形式的能;而电源是将其他形式能转化为电能的装置; (2)电动机是利用通电导体在磁场中受力运动制成的; (3)利用Q=I2Rt计算电流通过线圈产生的热量; (4)利用W=UIt计算电动机消耗的电能; (5)用W−Q算出电动机做的有用功,根据η=W机械W×100%算出电动机的效率。 此题主要考查了电路的组成部分、电动机的原理、电能和电热的计算以及电动机效率的计算等知识,要注意电动机工作时是非纯电阻用电器,所以电动机会将电能转化为内能和机械能,因此要正确选择公式计算。11.【答案】热效应;400;【解析】电热驱蚊器正常:工作时主要将电能转化成内能,利用了电流的热效应.发热元件产生的热量Q=I2Rt=0.02A2×10000Ω×100s=400J.12.【答案】(1)40;20; (2)0.1;1000;10;8%; (3)1;电; (4)2.5;4.5; (5)0.4;2.5; (6)10;0.9; (7)1:2;2:3; (8)dc;36 ;【解析】(1) 此题主要考查的是欧姆定律的应用,属于基础题; 欧姆定律的公式为I=UR;导体的电阻不随电压、电流的变化而变化。 根据欧姆定律得,定值电阻的阻值为R=UI=8V0.2A=40Ω;电流为0.5A时电阻不变,所以此时它两端的电压为U=I'R=0.5A×40Ω=20V。 故答案为:40;20。 (2) 此题主要考查的是电能表、电能、电功率的计算和效率,属于基础题; 电能表铭牌上的转速表示每消耗1kW.ℎ电能,电能表转动的转数;电功率计算公式为P=Wt。 某电吹风工作6min,能使如图所示的电能表的转盘转过120转,则电吹风消耗的电能为120r1200r/kW.ℎ=0.1kW.ℎ;电功率为P=Wt=0.1kW.ℎ660ℎ=1kW=1000W ;这些电能可供一只“220V 10W”的LED灯正常工作的时间为t'=WP'=0.1kW.ℎ0.01kW=10h;因为白炽灯额定功率是LED灯额定功率的10倍,所以白炽灯正常发光时的效率为LED灯正常发光时效率的十分之一,即80%×110=8% 故答案为:0.1;1000;10;8% (3) 此题主要考查的是电功率的计算和能量转化,属于基础题; 电功率的计算公式为P=Wt;电池充电是将电能转化为化学能储存起来。 MP3正常工作时的功率为0.01W,则连续播放100s,消耗的电能为W=Pt=0.01W×100s=1J;在电池充电过程中是将电能转化为化学能储存起来。 故答案为:1;电。 (4) 此题主要考查的是实际功率的计算和常见电压值,属于基础题; 用电器的实际功率等于实际电压与实际电流的乘积;一节干电池的电压为1.5V。 标有“36V 10W”字样的灯泡,其电阻为R=U额2P额=(36V)210W=129.6Ω,接在电压为18V的电源上,因为灯丝电阻不随温度改变,此时该灯泡的实际功率为P=UI=U2R=(18V)2129.6Ω=2.5W;三节新干电池串联组成的电池组的电压为1.5V×3=4.5V。 故答案为:2.5;4.5。 (5) 此题主要考查的是串联电路的电流电压规律和欧姆定律的应用,属于基础题。 串联电路中电流处处相等,总电压等于各串联电路两端的电压之和;欧姆定律的公式为I=UR。 一灯泡电阻是20Ω,正常工作电压是8V,根据欧姆定律可知,灯泡正常工作时通过的电流为I=UR=8V20Ω=0.4A;由串联分压的规律可知,电阻分去的电压为 9V−8V=1V,电流不变,所以电阻的阻值为R'=U'I=1V0.4A=2.5Ω。 故答案为:0.4;2.5。 (6) 此题主要考查的是欧姆定律的应用和并联电路的电压电流规律,从图像中获取相关信息是解答该题的关键; 欧姆定律的计算公式为I=UR;并联电路中各并联电路两端的电压相等,干路电流等于各支路电流之和。 由图像可知,R1两端的电压为3V时,通过的电流为0.3A,所以R1=U1I1=3V0.3A=10Ω;R2两端的电压为2V时,通过的电流为0.4A,所以R2=U2I2=2V0.4A=5Ω;将两个电阻并联后接在3V电源两端,根据并联电路的电压规律可知,R1、R2两端的电压均为3V,所以通过R1的电流为I1'=UR1=3V10Ω=0.3A,通过R2的电流为I2'=U R2=3V5Ω=0.6A,根据并联电路的电流规律可知,干路的电流为I=I1'+I2'=0.3A+0.6A=0.9A。 故答案为:10;0.9。 (7) 此题主要考查的是并联电路的电流规律,属于基础题; 并联电路中干路电流等于各支路电流之和;并联分流,电流与电阻成反比。 根据并联分流,电流与电阻成反比的规律可知,R1:R2=I2:I1=1:2;根据并联电路中干路电流等于各支路电流之和可得,A3的示数为A1与A2之和,为I=I1+I2=3I2,所以电流表A1、A3的示数之比I1:I3=2:3 故答案为:1:2;2:3 (8) 此题主要考查的是串联电路中的电压电流规律和电功率的计算,根据图像获取相关信息是解答该题的关键; 串联电路中电流处处相等,总电压等于各串联电路两端的电压之和;串联分压,电压与电阻成正比;电功率计算公式为P=UI。 电路为R0与滑动变阻器串联,V1测R0两端的电压,V2测滑动变阻器两端的电压,滑动变阻器滑片从b点滑到a点的过程中,变阻器的阻值变小,根据串联分压,电压与电阻成正比的规律可知,其两端的电压变小,由图乙可知,dc表示的是V2示数的变化;由图乙可知,电源电压为10V+2V=12V,电路中的最大电流为3A,所以电路消耗的总功率最大值为P=UI=12V×3A=36W。 故答案为:dc;36。13.【答案】右 灯泡短路 0.16 0.32 0.5 大 B 2.5×U−2.5VR0 2.5;【解析】解:(1)如图所示: (2)电路连接正确后,闭合开关前,应将滑动变阻器的滑片移到阻值最大处,即最右端;闭合开关,电流表有示数,则电路为通路,发现小灯泡不亮,电压表的示数为0V,产生这种现象的原因是灯泡短路; (3)由图乙可知,电流表选用小量程,分度值为0.02A,示数为0.16A,即通过小灯泡的电流是0.16A; 此时小灯泡的实际功率P=UI=2V×0.16A=0.32W; (4)由丙图的U−I图像可知,当小灯泡的电压为额定电压U额=2,5V时,电流I=0.2A, 小灯泡的额定功率P额=U额I=2.5V×0.2A=0.5W; 由丙图的U−I图像可知,U越大,I也越大,根据P=UI可得:小灯泡两端的实际电压越大,实际功率越大; (5)根据电流从电压表正接线柱流入,将将电压表B点的接线改接到C点,观察并记录电压表示数U,因为个电阻的大小和电压大小都不变,根据串联电路的电压规律,定值电阻的电压为:U0=U−2.5V, 由欧姆定律,通过定值电阻的电流: I0=U0R0=U−2.5VR0, 根据串联电路的电流规律,通过定值电阻的电流即为小灯泡的额定电流,则小灯泡的额定功率可表示为: P额=U额I额=2.5×U−2.5VR0; 在实验操作中,因电压表选用0~3V的量程,故定值电阻的最大电压不能超过3V−2,5V=0.5V,因小灯泡正常工作时电流为I=0.2A,由欧姆定律I=UR,故R0的最大值不能超过:R0max=U0I=0.5V0.2A=2.5Ω。 故答案为:(1)如答图所示(2)右;灯泡短路;(3)0.16;0.32;(4)0.5;大;(5)B;2.5×U−2.5VR0;2.5。 (1)滑动变阻器串联接入电路,接线柱要一上一下连接; (2)电路连接正确后,闭合开关前,应将滑动变阻器的滑片移到阻值最大处;闭合开关,电流表有示数,则电路为通路,根据小灯泡不亮,电压表的示数为0V分析产生这种现象的原因; (3)根据电流表选用小量程确定分度值读数;利用公式P=UI求出灯泡的功率; (4)根据丙图找出灯泡电压为额定电压2.5V时的电流,利用公式P=UI求出灯泡的额定功率;分析U−I图像即可得出结论; (5)根据电流从电压表正接线柱流入分析判断;因为个电阻的大小和电压大小都不变,根据串联电路的电压规律,求出定值电阻的电压,由欧姆定律,求出通过定值电阻的电流即为小灯泡的额定电流,即可求出小灯泡功率的表达式;根据在实验操作中,电压表的量程选择,小灯泡正常工作时的电压、电流的大小体件分析解题。 此题主要考查了电功率的测量实验,综合性强,难度大。14.【答案】解:(1)当开关S2闭合,S1、S3断开,滑动变阻器的滑片P滑到中点时,灯泡与滑动变阻器串联, 根据P=U2R可得,灯泡的电阻: RL=UL额2PL额=(10V)22W=50Ω, 则总电阻为R=12R2+RL=12×60Ω+50Ω=80Ω, 由于灯泡正发光,则电路的电流:I=IL额=PL额UL额=2W10V=0.2A; 根据I=UR可得电源电压: U=IR=0.2A×80Ω=16V。 (2)当开关S2闭合,S1、S3断开时,灯泡与滑动变阻器串联,且滑动变阻器接入电路中的阻值最大时,电路中的电流最小,电路中总电阻最大,电路总功率最小, 此时电路总电阻:R大=R2+R1=60Ω+50Ω=110Ω, 则最小总功率:P小=U2R大=(16V)2110Ω≈2.33W, 电流对总电路做的功:W=P小t=2.33W×11×60s=1538J。 (3)三个开关都闭合,电阻R1与滑动变阻R2并联接入电路,电流表测量干路电流; 因电流表量程为0~0.6A,所以干路最大电流为0.6A,总功率最大; 通过R1的电流:I1=UR1=16V50Ω=0.32A, 通过R2的电流 I2=I大-I1=0.6A-0.32A=0.28A 滑动变阻器接入电路的阻值为 R2′=UI2=16V0.28A≈57Ω, 则滑动变阻器接入电路的阻值为57Ω。 答:(1)当开关S2闭合,S1、S3断开,滑动变阻器的滑片P滑至中点时,灯泡L恰好正常发光,则电源电压为16V; (2)当开关S2闭合,S1、S3断开时,且滑动变阻器接入电路中的阻值最大时,总电路消耗功率最小;以最小功率通电11分钟,电流对总电路做的功是1538J; (3)若开关S1闭合,调节另外两个开关和滑动变阻器,使总电路消耗功率最大,此时滑动变阻器接入电路的阻值是57Ω。;【解析】 (1)当开关S2闭合、S1、S3断开,滑动变阻器的滑片P滑到中点时,滑动变阻器与灯泡串联;利用P=U2R求出灯泡的电阻: 由于灯泡正常发光,根据欧姆定律求出电路中的电流,根据串联电路电压特点和欧姆定律求出电源的电压; (2)当开关S2闭合,S1、S3断开时,滑动变阻器与灯泡串联,且滑动变阻器接入电路的阻值最大,电路中的电流最小,电路消耗的功率最小;根据串联电路电阻特点求出总电阻,再利用P=U2R求出电路消耗的最小功率,根据W=Pt求出电流对总电路做的功; (3)三个开关都闭合,电阻R1和滑动变阻器R2并联,电流表测量干路电流;根据电流表量程确定干路最大电流,根据欧姆定律求出通过R1的电流,再利用并联电路电流特点求出通过滑动变阻器的电流,最后根据欧姆定律的应用求出滑动变阻器接入电路的阻值。 此题主要考查了串联电路和并联电路的特点以及欧姆定律、电功率公式的灵活应用,关键是开关闭合断路和闭合时电路串并联的辨别。15.【答案】解:(1)根据P=UI可得,该取暖器正常工作时通过每根电热丝的电流: I=PU=300W220V≈1.4A; (2)电路的总功率:P总=3×300W=900W=0.9kW, 三根电热丝都正常工作10h消耗的电能: W=P总t=0.9kW×10h=9kW•h; (3)每消耗1kW•h的电能,电能表的转盘就转过1500r, 电能表的转盘转过110r消耗的电能为: W=110r1500r/(kW.ℎ)=11150kW•h=11150×3.6×106J=2.64×105J, t=5min=300s, 取暖器的实际功率: P实际=Wt=2.64×106J300s=880W. 答;(1)该取暖器正常工作时,通过每根电热丝的电流为1.4A; (2)三根电热丝都正常工作10h.取暖器消耗9kW•h电能; (3)这台取暖器的实际功率是800W.;【解析】 (1)电暖气正常工作时,每根电热丝的功率和额定功率相等,根据P=UI求出通过的电流; (2)总功率等于每根电热丝工作时的功率之和,根据W=Pt求出正常工作10h消耗的电能; (3)“1500r/kW⋅ℎ”的意义为:每消耗1kW⋅ℎ的电能,电能表的转盘就转过1500r,从而可以计算出电能表的转盘转过110r消耗的电能,又知道工作时间,可利用公式P=Wt计算出灯泡的实际功率. 此题主要考查了电功与热量的综合计算,涉及到电功率公式、电功公式的应用,关键是明白电能表参数的含义.
人教版物理九年级全册《第18章 电功率》单元测试一 、单选题(本大题共8小题,共24分)1.(3分)下列说法中正确的是( )A. 用电器两端电压大,用电器做功就快B. 电功率是表示电流做功快慢的物理量C. 用电器的电功率越大,做功就越多D. 用电器的额定功率越大,消耗的电能就越多2.(3分)然然想测量家里某个用电器的电功率,她让这个用电器单独接入家庭电路中工作3min,观察到家中电能表(如图所示)的转盘转了125转,则这个用电器可能是( )。A. 电视机 B. 电风扇 C. 电脑 D. 电热水壶3.(3分)如图,R为恒流电阻,能起稳流作用,即控制电路中的电流大小不变,R0为定值电阻,E为电压可调的电源。下列描述恒流电阻R及其消耗的电功率P随电源电压U总变化关系的图线中,可能正确的是()A. B. C. D. 4.(3分)“探究小灯泡的电功率”的实验电路如图甲所示,实验中选择“2.5V”规格的小灯泡,实验中得到的U−I图像如图乙。下列说法不正确的是( ) A. 调节滑片过程发现灯泡亮度变化,这是由灯泡的实际功率变化引起的B. 小灯泡的额定功率为0.75W,正常发光时电阻为8.3ΩC. 实验中发现小灯泡无法调到额定电压,一定是因为电源电压过小D. 用图甲的电路,通过更换灯泡L的方法,能完成探究“电功率与电流的关系”5.(3分)如图所示,在探究电流通过导体时产生热量的多少跟什么因索有关的实验装置中。两个透明容器中分别接入了电阻丝R1和R2,且密封着等量的空气。将导线a和b接入电路进行实验,下列说法正确的是( )A. .若R1和R2阻值相等,则可以探究电流通过导体产生的热量与电阻的关系B. 若R1和R2阻值不相等,则可以探究电流通过导体产生的热量与电流的关系C. .若R1和R2阻值不相等,则可以探究电流通过导体产生的热量与电阻的关系D. .若把容器右边的5Ω电阻放入容器中,则可以探究电流通过导体产生的热量与电阻的关系6.(3分)如图所示电路,电源电压恒定,只闭合开关S1,将滑动变阻器的滑片由右向左滑动过程中,下列判断正确的是( )A. 小灯泡的亮度将会变亮B. 电压表V1与电压表V2的示数差变小C. 电压表V1与电流表A的示数比值变大D. 再闭合S2,调节变阻器的滑片,灯泡亮度不变7.(3分)如图甲所示,电源电压恒为9V,滑动变阻器R标有“100Ω0.5A”字样,压力传感器R0电流在0.1A~0.4A之间均能正常工作。通过测试压力传感器R0的U−Ι关系如图乙所示,则下列判断正确的是()A. 压力传感器R0工作时,电阻保待不变B. 压力传感器R0处于正常工作状态时,电路消耗的最小功率为3.6WC. 当变阻器的滑片在中点时,压力传感器R0与滑动变阻器的电压之比为1:1D. 为使压力传感器R0处于正常工作状态,R的阻值范围应控制在12.5Ω~70Ω8.(3分)在图甲所示的电路中,电源电压不变。当滑片P由b移至a的过程中,定值电阻R1两端的电压与滑动变阻器接入电路的电阻R2的变化情况如图乙所示。下列说法正确的是() A. 定值电阻R1的阻值为20ΩB. 电源电压为8VC. 电路的最大功率为3.6WD. 当滑片P移到中点时,通过R1的电流10s产生热量为18J二 、填空题(本大题共4小题,共16分)9.(4分)如图是家用电吹风的电路原理图,其中电热丝通电后可以发热,电动机通电后可以送风,当选择开关O接在C、D位置时,电吹风处于关机状态。要让电吹风工作时吹热风,它的开关O应接在 ______ (用图中的字母表示)位置,此时电热丝的电功率为1000W。已知冷风挡的额定功率为400W,则电吹风热风挡的额定功率 ______ W。10.(4分)电动自行车有充电、行驶两种状态,局部电路如图。断开开关S,利用充电插口对蓄电池充电时,蓄电池相当于电路中的 ______(选填“电源”或“用电器”)。电动机的工作原理是 ______;电动机正常工作电压为36V,线圈电阻为1.5Ω,通过电动机线圈的电流为4A,100s内电流通过线圈产生的热量为 ______J,电动机消耗的电能为 ______J,电动机的效率是 ______%。11.(4分)(2020.贵州铜仁期末)夏天,人们常用电热驱蚊器驱蚊(如图),它是利用电流的______来工作的;其发热元件是一个阻值为10000Ω的电阻,工作时的电流约为0.02A,若通电100s该发热元件产生的热量为_______J.12.(4分)(1)梦梦同学想测量某定值电阻的阻值,她发现该定值电阻两端电压为8V时通过它的电流为0.2A,则该定值电阻的阻值为_________Ω;若通过该电阻的电流为0.5A时,它两端的电压为__________V。(2)某电吹风工作6min,能使如图所示的电能表的转盘转过120转,则电吹风消耗的电能为_______kW.ℎ,电功率为_________W,这些电能可供一只“220V 10W”的LED灯正常工作_____ℎ,一只这样的LED灯与一只“220V 100W”的白炽灯正常发光时亮度相当,若LED灯正常发光时的效率为80%,则白炽灯正常发光时的效率为______。 (3)MP3曾经以其独特的魅力成为时尚,若MP3正常工作时的功率为0.01W,则连续播放100s,消耗的电能为________J。它在电池充电过程中是将_______能转化为化学能。(4)将一个标有“36V 10W”字样的灯泡,接在电压为18V的电源上,此时该灯泡的实际功率为_______W(灯丝电阻不随温度改变),由三节新干电池串联组成的电池组的电压为______V。(5)一灯泡电阻是20Ω,正常工作电压是8V,灯泡正常工作时通过的电流是___A,现在把它接在9V的电源上,要使它正常工作,需要给他串联一个电阻为________Ω的分压电阻。(6)如图所示R1、R2、两电阻的电压与电流关系图象,由图可知电阻R1的阻值为________Ω,将两个电阻并联后接在3V电源两端,干路的电流为_______A。 (7)在如图所示电路中,闭合开关S,电流表A1、A2的示数之比I1:I2=2:1,则电阻之比R1:R2=__________电流表电流表A1、A3的示数之比I1:I3=___________。 (8)如图甲所示,电源电压保持不变,闭合开关S,滑动变阻器滑片从b点滑到a点的过程中两个电压表的示数随电流表示数变化的图象如图乙所示。图乙中___(填“dc”或“ec”)表示电压表V2的示数随电流表示数变化的图象;该过程中电路消耗的总功率最大值为_____W。 三 、实验题(本大题共1小题,共6分)13.(6分)小亮在做“测量小灯泡的电功率”的实验,所用的小灯泡额定电压为2.5V。 (1)图甲为小亮连接的实物电路,请你帮他补充完整: (2)电路连接正确后,闭合开关前、应将滑动变阻器的滑片移到 ______(选填“左”或“右”)端:闭合开关后,发现小灯泡不亮,电压表无示数,电流表有示数,产生这种现象的原因是 ______(写出一种合理情况即可); (3)排除故障后,闭合开关,移动滑动变阻器滑片,当电压表示数为2V时,电流表示数如图乙所示为 ______A,此时计算出小灯泡的实际功率为 ______W; (4)根据实验数据绘制成了U−I图像如图丙所示,根据图像提供的信息,可计算出小灯泡的额定功率是 ______W,并可归纳出:小灯泡两端的实际电压越 ______,实际功率越大。 (5)完成上述实验后,小亮进一步思考,在没有电流表的情况下,能否测量小灯泡的额定功率?他想利用一个定值电阻R0接在原电路电流表的位置,设计的电路图如图丁所示,然后调节滑动变阻器滑片使电压表示数为U额,接着保持滑片位置不变,将电压表 ______点(选填“A”或“B”)的接线改接到C点,观察并记录电压表示数为U,则小灯泡的额定功率可表示为P额=______(用R0、U额、U等物理量符号表示),所选用的定值电阻R0的阻值不得超过 ______Ω。四 、计算题(本大题共2小题,共24分)14.(12分)如图所示,电源电压恒定,R1=50Ω,滑动变阻器R2上标有“60Ω 1A”,小灯泡L上标有“10V 2W”字样(灯丝电阻不受温度影响),电流表的量程为0~0.6A。 (1)当开关S2闭合,S1、S3断开,滑动变阻器的滑片P滑至中点时,灯泡L恰好正常发光,则电源电压U为多大? (2)如何调节开关和滑动变阻器,使总电路消耗功率最小?以最小功率通电11分钟,电流对总电路做的功是多少? (3)若开关S1闭合,调节另外两个开关和滑动变阻器,使总电路消耗功率最大,此时滑动变阻器接入电路的阻值是多少?(要求:把开关的闭合、断开情况说清楚,不能损坏电器。答案取整数)15.(12分)2014年入冬初,我市气温骤降,铭铭同学从家电超市买了一台电热取暖器给爷爷取暖用,如图甲所示,它是由三根规格相同的“220V,300W”电热丝组成,如图乙所示电路,求: (1)该取暖器正常工作时,通过每根电热丝的电流为多大?(保留一位小数) (2)三根电热丝都正常工作10h.取暖器消耗多少电能? (3)铭铭想测出取暖器的实际功率,他关掉了家里的其他用电器,只让取暖器工作5min,观察到如图丙所示的电能表铝盘转过了110转,则这台取暖器的实际功率是多少?答案和解析1.【答案】B;【解析】解:A、由P=UI可知,用电器电功率的大小取决于电流和电压两个物理量,故A错误; B、电功率指电流单位时间内所做功,是表示电流做功快慢的物理量,故B正确; C、由W=Pt可知,电流所做的功的多少与电功率和通电的时间有关,所以导体的电功率或额定功率大,做功不一定多,故CD错误。 故选:B。 (1)由P=UI可知,用电器电功率的大小取决于电流和电压两个物理量; (2)电功率是表示电流做功快慢的物理量; (3)(4)由W=Pt可知,电流所做的功的多少与电功率和通电的时间有关。 该题考查了学生对电功和电功率的定义和意义的理解和掌握,注意与电功与电功率的区别。2.【答案】D;【解析】略3.【答案】C;【解析】解:(1)根据欧姆定律可得总电阻:R总=U总I, 根据串联电路的总电阻等于各用电器的电阻之和和欧姆定律可得: R=R总−R0=U总I−R0-----------------①, 因R0和I为定值,①式为R随U总的变化关系式,可知,R与U总的变化关系为一次函数关系,且R随U总的变大而变大,故AB错误; (2)R消耗的电功率: P=URI=(U总−U0)I=(U总−IR0)I=U总I−I2R0, 此式为R消耗的电功率P随电源总电压U总变化的一次函数关系,且P随U总的变大而变大,故C正确,D错误。 故选:C。 (1)根据串联电路电阻的规律和欧姆定律得出R的电阻表达式,根据数学知识分析对应的函数图象; (2)根据R消耗的电功率:P=URI=(U总−U0)I=(U总−IR0)I,根据二次函数知识确定正确答案。 此题主要考查串联电路的规律及欧姆和电功率公式的运用,关键是得出流R、R消耗的电功率P随电源电压U总变化关系的函数关系式,根据数学知识解决,体现了数学知识在物理中的运用。4.【答案】C;【解析】解:A、调节滑片,变阻器连入电路的阻值发生变化,这样灯泡两端电压和电流都会发生变化,由P=UI知,其实际功率发生变化,所以灯泡亮度会发生改变,故A正确; B、由图像知,灯泡电压等于额定电压2.5V时,通过灯泡的电流为0.3A, 所以灯泡的额定功率:P=UI=2.5V×0.3A=0.75W; 由欧姆定律I=UR,可得灯泡正常发光时电阻:R=UI=2.5V0.3A≈8.3Ω,故B正确; C、实验中,移动滑片调节灯泡两端电压,但都无法使灯泡两端电压调到额定电压2.5V,可能是电源电压低于灯泡的额定电压的原因;也可能是电源电压过大,而变阻器的最大电阻过小,当变阻器的最大电阻连入电路中时,灯的电压也高于2.5V,故C错误; D、由P=UI知,电功率与电压和电流有关,所以探究“电功率与电流的关系”时,可换用不同灯泡且保持电压不变,测量电流再计算出电功率,从而得到电功率与电流的关系,故D正确。 故选:C。 A、灯的亮度由灯的实际功率决定,由此结合电路分析; B、由图像读出灯泡正常发光时的电流,由电功率公式计算额定功率,由欧姆定律计算其电阻; C、灯泡正常工作时电压等于额定电压,小灯泡无法调到额定电压,可能是低于也可能是高于额定电压,据此分析; D、探究“电功率与电流的关系”应保持电压不变,若不换灯泡,无法得到普遍性的结论。 本题是探究小灯泡的电功率的实验,考查了灯泡实际功率的决定因素、电功率和电阻的计算,还考查了电功率与电流关系的实验探究及控制变量法的运用等知识。5.【答案】D;【解析】解:A、若R1和R2阻值相等,通电时间相同,通过两个电阻的电流不同,所以能探究电流通过导体产生的热量与电流的关系,故A错误; BC、若R1和R2阻值不相等,电流不同,则无法探究电流通过导体产生的热量与电阻、电流的关系,故BC错误; D、.若把容器右边的5Ω电阻放入容器中,两容器中导体通过的总电流相等,则可以探究电流通过导体产生的热量与电阻的关系,故D正确。 故选:D。 电流产生的热量跟电流大小、电阻大小、通电时间有关;实验中应采用控制变量法。 此题主要考查的是学生对“电流通过导体产生的热量与什么因素有关的”实验的理解和掌握,注意控制变量法和转换法的运用。6.【答案】B;【解析】解: ABC、只闭合开关S1,该电路为串联电路,电流表测量电路中的电流,电压表V1测量滑动变阻器两端的电压,电压表V2测量滑动变阻器右部分两端的电压; 由于电压表在电路中相当于断路,移动滑片时,滑动变阻器接入电路的电阻不变,总电阻不变,根据欧姆定律可知,电路中的电流不变,即电流表示数不变,灯泡的实际功率不变,灯泡的亮度不变,故A错误; 根据U=IR可知,滑动变阻器两端的电压不变,即V1示数不变;滑动变阻器的滑片由右向左滑动过程中,与电压表V2并联部分的电阻变大,根据U=IR可知,电压表V2示数变大,所以电压表V1与电压表V2的示数差变小,故B正确; 电压表V1示数不变,电流表A的示数不变,其比值不变,故C错误; D、再闭合S2,变阻器左边部分被短路,该电路为串联电路,电流表测量电路中的电流,电压表V1和V2测量滑动变阻器两端的电压,调节变阻器的滑片,滑动变阻器接入电路的电阻发生变化,总电阻改变,根据欧姆定律可知,电路中的电流改变,通过灯泡的电流改变,则灯泡的亮度改变,故D错误。 故选:B。 (1)只闭合开关S1,该电路为串联电路,电流表测量电路中的电流,电压表V1测量滑动变阻器两端的电压,电压表V2测量滑动变阻器右部分两端的电压;根据滑片移动的方向判定电路中电阻的变化,根据欧姆定律判定电路中电流的变化和电压表示数的变化;根据通过灯泡电流的变化判定灯泡亮度的变化; (2)再闭合S2,调节变阻器的滑片,根据滑动变阻器接入电路阻值的变化判定电路中电流的变化,从而得出灯泡亮度的变化。 此题主要考查串联电路的规律、欧姆定律公式的运用,关键是电路的正确识别。7.【答案】D;【解析】解:(1)压力传感器R0与滑动变阻器串联,电压表测量压力传感器两端的电压,电流表测量电路中的电流。由图象可知,通过R0的电流与R0两端的电压不成正比,根据欧姆定律可知,压力传感器R0的电阻不是一个定值,故A错误; (2)压力传感器R0处于正常工作状态时,电路电流最小为0.1A,则电路消耗的最小功率为:P最小=UI最小=9V×0.1A=0.9W,故B错误; (3)因为压力传感器R0与滑动变阻器串联,通过的电流相等, 所以压力传感器R0与滑动变阻器串联两端的电压之比就等于两电阻之比, 因无法判断压力传感器R0与滑动变阻器电阻的大小关系,所以无法判断它们两端电压的关系,故C错误; (4)压力传感器R0处于正常工作状态时,电路电流最小为0.1A,压力传感器R0两端的最小电压为2V, 所以滑动变阻器两端的最大电压为U1=9V−2V=7V, 此时滑动变阻器接入电路的电阻最大,R大=U1I最小=7V0.1A=70Ω, 电路电流最大为0.4A,压力传感器R0两端的最大电压为4V, 所以滑动变阻器两端的最小电压为U2=9V−4V=5V, 滑动变阻器接入电路的电阻最小,R小=U2I最大=5V0.4A=12.5Ω, 所以滑动变阻器的阻值范围应控制在12.5Ω~70Ω,故D正确。 故选:D。 (1)压力传感器R0与滑动变阻器串联,电压表测量压力传感器两端的电压,电流表测量电路中的电流。由图象可知,通过R0的电流与R0两端的电压不是正比关系,根据欧姆定律可知其电阻特点; (2;由图象可知,电路电流最小为0.1A,利用P=UI即可求出最小电功率; (3)当P在中点时,无法判断压力传感器R0与滑动变阻器电阻的大小关系,根据电阻的分压特点可知无法确定当P在中点时压力传感器R0与滑动变阻器的电压之比。 (4))电子元件处于正常工作状态时,已知电路最小、最大电流和对应的电压,根据串联电路电压的规律以及欧姆定律算出滑动变阻器的最大和最小电阻。 此题主要考查欧姆定律的应用以及串联电路电压的规律,关键是公式及其变形的灵活运用,难点是计算滑动变阻器的电阻范围,重点是学会根据图象分析问题。8.【答案】C;【解析】解:(1)当滑片P移到b端时,电路为R1的简单电路,电压表的示数为电源的电压;由图象可知,电压表的示数为6V,即电源的电压U=6V,故B错误; 滑片P移到a端时,R1与滑动变阻器的最大阻值串联,由图象可知,滑动变阻器R2的最大阻值为20Ω,电压表的示数U1=2V, 因串联电路中总电压等于各分电压之和,所以,滑动变阻器两端的电压:U2=U−U1=6V−2V=4V, 因串联电路中各处的电流相等,所以,电路中的电流:I=U2R2=4V20Ω=0.2A; 则R1的阻值:R1=U1I=2V0.2A=10Ω,故A错误; (2)滑片P移到b端时,电路为R1的简单电路,电阻的阻值最小,由P=U2R可知电路消耗的功率最大,则电路的最大功率:Pmax=U2R1=(6V)210Ω=3.6W,故C正确; (3)当滑片P移到中点时,滑动变阻器接入电路的阻值为R2'=12×20Ω=10Ω,此时R2'=R1,则U1'=U2'=3V, 故通过R1的电流10s产生的热量:Q=W=U1'2R1t=(3V)210Ω×10s=9J,故D错误。 故选:C。 (1)当滑片P移到b端时,接入电路中的电阻为0,电路为R1的简单电路,电压表的示数为电源的电压,根据图象读出电源的电压; 滑片P移到a端时,R1与滑动变阻器的最大阻值串联,根据图象读出电压表的示数和滑动变阻器的最大阻值,根据串联电路的电压特点求出滑动变阻器两端的电压,根据串联电路的电流特点和欧姆定律求出电路中的电流,再根据欧姆定律求出R1的阻值; (2)当滑片P移到b端时,电路为R1的简单电路,电阻的阻值最小,由P=U2R可知电路消耗的功率最大,据此求出最大功率; (4)当滑片P移到中点时,比较两电阻的阻值大小,根据Q=W=U2Rt求出R1产生的热量。 此题主要考查了串联电路的特点、欧姆定律、电功以及电功率计算的应用,关键是根据图象读出滑片接入电路中不同电阻时对应电压表的示数9.【答案】;【解析】解:根据电路图知,开关接在A、B位置时,电动机和电热丝并联,吹风机吹热风,此时电热丝的电功率为1000W; 开关接在B、C位置时,只电动机工作,吹风机吹冷风,冷风挡的额定功率为400W,则电吹风热风挡的额定功率P热=P冷+P电热丝=400W+1000W=1400W。 故答案为:A、B;1400。 根据电路图知,开关接在A、B位置时,电动机和电热丝并联,吹风机吹热风; 开关接在B、C位置时,只电动机工作,吹风机吹冷风,根据P热=P冷+P电热丝得出电吹风热风挡的额定功率。 此题主要考查电功率的计算,是一道综合题。10.【答案】用电器 通电导体在磁场中受力而运动 2400 14400 83.3;【解析】解:在对蓄电池充电时,蓄电池消耗电能,转化为化学能储存起来,所以此时蓄电池相当于电路中的用电器; 电动机是利用通电导体在磁场中受力而运动制成的; 电动机100s内电流通过线圈产生的热量为: Q=I2Rt=(4A)2×1.5Ω×100s=2400J; 电动机消耗的电能为: W=UIt=36V×4A×100s=14400J, 电动机做的有用功为: W机械=W−Q=14400J−2400J=12000J, 电动机的效率是: η=W机械W×100%=12000J14400J×100%≈83.3%。 故答案为:用电器;通电导体在磁场中受力而运动;2400;14400;83.3。 (1)用电器工作时,将电能转化为其他形式的能;而电源是将其他形式能转化为电能的装置; (2)电动机是利用通电导体在磁场中受力运动制成的; (3)利用Q=I2Rt计算电流通过线圈产生的热量; (4)利用W=UIt计算电动机消耗的电能; (5)用W−Q算出电动机做的有用功,根据η=W机械W×100%算出电动机的效率。 此题主要考查了电路的组成部分、电动机的原理、电能和电热的计算以及电动机效率的计算等知识,要注意电动机工作时是非纯电阻用电器,所以电动机会将电能转化为内能和机械能,因此要正确选择公式计算。11.【答案】热效应;400;【解析】电热驱蚊器正常:工作时主要将电能转化成内能,利用了电流的热效应.发热元件产生的热量Q=I2Rt=0.02A2×10000Ω×100s=400J.12.【答案】(1)40;20; (2)0.1;1000;10;8%; (3)1;电; (4)2.5;4.5; (5)0.4;2.5; (6)10;0.9; (7)1:2;2:3; (8)dc;36 ;【解析】(1) 此题主要考查的是欧姆定律的应用,属于基础题; 欧姆定律的公式为I=UR;导体的电阻不随电压、电流的变化而变化。 根据欧姆定律得,定值电阻的阻值为R=UI=8V0.2A=40Ω;电流为0.5A时电阻不变,所以此时它两端的电压为U=I'R=0.5A×40Ω=20V。 故答案为:40;20。 (2) 此题主要考查的是电能表、电能、电功率的计算和效率,属于基础题; 电能表铭牌上的转速表示每消耗1kW.ℎ电能,电能表转动的转数;电功率计算公式为P=Wt。 某电吹风工作6min,能使如图所示的电能表的转盘转过120转,则电吹风消耗的电能为120r1200r/kW.ℎ=0.1kW.ℎ;电功率为P=Wt=0.1kW.ℎ660ℎ=1kW=1000W ;这些电能可供一只“220V 10W”的LED灯正常工作的时间为t'=WP'=0.1kW.ℎ0.01kW=10h;因为白炽灯额定功率是LED灯额定功率的10倍,所以白炽灯正常发光时的效率为LED灯正常发光时效率的十分之一,即80%×110=8% 故答案为:0.1;1000;10;8% (3) 此题主要考查的是电功率的计算和能量转化,属于基础题; 电功率的计算公式为P=Wt;电池充电是将电能转化为化学能储存起来。 MP3正常工作时的功率为0.01W,则连续播放100s,消耗的电能为W=Pt=0.01W×100s=1J;在电池充电过程中是将电能转化为化学能储存起来。 故答案为:1;电。 (4) 此题主要考查的是实际功率的计算和常见电压值,属于基础题; 用电器的实际功率等于实际电压与实际电流的乘积;一节干电池的电压为1.5V。 标有“36V 10W”字样的灯泡,其电阻为R=U额2P额=(36V)210W=129.6Ω,接在电压为18V的电源上,因为灯丝电阻不随温度改变,此时该灯泡的实际功率为P=UI=U2R=(18V)2129.6Ω=2.5W;三节新干电池串联组成的电池组的电压为1.5V×3=4.5V。 故答案为:2.5;4.5。 (5) 此题主要考查的是串联电路的电流电压规律和欧姆定律的应用,属于基础题。 串联电路中电流处处相等,总电压等于各串联电路两端的电压之和;欧姆定律的公式为I=UR。 一灯泡电阻是20Ω,正常工作电压是8V,根据欧姆定律可知,灯泡正常工作时通过的电流为I=UR=8V20Ω=0.4A;由串联分压的规律可知,电阻分去的电压为 9V−8V=1V,电流不变,所以电阻的阻值为R'=U'I=1V0.4A=2.5Ω。 故答案为:0.4;2.5。 (6) 此题主要考查的是欧姆定律的应用和并联电路的电压电流规律,从图像中获取相关信息是解答该题的关键; 欧姆定律的计算公式为I=UR;并联电路中各并联电路两端的电压相等,干路电流等于各支路电流之和。 由图像可知,R1两端的电压为3V时,通过的电流为0.3A,所以R1=U1I1=3V0.3A=10Ω;R2两端的电压为2V时,通过的电流为0.4A,所以R2=U2I2=2V0.4A=5Ω;将两个电阻并联后接在3V电源两端,根据并联电路的电压规律可知,R1、R2两端的电压均为3V,所以通过R1的电流为I1'=UR1=3V10Ω=0.3A,通过R2的电流为I2'=U R2=3V5Ω=0.6A,根据并联电路的电流规律可知,干路的电流为I=I1'+I2'=0.3A+0.6A=0.9A。 故答案为:10;0.9。 (7) 此题主要考查的是并联电路的电流规律,属于基础题; 并联电路中干路电流等于各支路电流之和;并联分流,电流与电阻成反比。 根据并联分流,电流与电阻成反比的规律可知,R1:R2=I2:I1=1:2;根据并联电路中干路电流等于各支路电流之和可得,A3的示数为A1与A2之和,为I=I1+I2=3I2,所以电流表A1、A3的示数之比I1:I3=2:3 故答案为:1:2;2:3 (8) 此题主要考查的是串联电路中的电压电流规律和电功率的计算,根据图像获取相关信息是解答该题的关键; 串联电路中电流处处相等,总电压等于各串联电路两端的电压之和;串联分压,电压与电阻成正比;电功率计算公式为P=UI。 电路为R0与滑动变阻器串联,V1测R0两端的电压,V2测滑动变阻器两端的电压,滑动变阻器滑片从b点滑到a点的过程中,变阻器的阻值变小,根据串联分压,电压与电阻成正比的规律可知,其两端的电压变小,由图乙可知,dc表示的是V2示数的变化;由图乙可知,电源电压为10V+2V=12V,电路中的最大电流为3A,所以电路消耗的总功率最大值为P=UI=12V×3A=36W。 故答案为:dc;36。13.【答案】右 灯泡短路 0.16 0.32 0.5 大 B 2.5×U−2.5VR0 2.5;【解析】解:(1)如图所示: (2)电路连接正确后,闭合开关前,应将滑动变阻器的滑片移到阻值最大处,即最右端;闭合开关,电流表有示数,则电路为通路,发现小灯泡不亮,电压表的示数为0V,产生这种现象的原因是灯泡短路; (3)由图乙可知,电流表选用小量程,分度值为0.02A,示数为0.16A,即通过小灯泡的电流是0.16A; 此时小灯泡的实际功率P=UI=2V×0.16A=0.32W; (4)由丙图的U−I图像可知,当小灯泡的电压为额定电压U额=2,5V时,电流I=0.2A, 小灯泡的额定功率P额=U额I=2.5V×0.2A=0.5W; 由丙图的U−I图像可知,U越大,I也越大,根据P=UI可得:小灯泡两端的实际电压越大,实际功率越大; (5)根据电流从电压表正接线柱流入,将将电压表B点的接线改接到C点,观察并记录电压表示数U,因为个电阻的大小和电压大小都不变,根据串联电路的电压规律,定值电阻的电压为:U0=U−2.5V, 由欧姆定律,通过定值电阻的电流: I0=U0R0=U−2.5VR0, 根据串联电路的电流规律,通过定值电阻的电流即为小灯泡的额定电流,则小灯泡的额定功率可表示为: P额=U额I额=2.5×U−2.5VR0; 在实验操作中,因电压表选用0~3V的量程,故定值电阻的最大电压不能超过3V−2,5V=0.5V,因小灯泡正常工作时电流为I=0.2A,由欧姆定律I=UR,故R0的最大值不能超过:R0max=U0I=0.5V0.2A=2.5Ω。 故答案为:(1)如答图所示(2)右;灯泡短路;(3)0.16;0.32;(4)0.5;大;(5)B;2.5×U−2.5VR0;2.5。 (1)滑动变阻器串联接入电路,接线柱要一上一下连接; (2)电路连接正确后,闭合开关前,应将滑动变阻器的滑片移到阻值最大处;闭合开关,电流表有示数,则电路为通路,根据小灯泡不亮,电压表的示数为0V分析产生这种现象的原因; (3)根据电流表选用小量程确定分度值读数;利用公式P=UI求出灯泡的功率; (4)根据丙图找出灯泡电压为额定电压2.5V时的电流,利用公式P=UI求出灯泡的额定功率;分析U−I图像即可得出结论; (5)根据电流从电压表正接线柱流入分析判断;因为个电阻的大小和电压大小都不变,根据串联电路的电压规律,求出定值电阻的电压,由欧姆定律,求出通过定值电阻的电流即为小灯泡的额定电流,即可求出小灯泡功率的表达式;根据在实验操作中,电压表的量程选择,小灯泡正常工作时的电压、电流的大小体件分析解题。 此题主要考查了电功率的测量实验,综合性强,难度大。14.【答案】解:(1)当开关S2闭合,S1、S3断开,滑动变阻器的滑片P滑到中点时,灯泡与滑动变阻器串联, 根据P=U2R可得,灯泡的电阻: RL=UL额2PL额=(10V)22W=50Ω, 则总电阻为R=12R2+RL=12×60Ω+50Ω=80Ω, 由于灯泡正发光,则电路的电流:I=IL额=PL额UL额=2W10V=0.2A; 根据I=UR可得电源电压: U=IR=0.2A×80Ω=16V。 (2)当开关S2闭合,S1、S3断开时,灯泡与滑动变阻器串联,且滑动变阻器接入电路中的阻值最大时,电路中的电流最小,电路中总电阻最大,电路总功率最小, 此时电路总电阻:R大=R2+R1=60Ω+50Ω=110Ω, 则最小总功率:P小=U2R大=(16V)2110Ω≈2.33W, 电流对总电路做的功:W=P小t=2.33W×11×60s=1538J。 (3)三个开关都闭合,电阻R1与滑动变阻R2并联接入电路,电流表测量干路电流; 因电流表量程为0~0.6A,所以干路最大电流为0.6A,总功率最大; 通过R1的电流:I1=UR1=16V50Ω=0.32A, 通过R2的电流 I2=I大-I1=0.6A-0.32A=0.28A 滑动变阻器接入电路的阻值为 R2′=UI2=16V0.28A≈57Ω, 则滑动变阻器接入电路的阻值为57Ω。 答:(1)当开关S2闭合,S1、S3断开,滑动变阻器的滑片P滑至中点时,灯泡L恰好正常发光,则电源电压为16V; (2)当开关S2闭合,S1、S3断开时,且滑动变阻器接入电路中的阻值最大时,总电路消耗功率最小;以最小功率通电11分钟,电流对总电路做的功是1538J; (3)若开关S1闭合,调节另外两个开关和滑动变阻器,使总电路消耗功率最大,此时滑动变阻器接入电路的阻值是57Ω。;【解析】 (1)当开关S2闭合、S1、S3断开,滑动变阻器的滑片P滑到中点时,滑动变阻器与灯泡串联;利用P=U2R求出灯泡的电阻: 由于灯泡正常发光,根据欧姆定律求出电路中的电流,根据串联电路电压特点和欧姆定律求出电源的电压; (2)当开关S2闭合,S1、S3断开时,滑动变阻器与灯泡串联,且滑动变阻器接入电路的阻值最大,电路中的电流最小,电路消耗的功率最小;根据串联电路电阻特点求出总电阻,再利用P=U2R求出电路消耗的最小功率,根据W=Pt求出电流对总电路做的功; (3)三个开关都闭合,电阻R1和滑动变阻器R2并联,电流表测量干路电流;根据电流表量程确定干路最大电流,根据欧姆定律求出通过R1的电流,再利用并联电路电流特点求出通过滑动变阻器的电流,最后根据欧姆定律的应用求出滑动变阻器接入电路的阻值。 此题主要考查了串联电路和并联电路的特点以及欧姆定律、电功率公式的灵活应用,关键是开关闭合断路和闭合时电路串并联的辨别。15.【答案】解:(1)根据P=UI可得,该取暖器正常工作时通过每根电热丝的电流: I=PU=300W220V≈1.4A; (2)电路的总功率:P总=3×300W=900W=0.9kW, 三根电热丝都正常工作10h消耗的电能: W=P总t=0.9kW×10h=9kW•h; (3)每消耗1kW•h的电能,电能表的转盘就转过1500r, 电能表的转盘转过110r消耗的电能为: W=110r1500r/(kW.ℎ)=11150kW•h=11150×3.6×106J=2.64×105J, t=5min=300s, 取暖器的实际功率: P实际=Wt=2.64×106J300s=880W. 答;(1)该取暖器正常工作时,通过每根电热丝的电流为1.4A; (2)三根电热丝都正常工作10h.取暖器消耗9kW•h电能; (3)这台取暖器的实际功率是800W.;【解析】 (1)电暖气正常工作时,每根电热丝的功率和额定功率相等,根据P=UI求出通过的电流; (2)总功率等于每根电热丝工作时的功率之和,根据W=Pt求出正常工作10h消耗的电能; (3)“1500r/kW⋅ℎ”的意义为:每消耗1kW⋅ℎ的电能,电能表的转盘就转过1500r,从而可以计算出电能表的转盘转过110r消耗的电能,又知道工作时间,可利用公式P=Wt计算出灯泡的实际功率. 此题主要考查了电功与热量的综合计算,涉及到电功率公式、电功公式的应用,关键是明白电能表参数的含义.
相关资料
更多

