福建省福州市仓山区金港湾实验学校2023-2024学年九年级上学期12月月考化学试题(无答案)
展开考试时间:60分钟 满分:100分 命题人:林思榕 审核人:化学教研组
注意事项:
1.答题前填写好自己的姓名、班级、考号等信息
2.请将答案正确填写在答题卡上
可能用到的相对原子质量:H-1 C-12 O-16
第Ⅰ卷(选择题)
一、选择题(本题共10小题,每小题3分,共30分。在每小题给出的四个选项中,只有一个选项符合要求。)
1.2023年10月26日,神舟十七号载人飞船发射成功。下列过程涉及化学变化的是( )
A.火箭运输B.箭体组装C.燃料添加D.点火发射
2.为实现碳达峰、碳中和目标,我国发布《“十四五”可再生能源发展规划》。下列属于理想的清洁能源的是( )
A.煤炭B.氢气C.天然气D.石油
3.下列物质的用途与性质对应正确的是( )
A.金刚石无色透明——用于制作钻头
B.氧气能支持燃烧——用于医疗急救
C.稀有气体无色无味——用于制成多种用途的电光源
D.石墨能导电——用于制作电极
4.下图实验操作符合安全要求的是( )
A.添加酒精B.闻药品气味
C.放置滴管D.加热液体药品
5.下列实验现象描述正确的是( )
A.硫在氧气中燃烧,产生微弱的淡蓝色火焰
B.镁条在空气中燃烧,生成白色的氧化镁固体
C.铁丝在空气中剧烈燃烧,火星四射
D.一氧化碳在空气中燃烧产生蓝色火焰
6.实验后试管中残留的硫,常用热的溶液清洗,发生了如下反应:,则X的化学式为( )更多课件教案等低价滋源(一定远低于各大平台价格)请 家 威杏 MXSJ663 A.B.C.D.
7.下图是某个化学反应的微观模拟示意图,“○”和“”分别表示氧原子和碳原子,下列叙述错误的是( )
A.参加反应的分子种类有两种B.该反应属于分解反应
C.生成物属于氧化物 D.反应前后原子种类没有发生变化
8.下列能达到实验目的的是( )
9.化学也可以萌萌哒,“小狗烯”()因分子结构类似狗而得名。下列关于“小狗烯”的说法正确的是( )
A.小狗烯中碳、氢元素质量比为12:1
B.小狗烯由26个碳原子、26个氢原子构成
C.小狗烯由碳氢两个元素组成
D.小狗烯相对分子质量为351g
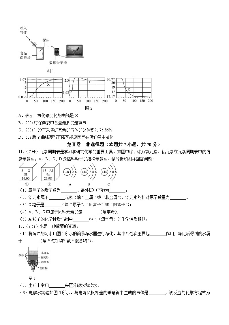
10.如图1所示,向袋内缓缓吹气,用传感器采集、、湿度(测水蒸气)相关数据如图2所示。纵坐标均为某气体体积分数(%),横坐标均为时间(s)。据图回答,下列说法不正确的是( )
图1
图2
A.表示二氧化碳变化的曲线是X
B.200s时保鲜袋中含量最多的是氧气
C.200s时没有采集的其余的气体的总体积为76.86%
D.60s后Y曲线逐渐下降可能原因是在保鲜袋中液化
第Ⅱ卷 非选择题(本题共7小题,共70分)
11.(7分)元素周期表是学习和研究化学的重要工具。如图中①、②为氧元素、铝元素在元素周期表中的信息示意图,A、B、C、D是四种粒子的结构示意图。试分析如图并回答问题:
(1)氧原子的质子数为________,最外层电子数为________。
(2)铝元素属于________元素(填“金属”或“非金属”),铝元素的相对原子质量为________。
(3)C粒子是________(填“原子”、“阴离子”或“阳离子”);
(4)A、B、C中属于同种元素的是________(填字母);
(5)A粒子的化学性质与图中________粒子(填字母)的化学性质相似。
12.(8分)水是一种重要的资源。
(1)将浑浊的河水用图1所示的简易净水器进行净化,其中活性炭主要起________作用,净化后得到的水属于________(填“纯净物”或“混合物”)。
图1
(2)生活中常用________来区分硬水和软水。
(3)电解水实验如图2所示,与电源负极相连的玻璃管中生成的气体是________,该反应的化学方程式为________________________________________。
图2
(4)生活中你采取的节水措施是________________________________(写1条)。
13.(7分)在宏观、微观和符号之间建立联系是化学学科的特点。A、B、C、D表示四种物质,其微观示意图见下表:
(1)依据微观示意图判断,上述物质属于氧化物的是________(填字母),D是由________(填“分子”或“原子”)构成的。
(2)A和B在一定条件下反应生成C和D,反应的化学方程式为________________________。
根据质量守恒定律,6.8gA与3.2gB参加反应,生成6.4gC与________gD。
(3)A和B在点燃条件下充分反应,可以生成D和F两种物质。已知F是引发酸雨的一种氧化物,则F的化学式为________。
14.(9分)我国提出努力争取在2060年前实现“碳中和”,充分体现了解决气候问题的大国担当。同学们在学习二氧化碳这部分内容时作了如下实践活动:学习“碳中和”原理。
图1
(1)观察图1,自然界中消耗二氧化碳的途径有________________________(写一条)。
(2)调查发现,我国的碳排放80%以上来自能源使用。要减少能源使用对大气中二氧化碳含量的影响,下列措施可行的是________。
A.严禁使用化石燃料
B.开发新能源,如氢能等
C.转化生成的二氧化碳,制成淀粉等产品
(3)取四朵用石蕊溶液染成紫色的干燥纸花,完成图示实验并回答下列问题。
a.对比实验Ⅰ和Ⅱ,说明使石蕊变红的是物质是________;实验Ⅲ中紫色小花________(填“变红色”或“不变色”);实验Ⅳ中紫色小花________(填“变红色”或“不变色”)。
b.结束后,将Ⅳ中的小花取出加热烘干,发生反应的化学方程式为________________________。
15.(10分)如图所示为某学习小组探究金属化学性质时所做的四个实验,仔细分析后回答下列问题:
(1)实验A中观察到铜丝表面有银白色固体析出,溶液由________________,化学方程式为________________。
(2)实验B中观察到铁丝表面有________色固体析出,溶液由________________。
(3)请写出实验D的化学反应方程式________________________________________。
(4)对比上述实验可知,铁的活泼性________铜(填“大于”或“小于”或“等于”)。
16.(14分)实验室制备气体常用如图A~F的装置,请回答:
(1)写出装置A中标号为a的仪器名称:________。
(2)若用装置A制取氧气,请写出相关化学方程式________________________________。
(3)若用排空气法收集氧气可选择装置________。若用E装置以排水法收集氧气,氧气从________口进入(填“a”或“b”)。
(4)实验室常使用B装置制取二氧化碳,反应的化学方程式为________________________。二氧化碳不适合用排水法收集的原因是________________________。
(5)将二氧化碳通入澄清石灰水中反应现象明显,故常用来检验二氧化碳,请写出相关的化学方程式________________________________。
17.(9分)学习化学离不开实验和科学探究。
图1 图2
【实验活动一】甲、乙两位同学用如图1所示的装置定量测定空气中氧气的体积分数。已知集气瓶中空气体积为250mL(已扣除瓶塞和瓶中水所占体积)。
Ⅰ、他们的实验过程如下:
①________。
②用弹簧夹夹住橡胶管后,将燃烧匙中红磷在酒精灯上点燃后伸入集气瓶中,并将导管伸入装有100mL水的量筒中。
③过一段时间后,打开弹簧夹,等到水不再进入集气瓶时,从量筒中取出导管记录量筒中剩余水的体积。
④甲同学记录量筒中水的体积为55mL,乙同学记录量筒中水的体积为44mL。
Ⅱ、仔细阅读以上实验过程回答下列问题:
(1)将上述实验过程的第一步补充完整________________。
(2)瓶底装少量水的目的是________________________。(写一点)
(3)甲同学测得空气中氧气的体积分数为________,乙同学测出的氧气的含量偏________(填“大”或“小”)。
(4)导致甲同学实验结果的原因可能是________。
①红磷的量不足
②实验过程中,没夹紧弹簧夹
③装置未完全冷却就打开弹簧央
④点燃红磷后,燃烧匙伸入集气瓶中太慢
【拓展延伸】甲乙两位同学查阅资料知道红色的铜丝也能跟空气中的氧气反应生成黑色的氧化铜固体,根据此反应原理,他们猜想能否用铜丝准确测定空气中氧气的含量呢?于是进行了实验活动二,装置如图2。
【实验活动二】在由两个注射器和玻璃管组成的密闭系统内共有50mL空气,然后给装有铜丝的下班管加热。同时交替推动两个注射器的活塞,至玻璃管内的黑色固体较长时间内无进一步变化时停止。停止加热,冷至室温,读出残留的注射器里气体的体积,算出空气中氧气的体积分数约为21%。
仔细阅读以上实验过程回答下列问题:
(5)从保护环境角度考虑,与用红磷燃烧的方法相比,用加热铜丝测空气中氧气含量的主要优点是________________________________。
18.(6分)2022年北京冬奥会主火炬“飞扬”采用氢气作为燃料。4kg的氢气完全燃烧生成水的质量是多少千克?(化学方程式为:,写出具体计算过程)A.验证分子在不断运动
B.测空气中氧气的含量
C.证明二氧化锰是过氧化氢分解的催化剂
D.监控氧气的流速
物质
A
B
C
D
微观示意图
2023-2024学年福建省福州市仓山区化学九年级第一学期期末教学质量检测模拟试题含答案: 这是一份2023-2024学年福建省福州市仓山区化学九年级第一学期期末教学质量检测模拟试题含答案,共8页。试卷主要包含了下列属于化学变化的是,成语是我国语言文化的瑰宝,下列实验操作正确的是等内容,欢迎下载使用。
福建省福州市鼓楼区立志中学 (原励志中学)2023-2024学年九年级上学期12月月考化学试题(无答案): 这是一份福建省福州市鼓楼区立志中学 (原励志中学)2023-2024学年九年级上学期12月月考化学试题(无答案),共4页。试卷主要包含了成语是中华文化的瑰宝,下列化学用语表示正确的是,对乙酰氨基酚等内容,欢迎下载使用。
福建省福州市仓山区金港湾实验学校2023-2024学年九年级上学期12月月考化学试题: 这是一份福建省福州市仓山区金港湾实验学校2023-2024学年九年级上学期12月月考化学试题,共6页。

