高中地理人教版 (2019)必修 第一册第三节 地球的历史导学案
展开1.通过对化石和地质年代表的学习,了解认识地球历史的途径及地球的历史。
2.了解地质年代的划分,能够运用地质年代表简要描述地球的演化过程。
3.通过对地球演化历程的学习,了解地球发展的历史。
核心素养
区域认知:结合地球的演化历史,从大尺度区域科学认识地球上的海陆变迁。
综合思维:能够运用地质年代表等资料,说明地壳与生命的演化过程。
人地协调观:通过地质史上的生物灭绝,认识保护濒危动植物的重要性。
地理实践力:通过地层观测,辨别动植物化石,推测地质年代和古地理环境。
本节要点
1.对地层和化石的研究是了解地球历史的主要途径。
2.地球的演化历史可分为前寒武纪、古生代、中生代和新生代,其中新生代是人类诞生的时代。
知识点一 化石和地质年代表
自主梳理·探新知
1.地层
(1)概念:具有时间顺序的_层状__岩石。
(2)特征:沉积岩的地层具有明显的_层理__构造。
2.化石
(1)概念:在沉积岩的形成过程中,生物的_遗体__或_遗迹__在沉积物中保存下来。
(2)特征:同一时代的地层往往含有_相同__或者_相似__的化石,越古老的地层,含有越_低级__、越_简单__生物的化石。
[易错提醒]
沉积地层中一定含有化石
这种说法是错误的。化石是生物遗体和遗迹沉积在地层中保存形成的。只有在沉积地层中才能找到化石,但并非所有沉积地层中都含有化石。
3.地质年代表
(1)划分依据:地球演化呈现明显的_阶段性__。
(2)具体划分:按照_宙__、_代__、_纪__等时间单位,进行系统性的编年。
合作探究·释疑难
问题探究
材料一 地质历史上各种地质事件的结果和影响,都可在地层和岩石中留下一定的痕迹,因此,追溯地层和岩石的各种特征及其空间关系,就可了解地壳的发展历史。
材料二 同一时代的地层往往含有相同或相似的化石,越古老的地层含有越低级、越简单生物的化石。而不同时期地壳运动在垂直方向上表现为抬升或下沉,地壳抬升过程中地表往往伴随着侵蚀作用,地壳下沉过程中地表往往伴随着沉积作用。下图是“A、B两地地层对比图”。
根据以上材料,探究下列问题。
(1)(综合思维)原始产出的地层具有下老上新的规律;有侵入地层的总是侵入者年代新,被侵入者年代老。据材料一判断上图中岩层A、B、C、D的新老关系。
(2)(区域认知)据材料二可知,A、B两地是否具有同一时代的地层?并将同时代的地层用虚线连起来。
(3)(综合思维)试根据材料二分析B地缺少化石4所在地层的可能原因。
提示:(1)按照从老到新的顺序依次为B→A→C→D。
(2)具有。
(3)可能一:化石4所在地层形成时期,B地为山地,地势高,未发生沉积。
可能二:化石4所在地层形成之后,B地地壳抬升,化石所在地层被侵蚀掉。
归纳拓展
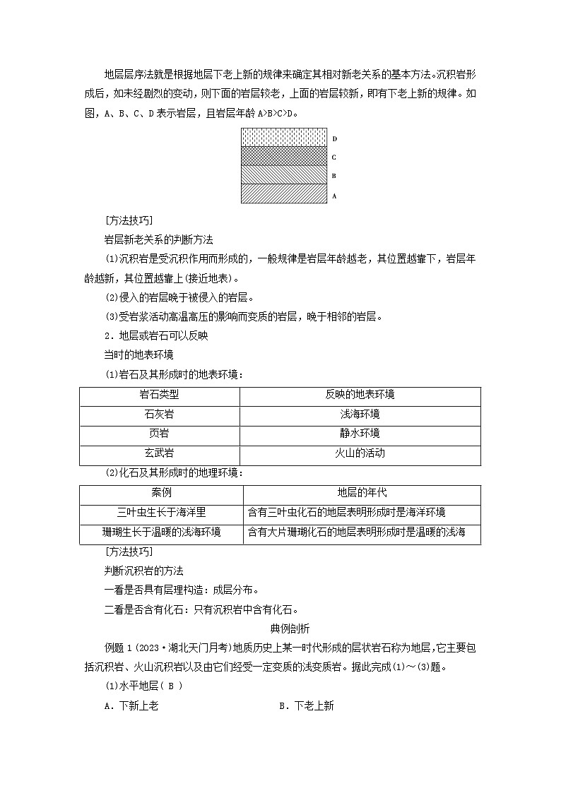
1.地层层序法确定沉积岩层的新老关系
地层层序法就是根据地层下老上新的规律来确定其相对新老关系的基本方法。沉积岩形成后,如未经剧烈的变动,则下面的岩层较老,上面的岩层较新,即有下老上新的规律。如图,A、B、C、D表示岩层,且岩层年龄A>B>C>D。
[方法技巧]
岩层新老关系的判断方法
(1)沉积岩是受沉积作用而形成的,一般规律是岩层年龄越老,其位置越靠下,岩层年龄越新,其位置越靠上(接近地表)。
(2)侵入的岩层晚于被侵入的岩层。
(3)受岩浆活动高温高压的影响而变质的岩层,晚于相邻的岩层。
2.地层或岩石可以反映
当时的地表环境
(1)岩石及其形成时的地表环境:
(2)化石及其形成时的地理环境:
[方法技巧]
判断沉积岩的方法
一看是否具有层理构造:成层分布。
二看是否含有化石:只有沉积岩中含有化石。
典例剖析
例题1 (2023·湖北天门月考)地质历史上某一时代形成的层状岩石称为地层,它主要包括沉积岩、火山沉积岩以及由它们经受一定变质的浅变质岩。据此完成(1)~(3)题。
(1)水平地层( B )
A.下新上老 B.下老上新
C.同时形成 D.陆地缺少
(2)地层不能够反映的是( D )
A.生成顺序 B.新老关系
C.发展阶段 D.时间长短
(3)下列能确定某地层形成时间的是( C )
A.化石种类和数量
B.组成物质成分和性质
C.岩石的绝对年龄
D.植物化石的埋藏深度
[解析] 第(1)题,水平地层埋藏越深,形成时间越早,呈现下老上新,B正确,A、C错误;水平地层在海洋中常缺失,D错误。第(2)题,根据上题分析可知,水平地层埋藏越深,其形成的时间越早,岩层也就越老,A、B不符合题意;根据水平地层岩石组成不同,可判断不同岩层的发展阶段,C不符合题意;地层能判断形成的相对时间,不能精确判断形成时间的长短,D符合题意。故选D。第(3)题,化石种类和数量不能判断地层的形成时间,A错误;不同的地层可能存在组成物质成分和性质相同的地层,B错误;通过同位素方法测得的岩石绝对年龄可用于判断地层的形成时间,C正确;地层的埋藏深度不能反映地层的形成时间,故植物化石的埋藏深度不能确定地层的形成时间,D错误。
对点训练❶ 读地层分布图,据此完成(1)~(2)题。
(1)岩层①、②、③、④中可能含有化石的是( A )
A.①② B.③④
C.②③ D.①④
(2)反映浅海环境的地层是( B )
A.① B.②
C.③ D.④
[解析] 第(1)题,化石存在于沉积岩中,砂岩、石灰岩属沉积岩。第(2)题,石灰岩反映浅海沉积环境。
知识点二 地球的演化历程
自主梳理·探新知
1.前寒武纪
(1)时间:自地球诞生到距今_5.41__亿年的时间,约占地球历史的 90% 。
(2)演化过程
2.古生代
(1)时间:距今5.41亿年~_2.52__亿年。
(2)环境变化:_海陆格局__发生了多次大变迁,形成_联合古陆__。
(3)演化过程
3.中生代
(1)时间:距今2.52亿年~_6_600__万年。
(2)环境变化:_联合古陆__在三叠纪晚期开始解体,各大陆向现在的位置_漂移__。
(3)生物进化
①_爬行__动物盛行,尤其是_恐龙__。
②中后期,开始向_鸟类__发展;小型_哺乳__动物出现。
③_裸子__植物极度兴盛。
(4)物种灭绝:_中生代末期__,绝大多数物种从地球上消失。
(5)成矿情况:主要的_成煤__期。
4.新生代
(1)时间:距今_6_600__万年至今。
(2)演化特点
①海陆演化:形成现代_海陆分布__格局。
②生物演化:
eq \b\lc\{\rc\ (\a\vs4\al\c1(动物: 哺乳 动物→人类第四纪,植物: 被子 植物高度繁盛))
③气候演化:冷暖交替变化:目前处于_温暖__期。
合作探究·释疑难
问题探究
材料 《侏罗纪公园》是一部1993年的科幻冒险电影,于1993年6月11日在美国上映。影片主要讲述了哈蒙德博士召集大批科学家利用凝结在琥珀中的史前蚊子体内的恐龙血液提取出恐龙的遗传基因,将已绝迹6 500万年的史前庞然大物复生,使整个努布拉岛成为恐龙的乐园,即“侏罗纪公园”。但在哈蒙德带孙子孙女首次游览时,恐龙发威了。
根据以上材料,探究下列问题:
(1)(区域认知)科幻电影《侏罗纪公园》中的恐龙这种物种主要出现在地质历史上的哪个时代?距今约多少年?
(2)(区域认知)在恐龙繁盛的时代,地球上主要以什么植物为主?对于我们目前的人类社会有何影响?
提示:(1)恐龙这种物种主要出现在中生代的侏罗纪和白垩纪,距今约2.52亿年-6 600万年。
(2)中生代裸子植物极度繁盛,在陆地植物中占主要地位。中生代是主要的成煤期,因此可以说该时代的茂密植物,为我们目前人类社会的发展提供了大量化石能源。
归纳拓展
1.地球的演化历程
2.海陆的演变
(1)地球形成,原始海洋出现,形成最初的海洋、陆地分布状况。
(2)古生代,地壳运动剧烈,形成一块联合古陆。
(3)中生代,板块运动剧烈,联合古陆解体,各大陆漂移。
(4)新生代,形成现代海陆分布格局。地壳运动剧烈,形成了现代地势起伏的基本面貌。
3.大气层的演变
(1)原始大气:主要成分是二氧化碳、一氧化碳、甲烷和氨,缺少氧气。
(2)现代大气:主要成分是氮气和氧气。
(3)演变原因:植物通过光合作用,吸收二氧化碳,释放氧气,地球上生命的出现和演化与大气中氧气的增多密不可分。
4.主要成矿期
(1)前寒武纪,重要的金属矿产成矿期。
(2)晚古生代,重要的成煤期。
(3)中生代,主要的成煤期。
5.图示地球生命的演化过程
[拓展提升]
地球演化的关键要点
演化要点一:“生物进化特点”:
总体特点:由简单到复杂,由低级到高级,由水生到陆生。
植物:藻类→苔藓植物、蕨类植物→裸子植物→被子植物。
动物:原始单细胞动物→无脊椎动物→脊椎动物(鱼类、两栖类、爬行类)→脊椎动物(鸟类、哺乳类[人类])
演化要点二:“生命大灭绝事件”:
地球已经发生过5次生物大灭绝,其中发生在古生代末期,即二叠纪末期的生物大灭绝,约95%的生物从地球上消失;中生代末期,即白垩纪末期的生物大灭绝,恐龙和海洋中50%的无脊椎动物从地球上消失。
演化要点三:“重要成矿期”:
古元古代是地史上第一次十分重要的成矿期。以矿种多、规模大、矿床类型复杂著称,如中国这一阶段就有大量因古大陆裂解离散造山而产生的矿产,构成了铁、铜、铅锌、金、硼、菱镁矿、滑石等矿床成矿带。
晚古生代和中生代都是重要的成煤期,晚古生代蕨类繁盛,中生代裸子植物繁盛。
演化要点四:“联合古陆分合与造山运动”:
古生代,地壳运动剧烈,陆地面积进一步扩大,到后期各块大陆汇聚成一个整体,成为联合古陆。
中生代发生规模巨大的构造运动——燕山运动,形成了中国的地质构造轮廓和地貌基础。联合古陆在三叠纪晚期解体,各大陆向现在的位置漂移。
新生代发生了一次规模巨大的构造运动——喜马拉雅运动,形成了阿尔卑斯山脉、喜马拉雅山脉、安第斯山脉,地球上的海陆分布与现在渐趋一致。
典例剖析
例题2 (2023·山东潍坊期中)下图为地球某地质时期地理环境复原图。据此完成(1)~(2)题。
(1)该地质时期是指( B )
A.古生代 B.中生代
C.新生代 D.第四纪
(2)该地质时期被称为( C )
A.海生无脊椎动物时代
B.海生脊椎动物时代
C.爬行动物时代
D.灵长哺乳动物时代
[解析] 第(1)题,复原图中显示,该地质时期动物以恐龙为主,因此该地质时期是中生代,选项B符合题意。古生代恐龙没有出现,排除A。新生代和第四纪恐龙已经灭绝,排除C和D。故选B。第(2)题,根据上题判断,该地质时期为中生代。复原图显示,该时期恐龙繁盛,恐龙属爬行动物,因此中生代被称为爬行动物时代,选项C符合题意,海生无脊椎动物时代出现在古生代早期,排除A。海生脊椎动物时代出现在古生代中期,排除B。灵长哺乳动物时代出现在新生代,排除D。故选C。
对点训练❷ 在陕西某矿区,工人们发现在矿灯照耀下,夹在页岩地层中的煤层乌黑发亮,仔细辨认,还能看出苏铁、银杏等裸子植物粗大的树干。据此完成(1)~(2)题。
(1)该煤层形成的地质年代和该地质年代最繁盛的动物可能是( B )
A.古生代、三叶虫 B.中生代、恐龙
C.新生代、哺乳类 D.新生代、鱼类
(2)该煤层形成时的古地理环境是( C )
A.湿热的草原环境 B.温暖广阔的浅海
C.湿热的森林环境 D.干旱的陆地环境
[解析] 第(1)题,苏铁、银杏等裸子植物繁盛时期是中生代,恐龙是该地质年代最繁盛的动物。故B正确,A、C、D错误。第(2)题,“还能看出苏铁、银杏等裸子植物粗大的树干”,说明该煤层形成时植物高大、茂密。四选项中只有湿热的森林环境符合此特点。故C正确,A、B、D错误。
策略指导
确定地层顺序和地质年代的方法
1.根据地层岩石年龄确定地层顺序和地质年代
如果岩石年龄已经确定,则年龄越大的地层形成的时间越早,反之越晚。同时,还可对照地质年代表确定该岩石所属的地质年代。如距今5亿年的岩石形成的时间早于距今2亿年的岩石,对照地质年代表可知,前者形成于古生代,后者形成于中生代。
2.根据地层分布确定地层顺序
在正常情况下,地层是按顺序排列的,先形成的居下,后形成的居上。这里的“正常情况”主要是指地层大致呈水平分布状态,岩石分布没有受到地质历史上剧烈地壳运动的影响。
3.根据化石确定地层顺序和地质年代
化石是保存于地层中古生物遗体、遗物或遗迹。生物总是由低级到高级、由简单到复杂不断进化的,且进化的过程是不可逆的,即每个生物种属在地球上只能出现一次,灭绝之后就不再重复出现,一定种属的生物总是埋在一定时代的地层里,不同时代的地层里往往含有不同种属的生物化石,故可用化石来确定地层的新老关系和相对地质年代。如恐龙化石所在的地层属中生代,被子植物化石所在的地层属新生代,含有恐龙化石的地层形成时间早于含有被子植物化石的地层。
考题展示
读“甲、乙两地岩层分布示意图”,完成下列要求。
(1)A~G地层中形成最早和最晚的分别是哪一层?分别形成于什么地质年代?
(2)A~G层和W~Z层中可能形成于同一地质年代的地层有哪些?列举相关地层并说明判断理由。
[答案] (1)A层最早,形成于古生代;G层最晚,形成于新生代。
(2)B和W、F和Y、G和Z属同一年代,因为每对地层中含有相同的古生物化石。C和X属同一年代,因为地层的先后顺序和岩石类型相同。
[解析] 第(1)题,生物进化的基本规律是在越古老的地层中的化石所代表的生物,结构越简单,分类越低等,水生生物的化石也越多;在距今越近的地层中的化石所代表的生物,结构越复杂,分类越高等,陆生生物的化石也越多;A层的化石为三叶虫、菊石化石,为结构最简单,分类最低等的生物,形成年代最早,形成于古生代;G层的化石有哺乳类动物化石,为结构最复杂、分类最高等的生物,形成年代最晚,形成于新生代。第(2)题,从图中可看出,B和W、F和Y、G和Z属同一年代,因每对地层中含有相同的古生物化石。C和X属同一年代,因地层的先后顺序和岩石类型相同。
一、单项选择题
读下列古生物化石图片,完成1~2题。
(说明:叠层石由蓝藻黏附沉积物形成)
1.含有以上四种化石的地层按照形成的先后,排序正确的是( B )
A.①②③④ B.③②④①
C.②①③④ D.③①②④
2.四种化石可以推断当时的地理环境,海洋占优势的是( B )
A.①② B.②③
C.③④ D.①④
[解析] 第1题,①是始祖鸟化石,出现在中生代中后期;②是三叶虫化石,出现在古生代早期;③是叠层石,是由蓝藻黏附沉积物形成,出现在前寒武纪时期;④是蕨类植物化石,出现在晚古生代,故形成的先后顺序是③②④①。第2题,始祖鸟和蕨类植物主要生存在陆地上,三叶虫和蓝藻主要生活在海洋中,故当时的地理环境中海洋占优势的是②③。
大约2.5亿年前,地球曾经历过一次生物大灭绝,而昆虫(典例:甲虫)得以存活。昆虫作为现今地球上多样性最高的生物,在二叠纪已成为陆地生态系统中的重要角色。据此完成3~4题。
3.2.5亿年前,地球经历的生物大灭绝是( A )
A.古生代末期 B.中生代末期
C.新生代末期 D.元古宙末期
4.二叠纪甲虫繁盛期,地球上没有发生的现象是( D )
A.欧亚大陆和北美大陆雏形基本形成
B.陆地上蕨类植物繁盛
C.是重要的造煤期
D.爬行动物在地球上盛行
[解析] 第3题,由材料信息“大约2.5亿年前,地球曾经历过一次生物大灭绝”及所学知识可知,此时为古生代末期,A正确;中生代末期是距今6 500万年前,新生代是从0.66亿年至今,元古宙末期距今5.41亿年,B、C、D错误。故选A。第4题,由材料信息“大约2.5亿年前,地球曾经历过一次生物大灭绝,而昆虫(典例:甲虫)得以存活”及所学知识可知,二叠纪甲虫繁盛期是古生代末期,此时欧亚大陆和北美大陆雏形基本形成,陆地上蕨类植物繁盛,是重要的造煤期,表述正确,但不符合题意,A、B、C错误;爬行动物在地球上盛行的时代是中生代,符合题意,D正确。故选D。
(2023·辽宁阜新二中月考)在地球演化的过程中,地表形态也在不断变化。据此完成5~6题。
5.地球上最高大的山脉——喜马拉雅山形成于( D )
A.早古生代 B.晚古生代
C.中生代 D.新生代
6.联合古陆开始解体的时代( C )
A.早古生代 B.晚古生代
C.中生代 D.新生代
[解析] 第5题,新生代时期是地质历史时期中最新的一个时代,包括现代在内整个新生代大约为6 700万年,喜马拉雅山形成于距今3 000万年前的新生代早第三纪末期,故选D。第6题,各大陆在古生代晚期曾为统一的大陆(即联合古陆),侏罗纪以后开始分裂、漂移,逐渐演变成现代的海陆分布,侏罗纪是中生代的第二个纪,故选C。
二、综合题
7.阅读以下图文材料,回答下列问题。
(1)图示景观为地质历史上距今_2.52亿__年至_6_600万__年的_中生__代,动物界是_爬行__动物的时代,植物界为_裸子__植物的时代。
(2)图中大型动物是曾经称霸地球的_恐龙__,但后来从地球上完全销声匿迹,与此动物同时灭绝的还有海洋中一半以上的_无脊椎__动物种类。
(3)有不少科学家认为,图中大型动物灭绝是小行星撞击地球造成的,并且找到了小行星撞击地球的证据。这些证据是什么?
(4)现在物种灭绝的速度越来越快,导致物种灭绝的原因有哪些?
(5)物种灭绝对人类的危害有哪些?
[答案] (3)在世界上许多地方的中生代末期地层内,科学家发现铱元素的含量异常,高出相邻岩层平均值的30倍左右;铱元素在地球表面不常见,在陨石中却经常存在铱含量较高的现象;在美洲尤卡坦半岛的北部海岸,地质学家发现了一个部分淹没在海中的陨石坑,直径180~200 km,陨石坑中到处开裂的岩石表明,这里曾发生过一次强烈的爆炸,这是中生代小行星撞击地球最可能发生的地点。
(4)环境的变迁在短时间内超过了物种进化的速度;人类对自然资源不合理开发利用;环境的污染和外来物种的侵入。
(5)物种灭绝是生物基因库的巨大损失,直接影响人类的生产、生活和自然界的平衡。
[解析] 第(1)题,图示景观是中生代曾经称霸地球的恐龙,出现在距今2.52亿年—6 600万年的中生代,这一时期爬行动物盛行,裸子植物极度兴盛。第(2)题,在中生代末期,盛极一时的恐龙突然从地球上完全销声匿迹,海洋中50%以上的无脊椎动物种类也灭绝了。第(3)题,在世界上许多地方的中生代地层内,科学家发现铱元素含量异常,高出相邻岩层平均值的30倍左右,因铱元素在地球表面不常见,陨石中却经常存在铱含量较高的现象,而且还发现了陨石坑,这都成为支持小行星撞击地球假说的证据。第(4)题,可从自然环境变迁和人类活动两大方面分析原因。第(5)题,物种灭绝生物基因资源减少,生态失去平衡,直接影响人类活动。
[合格考达标练]
一、单项选择题
中国地质博物馆的馆藏精品中华龙鸟化石,产于我国辽宁省西部含有火山灰的湖泊沉积形成的页岩中,该岩层还含有丰富的各类动植物化石。读中华龙鸟化石图片,完成1~2题。
1.形成中华龙鸟化石的页岩属于( B )
A.侵入岩 B.沉积岩
C.变质岩 D.喷出岩
2.根据化石推断,中华龙鸟最可能的生存环境是( B )
A.火山频发的高原山地
B.温暖湿润的湖泊附近
C.风沙肆虐的沉积盆地
D.冰川广布的高寒荒漠
[解析] 第1题,中华龙鸟化石产于含有火山灰的湖泊沉积形成的页岩中,含有化石是沉积岩的典型特征。第2题,页岩属于沉积岩,说明形成时该地地势较低,同时岩层中含有丰富的各类动植物化石,说明形成时该地区水热条件较好。
云南澄江帽天山页岩岩层中保存了大量寒武纪早期古生物化石。经研究发现,该时期澄江位于滇中隆起的浅海区,水母、蠕虫、节肢动物等底栖动物、多门类的海栖动物与藻类大量出现。据此完成3~5题。
3.材料所述岩层形成的地质年代为( B )
A.前寒武纪 B.古生代
C.中生代 D.新生代
4.推测当时澄江适宜大量生物生存的古气候条件为( D )
A.干旱少雨 B.植被覆盖率高
C.水网密布 D.气候温暖湿润
5.地质史上两次最重要的全球性生物大规模灭绝时期是( B )
A.元古代末期和古生代末期
B.古生代末期和中生代末期
C.中生代早期和新生代早期
D.元古代末期和中生代末期
[解析] 第3题,由材料信息“该时期澄江位于滇中隆起的浅海区,水母、蠕虫、节肢动物等底栖动物、多门类的海栖动物与藻类大量出现”可知,在古生代早期以海生藻类为主,据此分析,此类生物岩层形成的地质年代应该在古生代,B正确。前寒武纪一般是多细胞生物化石,A错误。中生代是爬行动物时代,以恐龙化石为代表,C错误。新生代多哺乳动物化石,D错误。故选B。第4题,由“该时期澄江位于滇中隆起的浅海区”可知,滇中纬度较低,临海气候较湿润,推测当时澄江适合大量生物生存的古气候条件为气候温暖湿润,A错误,D正确。生物多海栖动物,生存在浅海,植被覆盖率无法判断,B错误。生物多海栖动物,生存在浅海,C错误。故选D。第5题,古生代末期,60%以上的海生无脊椎动物灭绝,脊椎动物中的原始鱼类和古老的两栖类全部灭绝;中生代末期,除了盛绝一时的恐龙突然灭绝外,海洋中50%以上的无脊椎动物也灭绝了;因此地质史上两次最重要的全球性生物大规模灭绝时期是指古生代末期和中生代末期,B正确;元古代末期、中生代早期、新生代早期没有出现全球性生物大规模灭绝现象,因此A、C、D错误。故选B。
不同地质年代会形成不同的地层和生命。读图,据此完成6~7题。
6.图中的化石或动物,按照形成的地质年代,由古及今的排序正确的是( D )
A.①②③④ B.①③②④
C.②③①④ D.③①④②
7.与裸子植物极度兴盛的时代相同的是( D )
A.① B.②
C.③ D.④
[解析] 第6题,由所学知识可知,①三叶虫生存的时代是古生代早期;②猛犸象生存的时代是第四纪冰川后期;③叠层石在晚元古代最为繁盛;④恐龙生存时代是中生代;根据所学知识可知,图中的化石或动物,按照形成的地质年代,由古及今的排序正确的是③①④②,D正确。故选D。第7题,由所学知识可知,裸子植物极度兴盛的时代是中生代,此时也是恐龙等爬行动物繁盛的时代,④恐龙符合题意,D正确。故选D。
二、综合题
8.阅读图文材料,回答下列问题。
恐龙曾是地球历史上体型最大的动物,有的恐龙为草食动物,有的恐龙为肉食动物。在6 500万年前,恐龙突然灭绝。结束了长达1.4亿年之久的恐龙时代。
(1)恐龙生活在_中生__代,该时期包括_三叠纪__、_侏罗纪__、_白垩纪__。这一时期被称为“_爬行动物__的时代”。
(2)简要说明恐龙生活的时期生物进化的表现。
(3)在白垩纪,发生了_物种大灭绝__事件,恐龙从地球上消失,成为_中生代结束__的标志。
(4)关于恐龙灭绝的原因,科学家提出了很多猜想,代表性的有“陨星撞击说”“火山爆发说”“气候变化说”等。请从以上几个猜想中任选一个分析恐龙灭绝的原因。
[答案] (2)裸子植物极度兴盛;爬行动物大量繁殖;爬行动物逐渐向鸟类进化;出现小型哺乳动物。
(4)陨星撞击说:陨星是来自地球以外的小行星,如果陨星体积、质量较大,在地球表面会形成巨大的撞击力,产生强烈地震,破坏了恐龙的生存环境。
火山爆发说:大规模、大范围的火山爆发,大量火山熔岩喷出地表,大量火山灰进入大气,不利于生物的生存,破坏了恐龙的生存环境,导致恐龙灭亡。
气候变化说:受板块运动的影响,地球气候发生变化,由温暖湿润的环境逐渐演变为寒冷干燥的环境,导致恐龙灭绝。
[解析] 第(1)题,根据所学知识可知,恐龙生活在中生代,该时期包括三叠纪、侏罗纪、白垩纪。这一时期爬行动物物种丰富,优势动物是爬行动物,被称为“爬行动物的时代”。第(2)题,恐龙生活的时期(中生代)生物进化的表现应从植物界和动物界两方面进行简要说明。中生代植物,以蕨类和裸子植物最繁盛,到中生代末,被子植物得到了很大的发展,裸子植物仍占据着重要地位;中生代早、中期在陆地上是爬行动物的天下,但这时原始哺乳动物和原始的鸟类已经出现。第(3)题,中生代末期由于环境的变迁,发生了物种大灭绝事件,50%的生物灭绝,恐龙从地球上消失,这是中生代结束的标志。第(4)题,陨星撞击说:科学家指出,6 500万年以前,一颗直径10公里的巨大陨石撞击地球,扬起大量烟尘遮蔽天空,地球环境进入“核冬天”,太阳被遮蔽致使气温严寒,植物无法进行光合作用,导致大气中缺乏氧气,让一度支配地球的恐龙走向衰亡。
[等级考过关练]
一、单项选择题
地层是具有时间顺序的层状岩石或堆积物。科学家通过研究地层中的信息以此了解地球的生命历史和古地理环境。下图为某地地层剖面示意。据此完成1~2题。
1.判断图示各地层形成年代的早晚主要依据( C )
①地层中的化石 ②地层的走向 ③地层的厚度 ④地层中的岩石年龄
A.①② B.②③
C.①④ D.③④
2.含有恐龙化石的地层可能形成于( C )
A.寒武纪 B.泥盆纪
C.白垩纪 D.第四纪
[解析] 第1题,由材料“地层是具有时间顺序的层状岩石或堆积物”地层形成具有后来者居上的特点,地层中的岩石年龄可以判断图示各地层形成年代的早晚;生物进化总是从低级到高级,从简单到复杂,而且生物进化具有不可逆性,因此同一时代形成的地层中所含的化石基本相同;不同时代形成的地层,其中所含的化石也不同。地层中的化石能推知古地理环境,了解地球的历史。①④正确;地层的走向和地层的厚度属于地质构造,是地壳运动的结果,地壳运动会引起岩层的弯曲变形,甚至发生倒置或者缺失,因此地层的走向和厚度不能推知地层形成年代的早晚。②③错误。综上所述,C正确,A、B、D错误。故选C。第2题,根据所学知识可知,恐龙繁盛的年代是中生代的白垩纪,C正确;寒武纪时主要生物是三叶虫等,A错误;泥盆纪时主要是鱼类,B错误;第四纪恐龙灭绝,主要是哺乳动物和人类时代,D错误;故选C。
读下图,据此完成3~4题。
3.下列关于甲、乙两个地质年代的叙述,正确的是( B )
A.甲是古生代,乙是中生代
B.甲是中生代,乙是古生代
C.甲是古生代,乙是元古代
D.甲是新生代,乙是古生代
4.乙的末期( A )
A.蕨类植物明显衰退
B.恐龙灭绝
C.出现被子植物
D.爬行动物盛行
[解析] 第3题,中生代是恐龙繁盛的时代;早古生代海洋无脊椎动物繁盛,晚古生代蕨类植物繁盛,因此,甲为中生代,乙为古生代。第4题,乙为古生代,古生代末期蕨类植物明显衰退。
下图为距今6亿年以来地球大气中CO2含量变化示意图。读图,据此完成5~6题。
5.地质时期,大气中CO2含量变化的主要原因可能是( A )
A.植物的出现和发展 B.频繁的火山爆发
C.大量哺乳动物灭绝 D.生物的呼吸作用
6.古生代时期出现的森林大部分是( D )
A.藻类植物 B.裸子植物
C.被子植物 D.蕨类植物
[解析] 第5题,读图可知,地质时期地球上二氧化碳浓度下降,该变化的主要原因最可能是植物登陆和森林出现,因为植物的光合作用会消耗二氧化碳并释放氧气,从而导致地球上二氧化碳浓度下降,A正确;频繁的火山爆发,以及生物的呼吸作用都会使得地球上二氧化碳浓度上升,大量哺乳动物灭绝并不会导致二氧化碳明显下降,B、C、D错误。故选A。第6题,由所学知识可知,海生藻类出现于前寒武纪,被子植物在新生代高度繁盛,不符合题意,A、C错误;晚古生代裸子植物虽已开始出现,但繁盛于中生代,蕨类植物比裸子植物出现更早,且繁盛于晚古生代,并形成了茂密的森林,故古生代时期出现的森林大部分是蕨类植物,B错误,D正确。故选D。
(2023·江苏省沭阳县月考)地层和化石就像“书页”一样,记录着地球发展的历史。结合下图,完成7~9题。
7.如果地层中含有左图中化石,说明该地层形成时期的环境为( A )
A.海洋 B.沙漠
C.森林 D.草原
8.右图化石中的生物在地球上出现时( C )
A.地球上存在两个大陆
B.只有一个联合古陆
C.七大洲、四大洋轮廓初步显现
D.七大洲、四大洋的格局已经形成
9.①地层中含有左侧生物化石,②地层中含有右侧生物化石,在未受到剧烈构造运动扰动的情况下,两地层的位置关系是( B )
A.①在②上方 B.②在①上方
C.同一位置 D.无法判断
[解析] 第7题,左图化石为三叶虫化石,处于古生代时期,环境为海洋,故A正确。第8题,只有一个联合古陆是在古生代时期,进入中生代三叠纪时,联合古陆开始解体,右图是恐龙化石,处于中生代侏罗纪、白垩纪时期,七大洲、四大洋轮廓初步显现,故C正确。第9题,①地层化石为三叶虫化石,②地层化石为恐龙化石,在未受到剧烈构造运动扰动时新地层在上,老地层在下,①是老地层,②是新地层,①在②之下,故B正确。
二、综合题
10.(2022·湖北荆州中学月考)阅读图文材料,回答下列问题。
“地处青藏高原和黄土高原交会地带的和政县是远古时代各种古脊椎动物繁衍生息的乐园,孕育了今天弥足珍贵的古脊椎动物化石群。不同化石群埋藏在不同的地层中,据了解,1 000万年前的古脊椎动物化石,是研究青藏高原隆升历史及古环境、古气候的重要物质依据和信息源。”看到这个消息,上海某中学地理小组的同学特别感兴趣,他们决定利用暑假前去实地考察研究一番。在地理老师的指导下,他们给这次考察命了名,并做了大量知识上、物质上的准备工作,如搜集该区岩层等资料,带上地质锤、指南针、记录工具等。
(1)他们应给这次考察命名为:_(古)生物化石__与地质年代、自然地理环境的关系。
(2)结合相关材料,他们绘制了一幅古生物化石地表分布示意图,并对相关问题进行回答。
①按成因分类,该地区的地下岩层多属于_沉积__岩;按地质年代,该区域最老的岩层至少形成于_古生__代。
②三叶虫生活时期该地应为_海洋__环境;恐龙繁盛时期,该地应为_陆地__环境,气候、植被特点_气候温暖湿润,植被茂密__。
(3)根据实地考察及材料分析,他们的考察结论认为迄今为止青藏高原地区:①地理环境经历了_海洋__环境向_陆地__环境的演变;②由不同化石的相对位置关系可知,地壳经历了_抬升__(抬升、下降、水平)运动。
[解析] 第(1)题,据材料分析,1 000万年前的古脊椎动物化石,是研究青藏高原隆升历史及古环境、古气候的重要物质依据和信息源,说明他们应给这次考察命名为(古)生物化石与地质年代、自然地理环境的关系。第(2)题,①沉积岩层中含有化石,根据古生物化石地表分布示意图可知,该地区的地下岩层多属于沉积岩;根据化石的种类可知,按地质年代,该区域最老的岩层至少形成于古生代。②三叶虫具有底栖、游泳、漂浮等各种生活能力,所以它们能够生活在各种海洋环境中;恐龙繁盛时期,该地应为陆地环境,该地气候湿润温暖,植被茂盛,有利于恐龙的生存。第(3)题,根据化石的分布顺序可知,青藏高原地区地理环境经历了海洋环境向陆地环境的演变;根据不同化石的相对位置关系可知,青藏高原地区地壳经历了抬升运动。岩石类型
反映的地表环境
石灰岩
浅海环境
页岩
静水环境
玄武岩
火山的活动
案例
地层的年代
三叶虫生长于海洋里
含有三叶虫化石的地层表明形成时是海洋环境
珊瑚生长于温暖的浅海环境
含有大片珊瑚化石的地层表明形成时是温暖的浅海
阶段
生命的出现和演化
成矿情况
冥古宙
只有一些_有机质__,没有生命的迹象
大量的_铁__、_金__、镍、铬等矿藏出现
太古宙
_蓝藻__等原核生物
元古宙
演化出_真核__生物和_多细胞__生物
阶段
生物进化
成矿情况
早古生代
_海洋无脊椎__动物发展,陆地上出现_低等__的植物
地质历史上重要的_成煤期__
晚古生代
_脊椎__动物发展,早期的_鱼类__,中期的_两栖类__,晚期的_爬行类__。_裸子__植物出现,_蕨类__植物繁盛
地质历史时期
地表的演化
生物的演化
矿产的形成
植物
动物
前寒武纪
冥古宙
海洋与陆地形成,大气成分发生变化
出现有机质
无
重要的成矿时期(铁、金、镍、铬等矿藏)
太古宙
出现蓝藻
元古宙
蓝藻大爆发
古
生
代
早古
生代
地壳运动剧烈,海陆格局多次变迁,最后形成联合古陆
陆地上出现低等植物
海洋无脊椎动物繁盛
成煤时期
晚古
生代
裸子植物开始出现,蕨类植物繁盛
海洋脊椎动物繁盛,出现两栖类动物并逐渐进化为爬行动物
中生代
板块运动剧烈,联合古陆开始分离
裸子植物极度兴盛
爬行动物盛行,鸟类出现;小型哺乳动物出现
成煤时期
新生代
联合古陆解体,地壳运动剧烈,形成了现在的基本面貌
被子植物高度繁盛
哺乳动物快速发展,第四纪出现人类
—
高中地理人教版 (2019)必修 第一册第三节 防灾减灾学案设计: 这是一份高中地理人教版 (2019)必修 第一册第三节 防灾减灾学案设计,共19页。
人教版 (2019)必修 第二册第一章 人口第三节 人口容量导学案: 这是一份人教版 (2019)必修 第二册第一章 人口第三节 人口容量导学案,共14页。
高中地理人教版 (2019)必修 第一册第一章 宇宙中的地球综合与测试学案及答案: 这是一份高中地理人教版 (2019)必修 第一册第一章 宇宙中的地球综合与测试学案及答案,文件包含第一节地球的宇宙环境docx、第四节地球的圈层结构docx、第二节太阳对地球的影响docx、第三节地球的历史docx、章末整合docx等5份学案配套教学资源,其中学案共166页, 欢迎下载使用。

