福建省泉州科技中学2022-2023学年高二上学期期中考试化学试题
展开泉州科技中学2022-2023学年高二上学期期中化学试题
考试时间 90分钟 满分100分
可能用到的相对原子质量:H-1 C-12 O-16
一、选择题:(本题共16小题,每小题3分,共48分。在每小题给出的四个选项中,只有一项是符合题目要求的)
1. 下列我国科技创新的产品设备在工作时,由化学能转变成电能的是
A.长征三号乙运载火箭用偏二甲肼为燃料 | B.嫦娥四号月球探测器上的太阳能电池板 | C.和谐号动车以350km/h飞驰 | D.世界首部可折叠柔屛手机通话 |
2.下列反应既属于氧化还原反应,又是吸热反应的是( )
A. 灼热的碳与水蒸气反应 B. 煅烧石灰石制生石灰
C. 湿法炼铜 D. 晶体与晶体的反应
3. 我国研制出一种新型复合光催化剂,利用太阳光在催化剂表面实现高效分解水,其主要过程如图所示。已知:物质中化学键键能如下表所示。若反应过程中分解了水,则下列说法不正确的是
化学键 | 键 | 键 | 键 | 键 |
键能 |
A.过程Ⅰ吸收了能量 B 过程Ⅱ放出了能量
C.过程Ⅲ属于放热反应 D. 总反应为
4.下列有关热化学方程式的叙述正确的是( )
A. 在、条件下,液态水汽化时需要吸收的热量,则的
B. 已知,则含的稀溶液与稀醋酸完全中和,会放出小于的热量
C. 已知 则
D. 完全燃烧放热,其热化学方程式为
5.某同学设计如图所示实验,探究反应中的能量变化。
下列判断正确的是
A. 由实验可知,(a)、(b)、(c)所涉及的反应都是放热反应
B. 若用NaOH固体测定中和热,则测定中和热的绝对值偏高
C. 实验(c)中将环形玻璃搅拌棒改为铁质搅拌棒对实验结果没有影响
D. 将实验(a)中的铝片更换为等质量的铝粉后释放出的热量有所增加
6.用石墨作电极,电解下列物质的溶液,溶液的保持不变的是( )
A. B. C. D.
7.原电池的总反应方程式为:2Fe3++Cu=2Fe2++Cu2+,能实现该反应的为
| A | B | C | D |
正极材料 | Cu | 石墨 | Fe | Ag |
负极材料 | Fe | Cu | Cu | Cu |
电解质液 | CuSO4 | Fe2(SO4)3 | FeCl3 | AgNO3 |
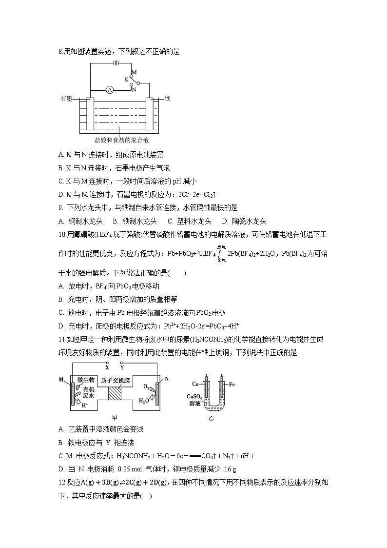
8.用如图装置实验,下列叙述不正确的是
A. K与N连接时,组成原电池装置
B. K与N连接时,石墨电极产生气泡
C. K与M连接时,一段时间后溶液的pH减小
D. K与M连接时,石墨电极的反应为:2Cl--2e-=Cl2↑
9. 下列水龙头中,与铁制自来水管连接,水管腐蚀最快的是
A. 铜制水龙头 B. 铁制水龙头 C. 塑料水龙头 D. 陶瓷水龙头
10.用氟硼酸(HBF4属于强酸)代替硫酸作铅蓄电池的电解质溶液,可使铅蓄电池在低温下工作时的性能更优良,反应方程式为:Pb+PbO2+4HBF42Pb(BF4)2+2H2O,Pb(BF4)2为可溶于水的强电解质。下列说法正确的是( )
A. 放电时,BF4-向PbO2电极移动
B. 充电时,阴、阳两极增加的质量相等
C. 放电时,电子由Pb电极经氟硼酸溶液流向PbO2电极
D. 充电时,阳极的电极反应式为:Pb2++2H2O-2e-=PbO2+4H+
11.如图甲是一种利用微生物将废水中的尿素(H2NCONH2)的化学能直接转化为电能并生成环境友好物质的装置,同时利用此装置的电能在铁上镀铜,下列说法中正确的是
A. 乙装置中溶液颜色会变浅
B. 铁电极应与 Y 相连接
C. M 电极反应式:H2NCONH2+H2O-6e-===CO2↑+N2↑+6H+
D. 当 N 电极消耗 0.25 mol 气体时,铜电极质量减少 16 g
12.反应,在四种不同情况下用不同物质表示的反应速率分别如下,其中反应速率最大的是( )
A. B.
C. D.
13.一定温度下,向容积为的密闭容器中通入两种气体发生化学反应,反应中各物质的物质的量变化如图所示,对该反应的推断合理的是( )
A. 该反应的化学方程式为
B. 反应时,4
C. 后,
D. 0-时,的平均反应速率为
14.下列说法正确的是( )
A. 增大压强,活化分子百分数增大,化学反应速率一定增大
B. 增大反应物的物质的量,化学反应速率一定增大
C. 升高温度,使反应的活化能降低,化学反应速率一定增大
D. 使用正催化剂降低了反应的活化能,增大活化分子百分数,则增大化学反应速率
15.已知N2(g)+3H2(g)⇌2NH3(g) ΔH=-92.4 kJ·mol-1,下列说法正确的是( )
A. 0.5 molN2和1.5 molH2充分反应,则反应放出的热量为46.2 kJ
B. 当N2(g)和H2(g)的浓度之比为1:3时,可以判定反应处于平衡状态
C.在恒温恒容条件下进行该反应,当气体密度不变时,可以判定反应处于平衡状态
D.使用铁触媒催化剂,使反应速率提高,但不能提升平衡转化率
16.纳米铁是重要的储氢材料,可利用下列反应制得:Fe(s)+5CO(g)⇌Fe(CO)5(s) 。在2.0L的恒容密闭容器中加入足量铁粉和0.48mol CO分别在T1℃、T2℃下进行反应,测得 n(CO)、温度与时间的变化关系如图所示。下列叙述正确的是
A. >0
B. K(T1℃)<K(T2℃)
C. T2℃时,反应的平衡常数 K(T2℃)=0.08-5
D. T1℃时,反应达到平衡,缩小容器的容积再次平衡后c(CO)增大
二、非选择题(本题共4小题,共52分)
17.(1)23 g C2H6O(l)和一定量的氧气混合点燃,恰好完全反应,生成CO2(g)和H2O(l),放出683.5 kJ的热量。写出该反应的热化学方程式
_______________________________________________________________。
(2)白磷与氧气可发生如下反应:P4+5O2===P4O10。已知断裂下列化学键需要吸收的能量分别为:P—P a kJ·mol-1、P—O b kJ·mol-1、P===O c kJ·mol-1、O===O d kJ·mol-1。
根据图中的分子结构和有关数据估算P4(s)+5O2(g)===P4O10(s),ΔH=___________________ kJ·mol-
(3)在1200°C时,天然气脱硫工艺中会发生下列反应
H2S(g)+O2(g)=SO2(g)+H2O(g) ,ΔH1
2H2S(g)+SO2(g)=S2(g)+2H2O(g) , ΔH2
H2S(g)+O2(g)=S(g)+H2O(g) ,ΔH3
2S(g) =S2(g) △H4
则ΔH4=___________________ (用ΔH1、ΔH2、ΔH3表示)
(4)合成氨反应过程中的能量变化如图所示。回答下列问题:
该反应的______用、、、表示,、、、。
反应达到平衡时,升高温度,的转化率______。该反应过程______填“”或“”有催化剂参与。反应达到平衡时,加入催化剂,的转化率______。
18.回答下列问题
(1)如图1所示将铁棒和石墨棒插入盛有饱和NaCl溶液的U型管中。
①K1闭合,铁电极的反应为_____________________________________。
②K2闭合,铁棒不会被腐蚀,属于______________________保护法。
(2)氯碱工业为疫情防控提供了强有力的物质支撑。氯的许多化合物既是重要化工原料,又是高效、广谱的灭菌消毒剂。
①写出电解饱和食盐水的化学方程式__________________________________;氯气的逸出口是_______。
②该离子交换膜为_______(填“阴”或“阳”)离子交换膜。
③电解产生1molCl2,理论上阳极室减少的离子数为_______。
(3)乙醛酸是一种重要的化工中间体,可用如图所示的电化学装置合成。图中的双极膜中间层中的H2O电离为H+和OH-,并在直流电场作用下分别向两极迁移。
①阴极上的反应式为:_____________。
②双极膜中间层中的OH-在外电场作用下向_____________(填“铅”或“石墨”)电极方向迁移。
19.氮是地球上含量丰富的一种元素,氮及其化合物在工农业生产、生活中有着重要作用,合成氨工业在国民生产中有重要意义。以下是关于合成氨的有关问题,请回答:
(1)若在一个容积为2L的密闭容器中加入0.2mol的N2和0.6mol的H2,在一定条件下发生反应:N2(g)+3H2(g)2NH3(g) ΔH<0,若在5分钟时反应达到平衡,此时测得NH3的物质的量为0.2mol。则平衡时H2的转化率为________。
(2)平衡后,若要提高H2的转化率,可以采取的措施有________。
A. 加了催化剂 B. 增大容器体积
C. 降低反应体系的温度 D. 加入一定量N2
(3)若在2L的密闭容器中,一定量的氮气和氢气进行如下反应:N2(g)+3H2(g)2NH3(g) ΔH<0,其化学平衡常数K与温度T的关系如表所示:
T/℃ | 200 | 300 | 400 |
K | K1 | K2 | 0.5 |
请完成下列问题:
①试比较K1、K2的大小,K1________K2(填“<”、“>”或“=”)。
②下列各项能作为判断该反应达到化学平衡状态依据是________(填序号字母)。
A.容器内N2、H2、NH3的物质的量浓度之比为1∶3∶2 B.v(N2)正=3v(H2)逆
C.容器内压强保持不变 D.混合气体的密度保持不变
③400℃时,反应2NH3(g)N2(g)+3H2(g)的化学平衡常数为________。若某时刻测得NH3、N2和H2物质的量均为2mol时,则该时刻反应方向为:________(填“正反应方向”、“逆反应方向”或“不”)移动。
20.NaClO2是一种重要的杀菌消毒剂,也常用来漂白织物等,其一种生产工艺如下:
回答下列问题:
(1)NaClO2中Cl的化合价为________。NaClO2能杀菌消毒,主要是因为其具有_______性。
(2)写出“反应”步骤中生成ClO2的化学方程式____________________________________。写出一个能使该步骤反应速率提高的措施_______________________________。
(3)“电解”步骤中ClO2在_____极反应生成ClO2-,写出该电极反应__________________。
(4)“尾气吸收”步骤中吸收ClO2尾气时,H2O2的作用是_____________________。
(5)“有效氯含量”可用来衡量含氯消毒剂的消毒能力,其定义是:每克含氯消毒剂的氧化能力相当于多少克Cl2的氧化能力。NaClO2的有效氯含量为________。(计算结果保留两位小数)
泉州科技中学2022-2023学年高二上学期期中
化学考试 参考答案
一、选择题:(本题共16小题,每小题3分,共48分)
1 | 2 | 3 | 4 | 5 | 6 | 7 | 8 | 9 | 10 | 11 | 12 | 13 | 14 | 15 | 16 |
D | A | C | B | B | C | B | C | A | D | C | A | D | D | A | B |
二、非选择题(本题共4小题,共52分)
17.【13分】(1)C2H6O(l)+3O2(g)===2CO2(g)+3H2O(l) ΔH=-1367 kJ·mol-1 (2分)
(2)(2a+c-4b) kJ·mol-1 (2分)
(3)△H4=(△H1+△H2-3△H3) (2分)
(4) (2分) 降低 (2分) b (1分) 不变 (2分)
18.【13分】(1) ①. Fe-2e-=Fe2+ (2分) ②. 外加电流阴极 (2分)
(2) ①. 2NaCl+2H2O2NaOH+H2↑+Cl2↑ (2分) ②. a (1分)
③. 阳(1分) ④. 2NA(2分)
(3) ①. +2H++2e-=+H2O(2分) ②. 石墨(1分)
19.【12分】(1)50%(2分) (2)C、D(2分)
(3) ①. >(2分) ②. C(2分) ③. 2(2分) ④. 正反应方向(2分)
20.【14分】 (1)+3(1分) 氧化性(1分)
(2)2NaClO3+H2SO4+SO2===2NaHSO4+2ClO2(2分) 适当升温等合理答案均给分(2分)
(3)阴极(2分) ClO2+e- ===ClO2-(2分)
(4)作为还原剂,与ClO2反应生成NaClO2。(2分)
(5)1.57(2分)
福建省泉州科技中学2023-2024学年高二上学期11月测试化学试题含答案: 这是一份福建省泉州科技中学2023-2024学年高二上学期11月测试化学试题含答案,共12页。试卷主要包含了单选题,填空题等内容,欢迎下载使用。
福建省泉州科技中学2023-2024学年高二上学期期中考试化学试题含答案: 这是一份福建省泉州科技中学2023-2024学年高二上学期期中考试化学试题含答案,共11页。试卷主要包含了选择题,非选择题等内容,欢迎下载使用。
福建省泉州科技中学2021-2022学年高一上学期期中考试化学试题【试卷+答案】: 这是一份福建省泉州科技中学2021-2022学年高一上学期期中考试化学试题【试卷+答案】,共9页。试卷主要包含了5 Zn-65,下列物质分类的正确组合是,2L H2中含有的氢分子数为0,现有下列九种物质等内容,欢迎下载使用。

