【同步讲义】人教版化学九年级上册--1.03.1认识基本实验仪器(word讲义)
展开
课前引入
一、试管杨sir化学,侵权必究
仪器图示 |
| 用途 |
| (1)少量试剂的反应容器;(2)收集少量气体;(3)简易气体发生装置。 | |
| 使用时的注意事项及原因解释 | |
| (1)加热前应先__________,先_______后加热,防止_____________________。 (2)给液体加热,液体体积不超过试管容积的_______,防止___________________。 (3)加热液体时,管口应与水平成45°角,使______________;试管口朝向无人之处倾斜,防止______________。杨sir化学,侵权必究 (4)加热固体时,试管口______________,防止____________________________。 (5)用试管夹夹持试管时,应由试管_______套上、取下。 |
二、烧杯
仪器图示 |
| 用途 |
| (1)较多试剂的反应容器;(2)配制溶液。 | |
| 使用时的注意事项及原因解释 | |
| (1)加热要垫_________,防止____________________________。 (2)液体不超过容积的_______,防止加热时_____________________。杨sir化学,侵权必究 (3)溶解固体时,要轻轻搅拌,不碰烧杯壁,防止____________________。 |
三、酒精灯
仪器图示 |
| 用途 |
| 用于加热(温度可达400℃—500℃) | |
| 使用时的注意事项及原因解释 | |
| (1)酒精的量不超过容积的_____且不少于_____,酒精过多,加热或移动时__________;太少,酒精灯内酒精蒸气过多易引起________________。 (2)严禁用燃着的酒精灯点另一个酒精灯,防止酒精溢出被引燃。 (3)应用外焰加热,因为_______________。杨sir化学,侵权必究 (4)不加热时,应用灯帽盖灭,不可用嘴吹灭,防止酒精挥发和灯芯吸水而不易点燃,用嘴吹灭时可能导致“回火”。 杨sir化学,侵权必究 (5)不要碰倒酒精灯,万一洒出的酒精在桌上燃烧起来,不要惊慌,应立刻用_______铺盖。 |
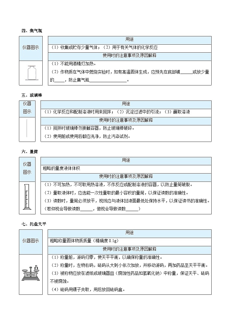
四、集气瓶
仪器图示 |
| 用途 |
| (1)收集或贮存少量气体;(2)用于有关气体的化学反应 | |
| 使用时的注意事项及原因解释 | |
| (1)不能用酒精灯加热。 (2)作物质在气体中燃烧实验时,如有高温固体生成,应预先在底部铺______或放少量的_____,防止集气瓶__________________。 |
五、玻璃棒
仪器图示 |
| 用途 |
| (1)化学反应和配制溶液时用来搅拌;(2)沉淀过滤中的引流;(3)蘸取溶液 | |
| 使用时的注意事项及原因解释 | |
| (1)搅拌时玻璃棒勿接触容器,防止玻璃棒破碎。杨sir化学,侵权必究 (2)使用前或使用后都应洗净,防止污染试剂。 |
六、量筒
仪器图示 |
| 用途 |
| 粗略的量度液体体积 | |
| 使用时的注意事项及原因解释 | |
| (1)不可加热,不可取用热溶液,不作反应或配制溶液的容器,以防止量筒破裂。 (2)量取液体时,应选能一次性量取的最小容积的量筒,以保证读数的准确性。 (3)读数时,量筒必须放平,视线应与液体凹液面最低处保持水平,以保证读书的准确性。(若仰视会导致读数______,俯视会导致读数______)杨sir化学,侵权必究 |
七、托盘天平
仪器图示 |
| 用途 |
| 粗略称量固体物质质量(精确度0.1g) | |
| 使用时的注意事项及原因解释 | |
| (1)称量前,游码归零,使天平平衡,以确保称量的准确性。杨sir化学,侵权必究 (2)称量时,左物右码,砝码从大到小依次加放,并移动游码,再加药品至天平平衡。 (3)被称物应放在滤纸或玻璃器皿(腐蚀性药品如氢氧化钠)中称量,保证天平、砝码不被腐蚀。杨sir化学,侵权必究 (4)砝码用镊子夹取,用后放回砝码盒。 |
八、铁架台
仪器图示 |
| 用途 |
| (1)固定和支持各种仪器;(2)常用过滤加热等操作 | |
| 使用时的注意事项及原因解释 | |
| 组装仪器时,按“___________,___________”的原则进行,以合理地连接好装置。杨sir化学,侵权必究 |
九、胶头滴管
仪器图示 |
| 用途 |
| (1)吸取和滴加少量液体;(2)滴瓶用于盛放液体药品 | |
| 使用时的注意事项及原因解释 | |
| (1)取液时,先将橡胶乳头内的空气挤出,再伸入液体,防止空气中物质污染试剂,并能吸取较多量液体。 (2)滴液时,滴管应垂直、悬空放在容器口正上方,防止___________或造成___________。 (3)使用后立即用水清洗滴管,防止试剂___________。 (4)取液后,保持橡胶乳头朝上,不要横放或倒置,防止_______________________。 (5)不要放在实验台或其它地方,以免沾污滴管。杨sir化学,侵权必究 |
十、其他常见仪器
广口瓶 | 细口瓶 | 烧瓶 | 锥形瓶 | 漏斗 | 长颈漏斗 | 试管夹 |
燃烧匙 | 镊子 | 蒸发皿 | 坩埚 | 坩埚钳 | 水槽 | 药匙 |
总结归纳——能加热的仪器
题型一:实验室常见仪器的用途
【例1】实验室需取用铜片,通常应使用图中所示的仪器是杨sir化学,侵权必究
A. B. C. D.
【例2】下列关于托盘天平的使用不正确的是
A. 称取药品时,药品不能直接放在托盘上
B. 称取指定质量的药品时,应先加药品,后加砝码并移动游码至天平平衡
C. 称量时观察到指针停在分度盘中央或左右摆动幅度相等时,可认为天平已平衡
D. 天平使用完毕,应在天平托盘架下套上橡胶垫
【例3】下列化学仪器对应的名称正确的是
A. 燃烧匙 B. 分液箱斗 C. 试管夹 D. 烧杆
【例4】下列有关胶头滴管的使用正确的是( )
A. 取液时挤入空气 B. 将滴管横放在桌面
C. 用自来水冲洗过的滴管放回滴瓶 D. 用滴管滴加液体
【例5】小明用量筒量取液体时视线与凹液面的最低处相平读数为8mL;倒出一部分液体后,俯视读数为3mL,实际倒出的液体体积
A. 小于5mL B. 大于5mL C. 等于5mL D. 不能确定
【例6】取用粉末状固体化学药品时,应使用的仪器是( )
A. 滴管 B. 研钵 C. 药匙 D. 镊子
题型二:仪器的加热
【例7】下列仪器加热时应垫上石棉网的仪器是( )
A. 试管 B. 烧杯 C. 燃烧匙 D. 蒸发皿
【例8】下列仪器,既能做反应容器又能直接加热的是
A. 烧杯 B. 集气瓶 C. 锥形瓶 D. 试管
【例9】下列给试管中的液体加热时的操作错误的是
A. 在加热前擦拭干试管外壁的水
B. 液体不能超过试管容积的1/3杨sir化学,侵权必究
C. 试管口不能对着有人的方向
D. 可手持试管给液体加热
【例10】写出如图中不能用于直接加热的仪器名称____。
【例11】从如图仪器中选择适当的仪器,用仪器名称回答问题:加热时可在火焰上直接加热的仪器有________,对物质加热时用________提供热能,移取少量液体的仪器是________,量取液体的仪器是________.
【例12】给试管中的液体加热时必须注意:
①试管中的液体的量一般不超过试管容积的______。
②试管外的水要_____。杨sir化学,侵权必究
③用试管夹夹持试管时,应夹在距离试管口_____处,手握试管夹的长柄。
④加热时试管口不能对人,要先____,再对液体的_____加热。
⑤热的试管不能立刻用冷水冲洗。
⑥试管与桌面约成____,并用外焰加热。
直击中考杨sir化学,侵权必究
1.(2022·湖北随州·中考真题)下列化学仪器名称为“量筒”的是
A. B.
C. D.
2.(2021·浙江杭州·中考真题)以下是进行木炭在氧气中燃烧实验的示意图,有关实验仪器名称的判断,错误的是
A.a是试管夹
B.b是酒精灯
C.c是集气瓶
D.d是烧杯
3.(2020·贵州黔西·中考真题)在下列仪器中,可用于配制溶液、加热较多量液体及反应容器的是
A.试管 B.烧杯 C.集气瓶 D.量筒
4.(2019·山东淄博·中考真题)下列化学仪器对应的名称书写正确的是
A.长劲漏斗 B.电子称
C.坩埚钳 D.椎形瓶
5.(2019·江苏苏州·中考真题)下列仪器对应的名称正确的是( )杨sir化学,侵权必究
A.长颈漏斗 B.试管夹 C.滴瓶 D.蒸发皿
6.(2018·江苏常州·中考真题)下列化学仪器需垫加石棉网才能用酒精灯加热的是
A.烧杯 B.试管 C.蒸发皿 D.燃烧匙
7.(2022·江西·中考真题)下列能用于加热的仪器是
A. B. C. D.
8.(2021·北京·中考真题)下列仪器不能加热的是
A.烧杯 B.试管 C.量筒 D.燃烧匙
9.(2018·四川凉山·中考真题)下列是实验室常见的化学仪器:
(1)a的名称为_____;
(2)f的名称为_____。
1.下面是实验室常见的玻璃仪器,其中能够在酒精灯上直接加热的是
A. B.
C. D.
2.下列仪器与其用途的对应关系,正确的是
A.量筒——配制溶液 B.烧杯——贮存气体
C.长颈漏斗——过滤 D.胶头滴管——滴加少量液体杨sir化学,侵权必究
3.下列实验操作中正确的是
A.把胶头滴管伸入试管中滴加液体
B.在托盘天平上直接称量固体物质
C.用药匙或纸槽把粉末状药品送入试管底部
D.在量筒里配制溶液
4.下列关于药品的取用正确的是
A.为了节约药品,用剩的药品应放回原试剂瓶
B.为了获得感性认识,可触摸药品或尝药品的味道
C.为了能看到标签,倾倒液体时,标签不能向着手心
D.为了安全实验,药液溅进眼睛,不能用纸巾擦拭
5.下图所示仪器没有经过磨砂处理的是
A.集气瓶 B.滴瓶
C.广口瓶 D.烧杯
6.规范的实验操作是完成实验的基本保障。下列操作正确的是
A. B. C. D.
7.某学生量取液体,视线与液体凹液面的最低处保持水平,读数为30mL,将液体倒出一部分后,仰视读数为20mL,则该同学实际倒出的液体体积为
A.大于10mL B.小于10mL C.等于10mL D.无法确定
8.请根据实验要求,合理选择下列仪器并填写仪器的字母和名称:
(1)用来夹持试管的仪器是______;
(2)可以直接加热的仪器是______;
(3)用作量度一定量液体体积的仪器是______;
(4)用于作热源的仪器是______;
(5)用于收集或储存气体的仪器是______;杨sir化学,侵权必究
(6)用作较大量试剂的反应容器是______;
(7)取用粉末状固体药品的仪器是______。
9.生活中,有许多物品的使用与实验室中仪器的作用相似,请将相作用相似的仪器名称填写相应的位置。
生活物品 | 物品的作用 | 作用相似的仪器名称 |
酒瓶 | 盛放白酒 | __________ |
洗脸盆 | 盛放清水 | __________ |
两根筷子 | 夹取盘中的青菜 | __________ |
一根筷子 | 水中放入白糖,搅拌 | __________ |
10.请你分析下列图示的操作可导致的后果:
(1)____________ ;
(2)_____
【同步讲义】人教版化学九年级上册--4.04.1 化学式(word讲义): 这是一份【同步讲义】人教版化学九年级上册--4.04.1 化学式(word讲义),文件包含同步讲义人教版化学九年级上册--4041化学式学生版docx、同步讲义人教版化学九年级上册--4041化学式教师版docx等2份试卷配套教学资源,其中试卷共19页, 欢迎下载使用。
化学九年级上册课题3 水的组成精品课时作业: 这是一份化学九年级上册课题3 水的组成精品课时作业,文件包含同步讲义人教版化学九年级上册--403水的组成学生版docx、同步讲义人教版化学九年级上册--403水的组成教师版docx等2份试卷配套教学资源,其中试卷共38页, 欢迎下载使用。
化学九年级上册课题2 水的净化优秀练习题: 这是一份化学九年级上册课题2 水的净化优秀练习题,文件包含同步讲义人教版化学九年级上册--402水的净化学生版docx、同步讲义人教版化学九年级上册--402水的净化教师版docx等2份试卷配套教学资源,其中试卷共37页, 欢迎下载使用。

