所属成套资源:2022新版新人教版八年级物理下册全一册课后习题(打包39套)
初中9.1 压强同步达标检测题
展开
这是一份初中9.1 压强同步达标检测题,共6页。试卷主要包含了选择题,填空题,实验题,计算题等内容,欢迎下载使用。
第九章测评(B)(时间:45分钟 满分:100分)一、选择题(本大题共8小题,每小题4分,共32分)1.在日常生活和生产中,有时需要增大压强,有时需要减小压强。下列四图中为了减小压强的是( )
2.如图所示,在平静的湖中,下列哪处水的压强最小(ρ水=1 g/cm3)( )
A.a B.b C.c D.d3.在无风的天气,汽车在马路上快速驶过以后,马路两边的树叶会随风飘动,如图所示,汽车向左行驶,马路两边的树叶会沿着A、B、C哪一个方向飘动( )
A.向A方向飘动 B.向B方向飘动C.向C方向飘动 D.条件不足,无法判断4.如图所示,桌面上是两个完全相同的圆柱形平底杯子,里面分别盛有质量相等的水和酒精,A、B两点到杯子底部的距离相等。已知水的密度ρ水=1.0×103 kg/m3,酒精的密度ρ酒精=0.8×103 kg/m3,则A、B两点的压强pA、pB的大小关系是( )
A.pA>pB B.pA<pBC.pA=pB D.无法确定5.(多选)下图为托里拆利实验的装置图,下列表述正确的是( )
A.将玻璃管稍微倾斜,管内外水银面高度差将不变B.将玻璃管稍微向上提起但没有离开液面,管内外水银面高度差将变大C.向槽中继续注入少量水银,管内外水银面高度差将变小D.换用更粗一些的等长玻璃管,管内外水银面高度差将不变6.右图是甲、乙两种物质的质量和体积的关系图像。若用质量相等的甲、乙两种物质分别制成等高的实心圆柱体A、B,把它们并排竖放在水平地面上,则两圆柱体A、B对水平地面的压强之比为( )
A.8∶1 B.4∶3 C.4∶1 D.1∶27.下述事例中,应用了“流体压强与流速的关系”知识的是( )A.树上的苹果落向地面B.老鹰在空中滑翔C.汽车刹车时,人向前倾D.用手拍打桌面时手感觉疼8.生活中蕴含着丰富的物理知识,以下说法正确的是( )①用细线容易分割熟鸡蛋利用了细线产生的较大的压强②堵住茶壶盖的小孔,水不容易被倒出是由于大气压强的作用③软包装饮料的吸管下端被削得很尖是为了减小压强④教室的门窗打开时,“过堂风”会把门关闭是由于空气流速变大,压强变小A.①②③ B.①③④ C.②③④ D.①②④二、填空题(每空4分,共24分)9.星期天小明和小慧到开发区减河湿地去玩,他们踩在软绵绵的沙滩上,留下一串串脚印。小明对小慧说:“我的体重是50 kg,每只脚与沙滩的接触面积是200 cm2,当我在水平沙滩上行走时,对沙滩的压力是 N,压强是 Pa。”(g取 10 N/kg) 10.将一未装满饮料的密闭饮料杯,先正立放置在水平桌面上,如图甲所示,饮料杯对水平桌面的压强是p1,饮料对杯底的压力是F1;再将饮料杯倒立放置,如图乙所示(图中没有画出饮料液面的位置),饮料杯对水平桌面的压强是p2,饮料对杯底的压力是F2,则p1 p2,F1 F2。(均选填“>”“<”或“=”)
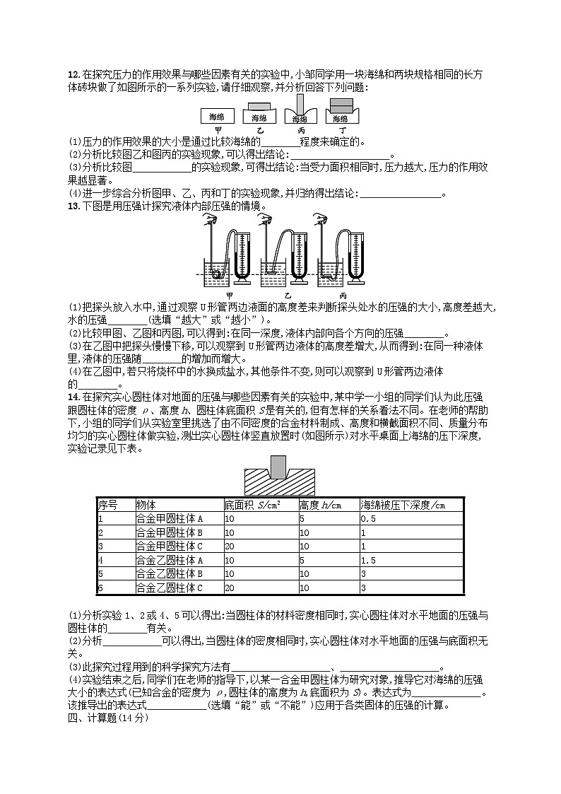
11.在水杯中加半杯水,将一根吸管分别插入水中不同深度,用嘴吹气,使水下冒气泡,深度越深,吹气越难,这种现象说明液体的压强随着深度的增加而 ;用吸管可以将杯中的水吸到嘴里,这是由于 的作用。 三、实验题(每题10分,共30分)12.在探究压力的作用效果与哪些因素有关的实验中,小邹同学用一块海绵和两块规格相同的长方体砖块做了如图所示的一系列实验,请仔细观察,并分析回答下列问题:
(1)压力的作用效果的大小是通过比较海绵的 程度来确定的。 (2)分析比较图乙和图丙的实验现象,可以得出结论: 。 (3)分析比较图 的实验现象,可得出结论:当受力面积相同时,压力越大,压力的作用效果越显著。 (4)进一步综合分析图甲、乙、丙和丁的实验现象,并归纳得出结论: 。 13.下图是用压强计探究液体内部压强的情境。
(1)把探头放入水中,通过观察U形管两边液面的高度差来判断探头处水的压强的大小,高度差越大,水的压强 (选填“越大”或“越小”)。 (2)比较甲图、乙图和丙图,可以得到:在同一深度,液体内部向各个方向的压强 。 (3)在乙图中把探头慢慢下移,可以观察到U形管两边液体的高度差增大,从而得到:在同一种液体里,液体的压强随 的增加而增大。 (4)在乙图中,若只将烧杯中的水换成盐水,其他条件不变,则可以观察到U形管两边液体的 。 14.在探究实心圆柱体对地面的压强与哪些因素有关的实验中,某中学一小组的同学们认为此压强跟圆柱体的密度ρ、高度h、圆柱体底面积S是有关的,但有怎样的关系看法不同。在老师的帮助下,小组的同学们从实验室里挑选了由不同密度的合金材料制成、高度和横截面积不同、质量分布均匀的实心圆柱体做实验,测出实心圆柱体竖直放置时(如图所示)对水平桌面上海绵的压下深度,实验记录见下表。
序号物体底面积S/cm2高度h/cm海绵被压下深度/cm1合金甲圆柱体A1050.52合金甲圆柱体B101013合金甲圆柱体C201014合金乙圆柱体A1051.55合金乙圆柱体B101036合金乙圆柱体C20103 (1)分析实验1、2或4、5可以得出:当圆柱体的材料密度相同时,实心圆柱体对水平地面的压强与圆柱体的 有关。 (2)分析 可以得出,当圆柱体的密度相同时,实心圆柱体对水平地面的压强与底面积无关。 (3)此探究过程用到的科学探究方法有 、 。 (4)实验结束之后,同学们在老师的指导下,以某一合金甲圆柱体为研究对象,推导它对海绵的压强大小的表达式(已知合金的密度为ρ,圆柱体的高度为h,底面积为S)。表达式为 。该推导出的表达式 (选填“能”或“不能”)应用于各类固体的压强的计算。 四、计算题(14分)15.如图所示,置于水平桌面上的容器,底面积为200 cm2,未装水时的质量为0.2 kg。容器盛水后水面的高度为15 cm,容器对桌面的压强为1.1×103 Pa,(已知ρ水=1.0×103 kg/m3,g取10 N/kg,忽略容器壁的厚度)求:
(1)水对容器底部的压强;(2)水对容器底的压力;(3)水对容器向上的压力。
第九章测评(B)1.C 解析冰鞋上装有冰刀、飞镖的箭头很尖都是通过减小受力面积,从而增大压强,选项A和B错误;载重汽车装有许多车轮是通过增大受力面积而减小对地面的压强,选项C正确;压路机的碾子质量很大,对路面的压力很大,可增大对路面的压强,选项D错误。2.A 解析深度是指某点到液面的竖直距离,则由题图可知a点的深度最小,根据公式p=ρgh可知,a处水的压强最小。3.A 解析因为快速行驶的汽车使得马路中间的空气流速大,压强小;马路两边的空气流速小,压强大。所以两边的气压大于马路中央的气压,树叶向马路中央运动。故选A。4.B 解析由题图可知,A、B两点的液面在同一直线上,分析可知,A、B两点所在液面上方的所装液体,水的重力小于酒精的重力,容器为相同的圆柱形,根据p=
可知,pA<pB。5.AD 解析在托里拆利实验中,由于玻璃管内外水银面高度差所产生的压强等于外界大气压,只要外界大气压不变,管内外水银面高度差就不变,与玻璃管的粗细、倾斜程度、槽中水银的多少无关,所以正确的选项是A、D。6.A 解析由题图可知,ρA=
=8g/cm3,ρB=
=1g/cm3;圆柱体对水平地面的压强p=
=ρgh,即两圆柱体A、B对水平地面的压强之比pA∶pB=ρA∶ρB=8∶1,故正确的选项是A。7.B 解析树上的苹果落向地面是由于受重力作用,故A错误;老鹰在空中滑翔时,因为翅膀上方空气流速较大,上方压强较小,翅膀下方空气流速较小,下方压强较大,从而产生向上的升力,故B正确;汽车刹车时,人向前倾是由于人具有惯性,故C错误;用手拍打桌面时手感觉疼,因为物体间力的作用是相互的,故D错误。8.D 解析用细线容易分割熟鸡蛋是在压力一定时,通过减小受力面积来增大压强的,故①正确;堵住茶壶盖的小孔,当壶内的水流出部分后,壶内气压减小,小于外界大气压,大气压压着里面的水不易流出来,故②正确;软包装饮料的吸管下端被削得很尖,是在压力一定时,通过减小受力面积来增大压强的,故③错误;教室的门窗打开后有“过堂风”经过时,门外空气流速大、压强小,门内空气流速小、压强大,在压强差的作用下门被关闭,故④正确。9.解析人行走时对沙滩的压力F=G=mg=50kg×10N/kg=500N人行走时对沙滩的压强p=
=2.5×104Pa。答案500 2.5×10410.解析由题图可知,正放时,杯中饮料的深度较大,根据p=ρgh可知,正放时饮料对杯底的压强较大,即p1>p2。正放时,杯中的饮料柱是上粗下细的,一部分饮料压的是杯壁,所以杯底受到的压力小于杯中液体的重力;倒放时,杯中的饮料柱下粗上细,所以杯底受到的压力大于饮料的重力,因此F1<F2。答案> <11.解析由于液体内部压强随着深度的增加而增大,故将一根吸管分别插入水中不同的深度,水越深,吹气越难。吸水时,吸管内空气变少,气压变小,杯中水面的气压大于吸管中的气压,所以水在外界大气压的作用下被压入吸管中。答案增大 大气压12.解析海绵受力后形状容易改变,其凹陷程度能够反映压力的作用效果;图乙与图丙实验中砖对海绵的压力相同,受力面积不同,压力的作用效果不同,说明压力的作用效果与受力面积有关;图乙、丁中海绵的受力面积相等,而压力不等,压力较大的丁图中海绵凹陷得深,说明压力的作用效果明显,从而得出压力的作用效果与压力大小有关。答案(1)凹陷(2)当压力相同时,受力面积越小,压力的作用效果越显著(3)乙和丁(4)压力的作用效果与压力的大小和受力面积的大小有关,压力越大,受力面积越小,压力的作用效果越显著13.解析(1)把水的内部压强的大小转换成U形管两边液面高度差的大小来判断,液面高度差越大,表示水内部的压强越大。(2)比较甲图、乙图和丙图,控制液体密度和深度不变,改变探头的方向,U形管两侧的液面高度差相等。可以得到:在同一深度,液体内部向各个方向的压强相等。(3)在乙图中把探头慢慢下移,控制液体的密度不变,改变深度,可以观察到U形管两边液体的高度差增大,得到:在同一种液体里,液体的压强随深度的增加而增大。(4)在乙图中,若只将烧杯中的水换成盐水,其他条件不变,控制深度不变,把水换成盐水,密度变大,则可以观察到U形管两边液体的高度差变大。答案(1)越大 (2)相等 (3)深度 (4)高度差变大14.解析(1)分析实验1、2或4、5,圆柱体的材料密度相同,高度不同,对水平面的压强不同,故可得出结论:当圆柱体的材料密度相同时,实心圆柱体对水平地面的压强与圆柱体的高度有关。(2)当圆柱体的密度相同时,实心圆柱体对水平地面的压强与底面积无关,要求圆柱体的密度相同,对水平面的压强也相同,而底面积必须不同,故序号2、3或5、6符合要求。(3)在探究多个因素对压强的影响时,运用了控制变量法来研究某一因素的影响,还利用转换法——用海绵被压下的深度表示压力的作用效果。(4)已知合金的密度为ρ,圆柱体的高度为h,底面积为S,由压强的公式推导过程为p=
=ρgh。从推导过程可以看出p=ρgh这一公式只适用于质量分布均匀的实心柱状物体,不能应用于其他类固体(如质量分布不均匀,非柱状物体等)的压强的计算。答案(1)高度 (2)2、3或5、6 (3)控制变量法 转换法 (4)p=ρgh 不能15.解析(1)水对容器底部的压强p=ρgh=1.0×103kg/m3×10N/kg×0.15m=1500Pa。(2)根据p=
可得,水对容器底的压力F=pS=1500Pa×2×10-2m2=30N。(3)容器的重力G容=0.2kg×10N/kg=2N,根据p=
可得,容器对桌面的压力F'=p'S=1.1×103Pa×2×10-2m2=22N,容器置于水平桌面上,则容器和水的重力G总=F'=22N,故水的重力G水=G总-G容=22N-2N=20N,所以水对容器向上的压力F″=F-G水=30N-20N=10N。答案(1)1 500 Pa (2)30 N (3)10 N
相关试卷
这是一份物理人教版第十一章 功和机械能11.1 功同步练习题,共5页。试卷主要包含了选择题,填空题,实验探究题,计算题等内容,欢迎下载使用。
这是一份八年级下册9.1 压强当堂达标检测题,共5页。试卷主要包含了选择题,填空题,简答题,实验探究题,计算题等内容,欢迎下载使用。
这是一份人教版八年级下册9.1 压强巩固练习,共4页。试卷主要包含了右图为高度相同的实心铁质圆柱体,25 2×10-3等内容,欢迎下载使用。

