2024年高考物理一轮复习(新人教版) 第6章 实验7 验证机械能守恒定律
展开1.(2023·黑龙江双鸭山市第一中学高三检测)做验证机械能守恒的实验时,学生按照图甲组装好装置,把打点计时器接在频率为50 Hz的交流电源上,反复做了很多次,最终仅选出4条点迹清晰的纸带.测量纸带起始两点距离时,学生用手机正对纸带与测量的刻度尺拍照,把照片放大到正常尺寸的10倍,测出了精度更高的数据,分别是:①1.50 mm,②2.00 mm,③1.92 mm,④2.49 mm,为了选出最理想的一条纸带,学生查询得到当地重力加速度g=9.80 m/s2,通过推算,他们选择了编号为______________的纸带进行研究.
在选出的纸带上,0是打下的第一个点,在后面选取了3个连续的点,标上n-1、n、n+1,测得它们与0点的距离如图乙所示.则从打下“0”点到打下第“n”点的过程中质量m=1 kg的重锤动能的增加量ΔEk=________ J,重锤重力势能的减少量ΔEp=________ J,重锤下落的实际加速度a=__________ m/s2,a≠g的原因是________________________________.(结果均保留3位有效数字)
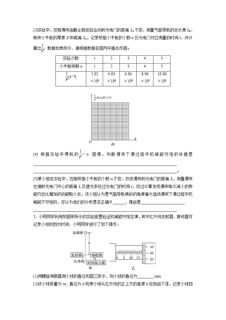
2.(2023·江苏南通市通州区联考)图甲是验证机械能守恒定律的装置,气垫导轨上A处安装有一光电门,B处放置一滑块,滑块中央位置上固定一遮光条,气垫导轨的右端用若干块厚度相同的小木板垫起,重力加速度为g.
(1)用游标卡尺测得遮光条的宽度如图乙,则遮光条的宽度d为________ mm;
(2)某次实验,滑块由静止释放,下落高度为h时遮光条经过光电门,光电门测得遮光时间为t,若要验证滑块在下滑过程中机械能守恒,即需要验证等式__________成立(用题中所给物理量的符号表示);
(3)实验中,控制滑块由静止释放且运动到光电门的距离L1不变,测量气垫导轨的总长度L0、每块小木板的厚度D和距离L1,记录所垫小木板的个数n及光电门对应测量的时间t,并计算出,数据如表所示.请根据数据在图丙中描点作图;
实验次数 | 1 | 2 | 3 | 4 | 5 |
小木板块数n | 1 | 2 | 3 | 4 | 5 |
(s-2) | 2.02 ×104 | 4.03 ×104 | 6.04 ×104 | 8.04 ×104 | 10.06 ×104 |
(4)根据实验中得到的-n图像,判断滑块下滑过程中机械能守恒的依据是________________________________________________________________________
________________________________________________________________________;
(5)某小组在实验中,控制所垫小木板的个数n不变,改变滑块到光电门的距离L,测量滑块左端到光电门中心的距离L及遮光条经过光电门的时间t,经过计算发现滑块每次减小的势能均总比增加的动能略小点,该小组认为是气垫导轨倾斜的角度偏大造成滑块下滑过程中机械能不守恒的.你认为他们的分析是否正确?______,理由是______________________
________________________________________________________________________.
3.小明同学利用如图甲所示的实验装置验证机械能守恒定律,其中红外线发射器、接收器可记录小球的挡光时间.小明同学进行了如下操作:
(1)用螺旋测微器测小球的直径如图乙所示,则小球的直径为________ mm.
(2)该小球质量为m、直径为d.现使小球从红外线的正上方的高度h处自由下落,记录小球挡光时间t,已知重力加速度为g,则小球下落过程中动能增加量的表达式ΔEp=________________;重力势能减少量的表达式ΔEp=____________(均用所给字母表示).
(3)改变小球下落高度h,多次重复实验,发现小球动能的增加量总是小于重力势能的减少量,你认为可能的原因是_____________________________________________________(至少写出一条).
4.某同学利用如图甲所示的装置“验证机械能守恒定律”,其中是四分之一圆弧轨道,O点为圆心,半径为L,圆弧的最低点A与水平面之间的高度为H.实验时将一可看作质点的小球从圆弧上某点由静止释放,量出此时小球与圆心连线偏离竖直方向的角度θ.当小球滑到圆弧最低点A时将水平抛出,用刻度尺测出小球平抛的水平距离s.忽略所有摩擦及阻力,当地重力加速度为g,试分析下列问题:
(1)小球在A点时的水平速度为v=________(用题给字母表示).
(2)保持其他条件不变,只改变θ角,得到不同的s值,以s2为纵坐标,以cos θ为横坐标作图,如图乙中的图线a所示.另一同学重复此实验,得到的s2-cos θ图线如图乙中的图线b所示,两图线不重合的原因可能是________.
A.两同学选择的小球质量不同
B.圆弧轨道的半径L不同
C.圆弧的最低点A与水平面之间的高度H不同
5.(2022·广东卷·11)某实验小组为测量小球从某一高度释放,与某种橡胶材料碰撞导致的机械能损失,设计了如图(a)所示的装置,实验过程如下:
(1)让小球从某一高度由静止释放,与水平放置的橡胶材料碰撞后竖直反弹.调节光电门位置,使小球从光电门正上方释放后,在下落和反弹过程中均可通过光电门.
(2)用螺旋测微器测量小球的直径,示数如图(b)所示,小球直径d=______________ mm.
(3)测量时,应__________(选填“A”或“B”,其中A为“先释放小球,后接通数字计时器”,B为“先接通数字计时器,后释放小球”).记录小球第一次和第二次通过光电门的遮光时间t1和t2.
(4)计算小球通过光电门的速度,已知小球的质量为m,可得小球与橡胶材料碰撞导致的机械能损失ΔE=________________________(用字母m、d、t1和t2表示).
(5)若适当调高光电门的高度,将会______(选填“增大”或“减小”)因空气阻力引起的测量误差.
6.用如图甲所示的实验装置验证m1、m2组成的系统机械能守恒.m2从高处由静止开始下落,m1上拖着的纸带打出一系列的点,对纸带上的点迹进行测量,即可验证机械能守恒定律.图乙给出的是实验中获取的一条纸带,0是打下的第一个点,每相邻两计数点间还有4个点(图中未标出),所用电源的频率为50 Hz.已知m1=50 g、m2=150 g.则:(结果均保留两位有效数字)
(1)在纸带上打下计数点5时的速度v5=____ m/s;
(2)在打下0点到打下计数点5的过程中系统动能的增加量ΔEk=________ J,系统重力势能的减少量ΔEp=________ J;(当地的重力加速度g取10 m/s2)
(3)若某同学作出v2-h图像如图丙所示,则当地的重力加速度g=________ m/s2.
7.某实验小组利用铁架台、弹簧、钩码、打点计时器、刻度尺等器材验证系统机械能守恒定律,实验装置如图甲所示.弹簧的劲度系数为k,原长为L0,钩码的质量为m.已知弹簧的弹性势能表达式为E=kx2,其中k为弹簧的劲度系数,x为弹簧的形变量,当地的重力加速度大小为g.
(1)在弹性限度内将钩码缓慢下拉至某一位置,测得此时弹簧的长度为L.接通打点计时器电源.从静止释放钩码,弹簧收缩,得到了一条点迹清晰的纸带.钩码加速上升阶段的部分纸带如图乙所示,纸带上相邻两点之间的时间间隔均为T(在误差允许范围内,认为释放钩码的同时打出A点).从打出A点到打出F点时间内,弹簧的弹性势能减少量为________________________,钩码的动能增加量为________________,钩码的重力势能增加量为________________.
(2)利用计算机软件对实验数据进行处理,得到弹簧弹性势能减少量、钩码的机械能增加量分别与钩码上升高度h的关系,如图丙所示.由图丙可知,随着h增加,两条曲线在纵向的间隔逐渐变大,主要原因是_______________________________________________________
_____________________________________________________________________________.
江苏版高考物理一轮复习第5章实验7验证机械能守恒定律课件: 这是一份江苏版高考物理一轮复习第5章实验7验证机械能守恒定律课件,共58页。PPT课件主要包含了实验储备·一览清,实验类型·全突破等内容,欢迎下载使用。
高考物理一轮复习第5章实验7验证机械能守恒定律课件: 这是一份高考物理一轮复习第5章实验7验证机械能守恒定律课件,共38页。PPT课件主要包含了实验储备·一览清,实验类型·全突破,答案BCD,答案A,答案C等内容,欢迎下载使用。
新高考物理一轮复习课件 第6章 实验7 验证机械能守恒定律: 这是一份新高考物理一轮复习课件 第6章 实验7 验证机械能守恒定律,共60页。PPT课件主要包含了高考物理一轮复习策略,第六章机械能,内容索引,实验技能储备,考点一教材原型实验,考点二探索创新实验,课时精练,重力势能的减少量,刻度尺,打点计时器等内容,欢迎下载使用。

