九物上(RJ)第十五章 15.5 第5节 串、并联电路中电流的规律 PPT课件+教案
展开第5节 串、并联电路中电流的规律
知识目标
知识要点 | 课标要求 |
1.串联电路电流的测量 | 会正确使用电流表测量串联电路的电流;在探究串联电路的电流规律的过程中,体验科学探究的步骤、科学探究的方法和态度。 |
2.串联电路中电流规律应用 | 会利用串联电路中电流的规律来分析相关的问题 |
3.并联电路电流的测量 | 会正确使用电流表测量并联电路的电流;在探究并联电路的电流规律的过程中,体验科学探究的步骤、科学探究的方法和态度。 |
4.并联电路中电流规律应用 | 会运用并联电路中电流的规律来分析相关的问题 |
情景导入
出示课件,展示节日彩灯工作时的情景(接入型号不同的小彩灯),学生观察到这一串彩灯每一个小灯泡的亮暗程度有些不相同,质疑,它们串联在电路中,亮暗不同,那么通过的电流是否相同?学生猜想?在学生的猜测和质疑中导入新课。
合作探究
探究点一 串联电路中电流的测量
1.提出问题:让学生结合导课时的问题,猜想串联电路中电流到底有什么样的关系?
2.猜想或假设:学生纷纷提出自己的猜想,教师将各种猜想分类板书到黑板上。一般学生会根据自己的知识基础提出下列猜想:
小组1:因为我们的串联在电路中灯泡不一样亮,我们猜想串联电路电流应该不相等。
小组2:我们猜想串联电路中电流从正极出发越来越小。因为在电源的外部电流的方向是从电源的正极出发,流经用电器,回到电源的负极。
小组3:我们猜想串联电路电流从负极往正极越来越小。因为我们的灯泡靠近负极的比较亮。
小组4:我们猜想串联电路电流靠近电源两极比较大,中间比较小。因为我们的两只灯泡一开始靠近负极的比较亮,把它们互换位置后,靠近正极的又比较亮。
小组5:我们猜想串联电路电流从正极往负极越来越小。因为我们的灯泡靠近正极的比较亮。
小组6:我们猜想串联电路中电流从正极出发越来越小。电流每经过一个小灯泡就消耗了一部分电能,回到负极时就小了。
归纳总结:
3.设计实验:前面大家有了猜想,讨论一下应该如何设计实验才能证实我们的猜想,各小组给出自己的设计方案。
归纳总结:
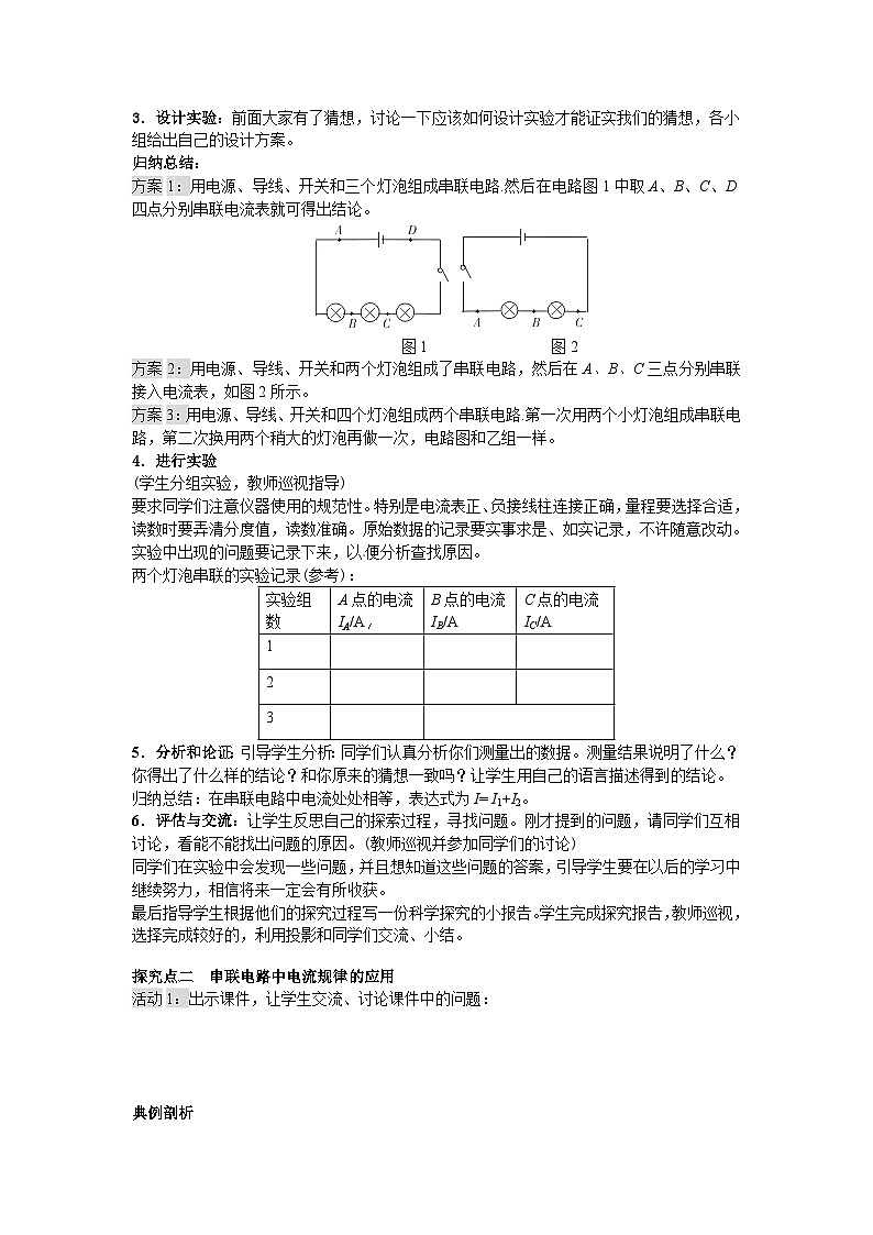
方案1:用电源、导线、开关和三个灯泡组成串联电路.然后在电路图1中取A、B、C、D四点分别串联电流表就可得出结论。
图1 图2
方案2:用电源、导线、开关和两个灯泡组成了串联电路,然后在A、B、C三点分别串联接入电流表,如图2所示。
方案3:用电源、导线、开关和四个灯泡组成两个串联电路.第一次用两个小灯泡组成串联电路,第二次换用两个稍大的灯泡再做一次,电路图和乙组一样。
4.进行实验
(学生分组实验,教师巡视指导)
要求同学们注意仪器使用的规范性。特别是电流表正、负接线柱连接正确,量程要选择合适,读数时要弄清分度值,读数准确。原始数据的记录要实事求是、如实记录,不许随意改动。实验中出现的问题要记录下来,以便分析查找原因。
两个灯泡串联的实验记录(参考):
实验组数 | A点的电流IA/A/ | B点的电流IB/A | C点的电流IC/A |
1 |
|
|
|
2 |
|
|
|
3 |
|
|
|
5.分析和论证:引导学生分析:同学们认真分析你们测量出的数据。测量结果说明了什么?你得出了什么样的结论?和你原来的猜想一致吗?让学生用自己的语言描述得到的结论。
归纳总结:在串联电路中电流处处相等,表达式为I= I1+I2。
6.评估与交流:让学生反思自己的探索过程,寻找问题。刚才提到的问题,请同学们互相讨论,看能不能找出问题的原因。(教师巡视并参加同学们的讨论)
同学们在实验中会发现一些问题,并且想知道这些问题的答案,引导学生要在以后的学习中继续努力,相信将来一定会有所收获。
最后指导学生根据他们的探究过程写一份科学探究的小报告。学生完成探究报告,教师巡视,选择完成较好的,利用投影和同学们交流、小结。
探究点二 串联电路中电流规律的应用
活动1:出示课件,让学生交流、讨论课件中的问题:
典例剖析
小燕在饭店过圣诞节的时候,看到一组串联的节日小彩灯,测得电源插头处的电流如图所示,则通过每盏小灯泡的电流是多大?
【点拨】节日小彩灯是串联的,由图2所示电流表确定电流表的量程与分度值,读出电流表示数.再由因为小彩灯串联,而串联电路处处电流相等,因此可以得出通过每盏小灯泡的电流值.
【自主解答】
问题导入
出示甲电路图,让学生说出串联电路中电流的规律,再出示乙电路图,让学生猜想一下在这一个电路中,电流的规律是怎样的?让学生带着问题进入今天的新课。
探究点三 并联电路中电流的规律
问题情景:我们已经知道探究问题的一般方法:提出问题——猜想或假设——设计实验——进行实验——分析和论证——评估与交流。而且得出了在串联电路中电流的规律:串联电路中电流处处相等。那么在并联电路中各处电流存在什么规律呢?按照探究问题的一般方法,写出探究报告。(学生根据课本上的提示,进行实验并填写探究报告,教师巡视指导,指导有困难的小组进行规范操作)
1.提出问题:并联电路中干路中的总电流与通过各个支路的电流有什么关系?
2.猜想或假设
猜想1:与串联时相同,干路电流等于各支路电流。
猜想2:看起来干路电流分配给两条支路,两支路电流的和应等于干路电流。
猜想3:如果灯泡不一样,两支路电流的和会超过干路电流。
3.设计实验:同学们仿照串联电路中电流的设计,对以上猜想设计一下实验.
方案1:用电池、导线、一个开关、两个灯泡组成并联电路.然后在干路上的A点接入电流表,测出A点的电流;再在两条支路上分别接入电流表,测出两条支路中B点、C点的电流,这样就可得出干路A点电流与支路B点、C点电流的关系了,我们组设计的电路图如下:只要按照设计的电路图实验一下,就会得出结果了。
方案2:我们组设计的电路和甲组一样.我们觉得A点的电流应等于B点电流和C点电流之和。
方案3:我们组设计的电路和别的组一样,我们觉得换成大灯泡,两支路电流要超过干路电流。
4.进行实验
学生分组实验,教师巡视指导。
两个灯泡并联的实验记录:
实验组数 | A点的电流IA/A/ | B点的电流IB/A | C点的电流IC/A |
1 |
|
|
|
2 |
|
|
|
3 |
|
|
|
5.分析和论证
根据同学们所测量出的数据,分析出实验结论,对比一下和原来的猜想是否一致?
让学生用自己的语言描述得到的结论。并联电路中电流的规律。
归纳总结:在并联电路中总电流等于各支路电流的之和,表达式为I= I1+I2。
6.评估与交流:让学生反思自己的探索过程,寻找问题。刚才提到的问题,请同学们互相讨论,看能不能找出问题的原因。
现在需要同学们根据你们的探究过程写一份科学探究的小报告。学生完成探究报告,教师巡视,选择完成较好的,利用投影和同学们交流、小结。
探究点四 并联电路中电流规律的应用
活动:课件展示问题,让学生交流、讨论得出答案。
典例剖析
如图所示的电路中,当开关闭合时,甲电流表的示数为0.6A,乙电流表的示数为0.2A,则下列判断正确是( )
A.通过灯L1的电流为0.6A B.通过灯L1的电流为0.4A
C.通过电路总电流为0.8 A D.通过灯L2的电流为0.4 A
【点拨】由电路图可知,两个灯泡并联,电流表乙测通过L2的电流,甲测干路电流;在并联电路中,干路电流等于各支路电流之和.由此展开分析,得出答案.
板书设计
第5节 串、并联电路中电流的规律
1.串联电路中的电流规律。
IA=IB=IC
2.并联电路中的电流规律。
IC=IA+IB
教学反思
在教学中,我从日常生活的现象“彩灯照射下的斜拉索大桥夜景”入手,创设学习物理的情景,让学生分析现象,合理引导,激发探究电流规律的兴趣。让学生感到物理和生活的紧密联系和重要作用。在实际教学过程中,先根据提出的问题进行猜想,猜想串联电路的电流特点,让学生根据已学知识猜想,然后设计实验,让学生亲身进行实际操作,培养学生的动手操作能力。接着读出电流表的示数并记录,最后对数据进行分析归纳、质疑讨论,从而得出正确结论。培养了学生的观察能力、归纳总结能力、合作交流能力。使学生积极地参与到教学活动中,不但有效地激发了学生的学习兴趣,而且可以提高学生的创造协作能力。

