人教版 (2019)必修2《遗传与进化》第3节 DNA的复制巩固练习
展开高中生物学必修2翻转课堂课时学案
班级_________姓名______________
课 题 | 第三章 基因的本质 第3节 DNA的复制 |
学习目标 | 1.通过DNA半保留复制的实验证据,了解DNA分子复制的推测过程,体会科学探究的历程。 2.利用DNA复制图解,运用结构与功能相适应的观点,概述DNA分子的复制过程,总结复制的特点,概括DNA复制的条件、过程和特点及相关计算 |
【基础学习】
一、对DNA复制的推测
1.沃森和克里克提出了怎样的遗传物质自我复制的假说?
2.【思考】除了半保留复制的假说,也有人提出了全保留复制不同的假说。什么是全保留复制?请用不同颜色的笔绘制DNA复制的半保留复制和全保留复制。
二、DNA半保留复制的实验证据
要证明DNA复制是半保留复制,就需要通过实验区分亲代与子代DNA
1.提出问题:
2.作出假设:
3.演绎推理:
4.实验验证:(根据课本P53图3-12填写)
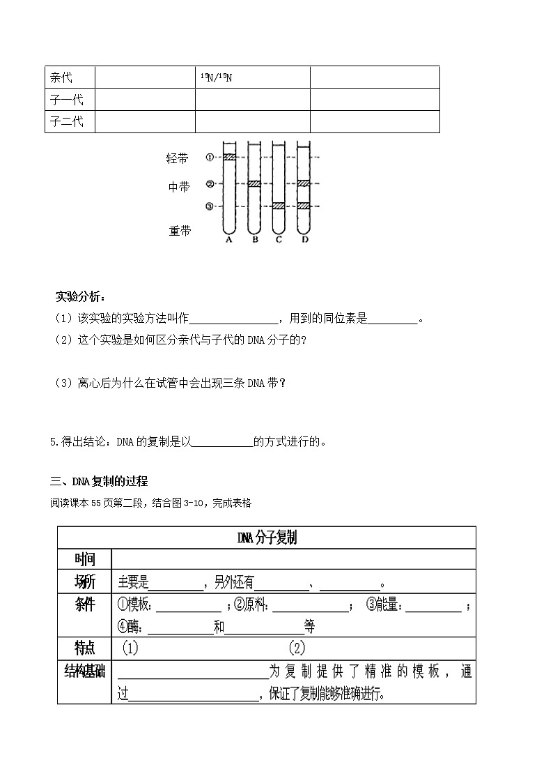
| 培养液N的类型 | 结果(DNA含N情况) | 在试管中位置(下图) |
亲代 |
| 15N/15N |
|
子一代 |
|
|
|
子二代 |
|
|
|
实验分析:
(1)该实验的实验方法叫作 ,用到的同位素是 。
(2)这个实验是如何区分亲代与子代的DNA分子的?
(3)离心后为什么在试管中会出现三条DNA带?
5.得出结论:DNA的复制是以 的方式进行的。
三、DNA复制的过程
阅读课本55页第二段,结合图3-10,完成表格
【思考】原核生物有DNA的复制吗?场所在哪里?DNA病毒呢?
【例1】你的身体内几乎每时每刻都在进行着DNA分子的复制。请据图回答下列问题:
(1)DNA复制发生在 期。
(2)②过程称为 。
(3)指出③中的子链 。
(4)③过程必须遵循 原则。
(5)子代DNA分子中只有一条链来自亲代DNA分子,
由此说明DNA复制具有 特点。
(6)将一个细胞的DNA用15N标记,放入14N的4种
脱氧核苷酸培养液中,连续分裂4次,问含14N的DNA
的细胞占总细胞数的 。含15N的DNA细胞
占细胞总数的 。
(7)已知原来DNA中有100个碱基对,其中A有
40个,则复制4 次, 在复制过程中将需要
个游离的胞嘧啶脱氧核苷酸参加。
【归纳提升】DNA分子复制有关计算规律
DNA分子的复制为半保留复制,一个DNA分子复制n次 ,则有:
(1)DNA分子数
①子代DNA分子数= 个
②含有亲代的DNA链的子代DNA分子= 个
③不含有亲代的DNA链的子代DNA分子= 个
(2)脱氧核苷酸链数
①子代DNA分子中脱氧核苷酸链数= 条
②亲代脱氧核苷酸链数= 条
③新合成脱氧核苷酸链数= 条
(3)消耗的脱氧核苷酸数
若一亲代DNA分子中含有某种脱氧核苷酸m个,经过n次复制,需要消耗该脱氧核苷酸 个。
【巩固练习】
1. DNA分子的复制时间是( )
①有丝分裂的间期 ② 有丝分裂的分裂期 ③ 减数第一次分裂间期
④ 减数第二次分裂间期
A.①③ B.①④ C.①③④ D.②
2.DNA复制的基本条件是 ( )
A.模板,原料,能量和酶 B.模板,温度,能量和酶
C.模板,原料,温度和酶 D.模板,原料,温度和能量
3.在DNA复制过程中,保证复制能准确无误进行的关键步骤是 ( )
A.解旋酶破坏氢键并使DNA双链分开
B.游离的脱氧核苷酸与母链碱基互补配对
C.与模板链配对的游离脱氧核苷酸连接成子链
D.子链与模板链盘绕成双螺旋结构
4. DNA分子复制时,解旋酶作用的部位应该是( )
A.腺嘌呤与鸟嘌呤之间的氢键 B.腺嘌呤与胞嘧啶之间的氢键
C.鸟嘌呤与胞嘧啶之间的氢键 D.脱氧核糖与含氮碱基之间的化学键
5.下列关于DNA复制的叙述,正确的是( )
A.DNA分子在解旋酶的作用下,水解成脱氧核苷酸
B.在全部解旋之后才开始碱基配对
C.解旋后以一条母链为模板合成两条新的子链
D.复制后,每个新DNA分子中含有一条母链和一条子链
6.右图表示发生在细胞核内的某生理过程,其中a、b、c、d表示脱氧核苷酸链。以下说法正确的是( )
A.此过程需要能量和尿嘧啶脱氧核苷酸
B.真核细胞中此过程发生的唯一场所是细胞核
C.b链中(A+G)/(T+C)的值一定与c链中的相同
D.正常情况下,a、d链都应该到不同的细胞中去
7.1个DNA分子经过4次复制,形成16个DNA 分子,其中不含亲代母链的DNA分子为( )
A.2个 B.8个 C.14个 D.32个
8.一个被15N标记的DNA分子,以含14N的4种脱氧核苷酸为原料,连续复制3次,则含15N的脱氧核苷酸链占全部脱氧核苷酸链的比例是 ( )
A.1/2 B.1/4 C.1/6 D.1/8
9.用3H 标记胸腺嘧啶后合成脱氧核苷酸,注入真核细胞,可用于研究( )
A.DNA复制的场所 B.RNA复制的场所
C.分泌蛋白的运输 D.细胞膜脂质的流动
10.用15N标记含有100个碱基对的双链DNA分子,其中有胞嘧啶60个,该DNA分子在含有14N的培养基中连续复制4次。其结果不可能是( )
A.含有15N的DNA分子占1/8
B.复制过程中需要腺嘌呤脱氧核苷酸600个
C.含有14N的DNA分子占7/8
D.复制结果共产生16个DNA分子
11.假定某高等生物体细胞的染色体数是10条,其中染色体中的DNA分子用含3H的胸腺嘧啶标记,将该体细胞放入不含有3H标记的培养液中连续培养2代,则在形成第2代细胞时的有丝分裂后期,没有被标记的染色体数为( )
A.5条 B.40条 C.20条 D.10条
12.含有32P或31P的磷酸,两者化学性质几乎相同,都可参与DNA分子的组成,但32P比31P质量大。现将某哺乳动物的细胞移至含有31P磷酸的培养基中,连续培养数代后得到G0代细胞。然后将G0代细胞移至含有32P磷酸的培养基中培养,经过第1、2次细胞分裂后,分别得到G1、G2代细胞。再从G0、G1、G2代细胞中提取出DNA,经密度梯度离心后得到结果如图。由于DNA分子质量不同,因此在离心管内的分布不同。若①、②、③分别表示轻、中、重三种DNA分子的位置,请回答:
(1)G0、G1、G2三代DNA离心后得试管分别是图中的G0__, G1___, G2___。
(2)G2代在①、②、③三条带中DNA数的比例是_______。
(3)图中①、②两条带中DNA分子所含的同位素磷分别是:条带①_______,条带② ___________
(4)上述实验结果证明DNA的复制方式是______。DNA的自我复制能使生物的 _保持相对稳定。
3.3《DNA的复制》学案参考答案
【基础学习】
一、对DNA复制的推测
1.DNA复制时,DNA双螺旋解开,互补的碱基之间的氢键断裂,解开的两条单链分别作为复制的模板,游离的脱氧核苷酸根据碱基互补配对原则,通过形成氢键结合到作为模板的单链上,因此这种复制称为半保留复制
2.全保留复制,是指DNA复制以DNA双链为模板,子代DNA的双链都是新合成的。
二、DNA半保留复制的实验证据
1.DNA的复制方式是怎样的?
2.沃森和克里克提出“半保留复制”的假说
3.如果DNA是半保留复制,那么离心后应该出现3条DNA带。
| 培养液N的类型 | 结果(DNA含N情况) | 在试管中位置(下图) |
亲代 | 15N | 15N/15N | ③ |
子一代 | 14N | 15N/14N | ② |
子二代 | 14N | 15N/14N、14N/14N | ① ② |
4.
(1)同位素示踪技术,15N(2)根据离心后DNA在试管中的位置(3)DNA是以半保留方式复制的
5.半保留
三、DNA复制的过程
DNA分子复制 | |
时间 | 有丝分裂间期或减数第一次分裂间期 |
场所 | 主要是细胞核 ,另外还有线粒体、叶绿体。 |
条件 | ① 模板:解开的DNA双链; ②原料:四种脱氧核苷酸; ③能量:ATP; ④酶:解旋酶 和 DNA聚合酶等 |
特点 | (1)半保留复制 (2)边解旋边复制 |
结构基础 | DNA独特的双螺旋结构为复制提供了精准的模板,通过碱基互补配对原则, 保证了复制能够准确进行。 |
【思考】原核生物DNA复制场所主要:拟核 病毒:宿主细胞
【例1】(1)有丝分裂间期和减数第一次分裂的间期(2)解旋(3)Ⅱ Ⅲ
(4)碱基互补配对 (5)半保留复制 (6)100% 1/8 (7)900
【归纳提升】(1)DNA分子数 ① 2n ② 2 ③2n- 2
(2)① 2n+1 ② 2 ③2n+1 -2
(3) (2n-1)m
【巩固练习】
1-5 AABCD 6-10 DCBAC 11.D
12.(1)A B D (2)0:1:1 (3)31P 31P 32P (4)半保留复制 遗传信息
人教版 (2019)必修2《遗传与进化》第3章 基因的本质第3节 DNA的复制精品课后测评: 这是一份人教版 (2019)必修2《遗传与进化》第3章 基因的本质第3节 DNA的复制精品课后测评,文件包含33DNA的复制学生版-高一生物同步精品讲义必修2docx、33DNA的复制教师版-高一生物同步精品讲义必修2docx等2份试卷配套教学资源,其中试卷共71页, 欢迎下载使用。
高中生物人教版 (2019)必修2《遗传与进化》第3章 基因的本质第3节 DNA的复制练习题: 这是一份高中生物人教版 (2019)必修2《遗传与进化》第3章 基因的本质第3节 DNA的复制练习题,文件包含高中生物人教版2019必修2同步分层训练33DNA的复制Word版含解析docx、高中生物人教版2019必修2同步分层训练33DNA的复制Word版无答案docx等2份试卷配套教学资源,其中试卷共12页, 欢迎下载使用。
高中人教版 (2019)第2节 DNA的结构达标测试: 这是一份高中人教版 (2019)第2节 DNA的结构达标测试,共7页。

