江苏省淮安市2020-2022三年中考化学真题知识点分类汇编-09化学实验
展开一、单选题
1.(2020·江苏淮安·统考中考真题)下列实验操作符合规范要求的是
A.闻气体气味
B.熄灭酒精灯
C.稀释浓硫酸
D.给液体加热
2.(2021·江苏淮安·统考中考真题)已知:3Cu+8HNO3(稀)=3Cu(NO3)2+2X↑+4H2O。下列有关该反应说法正确的是
A.X的化学式为NO2
B.反应时仅观察到有气泡产生
C.铜元素化合价由0变为+2
D.消耗的铜和生成的水质量比为3:4
3.(2021·江苏淮安·统考中考真题)下列有关“粗盐的初步提纯”的实验操作不符合规范要求的是
A.称量B.溶解
C.过滤D.蒸发
4.(2022·江苏淮安·中考真题)在探究“铜绿”性质的实验中,下列操作错误的是
A.添加“铜绿”B.倾倒盐酸
C.点燃酒精灯D.洗涤试管
二、填空题
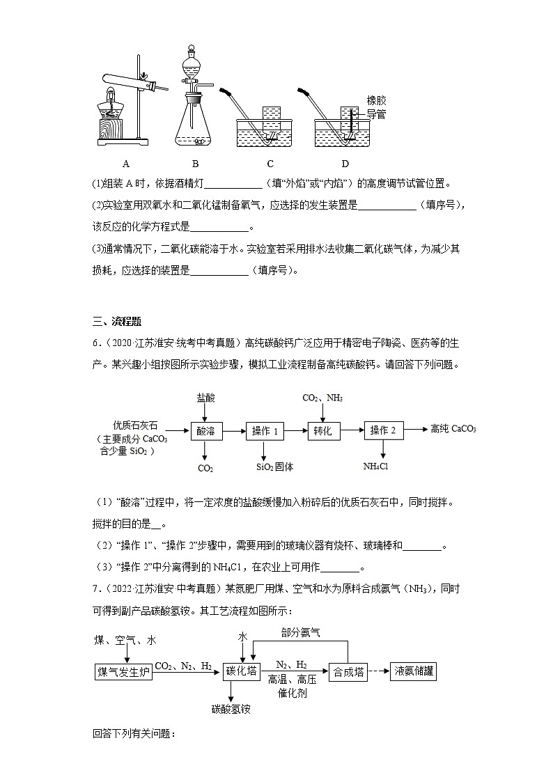
5.(2022·江苏淮安·中考真题)根据如图所示气体制取装置,回答下列问题:
(1)组装A时,依据酒精灯____________(填“外焰”或“内焰”)的高度调节试管位置。
(2)实验室用双氧水和二氧化锰制备氧气,应选择的发生装置是____________(填序号),该反应的化学方程式是____________。
(3)通常情况下,二氧化碳能溶于水。实验室若采用排水法收集二氧化碳气体,为减少其损耗,应选择的装置是____________(填序号)。
三、流程题
6.(2020·江苏淮安·统考中考真题)高纯碳酸钙广泛应用于精密电子陶瓷、医药等的生产。某兴趣小组按图所示实验步骤,模拟工业流程制备高纯碳酸钙。请回答下列问题。
(1)“酸溶”过程中,将一定浓度的盐酸缓慢加入粉碎后的优质石灰石中,同时搅拌。搅拌的目的是__。
(2)“操作1”、“操作2”步骤中,需要用到的玻璃仪器有烧杯、玻璃棒和________。
(3)“操作2”中分离得到的NH4C1,在农业上可用作________。
7.(2022·江苏淮安·中考真题)某氮肥厂用煤、空气和水为原料合成氨气(NH3),同时可得到副产品碳酸氢铵。其工艺流程如图所示:
回答下列有关问题:
(1)煤加入煤气发生炉前需经过粉碎处理,其目的是____________。
(2)“合成塔”中发生反应的化学方程式是____________。
(3)部分氨气通入“碳化塔”的目的是____________。
(4)氨气被广泛认为是未来理想的零碳燃料,其燃烧的微观示意图如图所示。
①参加反应的甲、乙分子个数比是____________。
②该反应属于____________(填基本反应类型)反应。
四、实验题
8.(2021·江苏淮安·统考中考真题)化学是一门以实验为基础的科学。根据如图所示的装置,回答问题:
(1)图中标有序号①的仪器名称是______。
(2)实验室用氯酸钾和二氧化锰制备氧气,反应的化学方程式为______。需用一瓶较为纯净的氧气,通常选择的收集装置是______(填字母)。
(3)实验室用装置B制取二氧化碳时,可通过______的操作来停止反应。
9.(2021·江苏淮安·统考中考真题)草酸是生产、生活中常用的漂白剂,可用于生产抗菌素,可作为提炼稀有气体的溶剂。兴趣小组对草酸受热分解的产物进行如下探究:
【查阅资料】
①草酸(H2C2O4)是一种酸,熔点为101.5℃,易溶于水,易升华,170℃以上分解。
②草酸钙难溶于水。
③无水硫酸铜遇水变蓝。
④碱石灰是生石灰与烧碱的混合固体,能吸收H2O和CO2。
【实验过程】
同学们在老师的指导下设计了如图所示装置,并进行实验(部分夹持仪器已略去)。
【交流与讨论】
(1)草酸受热分解,应选择图中的___(填“甲”或“乙”)装置。
(2)C装置的作用为___。
(3)实验过程中应该先点燃___(填“酒精灯”或“酒精喷灯”)。
(4)F装置中反应的化学方程式为___。
(5)实验过程中观察到B中白色固体变成蓝色,D中澄清石灰水变浑浊,___,则可以证明草酸分解产物为H2O、CO2和CO。
(6)从环保角度考虑,该套装置的明显缺陷是___。
10.(2022·江苏淮安·中考真题)淮安有丰富的盐矿资源,化学兴趣小组同学称取一定质量粗盐样品(含有泥沙),用如图所示装置进行初步提纯。回答下列问题:
(1)操作①中,发现天平指针向右偏,接下来的操作是____________。
(2)操作④中,滤液仍然浑浊,可能的原因是 。
A.滤纸破损B.滤纸未紧贴漏斗内壁C.漏斗内液面高于滤纸边缘
(3)操作⑤中,待蒸发皿内出现____________时,停止加热。
参考答案:
1.A
【详解】A、闻药品气味时,应用手在瓶口轻轻扇动,使少量气味飘进鼻孔中,图中操作正确,符合题意;
B、熄灭酒精灯,应用灯帽盖灭,不能用嘴吹灭,图中操作错误,不符合题意;
C、稀释浓硫酸:应将浓硫酸沿器壁慢慢注入水中,并用玻璃棒不断搅拌,使热量尽快的散发出去,图中操作错误,不符合题意;
D、给试管里的液体加热时,试管里的液体不能超过试管容积的1/3,图中操作错误,不符合题意。
故选A。
2.C
【详解】A、根据质量守恒定律可知2X含2个氮原子和2个氧原子,则X的化学式为NO,该选项说法不正确;
B、反应时观察到有气泡产生,溶液由无色变蓝色,该选项说法不正确;
C、铜中的铜元素化合价是0,硝酸铜中的铜元素的化合价是+2,该选项说法正确;
D、消耗的铜和生成的水质量比为:192:72=8:3,该选项说法不正确。
故选C
3.A
【详解】A、托盘天平的使用要遵循“左物右码”的原则,图中所示操作砝码与药品位置放反了,选项A不符合规范。
B、配制溶液时,溶解操作应在烧杯中进行,用玻璃棒不断搅拌,选项B符合规范。
C、过滤液体时,要注意“一贴、二低、三靠”的原则,选项C符合规范。
D、蒸发时,应用玻璃棒不断搅拌,以防止局部温度过高,造成液体飞溅,选项D符合规范。
故选:A。
4.B
【详解】A、添加“铜绿”时,“铜绿”是固体,应将试管平放,将药品送入试管底部后,再将试管竖起,故A操作正确,不符合题意;
B、向试管中倾倒液体时,瓶塞要倒放,标签朝手心,瓶口紧挨试管,故B操作错误,符合题意;
C、可以用火柴点燃酒精灯,故C操作正确,不符合题意;
D、洗涤试管时,刷洗时须转动或上下移动试管,故D操作正确,不符合题意;
故应选B。
5.(1)外焰
(2) B
(3)D
【详解】(1)组装A时,依据酒精灯外焰的高度调节试管位置,因为加热时要用酒精灯的外焰进行加热,外焰的温度最高;
(2)实验室用双氧水和二氧化锰制备氧气,反应物为固体和液体,实验过程中不需要加热,所以应该选用固液不加热型发生装置,故应选B,反应方程式为;
(3)因为二氧化碳能溶于水,在用排水法收集二氧化碳时,应该尽量减少二氧化碳与水接触,故应选择装置D。
6. 增大反应物之间的接触面积,使反应更充分 漏斗 氮肥
【详解】(1)搅拌是为了增大反应物之间的接触面积,使反应更充分;
(2)由图可知,“操作1”、“操作2”步骤中,实现了固液分离,故是过滤,过滤需要用到的玻璃仪器有:烧杯、漏斗、玻璃棒;
(3)氯化铵含氮元素,农业上可用作氮肥。
7.(1)使反应更快更充分
(2)
(3)除去气体中的CO2
(4) 4:3 置换反应
【详解】(1)反应物接触面积越大,反应速度越快,反应越充分。所以煤经过粉碎处理的目的是使反应更快更充分。
(2)“合成塔”中进入的有氮气和氢气,条件是高温、高压和催化剂,生成物还是氨气,所以化学方程式为。
(3)从产物碳酸氢铵分析,氨气参与了反应,还有含碳的物质参与了反应。从进入碳化塔的物质有二氧化碳、氮气、氢气及还要加入水,进入合成塔的气体只有氮气和氢气,没有了二氧化碳可知,部分氨气通入“碳化塔”的目的是除去气体中的CO2;
(4)①从微观示意图可知,发生的反应为。所以参加反应的甲、乙分子个数比是4:3;
②该反应是单质和化合物反应生成单质和化合物的反应,是置换反应。
8.(1)铁架台
(2) 2KClO32KCl+3O2↑ C
(3)关闭止水夹
【分析】(1)
仪器①为铁架台,故填:铁架台。
(2)
加热氯酸钾和二氧化锰的混合物制取氧气,氯酸钾在二氧化锰的催化作用下加热生成氯化钾和氧气,反应的化学方程式为 2KClO32KCl+3O2↑。氧气不易溶于水,可用排水法收集,氧气密度比空气略大,可用向上排空气法收集,用排水法收集的氧气比较纯净,故选C收集,故填:2KClO32KCl+3O2↑;C。
(3)
实验室用装置B来制取二氧化碳时,若需停止反应,可关闭止水夹,则试管内二氧化碳气体不断产生使管内压强增大,进而将管内液体试剂压入长颈漏斗中,当液体试剂液面低于多孔隔板时,液体试剂与块状固体药品脱离接触,反应即停止,故填:关闭止水夹。
9.(1)乙
(2)冷凝草酸,防止草酸进入装置D中发生反应产生沉淀,干扰二氧化碳的检验
(3)酒精灯
(4)Fe2O3+3CO2Fe+3CO2
(5)G中澄清石灰水变浑浊(合理即可)
(6)缺少尾气处理装置
【解析】(1)
由于草酸受热易升华,因此应选择装置乙为受热分解装置,故填:乙。
(2)
装置C中冰水用于冷凝草酸,防止草酸进入装置D中发生反应产生沉淀,干扰二氧化碳的检验,故填:冷凝草酸,防止草酸进入装置D中发生反应产生沉淀,干扰二氧化碳的检验。
(3)
实验过程中,应先点燃酒精灯,利用草酸分解产生的气体除去装置内的空气,防止装置F中在高温条件下一氧化碳与氧气反应引发安全事故,故填:酒精灯。
(4)
一氧化碳具有还原性,可高温还原氧化铁,生成铁和二氧化碳,该反应的化学方程式:Fe2O3+3CO2Fe+3CO2,故填:Fe2O3+3CO2Fe+3CO2。
(5)
装置B中白色固体无水硫酸铜变蓝,说明有水生成,装置D中澄清石灰水变浑浊,说明有二氧化碳气体生成,装置G中石灰水变浑浊,说明草酸分解产生的气体中含有一氧化碳,一氧化碳还原氧化铁生成二氧化碳,F中红棕色固体逐渐变为黑色,生成的二氧化碳使澄清石灰水变浑浊;故填:G中澄清石灰水变浑浊。
(6)
一氧化碳有毒,不能直接排入空气中,应在装置G后加装尾气处理装置,故填:缺少尾气处理装置。
10.(1)向左盘加入粗盐直到天平平衡
(2)AC
(3)较多固体
【详解】(1)发现天平指针向右偏说明粗盐质量偏少,所以需要向左盘加入粗盐直到天平平衡。
(2)A. 滤纸破损,溶液可能未经过滤流下,可能导致滤液仍然浑浊;
B. 滤纸未紧贴漏斗内壁会导致过滤速度偏慢,但不会导致滤液仍然浑浊;
C. 漏斗内液面高于滤纸边缘,溶液可能沿着漏斗和滤纸的间隙未经过滤流下,可能导致滤液仍然浑浊;
故选:AC。
(3)蒸发操作时,待蒸发皿内出现较多固体时停止加热,利用余热蒸干。
江苏省盐城市2020-2022三年中考化学真题知识点分类汇编-09化学实验: 这是一份江苏省盐城市2020-2022三年中考化学真题知识点分类汇编-09化学实验,共7页。试卷主要包含了单选题,实验题等内容,欢迎下载使用。
江苏省泰州市2020-2022三年中考化学真题知识点分类汇编-09化学实验: 这是一份江苏省泰州市2020-2022三年中考化学真题知识点分类汇编-09化学实验,共13页。试卷主要包含了单选题,填空题,推断题,实验题,综合应用题等内容,欢迎下载使用。
江苏省淮安市2020-2022三年中考化学真题知识点分类汇编-05水、溶液: 这是一份江苏省淮安市2020-2022三年中考化学真题知识点分类汇编-05水、溶液,共15页。试卷主要包含了单选题,填空题,实验题,综合应用题等内容,欢迎下载使用。

