浙江省普通高中新教材苏教版(2019)学业水平考试通用技术模拟卷(七)
展开2022年浙江省普通高中(新教材)
学业水平考试通用技术模拟卷(七)
一、选择题(本大题共10小题,每小题3分,共30分。每小题列出的四个备选项中只有一个是符合题目要求,不选、多选、错选均不得分)
1.如图所示是一款自助体检系统,体检人可自助完成体检。整个机器占地面积不到 3 平方米,可安装在驾校、考场、车管所等场所使用。下列相关表述不正确的是( A)
A. 机器配有二维码支付功能,需要支付才能使用,体现了技术的复杂性
B. 机器利用超声波测距、计算机软件、触控和图像处理技术,体现了技术的综合性
C. 机器能自动对体检人员身高、体重、视力等做出检测,体现了技术的目的性
D. 体检人可自助完成,节省了人员配置,体现技术具有解放人的作用
2.如图所示为一款采用PC材料制作的智能手提箱,内置多种传感器,既能在自带的屏幕上显示重量,又有离身超距离提醒功能,独创的手机控制解锁功能提高了手提箱的安全性。下列关于该智能手提箱的设计分析和评价中,正确的是( D)
A. 手机控制解锁功能提高了手提箱的安全性,实现了安全目标
B. 有离身超距离提醒功能,主要是从“环境”的角度考虑
C. 采用PC材料制作,体现了设计的技术规范原则
D. 能在自带的屏幕上显示重量,主要从“人”的角度考虑
3.如图所示是一款带电源的折叠手机支架及其评价坐标图,以下有关坐标图的分析中不合理的是( B)
A. 该产品的价格指标得2分,说明价格普遍高于同类产品的价格
B. 方块状折叠设计,符合技术规范
C. 该评价是对设计成果的评价
D. 该评价的部分指标是依据设计的一般原则
.
4. 小明构思了下列简易杯托方案,安装在如图所示的书桌侧边的木板上,用来放置水杯,主要考虑夹持的稳定性和安全性,下列方案最合理是( A)
A.
B.
C.
D.
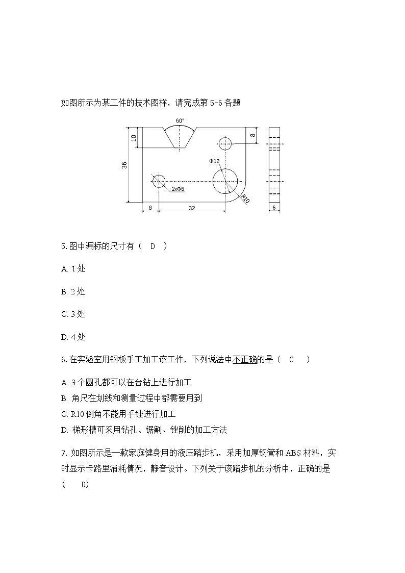
如图所示为某工件的技术图样,请完成第5-6各题
5.图中漏标的尺寸有( D )
A. 1处
B. 2处
C. 3处
D. 4处
6.在实验室用钢板手工加工该工件,下列说法中不正确的是( C )
A. 3个圆孔都可以在台钻上进行加工
B. 角尺在划线和测量过程中都需要用到
C. R10倒角不能用乎锉进行加工
D. 梯形槽可采用钻孔、锯割、锉削的加工方法
7. 如图所示是一款家庭健身用的液压踏步机,采用加厚钢管和ABS材料,实时显示卡路里消耗情况,静音设计。下列关于该踏步机的分析中,正确的是( D)
A. 增加两底座间距,可提高其稳固性
B. 底座套的作用仅仅为了保护地面
C. 踩下踏板时,踏板受弯曲、转轴受剪切
D. 踩下踏板时,支撑板受弯曲、活塞杆受压
8. 如图所示是某制药厂的废水处理流程图。下列对该流程的分析中正确的是( B )
A. 过滤和焚烧环节是串行工序
B. 注人空气与回流是并行工序
C. 接触氧化环节所处理的废水均来自水解吸附环节
D. 压滤与过滤环节可以互换
如图a所示是某自动对位控制系统的示意图。其工作过程:摄像机连续获取被测物体的实时位置信息(如图b所示),工控机将接收到的位置信息不断与设定位置进行比较,计算出被测物体的偏移值,控制平台驱动器驱动平台移动和转动,使被测物体运动到设定位置(如图c所示)。请根据示意图及其描述完成第9~10题。
9.关于该自动对位控制系统,下列分析中不恰当的是( D )
A. 具有自动对位功能,体现了系统的目的性
B. 摄像机长期使用后清晰度降低,体现了系统的动态性
C. X、Y平台的移动精度会影响0平台的定位精度,体现了系统的相关性
D. 可应用于印刷、电子加工等行业,体现了系统的整体性
10.下列关于该自动对位控制系统分析中正确的是( B )
A. 控制量是被测物体的偏移值 B. 该系统属于闭环控制系统
C. 摄像机用来获取输入量 D. 被控制量是设定位置
二、非选择题(本大题共3小题,第11小题7分,第12小题3分,第13小题10分,共20分)
11. 如图所示是一款木质支架,该支架可用于放置书本或者平板电脑,角度可调,操作者可以选择舒适的操作角度,具有可折叠,便于携带的特点。请根据示意图和描述,完成以下任务:
(1)有了该支架,使用者不需要低头操作,可以防止颈椎病,此外支架角度可调,使用者可以选择合适的操作角度,实现了人机关系的 B 、 D 目标(在A.高效;B.舒适;C.安全;D.健康中选择合适的选项,将序号填入“ ”处);
(2)该支架可折叠,可以减少仓储和运输空间,体现了设计的 B 原则(在A.技术规范原则;B.经济原则;C.美观原则中选择合适的选项,将序号填入“ ”处);
(3)以下为角度调节木质卡槽方案的设计,其中最合理的是 C .
A. B. C.
(4)加工角度调节木质卡槽,不需要涉及到的工具是 A (在A.手摇钻;B.钢丝锯;C.木工凿中选择合适的选项,将序号填入“ ”处);
(5)图中支撑杆与支架板采用铰连接,合适的连接方式是 A (在A.合页;B.自攻螺钉;C.螺栓螺母中选择合适的选项,将序号填入“ ”处);
12.请补全三视图中所缺的3条图线(超过3条线倒扣分)
【参考答案】
13. 如图1所示是一款办公区域的隔离门,隔离门两端分别装有转动轴和限位轴(两轴间距100 mm),实现隔离门的竖起固定和翻转放下。隔离门放下时,人可以从上面跨过。请在护栏和隔离门之间设计能实现该功能的合理的连接件。已知护栏边框的材料为1 000 mm×60 mm×40 mm的实木,制作连接件的材料是如图2所示的角钢,其他配件自选。设计要求如下:
A.连接件能可靠地固定在护栏门框上,具有足够连接强度;
B.隔离门连接后能竖起和放下,竖起时固定可靠;
C.结构简单。
请根据上述要求完成以下任务:
(1)画出连接件的设计草图,必要时可用文字说明
(2)在设计草图上标注连接件的主要尺寸;
(3)从设计的一般过程来看,完成设计草图确定设计方案后,接下来要做的工作是__④_(从①设计分析;②产品加工;③性能的测试及优化;④技术图样的绘制中选一项,填序号);
(4)在加工过程中,为了防止连接件生锈,可以采用的方法有_①__、③___(从①电镀;②表面抛光;③喷涂油漆中选二项,填序号);
(5)以下零件中,最适合用来固定该连接件的是_③__(选一项,填序号)。
【参考答案】
浙江省普通高中新教材苏教版(2019)学业水平考试通用技术模拟卷(九): 这是一份浙江省普通高中新教材苏教版(2019)学业水平考试通用技术模拟卷(九),共8页。试卷主要包含了选择题,非选择题等内容,欢迎下载使用。
浙江省普通高中新教材苏教版(2019)学业水平考试通用技术模拟卷(七): 这是一份浙江省普通高中新教材苏教版(2019)学业水平考试通用技术模拟卷(七),共8页。试卷主要包含了选择题,非选择题等内容,欢迎下载使用。
浙江省普通高中新教材苏教版(2019)学业水平考试通用技术模拟卷(五): 这是一份浙江省普通高中新教材苏教版(2019)学业水平考试通用技术模拟卷(五),共8页。试卷主要包含了选择题,非选择题等内容,欢迎下载使用。

