山东省威海市2020-2022三年高二化学下学期期末试题汇编2-选择题②
展开山东省威海市2020-2022三年高二化学下学期期末试题汇编2-选择题②
- (2022春·山东威海·高二统考期末)化学与科技、生产、生活息息相关。下列说法错误的是
A.用于免拆型手术缝合线的聚乳酸属于可降解的高分子酯
B.制作速滑竞赛服所用的聚氨脂属于合成高分子化合物
C.用来生产电闸、灯口等的酚醛树脂,合成它的单体是苯酚和甲醇
D.制作返回舱降落伞的聚酰胺纤维可由己二酸与己二胺通过缩聚反应制得
- (2022春·山东威海·高二统考期末)下列物质应用错误的是
A.体积分数为75%的乙醇溶液常用作杀菌消毒剂
B.用裂化汽油萃取溴水中的溴
C.用于冷冻麻醉应急处理
D.丙三醇用于制造日用化妆品和硝化甘油
- (2022春·山东威海·高二统考期末)下列说法正确的是
A.的名称为二乙酸二乙酯
B.立方烷()中的所有碳碳键均为单键,立方烷属于烷烃
C.化合物和苯乙烯互为同系物
D.与互为官能团位置异构体
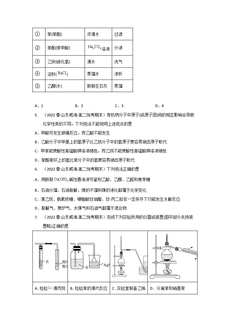
- (2022春·山东威海·高二统考期末)下列有关除杂所选用的试剂和分离方法均正确的有几组?
序号 | 除杂(括号内为杂质) | 选用试剂 | 分离方法 |
① | 苯(苯酚) | 浓溴水 | 过滤 |
② | 苯酚(苯甲酸) | 溶液 | 分液 |
③ | 乙炔(硫化氢) | 溴水 | 洗气 |
④ | 淀粉() | 蒸馏水 | 渗析 |
⑤ | 乙醇(水) | 新制生石灰 | 蒸馏 |
A.1 B.2 C.3 D.4
- (2022春·山东威海·高二统考期末)有机物分子中原子(或原子团)间的相互影响会导致化学性质的不同。下列说法不能说明上述观点的是
A.甲酸可发生银镜反应,而乙酸不能发生
B.乙酸分子中甲基上的氢原子比乙烷分子中的氢原子更容易被卤原子取代
C.甲苯能使酸性高锰酸钾溶液褪色,而乙烷不能使酸性高锰酸钾溶液褪色
D.苯酚苯环上的氢比苯分子中的氢更容易被卤原子取代
- (2022春·山东威海·高二统考期末)下列说法正确的是
A.用新制碱性悬浊液可鉴别乙酸、乙醇、乙醛和麦芽糖
B.石油分馏、石油裂解、煤的干馏和煤的液化都属于化学变化
C.溴乙烷、脱氧核糖、硬脂酸甘油酯、甘-丙二肽在一定条件下均能发生水解反应
D.裂解气、焦炉气、水煤气和石油气都属于混合物
- (2022春·山东威海·高二统考期末)完成下列实验所用的仪器或装置(图中部分夹持装置略)正确的是
A.检验溴丙烷消去产物中的丙烯 | B.检验苯的溴代反应有生成 | C.实验室制备乙烯 | D.分离苯和硝基苯 |
A.A B.B C.C D.D
- (2022春·山东威海·高二统考期末)化合物c是合成新型抑制剂-拉罗替尼的一种中间体,其合成路线如图所示。下列说法错误的是
A.该反应属于取代反应 B.b的不饱和度为5
C.利用核磁共振氢谱,可测得b有7组峰 D.c能发生加成、氧化、还原等反应
- (2022春·山东威海·高二统考期末)某种昆虫信息素的分子结构简式如图所示,关于该化合物的说法错误的是
A.分子式为 B.可发生水解反应和加聚反应
C.1个分子中含有3个手性碳原子 D.不存在顺反异构体
- (2022春·山东威海·高二统考期末)完成下列实验目的,对应实验操作及现象正确的是
选项 | 实验目的 | 实验操作及现象 |
A | 检验乙酰水杨酸()水解产物中含有水杨酸 | 取酸性条件下水解后的溶液少许,滴入两滴溶液,若溶液显紫色,证明含有水杨酸 |
B | 探究蔗糖在酸性水溶液中是否水解 | 取少许蔗糖溶液于试管中,滴入几滴稀硫酸,水浴加热几分钟,再加入适量新制悬浊液,加热,没有生成砖红色沉淀,证明蔗糖在酸性水溶液中未水解 |
C | 验证分子中含有碳碳双键 | 取少许有机物滴加到盛有溴水的试管中,溶液颜色完全褪去,证明分子中含有碳碳双键 |
D | 证明碘丙烷中含有碘元素 | 取少量碘丙烷于试管中,加入溶液,充分振荡、加热,冷却后加入2~3滴溶液,有黄色沉淀生成,证明含有碘元素 |
A.A B.B C.C D.D
- (2022春·山东威海·高二统考期末)维兰特罗(结构如图)是一种治疗慢性阻塞性肺疾病的药物。下列说法错误的是
A.分子中所有原子不可能都共面
B.该分子中苯环上的一溴代物有6种
C.该物质能使浓溴水因反应而褪色
D.该物质能与发生反应
- (2022春·山东威海·高二统考期末)满足下列条件的有机物的数目正确的是
选项 | 有机物 | 条件 | 数目 |
A | 含有2个甲基的醇 | 5 | |
B | 一氯代物 | 4 | |
C | 苯环上含有2个取代基,遇溶液显紫色,能发生银镜反应的同分异构体 | 6 | |
D | 在酸性条件下水解生成相对分子质量相等的两种有机物,且一种有机物氧化后的产物与另一种有机物互为同系物 | 8 |
A.A B.B C.C D.D
- (2020春·山东威海·高二统考期末)四苯基乙烯(TPE)具有聚集诱导发光特性,在光电材料等领域应用前景广阔,可由物质M合成。下列说法错误的是
A.M物质属于酮类,不能发生氧化反应
B.TPE属于芳香烃,也属于苯的同系物
C.M的一氯代物有3种(不考虑立体异构)
D.TPE分子中所有原子均可能共平面
- (2020春·山东威海·高二统考期末)设NA为阿伏加德罗常数的值,下列说法错误的是
A.46g C2H6O完全燃烧,共有8NA个共价键断裂
B.1mol雄黄(主要成分为As4S4,结构为)中含有6NA个S-As键
C.32g S8()与S6( )的混合物中所含共价键数目为2NA
D.NaCl晶体中Na+与最近Cl-的核间距离为a cm,则其晶体密度为g·cm-3
- (2020春·山东威海·高二统考期末)将15.1g某芳香族化合物样品置于氧气流中完全燃烧,测得有关数据如下(实验前系统内的空气已排除,各步均吸收完全):
燃烧产物增重8.1g 增重35.2g 氮气1.12L(标况)
已知该有机物相对分子质量为151,且为天然蛋白质水解产物。下列关于该有机物的说法正确的是
A.分子式为C8H9N2O
B.结构简式为
C.含有1个手性碳原子
D.既可与强酸反应又可与强碱反应
- (2021春·山东威海·高二统考期末)下列说法中正确的是
A.金刚石晶体中碳原子个数与C-C键键数之比为1∶2
B.氢化钠晶体结构与氯化钠晶体相似,与钠离子距离最近的钠离子共有8个
C.某纳米钛铝合金,其结构单元如图甲所示(Al、Ti原子各有一个原子在单元内部),则该单元含有个Ti原子
D.金属铬的晶胞如图乙所示,已知铬的密度为ρ g·cm-3,阿伏加德罗常数为NA,则铬原子的半径r= pm。
- (2021春·山东威海·高二统考期末)我国科学家在研究中发现,肉桂硫胺对新冠病毒水解酶有抑制作用,其结构简式如图。下列关于肉桂硫胺的说法错误的是
A.该分子中N、O、S的质量比为7:4:8
B.该分子中含有1个手性碳原子
C.通常情况下1mol该物质可与8mol H2加成
D.该物质能发生取代反应和加聚反应
- (2022春·山东威海·高二统考期末)下列三种高分子化合物均由相应的单体通过聚合反应合成,其结构如图所示,下列说法错误的是
A.①和②通过加聚反应合成,③通过缩聚反应合成
B.①和③的单体都为3种
C.②的单体间互为同系物
D.③的单体间含有相同的官能团
- (2022春·山东威海·高二统考期末)有机物X()存在如图所示转化关系。下列说法错误的是
A.X的同分异构体中,能被氧化成酮的芳香醇有2种
B.最多可与发生加成反应
C.的反应条件为水溶液、加热
D.用酸性溶液可鉴别Y和Z
- (2022春·山东威海·高二统考期末)化合物④是合成一种天然类化合物的重要中间体,其合成路线如下:
下列说法正确的是
A.各步均发生取代反应 B.①最多消耗
C.②的结构简式为: D.③和④中均含三种官能团
参考答案:
- C
【详解】A.乳酸发生加聚反应生成聚乳酸,聚乳酸属于可降解的高分子酯,故A正确;
B.聚氨脂属于合成高分子化合物,故B正确;
C.酚醛树脂,合成它的单体是苯酚和甲醛,故C错误;
D.己二酸与己二胺通过缩聚反应制得聚酰胺纤维,故D正确;
选C。
- B
【详解】A.体积分数为75%的乙醇溶液能使蛋白质变性,常用作杀菌消毒剂,故A正确;
B.裂化汽油中含有烯烃,烯烃能与溴水发生加成反应,所以不能用裂化汽油萃取溴水中的溴,故B错误;
C.氯乙烷喷射于皮肤上,由于氯乙烷急速挥发吸收热量,能使局部表层组织冷冻而失去感觉,常用于冷冻麻醉应急处理,故C正确;
D.丙三醇具有很强的吸湿性,能与浓硝酸发生酯化反应生成硝化甘油,所以常用于制造日用化妆品和硝化甘油,故D正确;
故选B。
- D
【详解】A.由结构简式可知,的名称为乙二酸二乙酯,故A错误;
B.由结构简式可知,立方烷不是链状饱和烃,不属于烷烃,故不错误;
C.由结构简式可知,和苯乙烯含有的碳碳双键和苯环的数目不同,不是同类物质,不互为同系物,故C错误;
D.由结构简式可知,邻甲基苯酚和对甲基苯酚的分子式相同,官能团的位置不同,互为官能团位置异构体,故D正确;
故选D。
- B
【详解】①三溴苯酚易溶于苯,不能用过滤法分离出苯中的三溴苯酚,故①错误;
②苯酚、苯甲酸都能与碳酸钠反应生成易溶于水的苯酚钠、苯甲酸钠,不能用分液法分离,故②错误;
③乙炔、硫化氢都能与溴水反应,不能用溴水除乙炔中的硫化氢,故③错误;
④淀粉不能透过半透膜,能透过半透膜,用渗析法除淀粉中的NaCl,故④正确;
⑤氧化钙和水反应生成氢氧化钙,加入生石灰再蒸馏可除去乙醇中的水,故⑤正确;
正确的是④⑤,选B。
- A
【详解】A.甲酸能发生银镜反应是其结构中含醛基,而乙酸不含醛基,不能发生银镜反应,与原子团间的影响无关,与官能团有关,A符合题意;
B.乙酸分子中与甲基相连的为羧基,乙烷分子中与甲基相连的为甲基,乙酸分子中甲基上的氢原子比乙烷分子中的氢原子更容易被卤原子取代,说明乙酸中羧基对甲基的影响使得其更容易被卤原子取代,B不符合题意;
C.甲苯中苯环与甲基相连,乙烷中甲基与甲基相连,甲苯能使酸性高锰酸钾溶液褪色,而乙烷不能使酸性高锰酸钾溶液褪色,说明苯环对甲基产生了影响,C不符合题意;
D.苯酚中苯环上含一个羟基,苯酚苯环上的氢比苯分子中的氢更容易被卤原子取代,说明羟基对苯环上的氢原子产生了影响,D不符合题意;
故选A。
- D
【详解】A.乙醛和麦芽糖都能与新制反应生成砖红色Cu2O沉淀,新制碱性悬浊液不能鉴别乙醛和麦芽糖,故A错误;
B.石油分馏没有新物质生成,属于物理变化,故B错误;
C.脱氧核糖是单糖不能发生水解反应,故C错误;
D.裂解气是氢气、烷烃、烯烃的混合物,焦炉气是氢气和甲烷等气体的混合物,水煤气是CO和氢气的混合物,石油气是多种烷烃的混合物,故D正确;
选D。
- A
【详解】A.用水除去产物中挥发出的HBr,生成丙烯中含有碳碳双键,可以使高锰酸钾溶液褪色,可以检验溴丙烷消去产物中的丙烯,A正确;
B.HBr能溶于水能使硝酸银生成沉淀,应该将气体通入四氯化碳后再通入硝酸银溶液中,B错误;
C.实验室制备乙烯需要控制反应温度,故温度计应该插入液面以下,C错误;
D.冷凝水应该下进上出,D错误;
故选A。
- C
【详解】A.该反应中a断裂C-Cl键,b断裂N-H键,生成c和HCl,属于取代反应,A正确;
B.物质b中苯环不饱和度为4,一个五元环的不饱和度为1,则b的不饱和度为5,B正确;
C.物质b有8种H原子,则核磁共振氢谱有8组峰,C错误;
D.物质c含有碳碳双键,能发生加成、氧化反应,含有硝基,可发生还原反应,D正确;
故选:C。
- C
【详解】A.由该物质结构简式可得分子式为,A正确;
B.该物质含有酯基能发生水解反应,含有碳碳双键能发生加聚反应,B正确;
C.连接四种不同基团的碳为手性碳原子,1个分子中含有2个手性碳原子,C错误;
D.碳碳双键有一端连接两个H原子,为相同基团,因此不存在顺反异构体,D正确;
故选:C。
- A
【详解】A.乙酰水杨酸酸性条件下得到水解产物水杨酸,水杨酸中含酚羟基,用氯化铁溶液检验,若显紫色,说明水解产物含水杨酸,A正确;
B.蔗糖的水解产物葡萄糖需要在碱性条件下检验,即酸性水解液调至碱性再用新制氢氧化铜悬浊液检验,B错误;
C.将少量有机物滴到盛有溴水的试管中,溴水不能完全褪去颜色,应将少量溴水滴到盛有该有机物的试管中,溴水褪色,证明该有机物分子中含碳碳双键,C错误;
D.1-碘丙烷在碱性条件下水解,需将溶液调节至酸性环境再用硝酸银检验产生的碘离子,因氢氧化钠与硝酸银溶液会生成沉淀,干扰碘离子的检验,D错误;
故选A。
- B
【详解】A.分子中含多个饱和碳原子,所有原子不可能共平面,A正确;
B.左侧苯环上3种一溴代物,右侧苯环上只有2种一溴代物,共5种,B错误;
C.分子中含酚羟基,且酚羟基的邻位上含氢原子,可与浓溴水发生取代反应而使其褪色,C正确;
D.该物质含羟基,能与金属钠反应;含氯原子,能与氢氧化钠溶液反应;含酚羟基,能与碳酸钠溶液反应,D正确;
故选B。
- D
【详解】A.含有2个甲基的醇结构有:、、共4种,A错误;
B.一氯代物有2种,B错误;
C.苯环上含有2个取代基,遇溶液显紫色说明含有酚羟基,能发生银镜反应说明含有醛基,同分异构体有、、共9种,C错误;
D.在酸性条件下水解生成相对分子质量相等的两种有机物,结合分子式有2个O原子可知为酯的水解,且一种有机物氧化后的产物与另一种有机物互为同系物,说明水解生成一种醇且具有-CH2OH结构和一种羧酸,结构为,同分异构体有、、、、、共8种,D正确;
故选:D。
- AB
【详解】A. M物质属于酮类,但能在点燃条件燃烧,燃烧时发生了氧化反应,A错误;
B. TPE属于芳香烃,但其中含有4个苯环,不属于苯的同系物,B错误;
C. M分子具有对称性,其分子内有3中氢,故一氯代物有3种(不考虑立体异构),C正确;
D. 苯分子是平面结构、和苯环直接相连的原子在同一个平面,碳碳双键、羰基是平面结构、和双键碳原子直接相连的原子在同一个平面,故TPE分子中所有原子均可能共平面,D正确;
答案选AB。
- BC
【详解】A. 1个C2H6O分子内含有8个共价键,46g C2H6O即1mol C2H6O,完全燃烧,共有8NA个共价键断裂,A正确;
B. 1mol雄黄(主要成分为As4S4,结构为)中含有8NA个S-As键,B错误;
C. 32g S8()所含共价键数目为 ,32g S6()所含共价键数目为,则32g混合物中所含共价键数目为NA,C错误;
D. NaCl晶体中Na+与最近Cl-的核间距离为a cm,则晶胞边长为2acm,一个晶胞中有4个钠离子和4个氯离子,则其晶体密度为g·cm-3=g·cm-3,D正确;
答案选BC。
- CD
【分析】有机物完全燃烧的产物通过浓硫酸增重8.1g,即水的质量为8.1g,则含有的氢的物质的量为0.9mol;再通过碱石灰,增重35.2g,即二氧化碳的质量为35.2g,含有的碳原子的物质的量为0.8mol;最后收集氮气标况下的体积为1.12L,则含有氮原子的物质的量为0.1mol,有机物中N(C):N(H):N(N)=8:9:1,已知该有机物相对分子质量为151,若N原子个数为1,则有机物分子中含有2个O,分子式为C8H9O2N。
【详解】A.分析可知,有机物的分子式为C8H9O2N,A说法错误;
B.有机物中有8个碳原子,B说法错误;
C.有机物为天然蛋白质水解产物,则为α-氨基酸,结构简式为,且含有1个手性碳原子,C说法正确;
D.有机物为氨基酸,既含有羧基,又含有氨基,则既可与强酸反应又可与强碱反应,D说法正确;
答案为CD。
- AD
【详解】A. 金刚石晶体中碳原子个数与C-C键键数之比为1:0.5×4=1∶2,故A正确;
B. 氢化钠晶体结构与氯化钠晶体相似,忽略氯离子只看钠离子相当于面心立方最密堆积,与钠离子距离最近的钠离子共有12个,故B错误;
C. 某纳米钛铝合金,其结构单元如图甲所示(Al、Ti原子各有一个原子在单元内部),则该单元含有8× +2×+1×+1=个Ti原子,故C错误;
D. 金属铬的晶胞如图乙所示,已知铬的密度为ρ g·cm-3,阿伏加德罗常数为NA,该晶胞中Cr原子个数=8×+1=2,该晶胞中体对角线上的3个原子紧密相邻,设Cr原子半径为rpm,则晶胞棱长=pm,晶胞密度= ,晶胞体积V= ×1030pm3=×1030pm3,晶胞棱长=×1010pm=pm,则铬原子的半径r= pm,故D正确;
故选AD。
- BC
【详解】A.由结构简式可知该有机物分子式为C20H24N2SO,则该分子中N、O、S的质量比=(14×2):(16×1):(32×1)= 7:4:8,A正确;
B.与4个不相同的原子或原子团相连的C称为手性碳,由分子结构简式可知该分子不含手性碳,B错误;
C.分子中的2个苯环和碳碳双键均能与氢气加成,则1mol该物质可与7mol H2加成,C错误;
D.该分子存在苯环、酰胺基,能发生取代反应,含有碳碳双键,能发生加聚反应,D正确;
选BC。
- BC
【分析】由结构简式可知,①为CH2=CHCN和发生加聚反应合成,②为 和CH2=CHCOOCH2CH3发生加聚反应合成,③为HOOCCH2NH2、和发生缩聚反应合成。
【详解】A.由分析可知, ①和②通过加聚反应合成,③通过缩聚反应合成,故A正确;
B.由分析可知,①为CH2=CHCN和发生加聚反应合成,单体只有2种,故B错误;
C.由分析可知,②为和CH2=CHCOOCH2CH3发生加聚反应合成, 和CH2=CHCOOCH2CH3的分子式相同,结构不同,互为同分异构体,故C错误;
D.由分析可知,③为HOOCCH2NH2、 和发生缩聚反应合成,HOOCCH2NH2、和的官能团相同,都为氨基和羧基,故D正确;
故选BC。
- AD
【分析】X中醇羟基发生催化氧化生成Y为,X发生醇的消去反应生成Z为,Z中碳碳双键与HCl发生加成反应生成Q为,Q发生卤代烃的水解反应生成X;
【详解】A .X的同分异构体中,能被氧化成酮说明含有结构,芳香醇即含有苯环且羟基不是直接连接在苯环上,同分异构体有、共4种,A错误;
B.X中-CH2OH催化氧化生成-CHO,Y为,苯环和醛基能与氢气发生加成反应,最多可与发生加成反应,B正确;
C.Q为,Q发生卤代烃的水解反应生成X,的反应条件为水溶液、加热,C正确;
D .Y为,Z为,醛基和碳碳双键都能使酸性溶液褪色,不能鉴别,D错误;
故选:AD。
- CD
【分析】根据③及反应条件进行推测②的结构简式为:;根据取代反应的特点有上有下进行判断;B中根据有机官能团能与氢氧化钠反应的进行判断;
【详解】A.根据反应物和生成物的结构简式的区别,利用取代反应的特点判断有上有下是取代反应,故第一、二步是取代反应 ,最后一步是还原反应,故A不正确;
B.根据酚羟基能消耗氢氧化钠,酯基发生水解能消耗氢氧化钠,其次溴原子发生水解后可消耗2mol氢氧化钠,故共消耗5mol氢氧化钠,故B不正确;
C.根据③的结构简式及反应条件判断②的结构简式为:,故C正确;
D.③中含有酯基、醚键、溴原子三种官能团,④中含有羟基、醚键、溴原子三种官能团,故D正确;
故选答案CD;
【点睛】此题考查有机物的结构与反应类型判断,注意有机官能团决定主要想性质;根据官能团判断可能发生的性质。
山东省烟台市2020-2022三年高二化学下学期期末试题汇编2-选择题②: 这是一份山东省烟台市2020-2022三年高二化学下学期期末试题汇编2-选择题②,共18页。试卷主要包含了2NA,4ml,则x值为0,4B.反应②能生成,0ml/L,B正确;等内容,欢迎下载使用。
山东省威海市2020-2022三年高二化学下学期期末试题汇编1-选择题①: 这是一份山东省威海市2020-2022三年高二化学下学期期末试题汇编1-选择题①,共17页。试卷主要包含了《内经》曰,下列关于晶体的说法中错误的是,下列说法正确的是,下列实验所用装置错误的是,下列晶体的分类正确的一组是,下列说法错误的是,下列操作能达到相应实验目的的是等内容,欢迎下载使用。
山东省聊城市2020-2022三年高二化学下学期期末试题汇编2-选择题②: 这是一份山东省聊城市2020-2022三年高二化学下学期期末试题汇编2-选择题②,共16页。

