高中物理高考 04 必修一实验汇【原卷版】
展开
这是一份高中物理高考 04 必修一实验汇【原卷版】,共20页。试卷主要包含了处理纸袋等内容,欢迎下载使用。
目录
TOC \ "1-2" \h \u \l _Tc18361 题型一、处理纸袋、验证牛二定律、求摩擦因素综合类 PAGEREF _Tc18361 1
\l _Tc11353 题型二、验证力的平行四边形定则与弹簧劲度系数的测量 PAGEREF _Tc11353 13
题型一、处理纸袋、验证牛二定律、求摩擦因素综合类
1.(2020年北京).某同学利用图甲所示装置研究摩擦力的变化情况。实验台上固定一个力传感器,传感器用棉线拉住物块,物块放置在粗糙的长木板上。水平向左拉木板,传感器记录的图像如图乙所示。下列说法正确的是( )
A 实验中必须让木板保持匀速运动
B. 图乙中曲线就是摩擦力随时间的变化曲线
C. 最大静摩擦力与滑动摩擦力之比约为10:7
D. 只用图乙中数据可得出物块与木板间的动摩擦因数
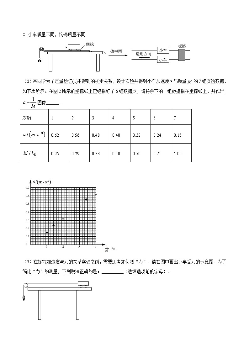
2.(2020北京).在“探究加速度与物体受力、物体质量的关系”实验中,做如下探究:
(1)为猜想加速度与质量的关系,可利用图所示装置进行对比实验。两小车放在水平板上,前端通过钩码牵引,后端各系一条细线,用板擦把两条细线按在桌上,使小车静止。抬起板擦,小车同时运动,一段时间后按下板擦,小车同时停下。对比两小车的位移,可知加速度与质量大致成反比。关于实验条件,下列正确的是:________(选填选项前的字母)。
A. 小车质量相同,钩码质量不同
B. 小车质量不同,钩码质量相同
C. 小车质量不同,钩码质量不同
(2)某同学为了定量验证(1)中得到的初步关系,设计实验并得到小车加速度与质量的7组实验数据,如下表所示。在图2所示的坐标纸上已经描好了6组数据点,请将余下的一组数据描在坐标纸上,并作出图像______。
(3)在探究加速度与力的关系实验之前,需要思考如何测“力”。请在图中画出小车受力的示意图。为了简化“力”的测量,下列说法正确的是:__________(选填选项前的字母)。
A.使小车沿倾角合适的斜面运动,小车受力可等效为只受绳的拉力
B.若斜面倾角过大,小车所受合力将小于绳的拉力
C.无论小车运动的加速度多大,砂和桶的重力都等于绳的拉力
D.让小车的运动趋近于匀速运动,砂和桶的重力才近似等于绳的拉力
3.(2020年浙江1月).在“探究加速度与力、质量的关系”和用橡皮筋“探究做功与物体速度变化的关系”实验中
(1)都是通过分析纸带上的点来测量物理量,下列说法正确的是______
A.都需要分析打点计时器打下的第一个点 B.都不需要分析打点计时器打下的第一个点
C.一条纸带都只能获得一组数据 D.一条纸带都能获得多组数据
(2)如图是两条纸带的一部分,A、B、C、…、G是纸带上标出的计数点,每两个相邻的计数点之间还有4个打出的点未画出。其中图_____(填“甲”或“乙”)所示的是用橡皮筋“探究做功与物体速度变化的关系”的实验纸带。“探究加速度与力、质量的关系”实验中,小车的加速度大小a=_____m/s2(保留2位有效数字)。
(3)在用橡皮筋“探究做功与物体速度变化的关系”实验中,平衡阻力后,小车与橡皮筋组成的系统在橡皮筋恢复形变前机械能_____(填“守恒”或“不守恒”)。
4.(2020全国2).一细绳跨过悬挂的定滑轮,两端分别系有小球A和B,如图所示。一实验小组用此装置测量小球B运动的加速度。
令两小球静止,细绳拉紧,然后释放小球,测得小球B释放时的高度h0=0.590 m,下降一段距离后的高度h=0.100 m;由h0下降至h所用的时间T=0.730 s。由此求得小球B加速度的大小为a=_______m/s2(保留3位有效数字)。
从实验室提供的数据得知,小球A、B的质量分别为100.0 g和150.0 g,当地重力加速度大小为g=9.80 m/s2。根据牛顿第二定律计算可得小球B加速度的大小为a′=_______m/s2(保留3位有效数字)。
可以看出,a′与a有明显差异,除实验中的偶然误差外,写出一条可能产生这一结果的原因:__________。
5.(2019全国1)某小组利用打点计时器对物块沿倾斜的长木板加速下滑时的运动进行研究。物块拖动纸带下滑,打出的纸带一部分如图所示。已知打点计时器所用交流电的频率为50 Hz,纸带上标出的每两个相邻点之间还有4个打出的点未画出。在ABCDE五个点中,打点计时器最先打出的是 点,在打出C点时物块的速度大小为 m/s(保留3位有效数字);物块下滑的加速度大小为 m/s2(保留2位有效数字)。
6.(2019全国2)如图(a),某同学设计了测量铁块与木板间动摩擦因数的实验。所用器材有:铁架台、长木板、铁块、米尺、电磁打点计时器、频率50 Hz的交流电源,纸带等。回答下列问题:
(1)铁块与木板间动摩擦因数μ= (用木板与水平面的夹角θ、重力加速度g和铁块下滑的加速度a表示)
(2)某次实验时,调整木板与水平面的夹角使θ=30°。接通电源。开启打点计时器,释放铁块,铁块从静止开始沿木板滑下。多次重复后选择点迹清晰的一条纸带,如图(b)所示。图中的点为计数点(每两个相邻的计数点间还有4个点未画出)。重力加速度为9.8 m/s2。可以计算出铁块与木板间的动摩擦因数为 (结果保留2位小数)。
7.(2015全国2)某学生用图(a)所示的实验装置测量物块与斜面的动摩擦因数。已知打点计时器所用电源的频率为50Hz,物块下滑过程中所得到的纸带的一部分如图(b)所示,图中标出了5个连续点之间的距离。
(1)物块下滑时的加速度a=m/s2,打C点时物块的速度v=m/S;
(2)已知重力加速度大小g,为求出动摩擦因数,还必须测量的物理量是 (填正确答案标号)
A 物块的质量 B 斜面的高度 C 斜面的倾角
8.(2017全国2)某同学研究在固定斜面上运动物体的平均速度、瞬时速度和加速度之间的关系。使用的器材有:斜面、滑块、长度不同的矩形挡光片、光电计时器。
实验步骤如下:
①如图(a),将光电门固定在斜面下端附近;将一挡光片安装在滑块上,记下挡光片前端相对于斜面的位置,令滑块从斜面上方由静止开始下滑;
②当滑块上的挡光片经过光电门时,用光电计时器测得光线被挡光片遮住的时间∆t;
③用∆s表示挡光片沿运动方向的长度(如图(b)所示),表示滑块在挡光片遮住光线的∆t时间内的平均速度大小,求出;
④将另一挡光片换到滑块上,使滑块上的挡光片前端与①中的位置相同,令滑块由静止开始下滑,重复步骤②、③;
⑤多次重复步骤④;
⑥利用实验中得到的数据作出-∆t图,如图(c)所示。
完成下列填空:
(1)用a表示滑块下滑的加速度大小,用vA表示挡光片前端到达光电门时滑块的瞬时速度大小,则与vA、a和∆t的关系式为= 。
(2)由图(c)可求得,vA= cm/s,a= cm/s2。(结果保留3位有效数字)
9.(2011全国)利用图1所示的装置可测量滑块在斜面上运动的加速度。一斜面上安装有两个光电门,其中光电门乙固定在斜面上靠近底端处,光电门甲的位置可移动,当一带有遮光片的滑块自斜面上滑下时,与两个光电门都相连的计时器可以显示出遮光片从光电门甲至乙所用的时间t。改变光电门甲的位置进行多次测量,每次都使滑块从同一点由静止开始下滑,并用米尺测量甲、乙之间的距离s,记下相应的t值;所得数据如下表所示。
完成下列填空和作图:
(1)若滑块所受摩擦力为一常量,滑块加速度的大小a、滑块经过光电门乙时的瞬时速度v1测量值s和t四个物理量之间所满足的关系式是_______;
(2)根据表中给出的数据,在图2给出的坐标纸上画出图线;
由所画出的图线,得出滑块加速度的大小为a=____________m/s2(保留2位有效数字)。
10.(2018北京)用图所示的实验装置研究小车速度随时间变化的规律。
主要实验步骤如下:
a.安装好实验器材。接通电源后,让拖着纸带的小车沿长木板运动,重复几次。
b.选出一条点迹清晰的纸带,找一个合适的点当作计时起点O(t=0),然后每隔相同的时间间隔T选取一个计数点,如图2中A、B、C、D、E、F……所示。
c.通过测量、计算可以得到在打A、B、C、D、E……点时小车的速度,分别记作v1、v2、v3、v4、v5……
d.以速度v为纵轴、时间t为横轴建立直角坐标系,在坐标纸上描点,如图3所示。
结合上述实验步骤,请你完成下列任务:
(1)在下列仪器和器材中,还需要使用的有____________和___________(填选项前的字母)。
A.电压合适的50 Hz交流电源
B.电压可调的直流电源
C.刻度尺
D.秒表
E.天平(含砝码)
(2)在图3中已标出计数点A、B、D、E对应的坐标点,请在该图中标出计数点C对应的坐标点,并画出v-t图像。
(3)观察v-t图像,可以判断小车做匀变速直线运动,其依据是___________。v-t图像斜率的物理意义是______________________。
(4)描绘v-t图像前,还不知道小车是否做匀变速直线运动。用平均速度表示各计数点的瞬时速度,从理论上讲,对△t的要求是______(选填“越小越好”或“与大小无关”);从实验的角度看,选取的△x大小与速度测量的误差______(选填“有关”或“无关”)。
(5)早在16世纪末,伽利略就猜想落体运动的速度应该是均匀变化的。当时只能靠滴水计时,为此他设计了如图所示的“斜面实验”,反复做了上百次,验证了他的猜想。请你结合匀变速直线运动的知识,分析说明如何利用伽利略“斜面实验”检验小球的速度是随时间均匀变化的。
11.(2018全国2)某同学用图(a)所示的装置测量木块与木板之间的摩擦因数。跨过光滑定滑轮的细线两端分别与木块和弹簧秤相连,滑轮和木块之间的细线保持水平,在木块上放置砝码。缓慢向左拉动水平放置的木板,当木块和砝码相对桌面静止且木板仍在继续滑动时,弹簧秤的示数即为木块受到的滑动摩擦力的大小。某次实验所得数据在下表中给出,其中的值从图(b)中弹簧秤的示数读出。
回答下列问题
(1)=__________N
(2)在图(c)的坐标纸上补齐未画出的数据点并绘出f-m图线;
(3)f与m、木块质量M、木板和木块之间的滑动摩擦因数及重力加速度大小g之间的关系式f=__________,f-m图线(直线)的斜率的表达式k=____________;
(4)取g=9.80 m/,由绘出的f-m图线求得(保留2位有效数字)
12.(2012江苏)(10 分)为测定木块与桌面之间的动摩擦因数,小亮设计了如图所示的装置进行实验. 实验中,当木块A 位于水平桌面上的O 点时,重物B 刚好接触地面. 将A 拉到P 点,待B 稳定后静止释放,A 最终滑到Q 点. 分别测量OP、OQ 的长度h 和s. 改变h,重复上述实验,分别记录几组实验数据.
(1)实验开始时,发现A 释放后会撞到滑轮. 请提出两个解决方法.
(2)请根据下表的实验数据作出s-h 关系的图象.
(3)实验测得A、B 的质量分别为m = 0. 40 kg、M =0. 50 kg. 根据s -h 图象可计算出A 块与桌面间的动摩擦因数= _________. (结果保留一位有效数字)
(4)实验中,滑轮轴的摩擦会导致滋的测量结果
_________(选填“偏大冶或“偏小冶).
13.(2012山东)某同学利用图甲所示的实验装置,探究物块在水平桌面上的运动规律。物块在重物的牵引下开始运动,重物落地后,物块再运动一段距离停在桌面上(尚未到达滑轮处)。从纸带上便于测量的点开始,每5个点取1个计数点,相邻计数点间的距离如图乙所示。打点计时器电源的频率为50Hz
单位:cm
①通过分析纸带数据,可判断物块在两相邻计数点_____和_______之间某时刻开始减速。
②计数点5对应的速度大小为________m/s,计数点6对应的速度大小为______m/s。(保留三位有效数字)
③物块减速运动过程中加速度的大小为a=_______m/s2,若用来计算物块与桌面间的动摩擦因数(g为重力加速度),则计算结果比动摩擦因数的真实值________(填“偏大”或“偏小”)。
14.(2017全国1)某探究小组为了研究小车在桌面上的直线运动,用自制“滴水计时器”计量时间。实验前,将该计时器固定在小车旁,如图(a)所示。实验时,保持桌面水平,用手轻推一下小车。在小车运动过程中,滴水计时器等时间间隔地滴下小水滴,图(b)记录了桌面上连续的6个水滴的位置。(已知滴水计时器每30 s内共滴下46个小水滴)
(1)由图(b)可知,小车在桌面上是____________(填“从右向左”或“从左向右”)运动的。
(2)该小组同学根据图(b)的数据判断出小车做匀变速运动。小车运动到图(b)中A点位置时的速度大小为___________m/s,加速度大小为____________m/s2。(结果均保留2位有效数字)
15.(2011年山东)(1)某探究小组设计了“用一把尺子测定动摩擦因数”的实验方案。如图所示,将一
个小球和一个滑块用细绳连接,跨在斜面上端。开始时小球和滑块均静止,剪断细绳后,小球自由下落,滑块沿斜面下滑,可先后听到小球落地和滑块撞击挡板的声音,保持小球和滑块释放的位置不变,调整挡板位置,重复以上操作,直到能同时听到小球落地和滑块撞击挡板的声音。用刻度尺测出小球下落的高度H、滑块释放点与挡板处的高度差h和沿斜面运动的位移。(空气阻力对本实验的影响可以忽略)
①滑块沿斜面运动的加速度与重力加速度的比值为________。
②滑块与斜面间的动摩擦因数为__________________。
③以下能引起实验误差的是________。
a.滑块的质量
b.当地重力加速度的大小
c.长度测量时的读数误差
d.小球落地和滑块撞击挡板不同时
题型二、验证力的平行四边形定则与弹簧劲度系数的测量
16.(2018天津)某研究小组做“验证力的平行四边形定则”实验,所用器材有:方木板一块,白纸,量程为5 N的弹簧测力计两个,橡皮条(带两个较长的细绳套),刻度尺,图钉(若干个)。
①具体操作前,同学们提出了如下关于实验操作的建议,其中正确的有______。
A.橡皮条应和两绳套夹角的角平分线在一条直线上
B.重复实验再次进行验证时,结点O的位置可以与前一次不同
C.使用测力计时,施力方向应沿测力计轴线;读数时视线应正对测力计刻度
D.用两个测力计互成角度拉橡皮条时的拉力必须都小于只用一个测力计时的拉力
②该小组的同学用同一套器材做了四次实验,白纸上留下的标注信息有结点位置O,力的标度、分力和合力的大小及表示力的作用线的点,如下图所示。其中对于提高实验精度最有利的是_____。
17.(2017全国3)某探究小组做“验证力的平行四边形定则”实验,将画有坐标轴(横轴为x轴,纵轴为y轴,最小刻度表示1 mm)的纸贴在桌面上,如图(a)所示。将橡皮筋的一端Q固定在y轴上的B点(位于图示部分除外),另一端P位于y轴上的A点时,橡皮筋处于原长。
(1)用一只测力计将橡皮筋的P端沿y轴从A点拉至坐标原点O,此时拉力F的大小可由测力计读出。测力计的示数如图(b)所示,F的大小为 N。
(2)撤去(1)中的拉力,橡皮筋P端回到A点;现使用两个测力计同时拉橡皮筋,再次将P端拉至O点。此时观察到两个拉力分别沿图(a)中两条虚线所示的方向,由测力计的示数读出两个拉力的大小分别为F1=4.2 N和F2=5.6 N。
(i)用5 mm长度的线段表示1 N的力,以O点为作用点,在图(a)中画出力F1、F2的图示,然后按平形四边形定则画出它们的合力F合;
(ii)F合的大小为 N,F合与拉力F的夹角的正切值为 。
若F合与拉力F的大小及方向的偏差均在实验所允许的误差范围之内,则该实验验证了力的平行四边形定则。
18.(2015四川)某同学在“探究弹力和弹簧伸长的关系”时,安装好实验装置,让刻度尺零刻度与弹簧上端平齐,在弹簧下端挂1个钩码,静止时弹簧长度为l1,如图1所示,图2是此时固定在弹簧挂钩上的指针在刻度尺(最小分度是1毫米)上位置的放大图,示数l1= cm.。在弹簧下端分别挂2个、3个、4个、5个相同钩码,静止时弹簧长度分别是l2、l3、l4、l5。已知每个钩码质量是50g,挂2个钩码时,弹簧弹力F2= N(当地重力加速度g=9.8m/s2)。要得到弹簧伸长量x,还需要测量的是 。作出F-x曲线,得到弹力与弹簧伸长量的关系。
19.(2015山东) 某同学通过下述实验验证力的平行四边形定则。实验步骤:
①将弹簧秤固定在贴有白纸的竖直木板上,使其轴线沿竖直方向。
②如图甲所示,将环形橡皮筋一端挂在弹簧秤的秤钩上,另一端用圆珠笔尖竖直向下拉,直到弹簧秤示数为某一设定值时,将橡皮筋两端的位置记为O1、O2,记录弹簧秤的示数F,测量并记录O1、O2间的距离(即橡皮筋的长度l)。每次将弹簧秤示数改变0.50N,测出所对应的l,部分数据如下表所示:
③找出②中F=2.50N时橡皮筋两端的位置,重新记为、,橡皮筋的拉力记为。
④在秤钩上涂抹少许润滑油,将橡皮筋搭在秤钩上,如图乙所示。用两圆珠笔尖成适当角度同时拉橡皮筋的两端,使秤钩的下端达到O点,将两笔尖的位置标记为A、B,橡皮筋OA段的拉力记为FOA,OB段的拉力记为FOB。
完成下列作图和填空:
(1)利用表中数据在给出的坐标纸上(见答题卡)画出F—l图线,根据图线求得l0=_____cm。
(2)测得OA=6.00cm,OB=7.60cm,则FOA的大小为________N。
(3)根据给出的标度,在答题卡上作出FOA和FOB的合力的图示。
(4)通过比较与________的大小和方向,即可得出实验结论。
20.(2014全国1)某同学利用图(a)所示实验装置及数字化信息系统获得了小车加速度a与钩码的质量m的对应关系图,如图(b)所示.实验中小车(含发射器)的质量为200 g,实验时选择了不可伸长的轻质细绳和轻定滑轮,小车的加速度由位移传感器及与之相连的计算机得到,回答下列问题:
(1)根据该同学的结果,小车的加速度与钩码的质量成________(选填“线性”或“非线性”)关系.
(2)由图(b)可知,am图线不经过原点,可能的原因是________.
(3)若利用本实验装置来验证“在小车质量不变的情况下,小车的加速度与作用力成正比”的结论,并直接以钩码所受重力mg作为小车受到的合外力,则实验中应采取的改进措施是________,钩码的质量应满足的条件是________.
21.(2018全国1)如图(a),一弹簧上端固定在支架顶端,下端悬挂一托盘;一标尺由游标和主尺构成,主尺竖直固定在弹簧左边;托盘上方固定有一能与游标刻度线准确对齐的装置,简化为图中的指针。
现要测量图(a)中弹簧的劲度系数。当托盘内没有砝码时,移动游标,使其零刻度线对准指针,此时标尺读数为;当托盘内放有质量为的砝码时,移动游标,再次使其零刻度线对准指针,标尺示数如图(b)所示,其读数为 cm。当地的重力加速度大小为,此弹簧的劲度系数为 N/m(保留3位有效数字)。
图(b)
主尺
cm
游标
0
10
20
3
4
5
游标
主尺
图(a)
指针
22. (2014·浙江)在“探究弹力和弹簧伸长的关系”时,某同学把两根弹簧如图连接起来进行探究.
表1
(1)某次测量如图2所示,指针示数为________ cm.
(2)在弹性限度内,将50 g的钩码逐个挂在弹簧下端,得到指针A、B的示数LA和LB如表1.用表1数据计算弹簧Ⅰ的劲度系数为____ N/m(重力加速度g取10 m/s2).由表Ⅰ数据________(选填“能”或“不能”)计算出弹簧Ⅱ的劲度系数.
题图2
23.(2014·新课标2) 某实验小组探究弹簧的劲度系数k与其长度(圈数)的关系.实验装置如图(a)所示:一均匀长弹簧竖直悬挂,7个指针P0、P1、P2、P3、P4、P5、P6分别固定在弹簧上距悬点0、10、20、30、40、50、60圈处;通过旁边竖直放置的刻度尺,可以读出指针的位置,P0指向0刻度.设弹簧下端未挂重物时,各指针的位置记为x0;挂有质量为0.100 kg的砝码时,各指针的位置记为x.测量结果及部分计算结果如下表所示(n为弹簧的圈数,重力加速度取9.80 m/s2).已知实验所用弹簧总圈数为60,整个弹簧的自由长度为11.88 cm.
(1)将表中数据补充完整:①________;②________.
图(a)
(2)以n为横坐标,eq \f(1,k)为纵坐标,在图(b)给出的坐标纸上画出eq \f(1,k) n图像.
图(b)
(3)图(b)中画出的直线可近似认为通过原点.若从实验中所用的弹簧截取圈数为n的一段弹簧,该弹簧的劲度系数k与其圈数n的关系的表达式为k=______N/m;该弹簧的劲度系数k与其自由长度l0(单位为m)的关系的表达式为k=______N/m.
24.(2015安徽)在“验证力的平行四边形定则”实验中,某同学用图钉把白纸固定在水平放置的木板上,将橡皮条的一端固定在木板上一点,两个细绳套系在橡皮条的另一端,用两个弹簧测力计分别拉住两个细绳套,互成角度地施加拉力,使得橡皮条伸长,结点到达纸面上某一位置,如图所示,请将以下的实验操作和处理补充完整:
①用铅笔描下结点位置,记为O;
②记录两个弹簧测力计的示数F1和F2,沿每条细绳的方向用铅笔分别描出几个点,用刻度尺把相应的点连成线;
③只用一个弹簧测力计,通过细绳套把橡皮条的结点仍拉到位置O,记录测力计的示数F3,_________;
④按照力的图示要求,作出拉力F1、F2、F3;
⑤根据力的平行四边形定则作出F1、F2的合力F;
⑥比较________________的一致程度,若有较大差异,对其原因进行分析,并作出相应的改进后再进行试验。
25.(2014·江苏)小明通过实验验证力的平行四边形定则.
(1)实验记录纸如题111图所示,O点为橡皮筋被拉伸后伸长到的位置,两弹簧测力计共同作用时,拉力F1和F2的方向分别过P1和P2点;一个弹簧测力计拉橡皮筋时,拉力F3的方向过P3点.三个力的大小分别为:F1=3.30 N、F2=3.85 N和F3=4.25 N.请根据图中给出的标度作图求出F1和F2的合力.
(2)仔细分析实验,小明怀疑实验中的橡皮筋被多次拉伸后弹性发生了变化,影响实验结果.他用弹簧测力计先后两次将橡皮筋拉伸到相同长度,发现读数不相同,于是进一步探究了拉伸过程对橡皮筋弹性的影响.
实验装置如题112图所示,将一张白纸固定在竖直放置的木板上,橡皮筋的上端固定于O点,下端N挂一重物.用与白纸平行的水平力缓慢地移动N,在白纸上记录下N的轨迹.重复上述过程,再次记录下N的轨迹.
两次实验记录的轨迹如题113图所示.过O点作一条直线与轨迹交于a、b两点,则实验中橡皮筋分别被拉伸到a和b时所受拉力Fa、Fb的大小关系为______.
(3)根据(2)中的实验,可以得出的实验结果有________(填写选项前的字母).
A.橡皮筋的长度与受到的拉力成正比
B.两次受到的拉力相同时,橡皮筋第2次的长度较长
C.两次被拉伸到相同长度时,橡皮筋第2次受到的拉力较大
D.两次受到的拉力相同时,拉力越大,橡皮筋两次的长度之差越大
(4)根据小明的上述实验探究,请对验证力的平行四边形定则实验提出两点注意事项.
26.(2011江苏)某同学用如图所示的实验装置来验证“力的平行四边形定则”。弹簧测力计A挂于固定点P,下端用细线挂一重物M。弹簧测力计B的一端用细线系于O点,手持另一端向左拉,使结点O静止在某位置。分别读出弹簧测力计A和B的示数,并在贴于竖直木板的白 记录O点的位置和拉线的方向。
(1)本实验用的弹簧测力计示数的单位为N,图中A的示数为_______N。
(2)下列不必要的实验要求是_________。(请填写选项前对应的字母)
(A)应测量重物M所受的重力
(B)弹簧测力计应在使用前校零
(C)拉线方向应与木板平面平行
(D)改变拉力,进行多次实验,每次都要使O点静止在同一位置
次数
1
2
3
4
5
6
7
0.62
0.56
0.48
0.40
0.32
0.24
0.15
0.25
0.29
0.33
0.40
0.50
0.71
1.00
s(m)
0.500
0.600
0.700
0.800
0.900
0.950
t(ms)
292.9
371.5
452.3
552.8
673.8
776.4
s/t(m/s)
1.71
1.62
1.55
1.45
1.34
1.22
砝码的质量m/kg
0.05
0.10
0.15
0.20
0.25
滑动摩擦力f/N
2.15
2.36
2.55
2.93
F(N)
0
0.50
1.00
1.05
2.00
2.50
l (cm)
l0
10.97
12.02
13.00
13.98
15.05
钩码数
1
2
3
4
LA/cm
15.71
19.71
23.66
27.76
LB/cm
29.96
35.76
41.51
47.36
P1
P2
P3
P4
P5
P6
x0(cm)
2.04
4.06
6.06
8.05
10.03
12.01
x(cm)
2.64
5.26
7.81
10.30
12.93
15.41
n
10
20
30
40
50
60
k(N/m)
163
①
56.0
43.6
33.8
28.8
eq \f(1,k)(m/N)
0.0061
②
0.0179
0.0229
0.0296
0.0347
相关试卷
这是一份高中物理高考 专题42 电学基础实验与创新实验(原卷版),共25页。
这是一份高中物理高考 专题41 力学基础实验与创新实验(原卷版),共16页。
这是一份高中物理高考 专题04 质量检测卷(原卷版),共9页。试卷主要包含了选择题,实验题,计算论述题等内容,欢迎下载使用。

