高中物理高考 专题42 电学基础实验与创新实验(原卷版)
展开【专题导航】
目录
TOC \ "1-3" \h \u \l "_Tc24552970" 热点题型一 以测电阻为核心的实验 PAGEREF _Tc24552970 \h 1
\l "_Tc24552971" 一、伏安法测电阻 PAGEREF _Tc24552971 \h 1
\l "_Tc24552972" 二、替代法法测电阻 PAGEREF _Tc24552972 \h 4
\l "_Tc24552973" 三、电表半偏法测电阻 PAGEREF _Tc24552973 \h 6
\l "_Tc24552974" 四、电桥平衡法测电阻 PAGEREF _Tc24552974 \h 9
\l "_Tc24552975" 五、安安法、伏伏法测电表的内阻 PAGEREF _Tc24552975 \h 11
\l "_Tc24552976" 热点题型二 以测电动势为核心的实验 PAGEREF _Tc24552976 \h 14
\l "_Tc24552977" 一、伏安法测电源电动势 PAGEREF _Tc24552977 \h 14
\l "_Tc24552978" 二、安阻法与伏阻法测电源电动势 PAGEREF _Tc24552978 \h 17
\l "_Tc24552979" 热点题型三 多用电表的使用及电表改装: PAGEREF _Tc24552979 \h 19
\l "_Tc24552980" 1、电压表的改装 PAGEREF _Tc24552980 \h 20
\l "_Tc24552981" 2、电流表的改装 PAGEREF _Tc24552981 \h 20
\l "_Tc24552982" 3、多用电表的电路结构: PAGEREF _Tc24552982 \h 22
\l "_Tc24552983" 4、多用电表使用注意事项 PAGEREF _Tc24552983 \h 23
【题型归纳】
热点题型一 以测电阻为核心的实验
一、伏安法测电阻
1、原理:根据部分电路欧姆定律。
2.测量电路的选择--------电流表内接法与外接法的选择
3.控制电路的选择-------滑动变阻器的限流式接法和分压式接法(不计电源内阻)
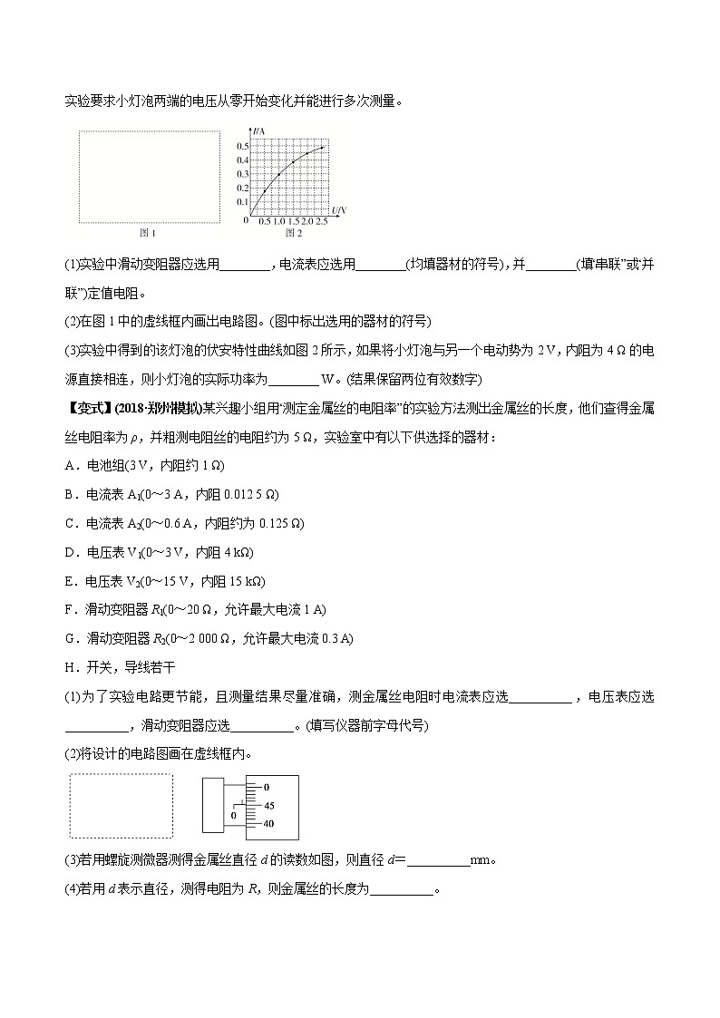
【例1】(2019·石家庄精英中学高三二调)某同学做“描绘小灯泡的伏安特性曲线”实验,已知小灯泡标称值为“2.5 V 1.25 W”,实验室中除导线和开关外,还有以下器材可供选择:
电压表V1(量程为3 V,内阻为3 kΩ);
电流表A1(量程为100 mA,内阻为10 Ω);
电流表A2(量程为3 A,内阻为0.1 Ω);
滑动变阻器R1(0~10 Ω,额定电流为2 A);
滑动变阻器R2(0~1 kΩ,额定电流为0.5 A);
定值电阻R3(阻值为2.5 Ω);
定值电阻R4(阻值为10 Ω);
定值电阻R5(阻值为1 kΩ);
电源E(E=3 V,内阻不计)。
实验要求小灯泡两端的电压从零开始变化并能进行多次测量。
(1)实验中滑动变阻器应选用________,电流表应选用________(均填器材的符号),并________(填“串联”或“并联”)定值电阻。
(2)在图1中的虚线框内画出电路图。(图中标出选用的器材的符号)
(3)实验中得到的该灯泡的伏安特性曲线如图2所示,如果将小灯泡与另一个电动势为2 V,内阻为4 Ω的电源直接相连,则小灯泡的实际功率为________ W。(结果保留两位有效数字)
【变式】(2018·郑州模拟)某兴趣小组用“测定金属丝的电阻率”的实验方法测出金属丝的长度,他们查得金属丝电阻率为ρ,并粗测电阻丝的电阻约为5 Ω,实验室中有以下供选择的器材:
A.电池组(3 V,内阻约1 Ω)
B.电流表A1(0~3 A,内阻0.012 5 Ω)
C.电流表A2(0~0.6 A,内阻约为0.125 Ω)
D.电压表V1(0~3 V,内阻4 kΩ)
E.电压表V2(0~15 V,内阻15 kΩ)
F.滑动变阻器R1(0~20 Ω,允许最大电流1 A)
G.滑动变阻器R2(0~2 000 Ω,允许最大电流0.3 A)
H.开关,导线若干
(1)为了实验电路更节能,且测量结果尽量准确,测金属丝电阻时电流表应选__________,电压表应选__________,滑动变阻器应选__________。(填写仪器前字母代号)
(2)将设计的电路图画在虚线框内。
(3)若用螺旋测微器测得金属丝直径d的读数如图,则直径d=__________mm。
(4)若用d表示直径,测得电阻为R,则金属丝的长度为__________。
二、替代法法测电阻
等效替代法测电阻:测量某电阻(或电流表、电压表的内阻)时,用电阻箱替换待测电阻,若二者对电路所起的作用相同(如电流或电压相等),则待测电阻与电阻箱是等效的。
1.电流等效替代
该方法的实验步骤如下:
(1)按如图电路图连接好电路,并将电阻箱R0的阻值调至最大,滑动变阻器的滑片P置于a端。
(2)闭合开关S1、S2,调节滑片P,使电流表指针指在适当的位置,记下此时电流表的示数为I。
(3)断开开关S2,再闭合开关S3,保持滑动变阻器滑片P位置不变,调节电阻箱,使电流表的示数仍为I。
(4)此时电阻箱连入电路的阻值R0与未知电阻Rx的阻值等效,即Rx=R0。
2.电压等效替代
该方法的实验步骤如下:
(1)按如图电路图连好电路,并将电阻箱R0的阻值调至最大,滑动变阻器的滑片P置于a端。
(2)闭合开关S1、S2,调节滑片P,使电压表指针指在适当的位置,记下此时电压表的示数为U。
(3)断开S2,再闭合S3,保持滑动变阻器滑片P位置不变,调节电阻箱使电压表的示数仍为U。
(4)此时电阻箱连入电路的阻值R0与未知电阻Rx的阻值等效,即Rx=R0。
【例2】(2018·高考全国卷Ⅰ)某实验小组利用如图甲所示的电路探究在25 ℃~80 ℃范围内某热敏电阻的温度特性.所用器材有:置于温控室(图中虚线区域)中的热敏电阻RT,其标称值(25 ℃时的阻值)为900.0 Ω;电源E(6 V,内阻可忽略);电压表○V (量程150 mV);定值电阻R0(阻值20.0 Ω),滑动变阻器R1(最大阻值为1 000 Ω);电阻箱R2(阻值范围0~999.9 Ω);单刀开关S1,单刀双掷开关S2.
实验时,先按图甲连接好电路,再将温控室的温度t升至80.0 ℃.将S2与1端接通,闭合S1,调节R1的滑片位置,使电压表读数为某一值U0;保持R1的滑片位置不变,将R2置于最大值,将S2与2端接通,调节R2,使电压表读数仍为U0;断开S1,记下此时R2的读数.逐步降低温控室的温度t,得到相应温度下R2的阻值,直至温度降到25.0 ℃.实验得到的R2t数据见下表.
回答下列问题:
(1)在闭合S1前,图甲中R1的滑片应移动到________(填“a”或“b”)端.
(2)在图乙的坐标纸上补齐数据表中所给数据点,并作出R2t曲线.
(3)由图乙可得到RT在25 ℃~80 ℃范围内的温度特性.当t=44.0 ℃时,可得RT=________Ω.
(4)将RT握于手心,手心温度下R2的相应读数如图丙所示,该读数为________Ω,则手心温度为________℃.
【变式】电流表A1的量程为0~200 μA、内电阻约为500 Ω,现要测其内阻,除若干开关、导线之外还有器材如下:
电流表A2:与A1规格相同
滑动变阻器R1:阻值0~20 Ω
电阻箱R2:阻值0~9 999 Ω
保护电阻R3:阻值约为3 kΩ
电源:电动势E约1.5 V、内电阻r约2 Ω
(1)如图所示,某同学想用替代法测量电流表内阻,设计了部分测量电路,在此基础上请你将滑动变阻器接入电路中,使实验可以完成.
(2)电路补充完整后,请你完善以下测量电流表A1内电阻的实验步骤.
a.先将滑动变阻器R1的滑动端移到使电路安全的位置,再把电阻箱R2的阻值调到________(填“最大”或“最小”);
b.闭合开关S1、S,调节滑动变阻器R1,使两电流表的指针在满偏附近,记录电流表A2的示数I;
c.断开S1,保持S闭合、R1不变,再闭合S2,调节R2,使电流表A2的示数________,读出此时电阻箱的阻值R0,则电流表A1内电阻r=________.
三、电表半偏法测电阻
电表有着自己神奇的一面,那就是当它接入电路中时,可以显示自己的读数,因此我们便可以利用它自身读数的变化(如半偏)巧妙地测量出它的内阻。半偏法常用于测量电表的内阻,对于半偏法测电表内阻有以下两种设置方法:
(一)电流表半偏法------“并联分流且并联电路电压相同”
1.实验步骤
(1)按如图所示连接实验电路;
(2)断开S2,闭合S1,调节R1,使电流表读数等于其量程Im;
(3)保持R1不变,闭合S2,调节R2,使电流表读数等于eq \f(1,2)Im,然后读出R2的值,若满足R1≫RA,则可认为RA=R2。
2.实验条件:R1≫RA
3.测量结果:RA测=R2
当闭合S2时,总电阻减小,总电流增大,大于原电流表的满偏电流,而此时电流表半偏,所以流经R2的电流比电流表所在支路的电流大,R2的电阻比电流表的电阻小,而我们把R2的读数当成电流表的内阻,故测得的电流表的内阻偏小。
(二)电压表半偏法-------“串联分压且串联电路电流相同”
1.实验步骤
(1)按如图连接实验电路;
(2)将R2的值调为零,闭合S,调节R1的滑动触头,使电压表读数等于其量程Um;
(3)保持R1的滑动触头不动,调节R2,使电压表读数等于eq \f(1,2)Um,然后读出R2的值,若R1≪RV,则可认为RV=R2。
2.实验条件:R1≪RV
3.测量结果:RV测=R2>RV
4.误差分析
当R2的值由零逐渐增大时,R2与电压表两端的电压也将逐渐增大,因此电压表读数等于eq \f(1,2)Um时,R2两端的电压将大于eq \f(1,2)Um,使R2>RV,从而造成RV的测量值偏大。显然半偏电压法适于测量内阻较大的电压表的电阻。
【例3】 (2019·兰州高三诊断考试)某兴趣小组在学习了多用电表后,在实验室找到一个电流表G,尝试自己动手改装一个电压表。
(1)先用半偏法测量电流表G的内阻,实验电路图如图所示,准备有下列器材:
A.待测电流表G(量程1 mA,内阻约几十欧)
B.滑动变阻器(阻值范围0~100 Ω)
C.滑动变阻器(阻值范围0~20 kΩ)
D.电阻箱(0~999.9 Ω)
E.电阻箱(0~9999 Ω)
F.电源(电动势9 V,有内阻)
G.开关、导线
①实验中要求有较高的精确度,在以上器材中,R1应选用________,R2应选用________。
②实验要进行的步骤有:
A.闭合开关S1
B.闭合开关S2
C.将R1的阻值调到最大
D.调节R1的阻值,使电流表指针满偏
E.调节R2的阻值,使电流表指针偏转到满刻度一半处
F.记下R2的阻值并断开S1
G.按图所示连接好实验电路
以上步骤,合理的顺序是____________(用步骤前的英文字母表示)。
③若在步骤F中读得R2的阻值是50.0 Ω,则电流表内阻Rg=________ Ω。
(2)要将该电流表改装成量程是3 V的电压表,则应串联一个阻值是________ Ω的电阻。
【变式】电压表满偏时通过该表的电流是半偏时通过该表电流的两倍。某同学利用这一事实测量电压表的内阻(半偏法),实验室提供的器材如下:
待测电压表V(量程3 V,内阻约为3 000 Ω),电阻箱R0(最大阻值为99 999.9 Ω),滑动变阻器R1(最大阻值100 Ω,额定电流2 A),电源E(电动势6 V,内阻不计),开关2个,导线若干。
(1)虚线框内为该同学设计的测量电压表内阻的电路图的一部分,将电路图补充完整。
(2)根据设计的电路,写出实验步骤:
_______________________________________________________________________________________________________________________________________。
(3)将这种方法测出的电压表内阻记为RV′,与电压表内阻的真实值RV相比,RV′________RV(填“>”、“=”或“<”),主要理由是
________________________________________________________________________________________
_______________________________________________。
四、电桥平衡法测电阻
电桥法是测量电阻的一种特殊方法,其测量电路如图所示,
实验中调节电阻箱R3,当A、B两点的电势相等时,R1和R3两端的电压相等,设为U1。同时R2和Rx两端的电压也相等,设为U2,根据欧姆定律有:eq \f(U1,R1)=eq \f(U2,R2),eq \f(U1,R3)=eq \f(U2,Rx),由以上两式解得:R1×Rx=R2×R3,这就是电桥平衡的条件,由该平衡条件也可求出被测电阻Rx的阻值。在上面的电路图中:
(1)当eq \f(R1,R2)=eq \f(R3,Rx)时,UAB=0,IG=0。
(2)当eq \f(R1,R2)
(3)当eq \f(R1,R2)>eq \f(R3,Rx)时,UAB<0,IG≠0,且方向B→A。
注意:在用电桥法测电阻时要注意两点,一是要明确电路的结构,电路中由四个电阻先两两串联,然后在中间串上电流计,那么串联电流计的那部分就是“桥”,二是要明确电桥平衡的条件。
【例4】(2017·全国卷Ⅱ)某同学利用如图(a)所示的电路测量一微安表(量程为100 μA,内阻大约为2 500 Ω)的内阻。可使用的器材有:两个滑动变阻器R1,R2(其中一个阻值为20 Ω,另一个阻值为2 000 Ω);电阻箱Rz(最大阻值为99 999.9 Ω);电源E(电动势约为1.5 V);单刀开关S1和S2。C、D分别为两个滑动变阻器的滑片。
(1)按原理图(a)将图(b)中的实物连线。
(2)完成下列填空:
①R1的阻值为________ Ω(填“20”或“2 000”)
②为了保护微安表,开始时将R1的滑片C滑到接近图(a)中滑动变阻器的________端(填“左”或“右”)对应的位置;将R2的滑片D置于中间位置附近。
③将电阻箱Rz的阻值置于2 500.0 Ω,接通S1。将R1的滑片置于适当位置,再反复调节R2的滑片D的位置、最终使得接通S2前后,微安表的示数保持不变,这说明S2接通前B与D所在位置的电势________(填“相等”或“不相等”。)
④将电阻箱Rz和微安表位置对调,其他条件保持不变,发现将Rz的阻值置于2 601.0 Ω时,在接通S2前后,微安表的示数也保持不变。待测微安表的内阻为________ Ω(结果保留到个位)。
(3)写出一条提高测量微安表内阻精度的建议:________。
【变式】某同学利用如图所示的电路可以测量多个物理量.
实验室提供的器材有:两个相同的待测电源(内阻r≈1 Ω),电阻箱R1(最大阻值为999.9 Ω),电阻箱R2(最大阻值为999.9 Ω),电压表V(内阻约为2 kΩ),电流表A(内阻约为2 Ω),灵敏电流计G,两个开关S1、S2.主要实验步骤如下:
①按图连接好电路,调节电阻箱R1和R2至最大,闭合开关S1和S2,再反复调节R1和R2,使电流计G的示数为0,读出电流表A、电压表V、电阻箱R1、电阻箱R2的示数分别为I1、U1、r1、r2;
②反复调节电阻箱R1和R2(与①中的电阻值不同),使电流计G的示数为0,读出电流表A、电压表V的示数分别为I2、U2.
回答下列问题:
(1)电流计G的示数为0时,电路中A和B两点的电势φA和φB的关系为________;
(2)电压表的内阻为________,电流表的内阻为________;
(3)电源的电动势E为________,内阻r为________.
五、安安法、伏伏法测电表的内阻
【例5】用以下器材可测量电阻Rx的阻值.
待测电阻Rx,阻值约为600 Ω;
电源E,电动势约为6.0 V,内阻可忽略不计;
电压表V1,量程为0~500 mV,内阻r1=1 000 Ω;
电压表V2,量程为0~6 V内阻r2约为10 kΩ;
电流表A,量程为0~0.6 A,内阻r3约为1 Ω;
定值电阻R0,R0=60 Ω;
滑动变阻器R,最大阻值为150 Ω;
单刀单掷开关S一个,导线若干.
(1)测量中要求两只电表的读数都不小于其量程的eq \f(1,3),并能测量多组数据,请在虚线框中画出测量电阻Rx的实验电路图.
(2)若选择测量数据中的一组来计算Rx,则由已知量和测量物理量计算Rx的表达式为Rx=________,式中各符号的意义是__________________________________.
(所有物理量用题中代表符号表示)
.【变式】用安安法测定一个待测电阻Rx的阻值(阻值约为200 Ω),实验室提供如下器材:
电池组E:电动势3 V,内阻不计;
电流表A1:量程0~15 mA,内阻约为100 Ω;
电流表A2:量程0~300 μA,内阻为1 000 Ω;
滑动变阻器R1:阻值范围0~20 Ω,额定电流2 A;
电阻箱R2:阻值范围0~9 999 Ω,额定电流1 A;
开关S、导线若干.
要求实验中尽可能准确地测量Rx的阻值,请回答下列问题:
(1)为了测量待测电阻两端的电压,可以将电流表________(填写器材代号)与电阻箱串联,并将电阻箱阻值调到________ Ω,这样可以改装成一个量程为3.0 V的电压表.
(2)在图中画完整测量Rx阻值的电路图,并在图中标明器材代号.
(3)调节滑动变阻器R1,两表的示数如图所示,可读出电流表A1的示数是________ mA,电流表A2的示数是________ μA,测得待测电阻Rx的阻值是________Ω.
热点题型二 以测电动势为核心的实验
一、伏安法测电源电动势
1.实验电路
(1)从减小误差考虑,普通的干电池内阻较小,应选用电流表内接法,当被测电源内阻较大时,应选用电流表外接法.
(2)为了防止在调节滑动变阻器时造成短路,通常在干路中串联一个保护电阻.
2.器材选择
(1)电压表:根据所测电池的电动势选择量程.
(2)电流表:由于干电池允许的最大电流约为0.5 A,电流表一般用0.6 A量程.
(3)滑动变阻器:既要考虑把电流控制在安全范围内,不能使阻值太小;又要考虑调节方便,不能使阻值太大.
3.实验数据的处理
(1)公式法:由U=E-Ir得eq \b\lc\{\rc\ (\a\vs4\al\c1(U1=E-I1r,U2=E-I2r)),解得E、r,算出它们的平均值.
(2)图象法:由于干电池的内阻较小,路端电压U的变化也较小,画UI图线时,纵轴的刻度通常不从零开始,这时图线和横轴的交点不再是短路电流,而图线与纵轴的截距仍为电源的电动势,图线斜率的绝对值仍为内电阻.
4.实验数据的误差分析
(1)偶然误差
①由于读数不准和电表线性不良引起误差.
②用图象法求E和r时,由于作图不准确造成误差.
③测量过程中通电时间过长或电流过大,都会引起E、r变化.
(2)系统误差
由于电压表和电流表内阻影响而导致的误差.
①如图甲所示,在理论上E=U+(IV+IA)r,其中电压表示数U是准确的电源两端电压.而实验中忽略了通过电压表的电流IV而形成误差,而且电压表示数越大,IV越大.
结论:
a.当电压表示数为零时,IV=0,IA=I短,短路电流测量值=真实值;b.E测
结论:
a.E为真实值;b.I短测c.因为r测=eq \f(E,I短测),所以r测>r真,r测为r真和RA的串联值,由于通常情况下电池的内阻较小,所以这时r测的测量误差非常大.
【例6】(2019·黑龙江模拟)为了测量一节干电池的电动势和内阻,某同学采用了伏安法,现备有下列器材:
A.被测干电池一节;
B.电流表1:量程0~0.6 A,内阻rA=0.3 Ω;
C.电流表2:量程0~0.6 A,内阻约为0.1 Ω;
D.电压表1:量程0~3 V,内阻未知;
E.电压表2:量程0~15 V,内阻未知;
F.滑动变阻器1:0~10 Ω,2 A;
G.滑动变阻器2:0~100 Ω,1 A;
H.开关、导线若干.
伏安法测电池电动势和内阻的实验中,由于电流表和电压表内阻的影响,测量结果存在系统误差;在现有器材的条件下,要尽可能准确地测量电池的电动势和内阻.
(1)在上述器材中应选择的器材为:________(填写选项前的字母);
(2)实验电路图应选择下图中的________(填“甲”或“乙”);
(3)根据实验中电流表和电压表的示数得到了如图丙所示的UI图象,则干电池的电动势E=________V,内电阻r=________Ω.
【变式】某兴趣小组利用图甲所示电路测定一组干电池的内阻r和一待测电阻的阻值Rx.已知电池组的电动势约为 6 V,电池组内阻和待测电阻的阻值都约为10 Ω,且不超过10 Ω,可供选用的实验器材有:
A.电流表(量程0~300 mA,内阻不计);
B.电流表(量程0~3 A,内阻不计);
C.电压表(量程0~6 V,内阻很大);
D.电压表(量程0~15 V,内阻很大);
E.滑动变阻器R(阻值0~100 Ω);
F.开关S一个,导线若干.
该实验过程如下:
(1)在连接电路前,先选择合适的器材,电流表应选用______,电压表应选用________.(填所选器材前的字母)
(2)按图甲正确连接好电路后,将滑动变阻器的阻值调到最大,闭合开关,逐次调小其接入电路的阻值,测出多组U和I的值,并记录相应的数据,以U为纵轴,I为横轴,得到图乙所示的图线.
(3)断开开关S,将Rx改接在B、C之间,A与B用导线直接相连,其他部分保持不变.重复步骤(2),得到另一条UI图线,其斜率的绝对值为k.
(4)根据上面实验数据结合图乙可得,电池组的内阻r=________Ω;用k和r表示待测电阻的关系式为Rx=________.
二、安阻法与伏阻法测电源电动势
【例7】(2019·四川攀枝花高三一诊)某物理研究小组尝试利用图甲所示电路测量一节干电池(电动势约1.5 V,内阻为几欧姆)的电动势和内阻.其中:电流表A(量程IA=200 mA,内阻RA=10 Ω)、电阻箱R(99.99 Ω,额定电流1 A)、定值电阻R0(R0=5 Ω).
闭合开关S,改变电阻箱的阻值R,读出对应的电流表的读数I.然后再把相应的数据转换成eq \f(1,R)和eq \f(1,I),填入如下表格中.
回答下列问题:
(1)请把第4组数据点补充在eq \f(1,I) eq \f(1,R)图中,并画出eq \f(1,I) eq \f(1,R)的图线.
(2)根据eq \f(1,I) eq \f(1,R)图线求出电池的电动势E=________V,内阻r=________Ω.(保留2位有效数字)
【变式】某同学准备利用下列器材测量干电池的电动势和内阻.
A.待测干电池一节,电动势约为1.5 V,内阻约为几欧姆
B.直流电压表V,量程为3 V,内阻非常大
C.定值电阻R0=150 Ω
D.电阻箱R
E.导线和开关
根据如图甲所示的电路连接图进行实验操作.多次改变电阻箱的阻值,记录每次电阻箱的阻值R和电压表的示数U.在eq \f(1,U) R坐标系中描出的坐标点如图乙所示.
(1)分别用E和r表示电源的电动势和内阻,则eq \f(1,U)与R的关系式为________.
(2)在图乙坐标纸上画出eq \f(1,U) R关系图线.
乙
(3)根据图线求得斜率k=________V-1·Ω-1,截距b=________V-1(保留两位有效数字).
(4)根据图线求得电源电动势E=________V,内阻r=________Ω(保留三位有效数字).
热点题型三 多用电表的使用及电表改装:
1、电压表的改装
(1)原理:很小,不能直接换刻度测电压,需要串联一个如图所示的分压电阻。
(2)分压电阻的计算:由串联电路的特点知:
则:
因为电压扩大表头量程的倍数:所以改装后电压表的总电阻为。
注:相同的表头改装成的不量程的电压表串联,指针偏转角度相同。
2、电流表的改装
(1)原理:很小,不能直接换刻度测电流,需要并联一个如图所示的分流电阻。
(2)分流电阻的计算:由并联电路的特点知则:因为电流扩大表头量程的倍数:所以改装后电压表的总电阻为
注:相同表头改装成量程不同的电流表并联,指针偏转角度相同。
3、欧姆表的改装:
(1)主要部件:表头、可调电阻、电源、红黑表笔等。电路如图。
(2)原理:由闭合电路欧姆定律得:, ,
与不成正比,时,。
(3)刻度盘的特点:
①零刻度线在最右端,从右向左读数;
②刻度不均匀,前疏后密。中值电阻附近误差小。
欧姆调零:,
中值电阻:,则。
任意电阻:因为: 所以:
(4)使用方法:
①首先机械调零;
②再欧姆调零,即两表笔直接短接,调整,让指针指在欧姆表盘最右端零刻度处;
③连接被测电阻,读出刻度盘示数,,其中为档位倍数。若指针偏右,需缩小倍数,选小的档位;若指针偏左,需放大倍数,选大的档位。(小大大小)
④每换一次档位,需重新调零。
3、多用电表的电路结构:
1、当B接1、2时多用表测电流且1的量程比2的大。
接1:根据电表改装原理有:
接2:根据电表改装原理有:=
当B接3时多用表测电阻:其中
3、当B接4、5时多用表测电压且5的量程比4的大。
接4:根据电表改装原理有:其中
接5:根据电表改装原理有:=其中
4、多用电表使用注意事项
1、欧姆表中电流的方向。从黑表笔流出,经过待测电阻,从红表笔流入。
2、多用电表在使用前,一定要观察指针是否指向电流的零刻度。若有偏差,应调整机械零点;测电阻前要进行欧姆调零。
3、合理选择电流、电压挡的量程,使指针尽可能指在表盘中央附近;
4、测电流电压时红表笔接高电势。
5、测电阻时,待测电阻要与别的元件断开,切不要用手接触表笔;
6、合理选择欧姆挡的量程,使指针尽可能指在表盘中央附近;
7、换用欧姆档的量程时,一定要重新调整欧姆零点;
8、换挡原则:“小大大小”
9、要用欧姆档读数时,注意乘以选择开关所指的倍数;
10、实验完毕,将表笔从插孔中拔出,并将选择开关置于“OFF”挡或交流电压最高挡。长期不用,应将多用电表中的电池取出。
【例8】(2019·广东珠海一模)某同学在练习使用多用电表时连接的电路如甲图所示:
(1)若旋转选择开关,使尖端对准直流电流挡,此时测得的是通过________(选填“R1”或“R2”)的电流;
(2)若断开电路中的开关,旋转选择开关使其尖端对准欧姆挡,则测得的是________。
A.R1的电阻 B.R2的电阻
C.R1和R2的串联电阻 D.R1和R2的并联电阻
(3)将选择倍率的旋钮拨至“×10”的挡时,测量时指针偏转角很大,为了提高测量的精确度,应将选择开关拨至________挡(选填“×100”或“×1”),将两根表笔短接调节调零旋钮,使指针停在0 Ω刻度线上,然后将两根表笔分别接触待测电阻的两端,若此时指针偏转情况如图丙所示,则所测电阻大小为________ Ω。
(4)乙图是该多用表欧姆挡“×100”内部电路示意图,电流表满偏电流为1.0 mA、内阻为10 Ω,则该欧姆挡选用的电池电动势应该为________ V。
【变式1】.(2019·福建高中毕业班3月质检)某同学用内阻Rg=20 Ω、满偏电流Ig=5 mA的毫安表制作了一个简易欧姆表,电路如图甲,电阻刻度值尚未标注。
(1)该同学先测量图甲中电源的电动势E,实验步骤如下:
①将两表笔短接,调节R0使毫安表指针满偏;
②将阻值为200 Ω的电阻接在两表笔之间,此时毫安表指针位置如图乙所示,该示数为________ mA;
③计算得电源的电动势E=________ V。
(2)接着,他在电流刻度为5.00 mA的位置标上0 Ω,在电流刻度为2.00 mA的位置标上________ Ω,并在其他位置标上相应的电阻值。
(3)该欧姆表用久后,电池老化造成电动势减小、内阻增大,但仍能进行欧姆调零,则用其测得的电阻值________真实值(填“大于”“等于”或“小于”)。
(4)为了减小电池老化造成的误差,该同学用一电压表对原电阻刻度值进行修正。将欧姆表的两表笔短接,调节R0使指针满偏;再将电压表接在两表笔之间,此时电压表示数为1.16 V,欧姆表示数为1200 Ω,则电压表的内阻为________ Ω,原电阻刻度值300 Ω应修改为________ Ω。
【变式2】(2019·山东泰安一模)如图为某同学组装完成的简易多用电表的电路图。图中E是电池;R1、R2、R3、R4和R5是固定电阻,R6是最大阻值为20 kΩ的可变电阻;表头G的满偏电流为250 μA,内阻为600 Ω。虚线方框内为换挡开关。A端和B端分别与两表笔相连。该多用电表有5个挡位。5个挡位为:直流电压1 V挡和5 V挡,直流电流1 mA挡和2.5 mA挡,欧姆×1 kΩ挡。
(1)图中的A端与________(填“红”或“黑”)色表笔相连接。
(2)关于R6的使用,下列说法正确的是________(填正确答案标号)。
A.在使用多用电表之前,调整R6使电表指针指在表盘左端电流“0”位置
B.使用欧姆挡时,先将两表笔短接,调整R6使电表指针指在表盘右端电阻“0”位置
C.使用电流挡时,调整R6使电表指针尽可能指在表盘右端电流最大位置
(3)要想使用直流电压1 V挡,选择开关B应与________相连(填选择开关对应的数字)。
(4)根据题给条件可得R1+R2=________ Ω。
(5)将选择开关与“3”相连,把表笔插入A、B并短接,滑动R6的滑片到最上端a处,表头G的指针指在表盘电流125 μA处;滑动R6的滑片到最下端b处,表头G的指针指在表盘电流250 μA处。则电池的电动势E=________ V。
【变式3】(2018·开封一模)某同学为了将一量程为3 V的电压表改装成可测量电阻的仪表-欧姆表
(1)先用如图a所示电路测量该电压表的内阻,图中电源内阻可忽略不计,闭合开关,将电阻箱阻值调到3 kΩ时,电压表恰好满偏;将电阻箱阻值调到12 kΩ时,电压表指针指在如图b所示的位置,则电压表的读数为________V。由以上数据可得电压表的内阻Rv=______kΩ;
(2)将图a的电路稍作改变,在电压表两端接上两个表笔,就改装成了一个可测量电阻的简易欧姆表,如图c所示,为将表盘的电压刻度转换为电阻刻度,进行了如下操作:将两表笔断开,闭合开关,调节电阻箱,使指针指在“3.0 V”处,此处刻度应标阻值为____(填“0”或“∞”);再保持电阻箱阻值不变,在两表笔间接不同阻值的已知电阻找出对应的电压刻度,则“1 V”处对应的电阻刻度为______kΩ;
(3)若该欧姆表使用一段时间后,电池内阻不能忽略且变大,电动势不变,但将两表笔断开时调节电阻箱,指针仍能满偏,按正确使用方法再进行测量,其测量结果将________。
A.偏大 B.偏小 C.不变 D.无法确定
比较项目
电流表内接法
电流表外接法
电路
误差原因
由于电流表内阻的分压作用,电压表测量值偏大
由于电压表内阻的分流作用,电流表测量值偏大
测量结果
R测=eq \f(U,I)=RA+Rx>Rx
电阻的测量值大于真实值
R测=eq \f(U,I)=eq \f(RV,RV+Rx)Rx
适用条件
Rx≫RA,大电阻
Rx≪RV,小电阻
限流式接法
分压式接法
对比说明
两种接法
电路图
串、并联关系不同
负载R上电压调节
范围
eq \f(RE,R+Rab)≤U≤E
0≤U≤E
分压电路调节范围大
负载R上电流调节
范围
eq \f(E,R+Rab)≤I≤eq \f(E,R)
0≤I≤eq \f(E,R)
分压电路调节范围大
闭合S前滑片P
位置
b端
a端
都是为了保护电路元件
t/℃
25.0
30.0
40.0
50.0
60.0
70.0
80.0
R2/Ω
900.0
680.0
500.0
390.0
320.0
270.0
240.0
实验原理
安安法测电流表内阻
(1)如图甲所示,将两电流表并联,根据I1r1=I2r2求出电流表 (或)的内阻r1(或r2)。
(2)如图乙所示,将电流表与定值电阻R0并联再与电流表串联,根据I1r1=(I2-I1)R0,求出的内阻r1(该法又称为电流表差值法测电流表内阻)。
2.伏伏法测电压表内阻
(1)如图丙所示,将两电压表串联,根据eq \f(U1,r1)=eq \f(U2,r2),求出电压表 (或)的内阻。
(2)如图丁所示,将电压表与定值电阻R0串联再与电压表并联,根据U2=U1+eq \f(U1,r1)R0,求出电压表的内阻(此法又称为电压表差值法测电压表的内阻)。
方法分析
方法
电路
实验条件
实验结果
安安法
图甲
①、的满偏电压相等或差不多
②r1、r2已知其一
r1=eq \f(I2,I1)r2或r2=eq \f(I1,I2)r1
图乙
①的量程大于的量程
②R0已知
r1=eq \f(I2-I1R0,I1)
伏伏法
图丙
①、的满偏电流相等或差不多
②r1、r2已知其一
r1=eq \f(U1,U2)r2或r2=eq \f(U2,U1)r1
图丁
①的量程大于的量程
②R0已知
r1=eq \f(U1,U2-U1)R0
实验电路
安阻法
伏阻法
实验
原理
E=I1(R1+r)
E=I2(R2+r)
E=eq \f(I1I2R1-R2,I2-I1)
r=eq \f(I1R1-I2R2,I2-I1)
E=U1+eq \f(U1,R1)r
E=U2+eq \f(U2,R2)r
E=eq \f(U1U2R1-R2,U2R1-U1R2)
r=eq \f(R1R2U1-U2,U2R1-U1R2)
图象
数据组
1
2
3
4
5
6
7
eq \f(1,R)/(×10-2 Ω-1)
2.5
3.3
4.0
5.0
6.7
8.3
10.0
eq \f(1,I)/A-1
15.5
16.0
16.4
17.0
18.0
19.0
20.0
专题11 力学实验与电学实验【练】(原卷版): 这是一份专题11 力学实验与电学实验【练】(原卷版),共16页。试卷主要包含了,开关S,导线若干等内容,欢迎下载使用。
专题11 力学实验与电学实验【讲】(原卷版): 这是一份专题11 力学实验与电学实验【讲】(原卷版),共22页。
2022届高考备考物理二轮专题练习——电学基础实验与创新实验(解析版): 这是一份2022届高考备考物理二轮专题练习——电学基础实验与创新实验(解析版),共63页。试卷主要包含了6 A,内阻rA=0等内容,欢迎下载使用。

