山东省泰安市新泰市2019-2020学年九年级下学期期中物理试题(五四学制)
展开2019-2020学年山东省泰安市新泰市九年级(下)期中物理试卷(五四学制)
一、选择题(本题共15题,共30分.以下每题各只有一个正确答案,选对得2分;多选、错选均不得分;把正确答案的序号用铅笔涂在答题纸的规定位置)
1.(2分)下列数据中,最符合生活实际的是( )
A.人的正常体温约为42℃
B.人步行的速度约为4km/h
C.人体的安全电压是36V
D.一个苹果重约0.15N
2.(2分)2018年平昌冬奥会上,智能机器人Troika可以用简单语言与人交流。关于机器人的声音下列说法正确的是( )
A.机器人的声音不是由振动产生的
B.机器人的声音可以在真空中传播
C.机器人的声音与运动员的声音音色不同
D.机器人的声音在空气中的传播速度约为3×108m/s
3.(2分)下列关于光现象的描述中,正确的是( )
A.海市蜃楼是由于光的反射形成的
B.月食的形成与“小孔成像”的原理是一样的
C.“潭清疑水浅”与“池水映明月”的形成原因是一样的
D.雨过天晴后天空中出现的彩虹是光的反射现象
4.(2分)关于内能、热量和温度,下列说法中正确的是( )
A.物体的内能减少,它的温度一定降低
B.物体的内能增加,一定是从外界吸收了热量
C.内能小的物体不可能将热量传递给内能大的物体
D.热机做功冲程中,内能转化为机械能
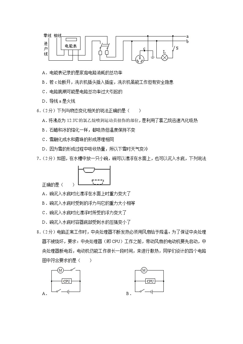
5.(2分)如图是家庭电路示意图。下列说法错误的是( )
A.电能表记录的是家庭电路消耗的总功率
B.若c处断开,洗衣机插头插入插座,洗衣机虽能工作但有安全隐患
C.电路跳闸可能是电路总功率过大引起的
D.导线a是火线
6.(2分)下列与物态变化相关的说法正确的是( )
A.将沸点为12.3℃的氯乙烷喷到运动员扭伤的部位,是利用了氯乙烷迅速汽化吸热
B.石蜡和冰的熔化一样,都吸热但温度保持不变
C.雪融化成水和露珠的形成原理相同
D.因为雪的形成过程中吸收热量,所以下雪时天气变冷
7.(2分)如图,在水槽中放一只小碗,碗可以漂浮在水面上,也可以沉入水底,下列说法正确的是( )
A.碗沉入水底时比漂浮在水面上时重力变大了
B.碗沉入水底时受到的浮力与它的重力大小相等
C.碗沉入水底时比漂浮时所受的浮力变大了
D.碗沉入水底时容器底部受到水的压强变小了
8.(2分)电脑正常工作时,中央处理器不断发热必须用风扇给予降温。为了保证中央处理器不被烧坏,要求:中央处理器(即CPU)工作之前,带动风扇的电动机要先启动,中央处理器断电后,电动机仍能工作很长一段时间,来进行散热,同学们设计的四个电路图中符合要求的是( )
A. B.
C. D.
9.(2分)如图是小朋友玩跳跳床的情景,对他们在上升和下落过程中分析正确的是( )
A.小朋友在空中上升的过程中动能转化为重力势能
B.小朋友从接触跳跳床到下落到最低处的过程中弹性势能转化为动能
C.小朋友从空中下落,是由于惯性作用
D.小朋友被跳跳床弹起时,若以地面为参照物,小朋友是静止的
10.(2分)如图是抓拍机动车闯红灯装置的工作原理示意图。光控开关接收到红灯发出的光会自动闭合,压力开关受到机动车的压力会闭合,摄像系统在电路接通时可自动拍摄违章车辆。下列有关说法正确的是( )
A.摄像系统拍摄的图象是正立缩小的虚像
B.当红灯损坏不能发光时,该装置仍能正常工作
C.若将光控开关和压力开关并联,也能起到相同的作用
D.只要光控开关和压力开关有一个不闭合,摄像系统都不会自动拍摄
11.(2分)如图所示的滑轮组,用F=30N的拉力,拉动水平地面上重为300N的物体,使物体匀速前进了2m。物体和地面之间的摩擦力为45N,在此过程中,下列说法正确的是( )
①拉力做的功是120J
②绳子自由端移动的距离是2m
③滑轮组的机械效率是75%
④A点受到的拉力为300N
A.①④ B.②③ C.①③ D.③④
12.(2分)如图,用水平拉力F拉动物体A在水平面上做匀速直线运动,物体B静止,若不计绳和弹簧测力计的重力,下列说法正确的是( )
①弹簧测力计的示数大于A对B的摩擦力
②B对A的摩擦力方向水平向左
③B所受的重力和A对B的支持力是一对平衡力
④A所受的水平拉力F和地面对A的摩擦力是一对平衡力
A.只有①② B.只有①③ C.只有②③ D.只有②④
13.(2分)如图,图1测凸透镜的焦距,图2为“探究凸透镜的成像规律”并在图示位置的光屏上成清晰的像,下列说法正确的是( )
①由图1可知凸透镜的焦距是10.0cm
②图2的成像特点与幻灯机的原理相同
③图2中若在凸透镜与蜡烛之间“戴上”近视镜,光屏向右移动才能找到清晰地像
④图2中若用避光板挡住凸透镜的上半部分,光屏上只出现像的下半部分
A.只有①② B.只有①③ C.只有②③ D.只有③④
14.(2分)如图,两个同样的容器一正一反放置在同一水平桌面上,容器顶部和底部的材料和光滑程度均相同。容器内装有质量和深度均相同的不同液体,密度分别为ρ1和ρ2,若它们分别在水平方向的拉力F1和F2的作用下沿桌面做匀速直线运动,速度分别为v和2v,容器底部受到液体的压强分别为p1和p2,容器对桌面的压力分别为N1和N2,下列关系式①ρ1>ρ2②F1=F2③p1<p2④N1<N2,其中正确的是( )
A.只有①② B.只有①③ C.只有②③ D.只有②④
15.(2分)如图甲所示,电源电压恒为6V,额定电压都为6V的灯L1和L2的U﹣I图线如图乙所示,滑动变阻器铭牌上标有“18Ω1.5A”字样,电压表所接量程为0~3V,电流表所接量程为0~3A,下列说法中正确的是( )
①灯泡L1的额定功率为6W②两灯都正常发光时电流表的示数为1.5A
③该电路中最大电功率是9W④该电路中最小电功率是1.2W
A.只有①④ B.只有②③ C.只有①②③ D.只有②③④
二、填空题(每空1分,共4分)
16.(1分)小宇站在竖直放置的穿衣镜前3m处,镜中的像与他之间的距离为 m。
17.(1分)在倡导新旧动能转换,节约能源的今天,很多出租车使用天然气代替柴油或汽油,某段时间一辆出租车消耗0.4m3天然气,如果该出租车发动机的效率为20%,则得到的机械能为 J.(天然气的热值为7×107J/m3)
18.(1分)如图,将两个易拉罐平行放置在水平桌面上,为了能让两个易拉罐间距离增大,可用吸管按图中箭头 (选填“A”或“B”)的方向用力吹气。
19.(1分)如图为某段电路中的三个电阻的连接图,已知电流I=2A,I1=1.5A,R2=8Ω,R3=30Ω,则R1的阻值是 。
三、作图题(每题2分,共4分)
20.(2分)如图所示,A、B是镜前一个点光源S发出的光线经平面镜反射后的两条反射光线,请在图中标出点光源S和像点S′的位置。并完成反射光路图。
21.(2分)在图中画出力F的力臂,并标上字母L。
五、计算题(第24题8分,第25题8分,共16分
24.(8分)小明用如图甲所示的滑轮组提升物体A,若将A匀速提高2m做的有用功为2160J,求:
(1)物体A所受重力是多少?
(2)若此时滑轮组机械效率为90% (不计绳重和摩擦),小明的体重为640N,小明与地面接触面积为4×10﹣2m2,则小明对地面的压强是多少?
(3)如图乙所示,若利用此滑轮组从水下缓慢匀速提起(不计水的阻力)一个边长为0.3m的正方体B,当提到B的下表面所受水的压强为2×103Pa时,小明对水平地面的压力为120N,求B物体的重力。
25.(8分)养生壶是大家非常喜欢的小电器,有加热、保温等功能,接在220V的家庭电路中使用,如图
所示。图是养生壶的加热水槽部分工作原理电路图,S是一个温控开关,R1为电加热丝,阻值为88Ω,当处于加热状态时,水被迅速加热,达到预定温度后,S自动切换到另一位置,处于保温状态且保温时加热丝的功率为88W.不考虑温度对电阻的影响,且不计指示灯的阻值(A、B是两种不同颜色的指示灯)。求:
(1)该养生壶的加热功率;
(2)若咖啡的比热容c=4.0×103J/(kg•℃),该养生壶的加热效率为80%,要将质量为1kg的咖啡温度升高55℃,需要加热多长时间;
(3)养生壶处于保温状态时电阻R2的阻值及其2min产生的热量。
四、实验题(第22题6分,第23题9分,共15分)
22.(6分)如下图所示是测量小车沿斜面下滑的平均速度的实验。
(1)该实验原理是 。
(2)实验中用到的器材除了斜面、小车、米尺外,还需要两种器材是 和 。(选填:天平、弹簧秤、秒表、石英钟、金属片)
(3)该实验中,选择较 (选填“大”或“小”)坡度的斜面,是为了 。
(4)实验时观察到,小车沿斜面顶端下滑到斜面底端的运动是 (填“匀速”或“变速”)。
23.(9分)小宇在“测定小灯泡电功率”实验中,小灯泡的额定电压为2.5V,电阻约为10Ω。
(1)如图1是他连接的实验电路,其中有一根导线连接错误。请你在错误的导线上画“×”,并用笔画线代替导线画出正确的导线。
(2)电路连接正确后,闭合开关,发现小灯泡不亮,电压表有示数,电流表指针几乎不动,产生这个现象的原因可能是 。
(3)排除故障后,根据实验数据画出如图2的U﹣I图象,计算出小灯泡的额定功率是 W。
(4)完成上述实验后,小宇设计了如图3的电路,在不使用电压表的情况下测出了额定电流为I额的小灯泡的额定功率。实验方案如下:(电源电压不变,滑动变阻器R1的最大阻值为R0)
①按图3电路图连接电路;
②只闭合开关 ,移动R1滑片,使电流表的示数为I额,小灯泡正常发光;
③只闭合开关 ,保持R1滑片位置不动,移动R2滑片使电流表的示数为I额;
④保持 (选填“R1”或“R2”)滑片位置不动,将另一个滑动变阻器滑片移到最左端,电流表的示数为I1,再将此滑动变阻器的滑片移到最右端,电流表的示数为I2;
⑤小灯泡额定功率的表达式为P额= 。(用I额、I1、I2、R0表示)
2019-2020学年山东省泰安市新泰市九年级(下)期中物理试卷(五四学制)
参考答案与试题解析
一、选择题(本题共15题,共30分.以下每题各只有一个正确答案,选对得2分;多选、错选均不得分;把正确答案的序号用铅笔涂在答题纸的规定位置)
1.【解答】解:A、人的正常体温约为37℃,故A错误;
B、人步行的速度为1m/s=4km/h左右,故B正确;
C、人体的安全电压是不高于36V,故C错误。
D、一个苹果的重约G=mg=0.25kg×10N/kg=2.5N,0.15N不符合实际,故D错误。
故选:B。
2.【解答】解:
A、声音是由物体振动产生的,一切发声的物体都在振动,故A错误;
B、声音的传播需要介质,真空不能传声,故B错误;
C、音色是由发声体的材料和结构决定的,不同的人或物体发出声音的音色不同,所以机器人的声音与运动员的声音音色不同,故C正确;
D、声音在空气中的传播速度约为340m/s,故D错误。
故选:C。
3.【解答】解:A、海市蜃楼是由光在经过密度不均匀的空气时发生折射形成的。故A错误;
B、月食的形成与“小孔成像”的原理是一样的,都是利用光沿直线传播的道理,故B正确;
C、清澈的池底,看起来变浅了,是因为光从水中斜射入空气时,折射角大于入射角,属于光的折射现象,“池水映明月”属于平面镜成像,是由于光的反射形成的,故C错误;
D、雨过天晴时,常在天空出现彩虹,这是太阳光通过悬浮在空气中细小的水珠折射而成的,白光经水珠折射以后,分成各种彩色光,这种现象叫做光的色散现象,故D错误。
故选:B。
4.【解答】解:A、晶体凝固过程,放热内能减小,但温度不变,故A错误;
B、物体内能增加,可能是通过外界对物体做功,也可能是从外界吸收热量导致的,故B错误;
C、内能小的物体,可能温度高,所以它可能将热量传递给内能大的物体,故C错误;
D、热机做功冲程中,将内能转化为机械能,故D正确。
故选:D。
5.【解答】解:
A、电能表是测量消耗电能的仪器,故A错误;
B、若c处断开(即三孔插座没有接地),洗衣机插头插入插座,洗衣机仍然能工作,但外壳不能接地,当外壳漏电时,人接触金属外壳,会有电流流过人体,会发生触电事故,即有安全隐患,故B正确;
C、电路跳闸可能是电路总功率过大引起的,也可能是发生了短路,故C正确;
D、由图知,开关S接在a导线上,所以a导线为火线,故D正确。
故选:A。
6.【解答】解:A、医生紧急治疗运动员肌肉扭伤时,常用蒸发快的液态氯乙烷做麻醉剂,把液态氯乙烷喷到局部皮肤上,使皮肤快速冷却,在一段时间内失去疼痛感,这是由于液态氯乙烷急速汽化吸热,故A正确;
B、冰是晶体,在熔化过程中吸收热量,温度不变;石蜡是非晶体,没有熔点,熔化过程中温度升高,故B错误;
C、雪融化成水,由固态变成液态,是熔化现象;露珠是空气中的水蒸气遇冷液化形成的,所以两者的形成原理不同,故C错误;
D、下雪时,空气中的水蒸气遇冷直接凝华形成雪,凝华是放出热量的,气温不是很低,故D错误。
故选:A。
7.【解答】解:A、碗沉入水底时与漂浮在水面上时,质量相同,所以重力相同,故A错误;
B、据浮沉条件可知,碗沉入水底时受到的浮力小于它的重力,故B错误;
C、碗沉入水底时,浮力小于重力;碗漂浮时,浮力等于自身的重力,由于重力相同,所以漂浮时的浮力大于下沉时的浮力,故C错误;
D、据C可知,漂浮时的浮力大于下沉时的浮力,即据V排=可知,小碗浸没后,排开的水的体积减小,水面则下降,根据p=ρgh可知:容器底受到水的压强变小,故D正确。
故选:D。
8.【解答】解:
AB、开关闭合后,CPU至少与电动机同时工作;闭合支路开关后,电动机先不工作,不能做到中央处理器断电后,电动机仍能工作很长一段时间,来进行散热,故AB错误;
C、干路中开关闭合,电动机立刻工作;而CPU在支路开关的作用下后工作,当断开支路开关时,CPU不工作,电动机仍可工作,做到中央处理器断电后,电动机仍能工作很长一段时间,来进行散热,故C正确;
D、家用电路各用电器应并联,故D错误。
故选:C。
9.【解答】解:
A、小孩在空中上升的过程中,质量不变,速度变小,动能减小,同时其高度变大,重力势能增大,所以动能转化为重力势能,故A正确;
B、小孩从接触跳跳床到下落到最低处的过程中,速度最终减小为0,动能减小,同时高度变小,重力势能变小,蹦床的弹性形变变大,弹性势能增大,是动能和势能转化为弹性势能,故B错误;
C、小朋友受重力作用,重力竖直向下,所以会从高处落下,故C错误;
D、小朋友被跳跳床弹起时,若以地面为参照物,小朋友与地面之间发生了位置变化,是运动的,故D错误。
故选:A。
10.【解答】解:A、摄像系统是照相机原理,成倒立缩小实像,故A错误;
B、红灯是控制电路工作的一个条件,因此红灯损坏,该装置不正常,故B错误;
C、光控开关和压力开关是相互影响的,因此这两个开关只能串联,故C错误;
D、分析题意可知,只有光控开关和压力开关都闭合时,控制电路才能接通,摄像系统才会自动拍摄,故D正确。
故选:D。
11.【解答】解:
(1)由图可知,n=2,则绳子自由端移动的距离:
s绳=2s物=2×2m=4m;故②错误;
拉力做的功:
W总=Fs绳=30N×4m=120J;故①正确;
(2)克服物体和地面之间的摩擦力做的功为有用功,则有用功:
W有=fs物=45N×2m=90J,
滑轮组的机械效率:
η=×100%=×100%=75%.故③正确;
(3)因物体在水平地面上做匀速运动,则此时A处绳子的拉力与物体受到的摩擦力是一对平衡力,
所以,A点受到的拉力:FA=f=45N;故④错误;
综上分析可知,正确的是①③。
故选:C。
12.【解答】解:①物体B处于平衡状态,因此受平衡力,则弹簧测力计的示数等于A对B的摩擦力,故①错误;
②A对B的摩擦力方向水平向右,由于力的作用是相互的,所以B对A的摩擦力方向水平向左,故②正确;
③B所受的重力和A对B的支持力大小相等、方向相反、作用在同一直线上、作用在同一物体上,是一对平衡力,故③正确;
④A在水平方向上受三个力,其中A所受的水平拉力F大小等于地面对A的摩擦力与B对A的摩擦力二者之和,因此,拉力F和地面对A的摩擦力不是一对平衡力,故④错误。
故选:C。
13.【解答】解:
①、根据甲图可以知道f=10.0cm,故①正确;
②、根据乙图u>2f,成倒立、缩小的实像,是照相机的原理,故②错误;
③、戴凹透镜对光有发散作用,所以像会成在原位置之后,光屏向右移动才能找到清晰的像。故③正确。
④、挡住了透镜上半部分,光能通过下半部分会聚成像,只是光线变少了,能成一个变暗的完整的像,故④错误;
故选:B。
14.【解答】解:
①容器内装有质量相同的液体,由图知,V1<V2,根据ρ=可知,ρ1>ρ2,故①正确;
②容器质量相同,内装液体的质量相同,则容器对桌面的压力相等,又容器材料相同,所以容器与桌面间的摩擦力相等,又在水平方向拉力F1和F2的作用下沿桌面做匀速直线运动,所以拉力与摩擦力平衡,则F1=F2,故②正确;
③因为两种液体深度相同,ρ1>ρ2,由p=ρ液gh可知,p1>p2,故③错误;
④容器质量相同,两种液体质量相同,则总重力相等,
因为在水平面上压力等于重力,所以压力相等,即N1=N2。
由以上分析知,①②正确。
故选:A。
15.【解答】解:
(1)由题知,L1的额定电压为6V,由图象可知,灯泡L1正常发光时,通过L1的电流为0.5A,
所以L1的额定功率:P1=UI1=6V×0.5A=3W,①错误;
(2)电源电压恒为6V,L1和L2的额定电压都为6V,要两灯都正常发光,电路中两灯应并联,由图知,三个开关应同时闭合,且变阻器接入电路的阻值为0,此时电流表测干路电流,
由图象知,此时通过L2的电流为1A,
由并联电路的电流特点知,电流表示数:I=I1+I2=0.5A+1A=1.5A,②正确;
(3)电源电压6V恒定,由P=可知,当电路中电阻最小时,电路消耗功率最大,
由电路特点知,当两灯并联时电路的总电阻最小,即此时开关都闭合,变阻器连入阻值为0,即滑片应在右端,此时两灯都正常工作,L2的额定功率:
P2=UI2=6V×1A=6W,
所以电路消耗的最大功率:
P最大=P1+P2=3W+6W=9W,③正确;
(4)由图象知,电流变化相同时L1的电压变化较大,所以L1的电阻较大,
由P=可知,当电路中电阻最大时电路消耗功率最小,
由电路图知,当S和S1闭合时,L1和变阻器串联,电路中电阻最大,
又因为电压表测变阻器两端电压,所以电压表示数最大为3V时,变阻器连入电路的阻值最大,此时电路消耗功率最小,
此时L1两端电压:U1=U﹣U滑大=6V﹣3V=3V,由图象知,通过它的电流:IL1=0.4A,
所以电路消耗的最小功率:
P最小=UIL1=6V×0.4A=2.4W,④错误。
综上分析可知,只有②③正确。
故选:B。
二、填空题(每空1分,共4分)
16.【解答】解:由平面镜成像的特点可知:物到平面镜的距离与像到平面镜的距离相等,所以小宇站在竖直放置的平面镜前3m处,那么他的像与平面镜的距离也是3m,则镜中的像与他相距3m+3m=6m。
故答案为:6。
17.【解答】解:由热机效率公式可得出租车得到的机械能为:
W机械能=Q放×20%=mq×20%=7×107J/m3×0.4m3×20%=5.6×106J。
故答案为:5.6×106。
18.【解答】解:流体的流速越大,压强越小;流体的流速越小,压强越大,所以让两易拉罐间距离增大,必须通过增大易拉罐外侧的空气流速来减小压强,故可用吸管按图中箭头B所示的方向用力吹气。
故答案为:B。
19.【解答】解:由电路图可知,R1与R2串联后再与R3并联,
因并联电路中干路电流等于各支路电流之和,
所以,通过R3的电流:
I3=I﹣I1=2A﹣1.5A=0.5A,
因并联电路中各支路两端的电压相等,
所以,由I=可得,AB两端的电压:
UAB=I3R3=0.5A×30Ω=15V,
则R1和R2支路的总电阻:
R12===10Ω,
因串联电路中总电阻等于各分电阻之和,
所以,R1的阻值:
R1=R12﹣R2=10Ω﹣8Ω=2Ω。
故答案为:2Ω。
三、作图题(每题2分,共4分)
20.【解答】解:先将两条反射光线反向延长交于一点S′即为像的位置,再通过平面镜作出S′的对称点S,即为发光点的位置,并连接S与两个反射点画出入射光线,如图所示:
21.【解答】解:反向延长力F的作用线,然后由支点O向F的作用线作垂线,垂线段的长度L为F的力臂,如图所示:
五、计算题(第24题8分,第25题8分,共16分
24.【解答】解:
(1)将A匀速提高2m做的有用功为2160J,则物体A的重力为:GA===1080N;
(2)小明拉力F做功为:W总===2400J;
绳子移动距离为:s=3h=3×2m=6m;
故拉力F为:F===400N;
因为物体间力的作用是相互的,故小明受到绳子向上的拉力为:F′=F=400N;
小明对地面的压力为:F压=G人﹣F′=640N﹣400N=240N;
小明对地面的压强为:P===6000Pa;
(3)物体B下表面距水面距离为:h===0.2m;
由于B的边长为0.3m,故B物体有一部分露出水面;
故B排开的体积为:V排=sh=0.3m×0.3m×0.2m=0.018m3;
物体B受到的浮力为:F浮=ρ液V排g=1.0×103kg/m3×0.018m3×10N/kg=180N;
如图甲,对于A物体,绳子拉力与A的重力和动滑轮重力关系为:F=(GA+G轮),
故G轮=3F﹣GA=3×400N﹣1080N=120N;
图乙中,小明受到地面的支持力为:F支=F压=120N;
则小明对绳子拉力为:F绳=G人﹣F支=640N﹣120N=520N;
图乙中动滑轮挂钩对绳子的拉力为F动,由F绳=(F动+G轮)得:
F动=3F绳﹣G轮=3×520N﹣120N=1440N;
对于图乙中的物体B,受力情况满足:F浮+F动=GB;
则GB=F浮+F动=180N+1440N=1620N;
答:(1)物体A所受重力为1080N;
(2)小明对地面的压强为6000Pa;
(3)B物体的重力为1620N。
25.【解答】解:(1)当S拨到左边时,电路中灯A与R1串联,因灯的电阻不计,故为R1的简单电路,R1的电压为电源电压;
S拨到右边时,两电阻串联,根据串联电路电压的规律,R1的电压小于电源电压,根据P=,此时S拨到左边时处于加热挡(S拨到右边时为保温挡),
养生壶的加热功率:
P===550W;
(2)1kg的咖啡温度升高55℃咖啡吸收的热量:
Q吸=cm△t=4.0×103J/(kg•℃)×1kg×55℃=2.2×105J,
由η=×100%得,消耗的电能:
W===2.75×105J,
由W=Pt得,加热时间:
t===500s;
(3)当S拨到右边时,R1和R2串联,此时处于保温挡,根据P=I2R可得,电路中的电流:
I===1A,
总电阻:
R总===220Ω,
电阻R2的阻值:
R2=R总﹣R1=220Ω﹣88Ω=132Ω,
电阻R2的阻值2min产生的热量:
Q2=I2R2t=(1A)2×132Ω×2×60s=1.584×104J。
答:(1)该养生壶的加热功率为550W;
(2)需要加热500s;
(3)电阻R2的阻值为132Ω;2min产生的热量为1.584×104J。
四、实验题(第22题6分,第23题9分,共15分)
22.【解答】解:
(1)本实验测量平均速度采用的是一种间接测量法,通过测量小车通过的路程和所用的时间,然后根据速度公式计算平均速度,所以这个实验的原理是v=;
(2)需要测量小车所用的时间,还需要金属片对小车进行阻挡,需要的测量工具是停表和金属片;
(3)小车所放的斜面应保持较小的坡度,小车速度变化越慢,这样使小车在斜面上运动时间会长些,便于测量时间;
(4)由图可知,小车在不同路段的平均速度不同,可知小车从斜面顶端运动到底端过程中,小车做的是变速运动;
故答案为:(1)v=;(2)停表;金属片;(3)小;使小车在斜面上运动时间会长些,便于测量时间;(4)变速。
23.【解答】解:(1)原电路中,灯与变阻器并联,电压表串联在电路中是错误的,灯与变阻器串联,电压表与灯并联,改正后如下所示:
(2)电路连接正确后,闭合开关,发现小灯泡不亮,电压表有示数,电流表指针几乎不动,产生这个现象的原因可能是灯泡断路。
(3)根据实验数据画出如图2的U﹣I图象知,灯在额定电压下的电流为0.25A,小灯泡的额定功率是:
P=UI=2.5V×0.25A=0.625W;
(4)①按电路图3连接电路。
②只闭合开关S1,移动R1滑片,使电流表的示数为I额灯泡正常发光。
此时灯泡与R1串联;
③只闭合开关S2,保持R1滑片位置不动,移动R2滑片,使电流表的示数为I额。
此时R1与R2串联,因为电路中电流仍为I额,所以R2=RL;
④保持R2滑片位置不动,将另一个滑动变阻器(R1)滑片移到最左端,电流表的示数为I1,再将此滑动变阻器(R1)的滑片移到最右端,电流表的示数为I2。
⑤由串联电路特点和欧姆定律可得:
U=I1R2=I2(R0+R2),
解得:R2=,
小灯泡额定功率的表达式为:
P额=I额2RL=I额2R2=I额2•。
故答案为:
(1)如上所示;(2)灯泡断路; (3)0.625;
(4)②S1 ; ③S2 ; ④R2 ;I;⑤I额2•。
山东省烟台市2019-2020学年九年级下学期期中物理试题(五四学制): 这是一份山东省烟台市2019-2020学年九年级下学期期中物理试题(五四学制),共19页。试卷主要包含了单选题,填空题;,作图与简答等内容,欢迎下载使用。
山东省泰安市新泰市2020-2021学年八年级下学期期中物理试题(五四学制): 这是一份山东省泰安市新泰市2020-2021学年八年级下学期期中物理试题(五四学制),共17页。试卷主要包含了单选题,作图题,实验探究题,计算题等内容,欢迎下载使用。
山东省泰安市新泰市2019-2020学年八年级下学期期中物理试题: 这是一份山东省泰安市新泰市2019-2020学年八年级下学期期中物理试题,共16页。试卷主要包含了选择题,填空题,作图题,实验探究题,计算题等内容,欢迎下载使用。

