初中物理苏科版八年级上册5.1 长度和时间的测量练习题
展开2022-2023学年八年级物理上册课后巩固练习
5.1 长度和时间的测量
一、选择题
1.下列是学校生活中常见的一些数据,正确的是( )
A. 中学生上学正常骑自行车的速度约18km/h B. 从学校一楼登到三楼高度约9m
C. 教室内空气的密度约1.29g/cm3 D. 打扫卫生时拿起一把笤帚的力约1N
2.下列估测中,最接近真实情况的是( )
A. 笔从课桌上落到地面的时间约为5s B. 初中生的平均体重约为50N
C. 赤峰地区夏季气温最高可达35℃以上 D. 家庭节能灯的工作电流约为1A
3.下列数居最接近生活实际的实际( )
A.普通中学生步行的速度约为8m/s B.一名普通初中学生的质量约为1.5t
C.一支铅笔的长度约为0.8m D.一个鸡蛋的质量约为45g
4.一支新中华2B铅笔的长度约为 ( )
A. 17.5mm B. 17.5cm C. 17.5dm D. 17.5m
5.关于误差,下列说法正确的是( )
A. 误差就是在测量中产生的错误 B. 多次测量取平均值可以消除误差
C. 测量中误差无法避免,但可以尽量减小 D. 采用精密仪器并认真测量就可以消除误差
6.下列对测量工具的选择,不合理的是()
A. 测量气温选用寒暑表 B. 测量百米赛跑的时间选用停表
C. 测量几枚硬币的质量选用托盘天平 D. 测量跳远距离成绩选用分度值1mm的刻度尺
7.用一个卷尺来测量某学生立定跳远的成绩,正确的记录为2.736米,则这个卷尺的最小刻度单位是( )
A. 分米 B. 米 C. 毫米 D. 厘米
8.下列说法中正确的是( )
A. 做托里拆利实验时,如果水银柱高度不等于76cm,就说明实验是有误差的
B. 气体压强越大,液体的沸点越低
C. 吸盘式挂衣钩能紧贴在平整的木板或玻璃板上,是因为它能产生很大的吸引力
D. 一只氢气球在升空过程中,体积会渐渐变大,到达一定高度可能会自动破裂
9.如下图所示,用刻度尺和三角板测量一个圆柱体直径,其中测量方法最佳的是( )
10.下列关于误差的说法中,正确的是( )
A.多次测量取平均值可以减小误差 B.误差就是测量中产生的错误
C.只要认真测量,就可以避免误差 D.选用精密的测量仪器可以消除误差
11.下列记录结果中,哪一个数据的单位应该是厘米( )
A.九年级物理课本的厚度约为9 B.教室宽约为1.68
C.小明的身高约为1.68 D.一支铅笔的长度约为18
12.你认为下列数据明显符合实际的是( )
A. 成年人正常步行的速度是5m/s B. 重庆嘉陵江黄花园大桥主桥长约1.2km
C. 朗读由30个字组成的一句话所用的时间为1s D. 一枚一元硬币的厚度约为1.9mm
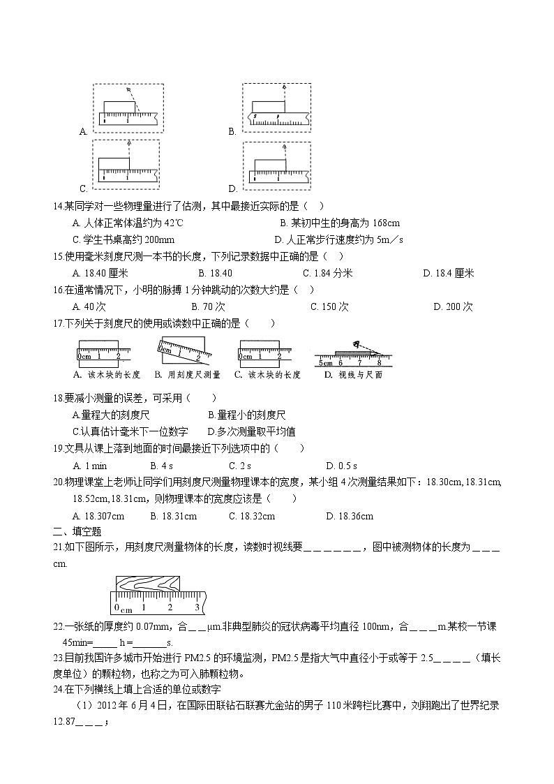
13.如图,用刻度尺测量物体长度时的读数示意图,其中读数方法正确的是( )
A. B.
C. D.
14.某同学对一些物理量进行了估测,其中最接近实际的是( )
A. 人体正常体温约为42℃ B. 某初中生的身高为168cm
C. 学生书桌高约200mm D. 人正常步行速度约为5m/s
15.使用毫米刻度尺测一本书的长度,下列记录数据中正确的是( )
A. 18.40厘米 B. 18.40 C. 1.84分米 D. 18.4厘米
16.在通常情况下,小明的脉搏1分钟跳动的次数大约是( )
A. 40次 B. 70次 C. 150次 D. 200次
17.下列关于刻度尺的使用或读数中正确的是( )
18.要减小测量的误差,可采用( )
A.量程大的刻度尺 B.量程小的刻度尺
C.认真估计毫米下一位数字 D.多次测量取平均值
19.文具从课上落到地面的时间最接近下列选项中的( )
A. 1 min B. 4 s C. 2 s D. 0.5 s
20.物理课堂上老师让同学们用刻度尺测量物理课本的宽度,某小组4次测量结果如下:18.30cm, 18.31cm, 18.52cm, 18.31cm,则物理课本的宽度应该是( )
A. 18.307cm B. 18.31cm C. 18.32cm D. 18.36cm
二、填空题
21.如下图所示,用刻度尺测量物体的长度,读数时视线要______,图中被测物体的长度为___cm.
22.一张纸的厚度约0.07mm,合__µm.非典型肺炎的冠状病毒平均直径100nm,合___m.某校一节课45min=_____ h =_______s.
23.目前我国许多城市开始进行PM2.5的环境监测,PM2.5是指大气中直径小于或等于2.5____(填长度单位)的颗粒物,也称之为可入肺颗粒物。
24.在下列横线上填上合适的单位或数字
(1)2012年6月4日,在国际田联钻石联赛尤金站的男子110米跨栏比赛中,刘翔跑出了世界纪录12.87___;
(2)小张同学的身高是1.65_____;
(3)下图中铅笔的长度是____cm
25.用某一刻度尺测物体的长度,得到的结果是8.32cm,这这刻度尺的分度值是____,若用分度值为1cm的刻度尺,测量的结果可以记为_____cm。
26.某同学用刻度尺测得某一物体的长度为12.81cm,则该测量值的准确值是_
27.用同一把尺子测量某物体的长度,一般要测量三次或更多次,这样做的目的是为了___________,一位同学用分度值为1mm的刻度尺测量一木块的长度,三次测量结果为13.41cm、13.42cm、13.44cm则测量结果应为______
28.甲、乙、丙三个同学用同一把刻度尺测同一本物理书的长,甲的记录是26.03cm,乙记录是26.01cm,丙的记录是26.00cm,比较三个同学的测量结果,应该是___正确(选填“甲”、“乙”或“丙”“都”),他们的测量结果不同,是因为测量存在着___。
29.正常情况下,人的脉搏1分钟跳动的次数为60次左右,他计算自己每次脉动的时间是________秒.某人在做一单摆摆动实验时,观测到单摆摆动了60次时,脉搏跳动的次数为30次,那么单摆摆动60次所用的时间大约是________秒.
30.图甲中物体的长度是_______cm;图乙中秒表的读数是_______s。
第30题 第31题 第32题
31.测量细铜丝的直径时常采用“测多算少”的方法,如图所示,可得20匝铜丝的长度为_______,铜丝的直径为_______μm。若在将细铜丝缠绕在铅笔上的过程中,有重叠现象,则测出的细铜丝的直径将_______(填“偏大”“偏小”或“不变”)
32.某同学家里装修,所用墙纸的规格是“0.53m×10m(宽×长),厚度0.63mm”,他想测量一下墙纸厚度是否属实,实验步骤如下:
A.用刻度尺测出一张墙纸的长度为l1
B.把墙纸紧密地环绕在圆柱形铅笔上,数出圈数为n圈
C.用刻度尺测出铅笔的直径为D1
D.用刻度尺测出环绕后的直径为D2
(1)以上步骤中,没有必要的步骤是_______;实验步骤合理的顺序是______________。
(2)墙纸的厚度的表达试是h=_______。
(3)该同学一共测了三次,每次墙纸都要新重绕过,并放在刻度尺的不同位置进行读数,结果三次读数都不相同,产生误差的原因有哪些_______。(可多选)
A. 每次绕的松紧程度不同 B. 刻度尺的刻度不均匀
C. 墙纸厚度不均匀 D. 数圈数时由于粗心,数错了圈数
33.如图所示是某种机械秒表的秀盘实物图,大表盘一圈度量的时间是________,
分度值是_________;小表盘一圈度量的时间是_________,分度值是________。
图中记录的时间是________。
34.仔细观察图读数:
(1)用甲、乙两刻度尺测量同一木块的长度,其测量结果分别为:甲测量的结果是________ cm;乙测量的结果是________ cm,________尺测量较准确.
(2)图丙中秒表的读数为________秒.
35.某同学用以下步骤和方法来测算物理课本内页中的每张纸的厚度:①将从封面开始的10页纸叠紧;②用刻度尺测出这叠纸的厚度为L;③算出每张纸的厚度。该同学以上做法中的三个错误为:
(1)_____________________________。
(2)_____________________________。
(3)_____________________________。
初中物理5.3 直线运动巩固练习: 这是一份初中物理5.3 直线运动巩固练习,共4页。试卷主要包含了3 直线运动,下列单位换算正确的是等内容,欢迎下载使用。
初中物理苏科版八年级上册5.2 速度同步练习题: 这是一份初中物理苏科版八年级上册5.2 速度同步练习题,共4页。试卷主要包含了2 速度,为响应“绿色出行”的号召,小刘,5mB等内容,欢迎下载使用。
初中物理5.1 长度和时间的测量同步测试题: 这是一份初中物理5.1 长度和时间的测量同步测试题,共6页。试卷主要包含了1 长度和时间的测量,一枝新铅笔的长度大约为,18毫米 B.0,下列各式中表达正确的是,若四次测量一本书的宽度记录为,下列仪器中用于测量时间的是等内容,欢迎下载使用。

