2022中考化学实验探究题:金属性质探究(必考型)(无答案)
展开2022中考化学实验探究题:
金属性质探究(必考型)
(考频:★★★★★)
1. 某兴趣小组在探究金属化学性质时,将锌粉和铁粉的混合物加入到盛有一定量硝酸银和硝酸铜溶液的烧杯中,充分反应后过滤,得到滤渣和滤液。实验结果有图1、图2两种情况。
请回答下列问题:
(1) 图1是向滤液中加入稀盐酸,观察到有白色沉淀产生。
①滤液中一定含有的金属离子为________(填离子符号);
②写出一个产生滤渣的反应的化学方程式________。
(2) 图2是向滤渣中加入稀盐酸,观察到有无色气体产生。
①滤渣中一定含有________(填化学式,下同);
②滤液中可能含有________。
2. 化学兴趣小组的同学对“影响金属与盐酸反应的剧烈程度的因素”进行了探究.
【提出问题】
金属与盐酸反应的剧烈程度受哪些因素的影响?
【作出猜想】
a.可能与金属本身的性质有关;
b.可能与盐酸的浓度有关.
【设计探究】
实验所用金属均已用砂纸打磨
(1) 实验(1):为探究猜想a,小组同学分别在两支试管中放入相同质量的镁片和铁片,然后分别加入相同浓度和质量的稀盐酸,观察到放镁片的试管中立即产生大量气泡,放铁片的试管中只产生少量气泡,写出镁与稀盐酸发生反应的化学方程式________;从实验现象可判断:金属活动性Mg________Fe(填“<”“=”或“>”);
得出结论:金属与盐酸发生反应的剧烈程度与金属本身的性质有关,金属的活动性与反应的剧烈程度的关系是________.
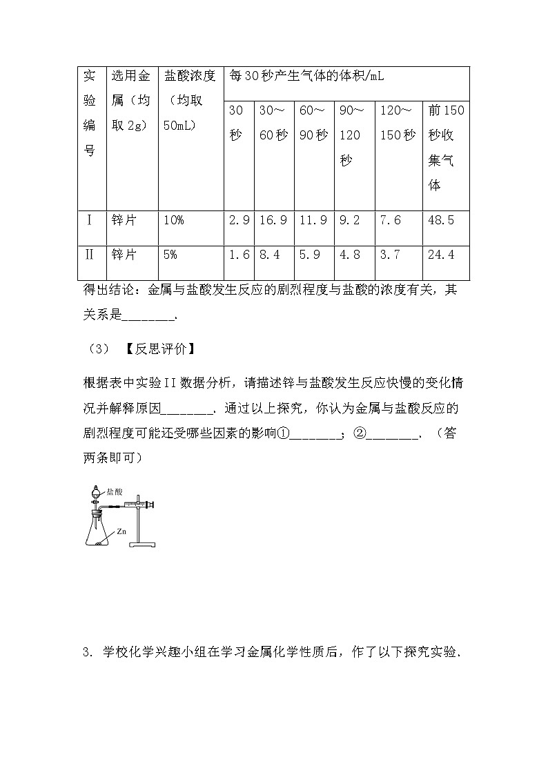
(2) 实验(2):为探究猜想b,小组同学设计如图的装置进行实验,其中注射器的作用是________所用药品、实验数据如表:
实验编号 | 选用金属(均取2g) | 盐酸浓度(均取50mL) | 每30秒产生气体的体积/mL | |||||
30秒 | 30~60秒 | 60~90秒 | 90~120秒 | 120~150秒 | 前150秒收集气体 | |||
Ⅰ | 锌片 | 10% | 2.9 | 16.9 | 11.9 | 9.2 | 7.6 | 48.5 |
Ⅱ | 锌片 | 5% | 1.6 | 8.4 | 5.9 | 4.8 | 3.7 | 24.4 |
得出结论:金属与盐酸发生反应的剧烈程度与盐酸的浓度有关,其关系是________.
(3) 【反思评价】
根据表中实验II数据分析,请描述锌与盐酸发生反应快慢的变化情况并解释原因________.通过以上探究,你认为金属与盐酸反应的剧烈程度可能还受哪些因素的影响①________;②________.(答两条即可)
3. 学校化学兴趣小组在学习金属化学性质后,作了以下探究实验.
(1) 小董将铜丝放入硝酸银溶液中,该反应的化学方程式为________.
(2) 小凡将锌粒放入一定量的硝酸银溶液中,发现反应后溶液的质量________(填“变大”、“变小”或“不变”).
(3) 小晗在思考:如果将铜粉与锌粉的混合物放入一定量的硝酸银溶液中,反应是否有先后顺序?探究如下:
【提出问题】
铜粉与锌粉的混合物放入一定量的硝酸银溶液中,反应是否有先后顺序?
【作出猜想】
①铜粉先与硝酸银溶液反应
②锌粉先与硝酸银溶液反应
【设计实验】
①小晗取一定量铜粉和锌粉的混合物,放入少量的硝酸银溶液中,溶液的颜色没有发生变化,由此推断:铜粉与硝酸银溶液________(填“发生”或“没发生”)反应.然后再向反应后的混合物中加入稀硫酸,发现无气泡产生,由此推断:锌粉与硝酸银溶液________(填“发生”或“没发生”)反应.
②小晗再取同样的铁粉和锌粉混合物放入较多量的硝酸银溶液中,看到溶液变成蓝色,由此推断铜粉与硝酸银溶液________(填“发生”或“没发生”)反应.
【分析并得出结论】
综合上述实验现象可知,铜粉与锌粉的混合物放入一定量的硝酸银溶液中,锌粉优先与硝酸银溶液反应.
【反思】
小晗分析得到蓝色溶液,对溶液中所含的溶质做出多种猜想,其中有两种猜想可能成立,这两种猜想是:
①溶质为________;
②溶质为________.
(4) 在探究实验后,为了测定某稀硫酸的质量分数,他们取铜粉和锌粉的混合物10克放入烧杯中,再取60克稀硫酸分6次加入烧杯中,均充分反应,实验数据如下:
次数 | 第1次 | 第2次 | 第3次 | 第4次 | 第5次 | 第6次 |
加入稀硫酸的质量(g) | 10 | 10 | 10 | 10 | 10 | 10 |
剩余固体的质量(g) | 9.35 | 8.70 | 8.05 | 7.40 | 6.75 | 6.75 |
根据上表提供的数据,求所用稀硫酸的质量分数.
4. 图一、图二是某兴趣小组探究金属、酸的化学性质时所做的两组实验。实验结束后,将两组实验试管中的物质分别全部倒入甲、乙两个洁净的烧杯中,据图回答:
(1) 在图一所示的实验中,试管②中发生反应的化学方程式是________。
(2) 甲烧杯中的物质完全反应后,发现红色固体物质明显增多。下列说法正确的是( )(填序号)
A . 试管②反应后的固体中一定不含铁
B . 完全反应后,甲烧杯中的固体一定含有铁
C . 完全反应后,甲烧杯的溶液中可能含有Cu2+
D . 完全反应后,甲烧杯的溶液中一定含有Mg2+、Fe2+
(3) 乙烧杯中的物质充分反应后,仅观察到有白色沉淀,无其他现象。则试管④反应后的溶液中的溶质共有哪些________(写化学式)。
(4) 将乙烧杯内的物质进行过滤,对所得滤液中溶质成分进行了如下探究:
实验操作 | 实验现象 | 实验结论 |
步骤1:取少量滤液于试管中,向其中滴加足量硝酸钡溶液, | 有白色沉淀生成 | ①生成的白色沉淀是________(写化学式,下同)②滤液中的溶质共有哪些________ |
步骤2:静置,向上层清夜中滴加无色酚酞试液 | 溶液变红 |
(5) 在上述(4)的实验探究中,步骤1中加入足量硝酸钡溶液的目的是________。
5. 某化学兴趣小组的同学在进行“活泼金属与酸的反应”实验时,对铝和铝的化合物的性质进行了探究。
(查阅资料)
铝是一种活泼金属,在空气中表现出良好的抗腐蚀性,是由于铝与氧气作用形成一层致密的氧化膜覆盖在铝的表面。
(1) (性质探究)
金属的活动性 甲同学将用砂纸打磨过的铝片放入氯化镁溶液中,看到的现象是________,说明铝的金属活动性排在镁的________。
(2) 金属与酸的反应
①铝片与稀硫酸反应产生氢气的速度与时间的关系如图1所示,单质铝与稀硫酸反应的化学方程式为________。图中从a点到c点曲线上升的原因可能是________。
②将铝片与pH相同的足量稀硫酸、稀盐酸反应,结果是生成氢气的速度前者比后者慢很多。
甲同学认为,可能是两片铝片的大小、质地等不一致的原因,于是将某铝片从中间切成两等份,再分别放入pH相同的稀硫酸和稀盐酸中,观察反应现象,结果仍是生成氢气的速度前者比后者慢得多。此实验方法是________。
乙同学提出,可能是与稀硫酸反应的铝片表面有氧化膜的原因,大家一致表示反对,因为________。丙同学对比盐酸和硫酸的化学式之后,认为可能是盐酸中的氯离子对反应产生促进作用,你认为还存在另一种可能是________。
(验证猜想)
为了验证是“盐酸中的氯离子对反应产生促进作用”的猜想,大家一起设计了如图2所示的实验如果该实验能证明猜想,则加入的两种溶液的溶质化学式分别为A________,B________。
6. 化学兴趣小组探究金属的性质时,将一段去除氧化膜的镁条,放入一定量的稀盐酸中,有气泡产生,
(1) 写出产生气泡的化学方程式________。
(2) 充分反应后静置,发现试管中有灰白色沉淀。
【提出问题】
灰白色沉淀是什么物质?
【猜想假设】
小华认为灰白色沉淀为碳酸镁(MgCO3),其他同学认为不需要实验就能否定小华的猜想,理由是________。
小宇认为由于反应后氯化镁的生成量偏多,灰白色沉淀为不能再溶解的氯化镁固体。
小彤认为灰白色沉淀为脱落的镁粉细颗粒。
(3) 【实验探究1】
实验操作 | 现象 | 结论 |
①取试管中的上层清液,加入适量的氯化镁固体 | 氯化镁固体________(选填“溶解”或“不溶解”) | 小宇猜想错误 |
②取适量白色沉淀加入足量稀盐酸中 | ________(选填“有”或“没有”)气泡冒出 | 小彤猜想错误 |
(4) 基于以上探究与分析,原有猜想均遭到了否定。
【查阅资料】
HCl+AgNO3═HNO3+AgCl↓,AgCl是一种白色沉淀。
【实验探究2】
他们又另取灰白色沉淀放入试管中加热,将蘸有硝酸银溶液的玻璃棒伸入试管内,玻璃棒上的溶液出现白色浑浊,证明产生了_______气体。再将湿润的石蕊试液浸泡过的滤纸条悬于试管口,试纸变________色。
同学们请教老师后得知,足量的镁与稀盐酸反应时,溶液会经历从酸性到碱性且碱性逐步增强的过程,从而生成了碱式氯化镁沉淀。据文献介绍,碱式氯化镁的化学通式可表示为Mgx(OH)yClz , 其不溶于水,能与酸反应。
(5) 【反思拓展】
①做镁与稀盐酸反应的实验时,镁条的用量宜少不宜多。
②铁片和铜片放入稀硫酸中产生的现象也不相同,据此推测出铁的活动性比铜________。还可根据铁和硫酸铜溶液的反应来确定这两种金属的活动性强弱,该反应的化学方程式为________。
③取一定量的碱式氯化镁沉淀【Mgx(OH)yClz】,溶于稀硝酸,将所得溶液分成两等份。
①向一份溶液中滴加过量的NaOH溶液,生成了1.16gMg ( OH )2沉淀;
②向另一份溶液中滴加过量的AgNO3溶液,生成了1.435 g沉淀。 通过计算得知:x:z=________,所得碱式氯化镁的化学式为_____。
7. 某化学兴趣小组的同学在探究金属的有关性质时,进行了如图所示实验:在A实验结束后将两支试管内的物质倒入一洁净烧杯中,一段时间后过滤 。为确定过滤后得到的滤渣和滤液的成分,同学们进行了如下实验。
实验一:滤渣的成分是什么?
(1) 甲同学取少量滤渣于试管中,加入稀硫酸,无气泡产生,证明滤渣里不含________,乙同学通过物理方法也得到同样的结论,请简述其方法和现象:________。
实验二:滤液里的溶质有哪些?
(2) 同学们一致认为定有FeSO4,为确定可能含有其他溶质,同学们进行了如下实验:
实验步骤 | 实验现象 | 实验结论 |
取少量滤液,向其中加入足量铝粉 | 产生气泡,并有红色固体析出 | 滤液里的溶质还有________ |
请写出产生气泡反应的化学方程式:________。
(3) 有同学提出可以直接观察滤液的颜色判断滤液中是否含有硫酸铜,同学们对硫酸铜溶液为什么呈蓝色很感兴趣,决定探究硫酸铜溶液中哪种粒子使溶液呈蓝色。设计的实验方案如下:
实验操作 | 实验现象 | 实验结论 |
①取少量________溶液,观察颜色 | 溶液呈无色 | 硫酸根离子不能使溶液呈蓝色 |
②取少量硫酸铜溶液,观察颜色 | 溶液呈蓝色 | 铜离子使溶液呈蓝色 |
(4) 除了(3)中的实验方案外,你还能设计其他方案探究硫酸铜溶液中是铜离子使溶液呈蓝色吗?实验所需的药品和仪器任选,请简述实验操作和实验现象。
实验操作:________。
实验现象:________。
2022中考化学实验探究题:性质因素综合探究(必考型)(无答案): 这是一份2022中考化学实验探究题:性质因素综合探究(必考型)(无答案),共11页。试卷主要包含了4g,1mg/m3), 实验是进行科学探究的重要方式等内容,欢迎下载使用。
2022中考化学实验探究题:酸的性质探究(必考型)(无答案): 这是一份2022中考化学实验探究题:酸的性质探究(必考型)(无答案),共13页。
2022中考化学实验探究题:碳及其氧化物的性质探究(必考型)(无答案): 这是一份2022中考化学实验探究题:碳及其氧化物的性质探究(必考型)(无答案),共10页。试卷主要包含了 根据下图所示,按要求回答问题等内容,欢迎下载使用。

