2020-2021学年湖北省武汉市江汉区四校联盟九年级(下)月考化学试卷(3月份)
展开
这是一份2020-2021学年湖北省武汉市江汉区四校联盟九年级(下)月考化学试卷(3月份),共18页。
2020-2021学年湖北省武汉市江汉区四校联盟九年级(下)月考化学试卷(3月份)
一.选择题(每小题3分)
1.(3分)某物质为金属材料,则该物质( )
A.一定是单质 B.一定是化合物
C.一定是混合物 D.可能是单质或混合物
2.(3分)下列有关事实的相关解释,错误的是( )
A.生铁和钢的机械性能不同﹣﹣含碳量不同
B.铁原子和铁离子化学性质不同﹣﹣最外层电子数不同
C.水和过氧化氢的化学性质不同﹣﹣组成元素种类不同
D.金刚石和石墨的硬度不同﹣﹣碳原子的排列方式不同
3.(3分)下列关于溶液的说法正确的是( )
A.面粉、食盐、白醋都能溶解在水中
B.均一、稳定的液体一定是溶液
C.在洗去碗上的油污时加入洗洁精能形成溶液
D.配制溶液时,用量筒量水仰视读数,导致所得溶液的溶质质量分数偏小
4.(3分)如图是有关金属铁的实验,下列说法正确的是( )
A.④中铁生锈和⑤中反应后的生成物相同
B.①②对照说明铁生锈需要铁与水接触,③④对照说明铁生锈需要与氧气接触
C.④中铁比①中的铁生锈的更快,①中的铁乙处比甲丙处生锈的更快
D.以上说法都不正确
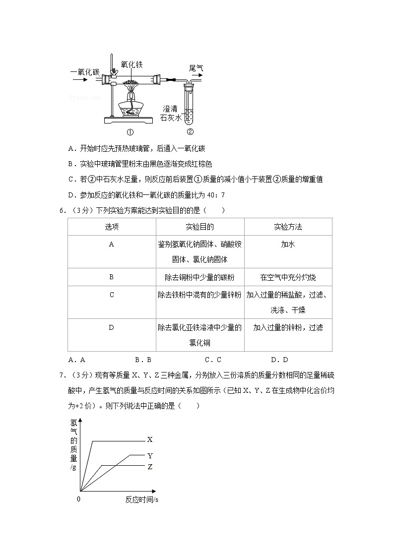
5.(3分)如图为一氧化碳还原氧化铁实验,下列说法中正确的是( )
A.开始时应先预热玻璃管,后通入一氧化碳
B.实验中玻璃管里粉末由黑色逐渐变成红棕色
C.若②中石灰水足量,则反应前后装置①质量的减小值小于装置②质量的增重值
D.参加反应的氧化铁和一氧化碳的质量比为40:7
6.(3分)下列实验方案能达到实验目的的是( )
选项
实验目的
实验方法
A
鉴别氢氧化钠固体、硝酸铵固体、氯化钠固体
加水
B
除去铜粉中少量的碳粉
在空气中充分灼烧
C
除去铁粉中混有的少量锌粉
加入过量的稀盐酸,过滤、洗涤、干燥
D
除去氯化亚铁溶液中少量的氯化铜
加入过量的锌粉,过滤
A.A B.B C.C D.D
7.(3分)现有等质量X、Y、Z三种金属,分别放入三份溶质的质量分数相同的足量稀硫酸中,产生氢气的质量与反应时间的关系如图所示(已知X、Y、Z在生成物中化合价均为+2价)。则下列说法中正确的是( )
A.X、Y、Z依次可能是Mg、Zn、Fe
B.金属活动性:X>Y>Z
C.相对原子质量:Z>Y>X
D.消耗硫酸的质量:Y>X>Z
8.(3分)为了探究金属和盐溶液的反应规律,将一定质量的锌粉和银粉加入到硝酸铜溶液中,充分反应,实验过程及实验现象如图所示,则下列说法中正确的是( )
A.滤渣中可能含单质锌
B.滤渣中一定含有Cu、Ag、Zn
C.滤液中一定含有Zn2+和Ag+
D.充分反应后溶液质量减少
二、解答题
9.(4分)被国外友人称作“新四大发明之一”的高铁,大大方便人们的出行。
(1)图中标示的物质中为金属材料的是 (填序号),动车电路中的导线大多选用铜制造的,这是利用了铜的延展性和 性。
(2)修建铁路所需的大量钢铁是以铁矿石为主要原料冶炼而得。写出一氧化碳和赤铁矿炼铁的化学方程式: 。
10.(5分)甲、乙、丙三种固体物质的溶解度曲线如图所示。
(1)t2℃时甲的溶解度为 ;t1℃时将30g丙加入到50g水中溶解形成溶液的质量为 。
(2)t2℃时,将60g甲的饱和溶液稀释成10%的溶液,需要加水 。
(3)将t3℃时甲、乙、丙的饱和溶液降温至t2℃,所得溶液的溶质质量分数由大到小排列的顺序是 。
(4)下列说法正确的是 。
A.t3℃时,等质量的甲、乙、丙形成的饱和溶液中含溶剂最多的是丙
B.用丙的饱和溶液配制一定溶质质量分数的丙溶液需要用到的仪器有:烧杯、玻璃棒、量筒、胶头滴管
C.t2℃时,甲丙的饱和溶液中所含溶质质量相等
D.将三种物质的溶液从t3℃降温至t1℃,析出晶体最多的是甲
E.丙的饱和溶液中含有少量的甲,由该液体获得纯净的固体丙,结晶的方法是升温结晶、趁热过滤、洗涤、干燥
11.(6分)有一种纳米润滑添加剂样品,由铝粉、铜粉、氧化铝粉末中的一种或几种组成,取少量该添加剂样品,分成质量相等的两份:(资料:已知氧化铝不溶于水,但可以与稀盐酸反应生成氯化铝和水)
(1)第一份样品加入足量稀盐酸,有红色固体残留并产生大量气泡,根据此现象可以知道样品中一定含有的物质是 (可以填化学式或名称)。
(2)第二份样品如图进行实验(其中滤渣A与滤渣D成分不一致):
①步骤Ⅰ中形成蓝色溶液时发生的化学反应方程式为 ;
②步骤Ⅱ中滤渣A部分溶解,溶液C中一定含有的阳离子为 (填化学符号,下同),滤渣D中一定含有 。
(3)根据以上实验,该纳米样品的成分为 。
12.(5分)用含有二氧化碳和水蒸气杂质的某种还原性气体测定一种铁的氧化物(FexOy)的组成,实验装置如图所示。实验过程中戊装置中没有明显变化,而装置丁中白色固体变成蓝色固体。(已知各装置中药品足量,装置气密性良好;氢氧化钠溶液可以和CO2反应,浓硫酸具有吸水性)
(1)乙装置中的试剂是 。
(2)根据实验现象,该还原性气体可能是 (填写化学式)。
(3)若装置丁与戊互换位置,则对实验产生的影响是 。
(4)当丙装置中的FexOy全部被还原成金属后,冷却后称量剩余固体的质量为8.4克,同时测得丁装置的质量增加了3.6克(假设丁中将生成的气体全部吸收)。则FexOy中铁元素和氧元素的质量比为 。
(5)关于上述实验,下列说法中正确的是 。
A.该实验中不需要进行尾气处理
B.若没有乙装置,测得铁的氧化物中铁元素与氧元素的质量比将偏大
C.若实验中丁装置中固体仍为白色,戊中石灰水变浑浊,只根据丙在反应前后质量的变化不能确定氧化物的组成
D.该铁的氧化物中铁、氧原子个数比为:x:y=3:4
13.(6分)将6.5g锌加入到93.7g的稀硫酸溶液中,恰好完全反应,求所得溶液中溶质的质量分数。(计算结果精确到0.1%)
2020-2021学年湖北省武汉市江汉区四校联盟九年级(下)月考化学试卷(3月份)
参考答案与试题解析
一.选择题(每小题3分)
1.(3分)某物质为金属材料,则该物质( )
A.一定是单质 B.一定是化合物
C.一定是混合物 D.可能是单质或混合物
【分析】金属材料包括纯金属和合金.合金是指由一种金属跟其他金属或非金属融合而成的具有金属特性的物质.
【解答】解:金属材料包括金属和合金。因此该物质可以是金属单质也可以是合金等混合物。
故选:D。
【点评】解答本题时要掌握材料的分类方法,例如金属材料包括金属和合金.
2.(3分)下列有关事实的相关解释,错误的是( )
A.生铁和钢的机械性能不同﹣﹣含碳量不同
B.铁原子和铁离子化学性质不同﹣﹣最外层电子数不同
C.水和过氧化氢的化学性质不同﹣﹣组成元素种类不同
D.金刚石和石墨的硬度不同﹣﹣碳原子的排列方式不同
【分析】A.根据生铁与钢的性能与组成来分析;
B.根据铁原子与铁离子的结构来分析;
C.根据物质结构与性质来分析;
D.根据碳单质的结构与性质来分析。
【解答】解:A.生铁和钢的含碳量不同,所以二者的机械性能不同,选项说法正确;
B.铁原子和铁离子的最外层电子数不同,所以铁原子和铁离子化学性质不同,选项说法正确;
C.水和过氧化氢的组成元素相同,但是二者的分子结构不同,所以水和过氧化氢的化学性质不同,选项说法错误;
D.金刚石和石墨都是由碳原子构成的,但是碳原子的排列方式不同,所以二者的硬度不同,选项说法正确。
故选:C。
【点评】本题考查了物质的组成、结构与性质等,解题时根据结构决定性质来分析解答即可。
3.(3分)下列关于溶液的说法正确的是( )
A.面粉、食盐、白醋都能溶解在水中
B.均一、稳定的液体一定是溶液
C.在洗去碗上的油污时加入洗洁精能形成溶液
D.配制溶液时,用量筒量水仰视读数,导致所得溶液的溶质质量分数偏小
【分析】A、根据常见物质的溶解性,进行分析判断。
B、根据溶液的特征,进行分析判断。
C、根据洗洁精乳化作用,进行分析判断。
D、用量筒量取水时,仰视液面,读数比实际液体体积小,进行分析判断。
【解答】解:A、食盐、白醋都能溶解在水中,面粉难溶于水,故A错误。
B、均一、稳定的液体不一定是溶液,也可能是纯净物,故B错误。
C、在洗去碗上的油污时加入洗洁精,洗洁精对油污有乳化作用能形成乳浊液,故C错误
D、用量筒量取水时,仰视液面,读数比实际液体体积小,会造成实际量取的水的体积偏大,则使溶质质量分数偏小,故D正确。
故选:D。
【点评】本题难度不大,明确错误操作对溶剂的影响、溶液的特征等是正确解答本题的关键。
4.(3分)如图是有关金属铁的实验,下列说法正确的是( )
A.④中铁生锈和⑤中反应后的生成物相同
B.①②对照说明铁生锈需要铁与水接触,③④对照说明铁生锈需要与氧气接触
C.④中铁比①中的铁生锈的更快,①中的铁乙处比甲丙处生锈的更快
D.以上说法都不正确
【分析】A.根据铁丝生锈和铁丝在氧气中燃烧的产物来分析;
B.根据铁的锈蚀条件来分析;
C.通过对比分析影响铁生锈快慢的因素;
D.根据以上选项分析判断。
【解答】解:A.④中铁生锈反应后的生成物是氧化铁,⑤中反应后的生成物是四氧化三铁,选项说法不正确;
B.①铁与空气、水接触铁锈蚀,②中铁只与水接触,铁不锈蚀,①②对比说明铁生锈需要空气;③④有变量是水,不能说明铁生锈需要与氧气接触,选项说法不正确;
C.四个实验中,④中的铁钉与氧气、水接触最充分,生锈最快;①中的铁乙处与氧气、水同时接触,比甲、丙处生锈的更快,选项说法正确;
D.选项C说法正确,故D选项不符合题意。
故选:C。
【点评】本题以实验探究的形式考查铁的化学性质、铁生锈的条件等,难度不大。
5.(3分)如图为一氧化碳还原氧化铁实验,下列说法中正确的是( )
A.开始时应先预热玻璃管,后通入一氧化碳
B.实验中玻璃管里粉末由黑色逐渐变成红棕色
C.若②中石灰水足量,则反应前后装置①质量的减小值小于装置②质量的增重值
D.参加反应的氧化铁和一氧化碳的质量比为40:7
【分析】根据一氧化碳具有还原性,能与氧化铁反应生成铁和二氧化碳,结合实验步骤、注意事项进行分析判断。
【解答】解:A、实验开始先通入一氧化碳,排出装置内的空气后,再点燃酒精灯加热玻璃管中的氧化铁,先通入一氧化碳后加热的原因是排尽玻璃管中的空气,防止发生爆炸,故A错误;
B、一氧化碳具有还原性,高温下能与氧化铁反应生成铁和二氧化碳,实验进行一段时间后,玻璃管A中出现的现象是红棕色粉末逐渐变黑,故B错误;
C、①中减少的是氧化铁中氧元素的质量,②中增加是二氧化碳的质量,包括参加反应的一氧化碳和氧化铁中氧元素的质量,所以若②中石灰水足量,则反应前后装置①质量的减小值小于装置②质量的增重值,故C正确;
D、反应的化学方程式为Fe2O3+3CO2Fe+3CO2,该反应中参加反应的氧化铁和一氧化碳的质量比为160:(28×3)=40:21,故D错误。
故选:C。
【点评】本题难度不大,掌握一氧化碳的化学性质(可燃性、还原性等)、还原氧化铁的实验现象等并能灵活运用是正确解答本题的关键.
6.(3分)下列实验方案能达到实验目的的是( )
选项
实验目的
实验方法
A
鉴别氢氧化钠固体、硝酸铵固体、氯化钠固体
加水
B
除去铜粉中少量的碳粉
在空气中充分灼烧
C
除去铁粉中混有的少量锌粉
加入过量的稀盐酸,过滤、洗涤、干燥
D
除去氯化亚铁溶液中少量的氯化铜
加入过量的锌粉,过滤
A.A B.B C.C D.D
【分析】根据两种物质与同种试剂反应产生的不同现象来鉴别它们,若两种物质与同种物质反应的现象相同,则无法鉴别它们。
除杂质至少要满足两个条件:①一般加入的试剂只能与杂质反应,不能与原物质反应;②反应后不能引入新的杂质。
【解答】解:A、氢氧化钠溶于水放热,使温度升高;硝酸铵固体溶于水吸热,使温度降低;氯化钠溶于水温度几乎无变化,可以鉴别,故选项实验方案能达到实验目的。
B、铜粉、碳粉在空气中充分灼烧,分别生成氧化铜、生成二氧化碳气体,不但能把杂质除去,也会把原物质除去,不符合除杂原则,故选项实验方案不能达到实验目的。
C、锌粉、铁粉均能与稀盐酸反应,不但能把杂质除去,也会把原物质除去,不符合除杂原则,故选项实验方案不能达到实验目的。
D、过量的锌粉能与氯化铜、氯化亚铁溶液反应,不但能把杂质除去,也会把原物质除去,不符合除杂原则,故选项实验方案不能达到实验目的。
故选:A。
【点评】本题难度不是很大,化学实验方案的设计是考查学生能力的主要类型,同时也是实验教与学难点,在具体解题时要对其原理透彻理解,可根据物质的物理性质和化学性质结合实验目的进行分析判断。
7.(3分)现有等质量X、Y、Z三种金属,分别放入三份溶质的质量分数相同的足量稀硫酸中,产生氢气的质量与反应时间的关系如图所示(已知X、Y、Z在生成物中化合价均为+2价)。则下列说法中正确的是( )
A.X、Y、Z依次可能是Mg、Zn、Fe
B.金属活动性:X>Y>Z
C.相对原子质量:Z>Y>X
D.消耗硫酸的质量:Y>X>Z
【分析】根据题意,等质量的X、Y、Z三种金属,分别与足量稀硫酸反应生成正二价金属硫酸盐和氢气,由氢气质量与反应时间的关系图,可以确定生成氢气的质量;进而结合金属的活动性越强,与酸反应的速率越快,进行分析解答.
【解答】解:A、由氢气质量与反应时间的关系图,等质量X、Y、Z三种金属,至完全反应,X用的时间少,Z其次,Y用的时间多,由金属的活动性越强,与酸反应的速率越快,则金属活动性顺序X>Z>Y,则X、Y、Z依次不可能是Mg、Zn、Fe,故选项说法错误。
B、根据A选项的分析,金属活动性顺序X>Z>Y,故选项说法错误。
C、等质量X、Y、Z三种金属,分别与足量稀硫酸反应生成正二价金属硫酸盐和氢气,由于化合价相同,产生的氢气质量与金属的相对原子质量成反比,产生氢气质量越多,说明该金属的相对原子质量越小,则相对原子质量Z>Y>X,故选项说法正确。
D、金属与酸反应时氢气来源于酸中的氢元素,生成的氢气越多,消耗的稀硫酸越多,消耗硫酸的质量:X>Y>Z,故选项说法错误。
故选:C。
【点评】本题难度不大,掌握活动性强的金属与酸反应剧烈、在相同时间内放出氢气的速度快、化合价相同时产生的氢气质量与金属的相对原子质量成反比是正确解答本题的关键.
8.(3分)为了探究金属和盐溶液的反应规律,将一定质量的锌粉和银粉加入到硝酸铜溶液中,充分反应,实验过程及实验现象如图所示,则下列说法中正确的是( )
A.滤渣中可能含单质锌
B.滤渣中一定含有Cu、Ag、Zn
C.滤液中一定含有Zn2+和Ag+
D.充分反应后溶液质量减少
【分析】在金属活动性顺序中,位置在前的金属能将位于其后的金属从其盐溶液中置换出来。
【解答】解:在金属活动性顺序中,锌>铜>银,锌能与硝酸铜反应生成硝酸锌和铜,银不与硝酸铜反应,滤渣中加入盐酸,有气体产生,说明加入的锌过量,所以把铜全部置换出来,滤渣中含有铜和过量的锌,还有没有参与反应的银,滤液中含有硝酸锌。
A、滤渣中加入盐酸,有气体产生,说明,滤渣中一定含有锌,故A错误;
B、滤渣中加入盐酸,有气体产生,说明加入的锌过量,所以把铜全部置换出来,滤渣中含有铜、没有参与反应的银、锌,故B正确;
C、银与硝酸铜不反应,滤液中不可能含有Ag+,故C错;
D、每65份质量的锌与硝酸铜反应生成64份质量的铜,所以充分反应后溶液质量增加,故D错误。
故选:B。
【点评】本题考查了金属活动性顺序的应用,完成此题,可以依据金属活动性顺序及其意义进行。
二、解答题
9.(4分)被国外友人称作“新四大发明之一”的高铁,大大方便人们的出行。
(1)图中标示的物质中为金属材料的是 ① (填序号),动车电路中的导线大多选用铜制造的,这是利用了铜的延展性和 导电 性。
(2)修建铁路所需的大量钢铁是以铁矿石为主要原料冶炼而得。写出一氧化碳和赤铁矿炼铁的化学方程式: Fe2O3+3CO2Fe+3CO2 。
【分析】(1)金属材料包括纯金属以及它们的合金,结合金属的物理性质与用途,进行分析解答。
(2)赤铁矿的主要成分是氧化铁,工业上用一氧化碳还原氧化铁炼铁,主要是利用CO的还原性,在高温下和氧化铁反应生成铁和二氧化碳,进行分析解答。
【解答】解:(1)金属材料包括纯金属以及它们的合金,图中标示的物质中为金属材料的是①。
动车电路中的导线大多选用铜制造的,这是利用了铜的延展性和导电性。
(2)赤铁矿的主要成分是氧化铁,工业上用一氧化碳还原氧化铁炼铁,主要是利用CO的还原性,在高温下和氧化铁反应生成铁和二氧化碳,反应的化学方程式为Fe2O3+3CO2Fe+3CO2。
故答案为:
(1)①;导电;
(2)Fe2O3+3CO2Fe+3CO2。
【点评】本题难度不大,了解铁的冶炼原理、金属材料、金属的物理性质与用途等是正确解答本题的关键。
10.(5分)甲、乙、丙三种固体物质的溶解度曲线如图所示。
(1)t2℃时甲的溶解度为 20g ;t1℃时将30g丙加入到50g水中溶解形成溶液的质量为 70g 。
(2)t2℃时,将60g甲的饱和溶液稀释成10%的溶液,需要加水 40g 。
(3)将t3℃时甲、乙、丙的饱和溶液降温至t2℃,所得溶液的溶质质量分数由大到小排列的顺序是 乙>甲>丙 。
(4)下列说法正确的是 ABE 。
A.t3℃时,等质量的甲、乙、丙形成的饱和溶液中含溶剂最多的是丙
B.用丙的饱和溶液配制一定溶质质量分数的丙溶液需要用到的仪器有:烧杯、玻璃棒、量筒、胶头滴管
C.t2℃时,甲丙的饱和溶液中所含溶质质量相等
D.将三种物质的溶液从t3℃降温至t1℃,析出晶体最多的是甲
E.丙的饱和溶液中含有少量的甲,由该液体获得纯净的固体丙,结晶的方法是升温结晶、趁热过滤、洗涤、干燥
【分析】根据固体的溶解度曲线可以:①查出某物质在一定温度下的溶解度,从而确定物质的溶解性,②比较不同物质在同一温度下的溶解度大小,从而判断饱和溶液中溶质的质量分数的大小,③判断物质的溶解度随温度变化的变化情况,从而判断通过降温结晶还是蒸发结晶的方法达到提纯物质的目的。
(1)根据溶解度曲线的意义以及物质的溶解度来分析;
(2)根据稀释前后溶质质量不变分析;
(3)根据物质的溶解度受温度影响来分析;
(4)根据物质的溶解度、溶质的质量分数与溶解度的关系等来分析。
【解答】解:(1)由溶解度曲线可知,t2℃时甲的溶解度为20g;t1℃时,丙的溶解度为40g,50g水中最多溶解20g丙,所得的溶液质量为50g+20g=70g;
(2)设需加水的质量为x,则60g××100%=(60g+x)×10%,解得x=40g;
(3)t3℃时,丙物质的溶解度随温度的升高而减少,甲、乙物质的溶解度随温度的升高而增大,将甲、乙、丙三种物质的饱和溶液降温至t2℃,甲、乙物质饱和溶液有晶体析出,溶液仍为饱和溶液,丙物质溶液变成不饱和溶液,溶质的质量分数不变,t2℃时,由于乙物质的溶解度大于甲物质,因此乙物质饱和溶液溶质的质量分数大于甲;由于丙物质在t3℃时的溶解度小于甲物质在t2℃时的溶解度,因此甲物质饱和溶液溶质的质量分数大于丙物质,所得溶液溶质的质量分数由大到小的顺序为:乙>甲>丙;
(4)A.t3℃时,甲、乙、丙三种物质的溶解度为甲>乙>丙,等质量的甲、乙、丙形成的饱和溶液溶质的质量分数为甲>乙>丙,故溶质的质量为:甲>乙>丙,溶剂的质量为甲<乙<丙,即t3℃时,等质量的甲、乙、丙形成的饱和溶液中含溶剂最多的是丙,选项说法正确;
B.用丙的饱和溶液配制一定溶质质量分数的丙溶液,只是将浓溶液加水稀释,需要用到的仪器有:烧杯、玻璃棒、量筒、胶头滴管,选项说法正确;
C.由于未指明溶液的质量,t2℃时,甲、丙的饱和溶液中所含溶质质量不一定相等,选项说法不正确;
D.将三种物质的溶液从 t3℃降温至 t1℃,由于不知道溶液的质量和溶液状态,不能确定析出晶体的多少,选项说法不正确;
E.丙物质的溶解度随温度的升高而减少,甲物质的溶解度随温度的升高而增大,丙的饱和溶液中含有少量的甲,由该液体获得纯净的固体丙,结晶的方法是升温结晶、趁热过滤、洗涤、干燥,选项说法正确;
故选ABE。
故答案为:(1)20g;70g;
(2)40g;
(3)乙>甲>丙;
(4)ABE。
【点评】本题难度不是很大,主要考查了固体的溶解度曲线所表示的意义,及根据固体的溶解度曲线来解决相关的问题,从而培养分析问题、解决问题的能力。
11.(6分)有一种纳米润滑添加剂样品,由铝粉、铜粉、氧化铝粉末中的一种或几种组成,取少量该添加剂样品,分成质量相等的两份:(资料:已知氧化铝不溶于水,但可以与稀盐酸反应生成氯化铝和水)
(1)第一份样品加入足量稀盐酸,有红色固体残留并产生大量气泡,根据此现象可以知道样品中一定含有的物质是 Cu(或铜)、Al(或铝) (可以填化学式或名称)。
(2)第二份样品如图进行实验(其中滤渣A与滤渣D成分不一致):
①步骤Ⅰ中形成蓝色溶液时发生的化学反应方程式为 Cu+2AgNO3=Cu(NO3)2+2Ag ;
②步骤Ⅱ中滤渣A部分溶解,溶液C中一定含有的阳离子为 Al3+ (填化学符号,下同),滤渣D中一定含有 Ag 。
(3)根据以上实验,该纳米样品的成分为 铝粉、铜粉、氧化铝粉末 。
【分析】(1)铜的活动性比银强,能够将硝酸银中的银置换出来;
(2)氧化铝能够与稀盐酸反应生成氯化铝和水;
(3)根据实验探究的现象进行分析。
【解答】解:(1)铜为紫红色固体,且铜的活动性比氢弱,因此不能与稀酸反应,第一份样品加入足量稀盐酸,有红色固体残留,说明固体中含有铜粉,铝的活动性比氢强,能够与稀盐酸反应生成氢气,样品中加入稀盐酸观察到由大量气泡产生,说明固体中含有铝粉;故答案为:Cu(或铜)、Al(或铝);
(2)①通过(1)可知固体中含有铝粉和铜粉,铝、铜、银的活动性从强到弱顺序为Al>Cu>Ag,故硝酸银溶液先与铝粉反应溶液不变色,铝粉消耗完全后铜粉继续与硝酸银反应,因此步骤Ⅰ中形成蓝色溶液,铜与硝酸银的反应的化学方程式为:Cu+2AgNO3=Cu(NO3)2+2Ag;故答案为:Cu+2AgNO3=Cu(NO3)2+2Ag;
②根据图示可知步骤Ⅰ后通过过滤得到的滤渣A中一定含有银,可能含有铜粉和氧化铝,根据溶液B是蓝色的,可知滤渣中一定不含铝粉,步骤Ⅱ中加入足量稀盐酸,滤渣A部分溶解,说明滤渣A中一定含有氧化铝,氧化铝和稀盐酸反应生成氯化铝和水,因此溶液中一定含有Al3+,盐酸足量加入,故溶液中不一定含有H+,银的活动性比氢弱,不能与稀盐酸反应,因此步骤Ⅱ得到的滤渣D中一定含有Ag;故答案为:Al3+;Ag;
(3)根据上述实验探究过程卡纸该纳米样品的成分包括铝粉、铜粉、氧化铝粉末;故答案为:铝粉、铜粉、氧化铝粉末。
【点评】本题对固体粉末的成分进行了探究,涉及了金属与酸反应、金属与盐溶液反应相关知识,题目稍难,解题时需要注意两点:一是根据金属活动性顺序判断反应能否发生,二是金属混合物与盐溶液反应时,需要考虑金属活动性强弱,判断反应先后顺序和反应程度。
12.(5分)用含有二氧化碳和水蒸气杂质的某种还原性气体测定一种铁的氧化物(FexOy)的组成,实验装置如图所示。实验过程中戊装置中没有明显变化,而装置丁中白色固体变成蓝色固体。(已知各装置中药品足量,装置气密性良好;氢氧化钠溶液可以和CO2反应,浓硫酸具有吸水性)
(1)乙装置中的试剂是 浓硫酸 。
(2)根据实验现象,该还原性气体可能是 H2 (填写化学式)。
(3)若装置丁与戊互换位置,则对实验产生的影响是 只能判断还原性气体是否为CO,而不能判断是否为H2 。
(4)当丙装置中的FexOy全部被还原成金属后,冷却后称量剩余固体的质量为8.4克,同时测得丁装置的质量增加了3.6克(假设丁中将生成的气体全部吸收)。则FexOy中铁元素和氧元素的质量比为 21:8 。
(5)关于上述实验,下列说法中正确的是 AD 。
A.该实验中不需要进行尾气处理
B.若没有乙装置,测得铁的氧化物中铁元素与氧元素的质量比将偏大
C.若实验中丁装置中固体仍为白色,戊中石灰水变浑浊,只根据丙在反应前后质量的变化不能确定氧化物的组成
D.该铁的氧化物中铁、氧原子个数比为:x:y=3:4
【分析】(1)根据装置作用分析。
(2)根据氢气还原金属氧化物有水生成分析。
(3)若装置丁与戊互换位置影响氢气的判断。
(4)根据质量守恒定律,水中氧元素质量即为FexOy中氧元素的质量,结合题干数据分析。
(5)根据题干信息及实验注意事项分析。
【解答】解:(1)乙装置中试剂作用是干燥气体,所以是浓硫酸。
(2)戊装置中没有明显变化,说明没有二氧化碳生成,而装置丁中白色固体变成蓝色固体,说明有水生成,根据实验现象可知:该还原性气体可能是H2。
(3)丁装置的作用是检验是否有水生成,戊装置的作用是检验是否有二氧化碳生成,如果两者互换,只能判断还原性气体是否为CO,而不能判断是否为H2。
(4)丁装置的质量增加了3.6g,即生成水的质量为3.6g,3.6g水中含有氧元素的质量是为3.6g×═3.2g;冷却后称量剩余固体的质量为8.4g,即铁的质量为8.4g,则exOy中铁元素和氧元素的质量比为8.4g:3.2g=21:8。
(5)A、由实验现象可知,通入还原性气体是氢气,氢气无毒且排出的未反应的氢气不能达到爆炸极限,所以该实验中不需要进行尾气处理,故A正确。
B、若没有乙装置,会使测得水的质量偏大,测得铁的氧化物中铁元素与氧元素的质量比将偏小,故B错误。
C、若实验中丁装置中固体仍为白色,戊中石灰水变浑浊,说明还原性气体为一氧化碳,一氧化碳与铁的氧化物反应生成二氧化碳和铁,根据丙在反应前后质量的变化,可计算分别出铁元素和氧元素的质量,并进一步可以求出铁、氧的原子个数比,所以可以确定氧化物的组成,故C错误。
D、根据(4)中分析可知,则FexOy中铁元素和氧元素的质量比为8.4g:3 2g=21:8,56x:16y=21:8,x;y=3:4,则该铁的氧化物中原子个数比为3:4,故D正确。
故选AD。
故答案为;(1)浓硫酸
(2)H2;
(3)只能判断还原性气体是否为CO,而不能判断是否为H2;
(4)21:8;
(5)AD。
【点评】本题主要考查物质的性质,解答时要根据各种物质的性质,结合各方面条件进行分析、判断,从而得出正确的结论。
13.(6分)将6.5g锌加入到93.7g的稀硫酸溶液中,恰好完全反应,求所得溶液中溶质的质量分数。(计算结果精确到0.1%)
【分析】根据题中的叙述列出化学方程式,再依据所给数据和设出的数据找出比例关系进行解答,最后将解出的答案进行总结即可.6.5g是纯锌的质量,而93.7g是溶液的质量,所以可以直接使用6.5g,而不可以用93.7g带入化学方程式计算.
【解答】解:设可产生氢气的质量为x,生成的ZnSO4的质量为y
Zn+H2SO4=ZnSO4+H2↑
65 161 2
6.5g y x
解得:x=0.2g
解得:y=16.1g
溶液中溶质的质量分数为:=16.1%
答:所得溶液中溶质的质量分数为16.1%.
【点评】在解此类题时,首先书写化学方程式,然后在列出比例关系解答相关数据,最后进行总结即可。
声明:试题解析著作权属菁优网所有,未经书面同意,不得复制发布日期:2022/9/16 15:09:13;用户:东西湖区轻松国文培训学校;邮箱:qsgwpx@xyh.com;学号:44874092
相关试卷
这是一份2023-2024学年湖北省武汉市江汉区九年级(上)期中化学试卷,共5页。试卷主要包含了选择题,填空题,计算题等内容,欢迎下载使用。
这是一份2021-2022学年湖北省武汉市江汉区四校联盟九年级(上)月考化学试卷(12月份),共20页。试卷主要包含了选择题,解答题等内容,欢迎下载使用。
这是一份2019-2020学年湖北省武汉市江汉区九年级(上)期中化学试卷,共35页。试卷主要包含了选择题,填空题等内容,欢迎下载使用。

