高中物理人教版 (2019)必修 第一册第一章 运动的描述综合与测试精品课堂检测
展开第一章 运动的描述拓展提升
一、选择题(1-9单选,10-13多选)
1.下面关于质点的说法正确的是
A.只有质量很小的物体才能看成质点
B.只有体积很小的物体才能看成质点
C.质量很大的物体一定不能看成质点
D.在研究物体运动时物体的形状和体积属于无关因素或次要因素时,可以把物体看作质点
【答案】D
【解析】物体能否看作质点,不是看大小,即物体的大小和形状相对与研究的问题而言能否忽略不计, 故 ABC 错误;在研究物体运动时,如果物体的形状和体积属于无关因素或次要因素,物体的形状和体 积可以忽略不计,故可以把物体看成质点,故 D 正确;故选 D。
2.下列有关运动的描述中,参考系的选取符合描述的是( )
A.“地球的公转”是以“地球”为参考系的
B.“太阳东升西落”是以“太阳”为参考系的
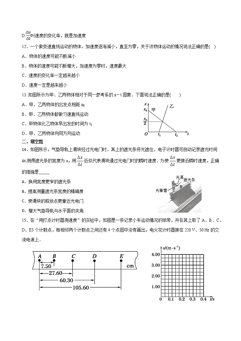
C.“一江春水向东流”是以“春水”为参考系的
D.升国旗时,观察到国旗冉冉升起,观察者是以“地面”为参考系的
【答案】D
【解析】研究“地球的公转”,是以“太阳”为参考系的,A错误;“太阳的东升西落”,是以“地球”为参考系的,B错误;“一江春水向东流”是以“河岸”为参考系的,C错误;升国旗时,观察到国旗冉冉升起,观察者是以“地面”为参考系的,D正确。
3. 如图所示,小球从距地面5 m高处落下,被地面反向弹回后,在距地面2m高处被接住,则小球从高处落下到被接住这一过程中通过的路程和位移的大小分别是( )
A. 7 m、7 m B. 5 m、2 m
C. 7 m、3 m D. 5 m、3 m
【答案】C
【解析】小球的起点在A末点在B,由图可知AB的长度为3米,因此其位移大小为3m,路程为小球经过的轨迹长度,由题意可知,路程为7m,故C正确。故选C。
4.下列说法正确的是( )
A. 在研究自行车后轮的转动情况时可以将自行车后轮看作质点
B. 电台报时说:“现在是北京时间8点整”,这里的“时间”实际上指的是时刻
C. 位移和速度都是矢量,它们的方向都是物体运动的方向,所以方向相同
D. 做直线运动的物体当加速度方向与速度方向相同时,若加速度减小,速度也减小
【答案】B
【解析】A.在研究自行车后轮的转动情况时,自行车后轮的形状大小不可以忽略,因此不可以将自行车后轮看作质点,故A错误;
B.电台报时说:“现在是北京时间8点整”,这里的“时间”实际上指的是时刻,故B正确;
C.位移和速度都是矢量,位移的方向是由初位置指向末位置,速度的方向是物体运动的方向,它们的方向比一定相同,故C错误;
D.做直线运动的物体当加速度方向与速度方向相同时,物体速度增大,加速度减小,只是速度增大的慢,故D错误。故选B。
5.某人骑自行车沿一斜坡从坡底到坡顶,再从坡顶到坡底往返一次,已知上坡时的平均速度大小为4 m/s,下坡时的平均速度大小为6 m/s,则此人往返一次的平均速度和平均速率分别是 ( )
A.0 m/s,5 m/s B.4.8 m/s,5 m/s
C.0 m/s,4.8 m/s D.4.8 m/s,10 m/s
【答案】C
【解析】人往返一次通过的位移为0,故平均速度为零,设坡长为x,则上坡时
下坡时间为:则平均速率为:故选项C正确.
6.一物体做变速直线运动,某时刻速度的大小为5m/s,1s后速度的大小变为8m/s。在这1s内该物体的( )
A.速度变化的大小可能等于5m/s
B.速度变化的大小可能大于13m/s
C.平均加速度的大小可能小于5m/s2
D.平均加速度的大小可能等于8m/s2
【答案】C
【解析】以初速度方向为正方向,则v0=5m/s,当末速度与初速度方向相同时,v=8m/s则Δv==3m/s则平均加速度a==m/s2=3m/s2
平均加速度的大小为3m/s2;当末速度与初速度方向相反时,v′=-8m/s则Δv′==-13m/s
则平均加速度a′==m/s2=-13m/s2平均加速度的大小为13m/s2故选C。
7.质点沿直线运动,其位移—时间图象如图所示.关于质点的运动,下列说法中正确的是( )
A.2 s末质点的位移为零,前2 s内位移为“-”,后2 s内位移为“+”,所以2 s末质点改变了运动方向
B.2 s末质点的位移为零,该时刻质点的速度为零
C.质点做匀速直线运动,速度大小为0.1 m/s,方向与规定的正方向相反
D.质点在4 s时间内的位移大小为0.4 m,位移的方向与规定的正方向相同
【答案】D
【解析】A.由图知,前2s内质点的位移为“-”,后2s内位移为“+”,但图象的斜率一直为正,说明质点的速度一直为正,即质点一直沿正方向运动,运动方向没有改变,故A错误;
B.2s末质点的位移为零,该时刻质点的速度不为零,故B错误;
C.根据x-t图象的斜率等于速度,则知质点的速度保持不变,做匀速直线运动,速度为
即速度大小为0.1m/s,方向与规定的正方向相同,故C错误;
D.质点在4s时间内的位移为△x=0.2m-(-0.2m)=0.4m
大小为0.4m,位移的方向与规定的正方向相同,故D正确。
8.如图所示为一质点做直线运动的vt图像,下列说法中正确的是( )
A.质点在ab段与bc段的速度方向相反
B.质点在bc段与cd段的加速度方向相反
C.质点在ab段的加速度大小为2 m/s2
D.质点在bc段通过的位移为2 m
【答案】C
【解析】质点在ab段与bc段的速度均为正值,故方向相同,选项A错误;因为速度—时间图线的斜率表示物体的加速度,故质点在bc段与cd段的加速度方向相同,选项B错误;质点在ab段的加速度大小为a== m/s2=2 m/s2,选项C正确;质点在bc段通过的位移为x=×0.5×4.0 m=1 m,选项D错误。选C。
9.沿同一直线运动的A、B两物体,相对同一参考系的xt图像如图所示,下列说法正确的是( )
A.前5 s内A、B的位移均为10 m
B.两物体由同一位置开始运动,物体A比B迟3 s才开始运动
C.在前5 s内两物体的位移相同,5 s末A、B相遇
D.从3 s末开始,两物体运动方向相同,且A比B运动得快
【答案】D
【解析】5 s末A、B到达同一位置,两者相遇,在前5 s内,A通过的位移为10 m,B通过的位移为5 m,A、C错误;A从原点出发,而B从正方向上距原点5 m处出发,A在B运动3 s后开始运动,B错误;在xt图像中图线的斜率表示物体运动的快慢和方向,从t=3 s起,两图线的斜率均为正值,说明两物体均沿正方向运动,A的斜率比B的斜率大,说明A运动得比B快,D正确。
10.下列关于时间间隔和时刻的说法中正确的是( )
A.时间间隔是较长的一段时间,时刻是较短的一段时间
B.第2 s内和前2 s内指的是不相等的两段时间间隔
C.“北京时间12点整”指的是时刻
D.时光不能倒流,因此时间有方向,是矢量
【答案】BC
【解析】时间间隔指的是一段时间,不管长短,选项A错误,B正确;时刻对应于某一瞬时,选项C正确;时间没有方向,是标量,选项D错误.
11.由加速度的定义式a=可知( )
A.a与Δv成正比,与Δt成反比
B.物体的加速度大小可根据Δv与Δt的比值来计算
C.a的方向与Δv的方向相同,与v的方向无关
D.叫速度的变化率,就是加速度
【答案】BCD
【解析】公式a=是加速度的定义式,不是决定式,加速度a是采用比值定义法定义的,所以a与Δv、Δt不存在比例关系,只是a的大小可根据Δv与Δt的比值计算出来,且a的方向与Δv的方向相同,与v的方向无关,选项A错误,选项B、C正确;是速度的变化率,根据加速度的定义可知,就是加速度,故D正确。
12.一个做变速直线运动的物体,加速度逐渐减小,直至为零,关于该物体运动的情况说法正确的是( )
A.物体的速度可能不断减小
B.物体的速度可能不断增大,加速度为零时,速度最大
C.速度的变化率一定越来越小
D.速度一定是越来越小
【答案】ABC
【解析】当加速度的方向与速度方向相反时,物体的速度不断减小,故A正确;加速度的方向与速度方向相同时,物体的速度不断增大,当加速度减为零时,速度最大,故B正确;加速度等于速度的变化率,加速度逐渐减小,速度的变化率越来越小,故C正确;当加速度的方向与速度方向相同,加速度减小,速度增大,故D错误。
13..如图所示为甲、乙两物体相对于同一参考系的x-t图象.下面说法正确的是( )
A.甲、乙两物体的出发点相距x0
B.甲、乙两物体都做匀速直线运动
C.甲物体比乙物体早出发的时间为t1
D.甲、乙两物体向同方向运动
【答案】ABC
【解析】由图可知,甲物体在t=0时出发,其运动方向与规定的正方向相反,做匀速运动,出发点距原点x0.乙物体在t=t1时从原点出发,其运动方向沿规定的正方向,做匀速直线运动,两物体运动方向相反.故选项A、B、C正确,选项D错误.
二、填空题
14.如图所示,气垫导轨上滑块经过光电门时,其上的遮光条将光遮住,电子计时器可自动记录遮光时间Δt.测得遮光条的宽度为x,用近似代表滑块通过光电门时的瞬时速度.为使更接近瞬时速度,正确的措施是_____
A.换用宽度更窄的遮光条
B.提高测量遮光条宽度的精确度
C.使滑块的释放点更靠近光电门
D.增大气垫导轨与水平面的夹角
【答案】A
【解析】极短时间内的平均速度表示瞬时速度;即换用宽度更窄的遮光条,通过光电门的时间更短,更接近瞬时速度,故A正确。
15.在“用打点计时器测速度”的实验中,如图是一条记录小车运动情况的纸带,并在其上取了A、B、C、D、E5个计数点,每相邻两个计数点之间还有4个点图中没有画出,电火花计时器接在220 V、50 Hz的交流电源上.
(1)由纸带上的数据计算vB=________m/s,vC=________m/s,vD=________m/s.
(2)在如图所示坐标系中作出小车的v-t图线(以打A点时开始计时).(此题计算结果均保留三位有效数字)
【答案】(1)1.38 2.64 3.90 (2)见解析
【解析】(1)由题意知,相邻两计数点间的时间为T=0.1 s.
vB== m/s=1.38 m/s;
vC== m/s=2.64 m/s;
vD== m/s=3.90 m/s.
(2)图象如图所示
三、解答题(解答应写出必要的文字说明、方程式和重要演算步骤。只写出最后答案的不能得分。有数值计算的题,答案中必须明确写出数值和单位)
16.某一做直线运动的物体的图像如图所示,根据图像求:
(1)物体距出发点的最远距离;
(2)前4 s内物体的位移;
(3)前4 s内物体通过的路程。
【解析】 (1)物体距出发点最远的距离xm=4 m。
(2)前4 s内物体的位移x=x2-x1=(-2-0) m=-2 m。
(3)前4 s内物体通过的路程
s=s1+s2+s3=4 m+4 m+2 m=10 m。
17.如图所示为测定气垫导轨上滑块的加速度的装置,滑块上安装了宽度为3.0 cm的遮光板,滑块在牵引力作用下先后通过两个光电门,配套的数字毫秒计记录了遮光板通过第一个光电门的时间Δt1=0.29 s,通过第二个光电门的时间为Δt2=0.11 s,遮光板从通过第一个光电门到开始遮住第二个光电门所用时间为Δt=3.57 s,求滑块的加速度。
【答案】0.045 m/s2
【解析】经过第一个光电门的速度为
v1== m/s≈0.103 m/s
经过第二个光电门的速度为
v2== m/s≈0.273 m/s
由a=得a=
= m/s2≈0.045 m/s2。
18.如图所示为甲、乙两个质点沿x轴运动的vt图像,请根据图像回答下列问题:
(1)甲、乙两个质点分别做怎样的运动?
(2)它们的加速度大小分别为多少?方向如何?
(3)甲、乙两图线交点的物理意义。
【解析】(1)由图像知,甲质点在前2 s内沿x轴负方向做减速运动,2 s末,速度减为零,2 s后,又沿x轴正方向做加速运动;乙质点在前3 s内沿x轴正方向做减速运动,3 s末,速度为零,3 s后,又沿x轴负方向做加速运动。
(2)t甲=2 s,v甲1=-2 m/s,v甲2=0。由a甲=可得:甲的加速度a甲= m/s2=1 m/s2,为正值,证明其方向沿x轴正向;t乙=3 s,由题知v乙1=4 m/s,v乙2=0,则乙的加速度a乙== m/s2=- m/s2,即乙的加速度大小为 m/s2,方向沿x轴负向。
(3)甲、乙两图线交点表示二者速度相同。
19.让小球从斜面的顶端滚下,如图所示,用闪光照相机拍摄小球在斜面上运动的一段,已知闪频为10 Hz,且O点是0.4 s时小球所处的位置,试根据此图估算:
(1)小球从O点到B点的平均速度大小;
(2)小球在A点和B点的瞬时速度大小;
(3)小球运动的加速度大小。
【答案】(1)0.8 m/s (2)0.8 m/s 1.0 m/s (3)2.0 m/s2
【解析】依题意知,相邻两次闪光的时间间隔Δt= s=0.1 s。
(1)vOB== m/s=0.8 m/s。
(2)小球在A点时的瞬时速度vA==0.8 m/s,
小球在B点时的瞬时速度vB== m/s=1.0 m/s。
(3)由加速度的定义得,小球的加速度a== m/s2=2.0 m/s2。
期末考试拓展提升-高一物理单元双卷(人教版2019必修第一册): 这是一份期末考试拓展提升-高一物理单元双卷(人教版2019必修第一册),文件包含期末考试拓展提升解析版docx、期末考试拓展提升原卷版docx等2份试卷配套教学资源,其中试卷共17页, 欢迎下载使用。
期中考试拓展提升-高一物理单元双卷(人教版2019必修第一册): 这是一份期中考试拓展提升-高一物理单元双卷(人教版2019必修第一册),文件包含期中考试拓展提升解析版docx、期中考试拓展提升原卷版docx等2份试卷配套教学资源,其中试卷共19页, 欢迎下载使用。
2020-2021学年第四章 运动和力的关系综合与测试精品复习练习题: 这是一份2020-2021学年第四章 运动和力的关系综合与测试精品复习练习题,文件包含第四章运动和力的关系拓展提升解析版docx、第四章运动和力的关系拓展提升原卷版docx等2份试卷配套教学资源,其中试卷共24页, 欢迎下载使用。

