2021蚌埠二中高三下学期6月最后一卷理科综合化学试题含答案
展开蚌埠二中2021届高三最后一卷
理科综合化学试题
本试卷分第I卷(选择题)和第II卷(非选择题)两部分。
满分300分,考试用时150分钟。
可能用到的相对原子质量:Mg 24 Ba 137 S 32 O 16 H 1 Ni 59 Fe 56 Cu 64
第I卷(选择题)
一、选择题:(本大题共7小题。每小题给出的四个选项中,只有一个选项符合题目要求)
7.“嫦娥五号成功着陆月球,携带月壤返回,实现了中国首次月球无人采样返回。下列有关说法不正”确的是
A. 月壤中含有的3He,其质子数为2
B. “嫦娥五号”主体框架——钛合金、铝合金属于金属材料
C. 运载火箭用的液氢推进剂也可以制造燃料电池,能量转化率可达100%
D. 制作钻杆用的SiC增强铝基材料属于复合材料
8.中成药连花清瘟胶囊对于治疗轻型和普通型的新冠肺炎患者有确切的疗效。其有效成分绿原酸的结构简式如图所示,下列有关绿原酸说法正确的是
A.所有碳原子均可能共平面
B.1 mol绿原酸可消耗7molH2
C.1 mol绿原酸可消耗7mol NaOH
D.1 mol绿原酸可消耗4mol Br2
9.X、Y、Z、W 为原子序数依次增大的短周期主族元素,四种元素组成的某种化合物可用于防治蛀牙,该化合物的结构如图所示,以下有关说法正确的是
A.该化合物中X元素显-1和-2价
B.W的最高价含氧酸的酸式盐溶液显酸性
C. Y的简单氢化物在同族元素的简单氢化物中沸点最高
D. WY5 所有原子最外层均为8 电子结构
10.以 CO2和甲醇(MeOH)为原料合成碳酸二甲酯( )的催化反应机理如图所示。下列说法不正确的是
A.该反应符合绿色化学的理念,原子利用率达到100%
B.甲是该反应的催化剂
C.加入缩醛能使总反应平衡正向移动
D.甲→乙过程中 Sn 的配位数未发生改变
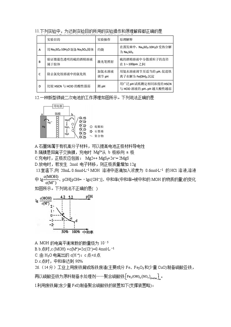
11.下列实验中,为达到实验目的所用的实验操作和原理解释都正确的是
12.一种新型镁硫二次电池的工作原理如图所示。下列说法正确的是
A.石墨烯属于有机高分子材料,可以提高电池正极材料导电性
B.隔膜是阳离子交换膜,充电时 Mg2+从 b 极移向 a 极
C.充电时,正极反应包括: Mg2++ MgS2+2e−= 2MgS
D.放电时,若发生 2mol 电子转移,则正极质量增加12g
13.室温下,向 20mL 0.6mol∙L−1 MOH 溶液中逐滴加入浓度为 0.6mol∙L−1 的HCl溶液,溶液中lg、pOH[pOH=‐lgc(OH−)]、中和率(中和率=被中和的MOH的物质的量)的变化如图所示。下列说法不正确的是( )
A. MOH的电离平衡常数的数量级为10‐5
B.b点时,c (MOH) +c(M+)=2c(Cl−)=0.4mol∙L −1
C. 由H2O电离出的c(H +):c点<d点
D.c点时,中和率达到90%
26.(14 分)工业上用废铁屑或炼铁废渣(主要成分Fe、Fe2O3和少量CuO)制备硫酸亚铁,再以硫酸亚铁为原料制备水处理剂——聚合硫酸铁。
I.利用废铁屑(含少量FeS)制备聚合硫酸铁的装置如下(支撑装置略):
(1)溶解:先用10%的碳酸钠溶液煮沸废铁屑,原因是___________;再用清水洗净,将处理好的铁屑放入装置中,组装仪器,加入适量稀硫酸溶解;硫酸用量不能过多,原因是___________;写出A装置的名称_______。
(2)合成:待铁屑反应完全后,分批注入氯酸钾溶液并搅拌,放置一段时间;写出KClO3、FeSO4、H2SO4搅拌生成Fe2(OH)n(SO4)(3‐0.5n)的化学反应方程式 。
(3)检验:检验甲装置中亚铁离子减少到规定浓度即可结束反应,制得产品。
II. 为了确定Fe2(OH)n(SO4)(3‐0.5n)的组成,设计如下实验。
步骤一:取聚合硫酸铁样品50.00mL,先加入足量稀硝酸,再加入足量的BaCl2溶液,产生白色沉淀,过滤、洗涤、干燥,称重,沉淀质量为5.8250g。
步骤二:另取50.00mL聚合硫酸铁样品,先加入足量稀硫酸,再加入足量铜粉,充分反应后过滤、洗涤,将滤液和洗液合并配成500.00mL溶液,取该溶液50.00mL,用酸性KMnO4溶液滴定,到达终点时用去0.0100 mol∙L−1KMnO4标准溶液40.00mL,求:Fe2(OH)n(SO4)(3‐0.5n)组成 ___________。
III.用炼铁废渣制备硫酸亚铁晶体,请补充完整实验方案:
已知:溶液中各离子开始沉淀和沉淀完全的pH值
取一定量的炼铁废渣,加入适量的1.0mol∙L−1硫酸充分溶解, ,将滤液蒸发浓缩,冷却结晶,过滤,洗涤,干燥得硫酸亚铁晶体FeSO4∙7H2O。(必选的试剂1.0mol∙L−1H2SO4溶液、3%H2O2 溶液、1.0mol∙L−1NaOH溶液、还原铁粉)。
27.(14 分)利用含铅废料(主要含 PbO、PbSO4 和 PbO2)制备化工产品三盐(PbSO4·3PbO·H2O)的工艺流程如图:
已知:具有两性,PbO2有强氧化性。
请回答下列问题:
(1)结晶水合物M(M=322 g·mol−1)的化学式为 .
(2)“转化”中,加入Na2SO3 溶液的目的是 .
(3)“转化”中,写出加入Na2CO3溶液发生的离子反应方程式 .
(4)下列试剂可以替代Na2SO3溶液 (填写字母)
A.H2O2溶液 B.Na2SO4溶液 C..高锰酸钾溶液 D.Fe2(SO4)3溶液
(5)“滤液2”的主要成分 (填写物质名称)
(6)“酸溶”时,反应温度控制在40℃,其主要原因是
(7)“合成”三盐的化学方程式为 ,解释“合成”需控制溶液的pH不能大于10的原因 。
28.(15 分)甲醇是一种可再生能源,也是一种重要的化工原料,在日常生活中有着广泛的应用。工业上可采用下列两种反应合成甲醇:
反应I:
反应II:
(1)反应 △H=
(2)将一定量的 CO和 H2加入刚性的密闭容器中,发生上述反应I,反应进行相同时间,测得甲醇的体积分数φ(CH3OH)与反应温度 T的关系曲线如下图所示
由以上信息推测b点时,混合气的物质的量是反应前的 倍。
(3)下图是反应 I 中温度、压强与 CO 平衡转化率的关系:
①由图像可知,较低温度时,CO转化率对 (选填“温度”或“压强”)敏感。
②由图像可知,温度越低,压强越大,CO转化率越高,但实际生产往往采用300℃左右和10MPa的条件,其原因是 。
(4)573.2K时,向一容积可变的恒压密闭容器中充入1molCO2和3molH2,发生上述反应II,测得起始时容器的体积为2L,气体总压强为PMPa,t2min后反应达到平衡,若CO2的转化率为50%,则平衡时H2 的物质的量浓度为 mol·L−1 ,其平衡常数Kp= (MPa)-2 (用含 P 的代数式表示,Kp为以分压表示的平衡常数)
(5)若容器容积不变,充入一定量的CO2和H2进行反应II,下列措施不能增加甲醇产率的是()
A.增加CO2的量 B.升高温度
C.充入 He,使体系总压强增大 D.按原比例再充入 CO2 和 H2
(6)甲醇燃料电池体积小、洁净环保、比能量高,已在便携式通讯设备、汽车等领域应用, “甲醇燃料电池”的工作原理如图所示。
请写出电极M上发生的电极反应式 。
35.【化学——选修3:物质结构与性质】(15分)
碳元素是形成化合物种类最多的元素,也可形成多种单质,同时CN‐ 和SCN‐ 也可与铁、铜、铬等过渡元素形成配合物。请回答下列问题:
(1)碳元素位于元素周期表的_______区,第二周期中基态原子与基态碳原子具有相同未成对电子数的元素是_______(填元素符号。)
(2)乙烯的结构如图1所示,其中碳原子的杂化形式是_______,乙烯分子中碳碳双键与碳氢键的键角大于碳氢键之间的键角,原因是_______。
(3)金刚石、C60、C90都是碳元素形成的单质,三者的熔点由高到低的顺序是_______,原因是_______。
(4)是Cr3+与CN-形成的一种配离子,基态Cr3+的价电子排布式是_______,
1mol中含有的键的数目为_______ 。
(5)新型超导材料晶体的晶胞结构中镁原子和镍原子位于顶点和面心,它们构成两种八面体空隙,一种由镍原子构成,另一种由镍原子和镁原子一起构成,两种八面体空隙的数量是1:3,碳原子只填充在镍原子构成的八面体空隙中,沿晶胞立方格子对角线取得的截图如图2所示。
①该新型超导材料的化学式为_______。
②已知晶胞参数a=0.3812nm,阿伏加德罗常数的值为NA,Mg原子周围等距最近的的C原子数为_______ ,该晶胞密度为 gcm-3(列出计算式即可。)
36【化学——选修5:有机化学基础】(15分)
某研究小组按下列路线合成有机中间体芳香醛 X:
请回答:
(1)写出B的名称 ,写出C中含氧官能团的名称 。
(2)写出化合物C的结构简式 ,化合物F 的结构简式 。
(3)写出D→E的化学方程式 ,写出C→D的反应类型 。
(4)写出化合物C同时符合下列条件的同分异构体的结构简式 。IR谱和1H-NMR谱检测表明:①分子中有 4 种不同化学环境的氢原子;②分子中无羟基和羰基,且除苯环外无其他环。
(5)为探索新的合成路线,发现用苯基乙基酮()与反应也可一步合成化合物 E。请设计以化合物 B和乙烯为原料合成苯基乙基酮的合成路线(用流程图表示,无机试剂任选) 。
化学参考答案
题号 | 7 | 8 | 9 | 10 | 11 | 12 | 13 |
答案 | C | D | C | A | C | B | D |
26 (14分) I(1)除去铁屑表面可能存在的油污(2分)硫酸过多,酸性太强难合成聚合硫酸铁(2分)
恒压滴液漏斗(2分)
(1)(2分)II.(2分)
III.加入足量3%的溶液充分反应;滴加1.0 mol/L NaOH溶液,调节pH为3.3-4.4之间,过滤,洗涤;用足量的1.0 mol/L硫酸溶液溶解滤渣;再加入足量还原铁粉充分搅拌,过滤 (4分)
27.(14分)
(1)NaSO4·10H2O(1分)
(2)将PbO2还原为PbSO4(1分)
(3)PbSO4+CO32-=PbCO3+SO42-(2分)
(4)A(2分)
(5)(稀)硝酸(2分)
(6)低于40℃,反应速率慢,高于40℃硝酸会分解(合理即可得分)(2分)
(7)4PbSO4 +6NaOH=PbSO4·3PbO·H2O+3NaSO4+2H2O ;Pb2+会转化为Pb(OH)2或者可溶的Pb(OH)3-、Pb(OH)42-、PbO22-等,降低了三盐的产率(合理即可得分)(2分)
28.(15分)
(1)﹣41.20kJ·mol-1(2分)
(2)2/3(2分)
(3)①温度(1分)②温度低反应速率慢,温度高产率低;压强低,产率低,压强太大,成本高(2分)
(4)1(2分)4/(3P2)(2分)
(5)BC(2分)
(6)CH3OH-6e-+H2O=CO2↑+6H+(2分)
35.(15分)
(1)p(1分)O(1分)
(2)(1分) 碳碳间有两对成键电子,碳氢间有一对成键电子,碳碳间的成键电子对碳氢间的成键电子斥力较大,因此键角较大(答案合理即可) (2分)
(3)金刚石(1分) 金刚石是原子晶体,熔点最高,和都是分子晶体,相对分子质量较大,分子间作用力较强,熔点较高(答案合理即可) (2分)
(4)(1分) 12(1分)
(5)MgCNi3(1分) 8(1分)(3分)
36.(15分)
(1)苯甲醛(1分);羟基(1分)
(2)(2分)(2分)
(3)(2分);氧化反应(1分)
(4)(3分)
(5)(3分)
安徽省芜湖市第一中学2023届高三下学期最后一卷理科综合化学试题(含解析): 这是一份安徽省芜湖市第一中学2023届高三下学期最后一卷理科综合化学试题(含解析),共16页。试卷主要包含了单选题,实验题,工业流程题,原理综合题,有机推断题等内容,欢迎下载使用。
安徽省合肥一六八中学2023届高三下学期最后一卷理科综合化学试题(含解析): 这是一份安徽省合肥一六八中学2023届高三下学期最后一卷理科综合化学试题(含解析),共17页。试卷主要包含了单选题,工业流程题,实验题,原理综合题,有机推断题等内容,欢迎下载使用。
安徽师范大学附属中学2023届高三下学期5月最后一卷理科综合化学试题(含解析): 这是一份安徽师范大学附属中学2023届高三下学期5月最后一卷理科综合化学试题(含解析),共17页。试卷主要包含了单选题,实验题,工业流程题,原理综合题,有机推断题等内容,欢迎下载使用。

