初中人教版第2节 电功率课堂检测
展开第2节 电功率
知能演练提升
能力提升
1.下图是常见的四种家用电器,正常工作时的功率最接近40 W的是( )
2.甲用电器上标有“220 V 60 W”,乙用电器上标有“36 V 60 W”,它们都在额定电压下工作,则下列判断正确的是( )
A.电流通过甲用电器做功一定多
B.电流通过乙用电器做功一定慢
C.完成相同的功,甲用电器用的时间一定长
D.相同时间内,甲、乙用电器消耗的电能一样多
3.用电高峰期,会看到家里的白炽灯泡比正常发光时要暗一些。这是因为,用电高峰期并联用电器增多,造成( )
A.电路中的总电阻增大
B.电路中的总电流减小
C.白炽灯泡的实际功率减小
D.白炽灯泡的额定功率减小
4.将标有“6 V 3 W”和“6 V 2 W”的甲、乙两只小灯泡串联起来,接在电压为6 V的电源两端,接通电路后,以下说法正确的是( )
A.两只小灯泡都不能正常工作,甲灯比乙灯亮
B.两只小灯泡都能正常发光
C.通过乙灯的电流较大,所以乙灯较亮
D.两只小灯泡的总功率小于2 W
5.
如图所示的电路中,闭合开关S后,电流表A1的示数为0.2 A,电流表A2的示数为0.8 A,此时,电阻R1和R2消耗的功率之比是( )
A.1∶3 B.3∶1 C.1∶4 D.4∶1
6.(2017·四川绵阳中考)电焊利用电流的热效应熔化焊条。某型号的电焊机接在电压220 V的家庭电路上,输出电压40 V,输出功率2 200 W。编号为甲、乙、丙、丁的四种橡胶绝缘铜芯线在常温下安全载流量(长时间通电的安全电流)如表所示。从安全的角度考虑,该电焊机的输出导线应该选用( )
导线编号 | 甲 | 乙 | 丙 | 丁 |
导线横截面积S/mm2 | 1.0 | 2.5 | 6 | 10 |
安全载流量I/A | 12 | 28 | 47 | 68 |
A.甲 B.乙 C.丙 D.丁
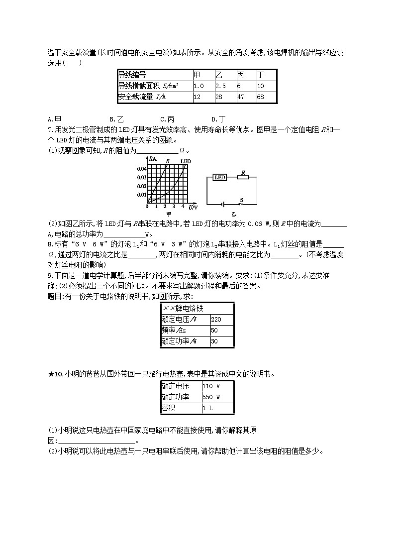
7.用发光二极管制成的LED灯具有发光效率高、使用寿命长等优点。图甲是一个定值电阻R和一个LED灯的电流与其两端电压关系的图象。
(1)观察图象可知,R的阻值为 Ω。
(2)如图乙所示,将LED灯与R串联在电路中,若LED灯的电功率为0.06 W,则R中的电流为 A,电路的总功率为 W。
8.标有“6 V 6 W”的灯泡L1和“6 V 3 W”的灯泡L2串联接入电路中。L1灯丝的阻值是 Ω,通过两灯的电流之比是 ,两灯在相同时间内消耗的电能之比为 。(不考虑温度对灯丝电阻的影响)
9.下面是一道电学计算题,后半部分尚未编写完整,请你续编。要求:(1)条件要充分,表达要准确;(2)必须提出三个不同的问题。不要求写出解题过程和最后的答案。
题目:有一份关于电烙铁的说明书,如图所示,求:
××牌电烙铁 | |
额定电压/V | 220 |
频率/Hz | 50 |
额定功率/W | 30 |
★10.小明的爸爸从国外带回一只旅行电热壶,表中是其译成中文的说明书。
额定电压 | 110 V |
额定功率 | 550 W |
容积 | 1 L |
(1)小明说这只电热壶在中国家庭电路中不能直接使用,请你解释其原因: 。
(2)小明说可以将此电热壶与一只电阻串联后使用,请你帮助他计算出该电阻的阻值是多少。
探究创新
★11.某同学家的电子式电能表上个月月初、月末的表盘如图所示。表盘上“1 600 imp/(kW·h)”表示每用电1 kW·h指示灯闪烁1 600次。
根据表盘上的信息,回答下列问题:
(1)该同学家上个月共用电多少千瓦时?
(2)该同学家同时使用的用电器总功率不得超过多少?
(3)若只让一个标有“220 V 484 W”的电热器工作3 min,观察到电能表的指示灯闪烁了32次,则该同学家的实际电压是多大?(设电热器的电阻不变)
知能演练·提升
1.B 生活中一些常见的家用电器的功率应该知道,如:电冰箱的功率约100 W,电饭锅功率约700 W,微波炉功率约1 000 W,电风扇功率为40~60 W等。解答此问题要关心生活,注意观察家中电器的铭牌及其使用的方法,体现了新课标的理念。
2.D 甲、乙用电器在额定电压下工作时的功率均为60 W,由W=Pt可知,电流做功的多少与通电时间有关,故选项A错误;电功率是表示电流做功快慢的物理量,甲、乙用电器的功率相同,做功一样快,故选项B错误;根据W=Pt可知,完成相同的功,两用电器用的时间一样多,故选项C错误;根据W=Pt可知,相同时间内,甲、乙用电器消耗的电能一样多,故选项D正确。
3.C 家庭电路是并联的,并联的用电器增多,就相当于增加导体的横截面积,因此总电阻变小,选项A错误;在并联电路中I=I1+I2+…+In,因此并联的用电器增多,电路中的总电流增大,选项B错误;在家庭电路中,输电线和家用电器之间是串联,用电高峰期,接入电路的用电器变多,干路中的电流变大,而输电导线有一定的电阻,输电导线损失的电压U损=IR,输电导线的电阻R一定,当I增大时U损增大,用电器两端的电压减小,由公式P=可知用电器的实际功率减小,灯泡比正常发光时要暗一些,选项C正确;额定功率是用电器在额定电压下的功率,用电器正常工作时两端的电压为额定电压,额定电压只有一个,对应的额定功率只有一个,它不随电压的改变而改变,选项D错误。
4.D 根据公式R=,可知甲、乙两灯泡的电阻分别是12 Ω和18 Ω,由于两灯串联,两灯均不能正常发光,通过两灯的电流相等,由公式P=I2R知,乙灯的实际功率大,乙灯较亮。电路的总功率P总==1.2 W,故选D。
5.B 分析电路图可知,电阻R1、R2并联,电流表A1测通过电阻R2的电流,电流表A2测干路电流,由题意可知,通过电阻R1的电流为I1=0.6 A,通过电阻R2的电流为I2=0.2 A,因为两电阻并联,所以两电阻两端的电压相等,则电阻R1和R2消耗的功率,故选B。
6.D 由P=UI得,电焊机工作时的输出电流I==55 A,导线的安全载流量必须大于55 A才行,由表可知,应选横截面积为10 mm2的导线。
7.解析 (1)由题图甲可知,定值电阻R的阻值R==50 Ω;(2)由题图甲可知,当LED灯的电功率为0.06 W时,它两端的电压为3 V,通过电路的电流为0.02 A,此时电路中的总功率P=P1+P2=0.06 W+(0.02 A)2×50 Ω=0.08 W。
答案 (1)50 (2)0.02 0.08
8.解析 已知灯泡的额定电压和额定功率,根据R=求出L1、L2灯丝的阻值;根据串联电路的电流特点可知两灯泡串联时通过的电流之比,根据W=I2Rt求出两灯在相同时间内消耗的电能之比。两灯泡的电阻R1==6 Ω,R2==12 Ω;当两灯泡串联时,通过两灯泡的电流相等,根据W=I2Rt可知W1∶W2=R1∶R2=6 Ω∶12 Ω=1∶2。
答案 6 1∶1 1∶2
9.答案 (1)电烙铁正常工作时通过它的电流是多少?
(2)电烙铁正常工作时的电阻多大?
(3)电烙铁正常工作1 h所消耗的电能是多少?
(4)当实际电压为200 V时,电烙铁的实际功率是多大?(任选其三)
10.解析 (1)电热壶的额定电压远小于实际电压,若直接使用,电热壶会被烧坏;(2)电热壶正常工作时的电流I==5 A,需要串联的电阻R==22 Ω。
答案 (1)电热壶的额定电压小于中国家庭电路的电压,若直接使用,电热壶会被烧坏 (2)22 Ω
11.解析 (1)上个月共用电
W=12 614.6 kW·h-12 519.6 kW·h=95 kW·h。
(2)同时使用的用电器总功率不得超过
P=UI=220 V×10 A=2 200 W。
(3)电能表的指示灯闪烁32次,电热器所消耗的电能
W=×3.6×106 J=7.2×104 J
电热器的实际功率
P实==400 W
该电热器的电阻
R==100 Ω
根据P=可得实际电压
U实==200 V。
答案 (1)95 kW·h (2)2 200 W (3)200 V
初中物理人教版九年级全册第2节 电功率课后测评: 这是一份初中物理人教版九年级全册<a href="/wl/tb_c83784_t7/?tag_id=28" target="_blank">第2节 电功率课后测评</a>,共9页。试卷主要包含了电功率,“千瓦时”的由来,额定电压 额定功率等内容,欢迎下载使用。
初中物理人教版九年级全册第2节 电功率精品课后测评: 这是一份初中物理人教版九年级全册第2节 电功率精品课后测评,文件包含人教版九年级物理182电功率解析版doc、人教版九年级物理182电功率原卷版doc等2份试卷配套教学资源,其中试卷共29页, 欢迎下载使用。
初中物理人教版九年级全册第十八章 电功率第1节 电能 电功优秀课后复习题: 这是一份初中物理人教版九年级全册第十八章 电功率第1节 电能 电功优秀课后复习题,共5页。试卷主要包含了下列生活实例不属于节约用电的是,下列说法错误的是等内容,欢迎下载使用。

