所属成套资源:2020全国物理中考题分类汇编真题
2020全国物理中考题分类汇编23—《力学实验》(含解析)
展开这是一份2020全国物理中考题分类汇编23—《力学实验》(含解析),共64页。试卷主要包含了研究定滑轮的特点,探究液体内部压强的特点等内容,欢迎下载使用。
2020全国物理中考题分类汇编23—《力学实验》1.(2020湖北荆州)在学习牛顿第一定律时,老师给出了如图1所示装置,将毛巾铺在水平木板上,让小车从斜面顶端由静止自由滑下,观察小车滑行的距离;去掉木板上的毛巾,再次让小车从斜面顶端由静止自由滑下,观察小车滑行的距离。
(1)由实验可以看出,小车受到的______越大,小车滑行的距离越短,说明力是______物体运动状态的原因;
(2)由上述实验现象可联想到:在探究“影响滑动摩擦力大小的因素”实验中,滑动摩擦力的大小与______有关,此因素可由图2中的______两图进行探究。实验时,要用弹簧测力计拉着木块沿水平方向做匀速直线运动,是利用了______的原理;
(3)上述实验中,主要运用的物理探究方法是______。
2.(2020海南)如图所示,是“探究阻力对运动的影响”的实验情景。
(1)让小车三次从同一斜面上的同一高度处,沿斜面从静止开始运动,目的是使小车到达水平面时的______相同;
(2)水平面越光滑,运动小车受到的阻力越______,运动的时间越长,运动的距离越远;
(3)进一步推理,如果水平面足够光滑,小车不受阻力,它将______运动下去。
3.(2020甘肃金昌)小宇要探究“影响滑动摩擦力大小的因素”,他猜想影响滑动摩擦力大小的因素可能有:
A.接触面所受的压力大小
B.接触面的粗糙程度
C.物体运动的速度
接下来小宇通过如图所示的实验操作开展探究。
(1)进行甲、乙、丙图实验时,弹簧测力计必须沿水平方向拉着物体做______运动;
(2)要验证猜想B,需按照______两个图(选填“甲”、“乙”或“丙”)进行对比实验;
(3)比较甲,乙图的实验,得到的实验结论是______;
(4)在本次实验中运用的研究方法是转换法和______;
(5)小颖发现小宇上述实验操作中弹簧测力计的示数并不稳定,于是改进了实验装置,如图丁所示。改进后长木板______(选填“一定”或“不一定”)要做匀速直线运动。
4.(2020甘肃甘南州)在“探究液体压强的特点”实验中,小明进行了如下的猜想:
猜想一:液体内部压强大小可能与液体深度有关。
猜想二:液体内部压强大小可能与液体密度有关。
猜想三:液体内部压强大小可能与方向有关。
为了验证以上猜想,小明进行了如图所示的操作:
(1)实验过程中探头受到的液体压强大小是通过______反映的。
(2)为了验证猜想一,应选择______两组实验对比,可初步验证出猜想一是正确的。
(3)探究液体压强与液体密度的关系时,对比乙、丙两组实验,小明可得出的结论是:当液体深度相同时,液体的密度越大,液体的压强就越______。
5.(2020湖北鄂州)在“探究浮力的大小跟排开液体所受重力的关系”实验中,小芳设计的实验步骤如图所示,按照A、B、C、D的顺序进行测量。小华认为,为了减小实验误差,可以进一步优化实验步骤,他将A、B、C、D重新排序。你认为小华的测量顺序应该是______,此实验得出的结论是______。
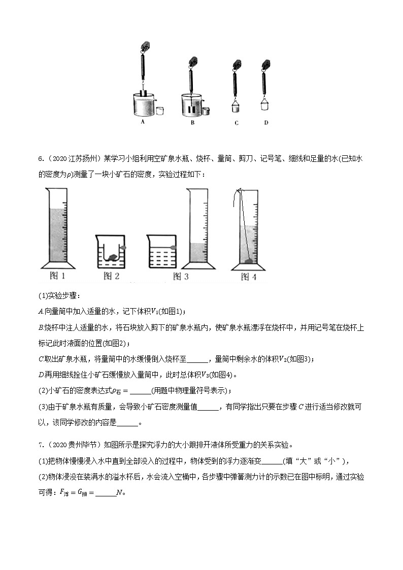
6.(2020江苏扬州)某学习小组利用空矿泉水瓶、烧杯、量筒、剪刀、记号笔、细线和足量的水(已知水的密度为ρ)测量了一块小矿石的密度,实验过程如下:
(1)实验步骤:
A.向量筒中加入适量的水,记下体积V1(如图1);
B.烧杯中注人适量的水,将石块放入剪下的矿泉水瓶内,使矿泉水瓶漂浮在烧杯中,并用记号笔在烧杯上标记此时液面的位置(如图2);
C.取出矿泉水瓶,将量筒中的水缓慢倒入烧杯至______,量筒中剩余水的体积V2(如图3);
D.再用细线拴住小矿石缓慢放入量筒中,此时总体积V3(如图4)。
(2)小矿石的密度表达式ρ石=______(用题中物理量符号表示);
(3)由于矿泉水瓶有质量,会导致小矿石密度测量值______,有同学指出只要在步骤C进行适当修改就可以,该同学修改的内容是______。
7.(2020贵州毕节)如图所示是探究浮力的大小跟排开液体所受重力的关系实验。
(1)把物体慢慢浸入水中直到全部没入的过程中,物体受到的浮力逐渐变______(填“大”或“小”),
(2)物体浸没在装满水的溢水杯后,水会流入空桶中,各步骤中弹簧测力计的示数已在图中标明,通过实验可得:F浮=G排=______N。
8.(2020江西)【实验名称】用天平、量筒测量小石块的密度。
【实验设计】如图1所示,是小普同学设计的两种测量小石块密度的方案(操作步骤按照示意图中的①②③顺序进行)。你认为方案______测量误差会较大,原因是______。
【进行实验】小晟同学进行了实验,测出了相关物理量,计算出了石块的密度,以下是他测量小石块质量的实验片段:
①将天平放在______台上,把游码移到标尺左端的零刻度线处,发现指针指在分度盘中线的左侧,再向右调节______,直至天平水平平衡。
②在左盘放被测小石块,在右盘从大到小加减砝码,当加到最小的砝码后,观察到指针静止在如图2所示的位置,接下来的操作是______,直至天平水平平衡;
③读出小石块的质量。
【实验数据】测出所有相关物理量,并将实验数据记录在下面表格内,计算出石块的密度。请你将表格中①、②处的内容补充完整。
石块的质量m/g
① ______
② ______
石块的体积V/cm3
石块的密度ρ/(g⋅cm−3)
/
/
/
/
/
9.(2020山东青岛)研究定滑轮的特点。
(1)在研究使用定滑轮是否省力时,用如图甲所示装置匀速提升重物,需要测量的物理量是______和______。
(2)如图乙所示,分别用拉力F1、F2、F3匀速提升重物,则三个力的大小关系是______。
(3)旗杆顶部有一个定滑轮,给我们升国旗带来了便利。这是利用定滑轮______的特点。
10.(2020山东青岛)探究液体内部压强的特点。
(1)用压强计和盛有水的容器进行实验,情形如图甲所示。比较A、B可知:在液体内部的同一深度,向______的压强都相等;比较A、C可知:液体内部压强的大小跟______有关。
(2)用如图乙所示的容器也可以探究液体内部的压强。容器中间用隔板分成互不相通的左右两部分,隔板上有一圆孔用薄橡皮膜封闭,橡皮膜两侧压强不同时其形状发生改变。用此容器进行的两次实验,情形如图丙的D、E所示。由此可推断:a、b两种液体密度的大小关系是ρa______ρb,a、c两种液体密度的大小关系是ρa______ρc。
11.(2020湖南娄底)在湄江地质公园进行研学活动时,小明捡到一块形状怪异的小化石,为测量小化石的密度。他利用已学知识设计如下实验方案:
(1)用天平称出小化石的质量。天平平衡后,右盘中砝码和游码的位置如图甲所示,小化石的质量为______g。
(2)用量筒和水测量小化石体积,“先往量筒中倒入适量的水”,其中“适量”的确切含义是:
①______;②小化石和水的总体积不能超过量筒量程。
(3)小化石放入量筒前后的情况,如图乙所示(忽略细线的体积),小化石的密度是______g/cm3。
(4)若小明先测出小化石的体积,将小化石从量筒中取出,然后用天平称出其质量,求出小化石的密度。这样测出小化石的密度将______(选填“偏大”偏小”或“不变”)。
12.(2020北京)测量某种液体密度的主要实验步骤如下:
(1)用调节好的天平测量烧杯和液体的总质量,当天平再次平衡时,如图甲所示,烧杯和液体的总质量为______g。
(2)将烧杯中的部分液体倒入量筒中,如图所示,量筒中液体的体积为______cm3。
(3)用天平测出烧杯和杯内剩余液体的总质量为74g。
(4)计算出液体的密度为______g/cm3。
13.(2020陕西)为探究影响滑动摩擦力大小的因素,实验小组的同学用如图1所示的装置和器材进行实验。
(1)将木块平放在水平长木板上,用弹簧测力计沿______方向拉动,使其做______运动,此时弹簧测力计示数等于木块所受滑动摩擦力的大小。
(2)在木块上加放砝码,是为了探究滑动摩擦力大小与______的关系;在长木板上铺上棉布或毛巾,是为了探究滑动摩擦力大小与接触面______的关系。
(3)实验中,大家发现弹簧测力计示数很难稳定,于是设计了如图−2所示的装置来进行实验。水平传送带的速度可以调节,定滑轮摩擦忽略不计。
①启动传送带,当弹簧测力计的示数稳定后,木块相对于地面______,此时弹簧测力计示数等于木块所受滑动摩擦力的大小,木块所受滑动摩擦力的方向沿水平向______。
②某次实验中,当弹簧测力计的示数稳定后,改变传送带的速度大小,大家发现弹簧测力计的示数没有改变,说明木块所受滑动摩擦力的大小与传送带的速度大小______。
14.(2020宁夏)75%的医用酒精可以有效灭活新型冠状病毒,小刚从网上购置了两瓶某品牌75%的医用酒精,说明书如图甲所示,小刚查到75%的医用酒精密度为0.87g/cm3,于是想通过测量该酒精的密度米鉴定其产品是否合格:
(1)小刚取适量该酒精进行实验:
①为使测量结果更准确,以下实验操作步骤合理顺序是______(用字母表示)。
A.计算酒精的密度
B.用天平测出烧杯的质量52.4g
C.在烧杯中盛适量的酒精,用天平测出酒精和烧杯的总质量
D.调节天平平衡
E.将烧杯中的酒精倒入量筒中,读出其体积,如图乙所示
②测量酒精和烧杯总质量时,使码和游码的位置如图丙所示。则总质量为______g,该酒精的密度是______。
③根据测量结果,小刚能否鉴定该户品是否合格?并说明理由______。
(2)在学完浮力的知识后,小刚又想到可以利用弹簧测力计,水、烧杯,细线和小石块来测量该酒精的密度。实验操作步骤如下:
a.用细线将小石块绑好,挂在弹簧测力计下,读出测力计示数F1
b.在烧杯中倒入适量的水,将小石块挂在弹簧测力计下使其浸没在水中,读出测力计示数F2
c.算出小石块的体积V石
d.在擦干水的烧杯中倒入适最的酒精,将已擦干的小石块挂在弹策测力计下,使其浸没在酒精中,读出测力计示数F3
根据上述操作步骤,请你帮助小刚推导出该酒精密度ρ的表达式为______(表达式用测量量的字母表示,水的密度用ρ水表示,推导过程要有必要的文字说明)。
15.(2020湖北孝感)为了测定某种液体的密度,同学们分成两组分别进行实验。
(1)第一小组同学用到的实验器材有天平、量筒、烧杯等,她们的操作步骤如下:
①首先将天平放置于水平桌面上,观察到天平是______(选填“省力”、“等臂”或“费力”)杠杆;
②将游码放到标尺左端的零刻度线处,发现天平分度盘的指针如图甲所示,此时应将平衡螺母向______(选填“左”或“右”)调节,直至天平横梁平衡;
③将待测液体倒入空烧杯中,用天平测量出烧杯和待测液体的总质量m1=92.6g,然后将烧杯中适量的待测液体倒入空量筒中,如图乙所示,则量筒中待测液体的体积为V=______ml,再次用天平测量出烧杯和剩下待测液体的总质量m2=59.8g,则量筒中待测液体的质量为______g;
④通过以上步骤,测得这种待测液体的密度为______kg/m3。
(2)第二小组同学用到的实验器材有弹簧测力计、烧杯、细线、体积为V0的物体等,他们的方法如下:
①将物体用细线挂在弹簧测力计下,如图丙所示,静止时弹簧测力计的示数为F1;
②然后将弹簧测力计下的物体浸没到装有待测液体的烧杯中,如图丁所示,静止时弹簧测力计的示数为F2;
③该组同学测出待测液体密度的表达式为ρ=______(请用F1、F2、V0、g表示)。
16.(2020山东菏泽)现有两个品种相同的实心西瓜,形状不同,在没有直接测量质量和重力工具的情况下,要判断哪个更重,在以下三种方案中
方案一:将西瓜分别装入相同的网,分别挂在已调节好的等臂杠杆的两端,观察杠杆的倾斜情况;
方案二:将西瓜分别装入相同的网,分别系在一条跨过定滑轮的绳子两端,向上提滑轮,观察哪个先离开地面;
方案三:把两个西瓜放在质地均匀的同一块海绵上,观察海绵形变的大小。
你认为方案______不可行,原因是______。
17.(2020湖北随州)小红在探究杠杆的平衡条件时,找来一个量程为5N的弹簧测力计和若干个重均为0.5N的钩码,实验前测得杠杆上相邻刻度线间的距离都等于2cm。请回答下列问题:
(1)实验前,小红先将杠杆调至水平位置平衡,这样操作的目的是______。
(2)小红在实验中测得一组数据如下表,于是他立即得出了杠杆的平衡条件:“F1×L1=F2×L2”,你认为是否合理,并说明理由:______
F1/N
L1/cm
F2/N
L2/cm
2
6
3
4
(3)某次实验如图所示,杠杆平衡,则以下生活中相关杠杆的应用与此图中杠杆类型相同的是______(选填“托盘天平”、“核桃夹”或“筷子”)。
(4)在图中,保持弹簧测力计的位置及拉力的方向和钩码的个数不变,钩码向左移动,若要保持杠杆平衡,则钩码到支点的距离不应超过______cm。
18.(2020四川达州)同学们在探究影响浮力大小的因素时,发现手中的弹簧测力计损坏了,聪明的小强同学利用刻度均匀的杠杆和钩码(每只重0.5N)替代弹簧测力计顺利地完成了该实验。以下是小强同学的实验操作,请你帮他完善该实验探究。
(1)将杠杆安装在支架上,静止时如图1所示,应将平衡螺母向______(选填“右”或“左”)调节,使杠杆在水平位置平衡。
(2)如图2甲所示,将重2N的物体G挂在A点,两只钩码挂在B点时,杠杆在水平位置平衡。
(3)将物体G部分浸入水中(如图2乙所示),两只钩码移到C点时,杠杆在水平位置平衡。
(4)将物体G浸没于水中(如图2丙所示),两只钩码移到D点时,杠杆在水平位置平衡。
(5)将物体G浸没于盐水中(如图2丁所示),两只钩码移到E点时,杠杆在水平位置平衡。
分析与论证:分析比较(2)、(3)、(4)可得:物体G所受浮力大小与______有关;
分析比较(2)、(4)、(5)可得:物体G所受浮力大小与______有关;
由题中信息计算物体G的体积V=______m3,盐水的密度ρ盐水=______kg/m3(ρ水=1.0×103kg/m3,g=10N/kg)
19.(2020四川巴中)在探究“影响液体内部压强大小的因素”的实验中,操作过程如下。
(1)实验中液体压强是用U形管两侧液面______来表示的,这种方法叫______法。
(2)通过比较______两个图,可得出结论:同一种液体的压强随深度的增加而增大。
(3)通过比较D、E两个图,可探究液体压强与______的关系。
(4)通过比较A、B、C三个图,可得出结论:同种液体在相同深度向各个方向的压强______。
20.(2020黑龙江齐齐哈尔)在“测量金属块的密度”实验中:实验器材有托盘天平、量筒、足量的水、细线、待测小金属块(质地均匀)等。
(1)小鑫同学首先将托盘天平放置于______工作台上,将游码放在标尺的______处,发现指针的位置如图甲所示,要使横梁平衡,应将平衡螺母向______(选填“左”或“右”)调节。
(2)将金属块放在托盘天平的左盘内,向右盘中加减砝码,并调节游码,当横梁重新平衡时,所用砝码和游码在标尺上的位置,如图乙所示,金属块的质量为______g。
(3)把金属块缓慢放入装有20ml水的量筒内,使其浸没在水中,此时量筒内的水面如图丙所示,则金属块的体积是______cm3。
(4)经过计算可知,金属块的密度是______g/cm3,可以换算为______kg/m3。
(5)将金属块截去一半,剩余金属块与原金属块相比,密度______(选填“不变”或“改变”)。
21.(2020湖南邵阳)小刘同学参加了今年我市初中学业水平考试物理实验操作技能考查,抽到试题《测定物体所受的浮力》,检查完所需器材:烧杯、弹簧测力计、待测物体、水、细线,按下面步骤进行了操作。
①用弹簧测力计测出待测物体的重力;
②用弹簧测力计测出待测物体部分浸入水中时弹簧测力计对物体的拉力:
③用弹簧测力计测出待测物体全部浸入水中时弹簧测力计对物体的拉力;
④计算出物体所受的浮力F浮;
⑤实验完毕后整理器材放回原处。
所做实验记录如下:
物体浸入水情况
部分浸入水中
全部浸入水中
拉力大小F(N)
______
0.5
浮力大小F浮(N)
______
0.8
物体受到的重力G=1.3N,请根据实验过程和记录,思考并回答以下问题:
(1)当物体部分浸入水中时,弹簧测力计示数如图所示,请根据弹簧测力计的示数完成表格中的空格。
(2)小刘同学想了想,发现该实验不但能测出浮力的大小,还能探究物体受到的浮力的大小与物体浸入液体的体积有关,甚至还能可以算出待测物体的体积和密度。请你算出该物体的密度是______kg/m3。
22.(2020四川乐山)物理兴趣小组在进行“探究浮力的大小与哪些因素有关”实验中,用弹簧测力计挂着一实心圆柱体,以图a、b、c、d、e分别为实验情景。(g取10N/kg)
(1)通过a、c两次实验,可知物体浸没在水中所受浮力大小是______N;
(2)通过______两次实验,可探究物体所受浮力大小与浸没深度的关系;
(3)通过c、e两次实验,可探究物体所受浮力大小与______的关系;
(4)在某种液体中进行探究的过程中,记录实验数据,得到如图f所示弹簧测力计读数与圆柱体下表面浸入深度的关系图象,则该液体的密度为______kg/m3。
23.(2020四川自贡)小明利用刻度均匀的轻质杠杆进行探究“杠杆的平衡条件”实验,已知每个钩码重0.5N。
(1)实验前,将杠杆的中点置于支架上,当杠杆静止时,发现杠杆左端下沉,这时应将平衡螺母向______(选填“左”或“右”)调节,直到杠杆在水平位置平衡。你认为实验中让杠杆在水平位置平衡的好处是______。
(2)图甲中的A点悬挂4个钩码,要使杠杆仍保持水平位置平衡,需在B点悬挂______个钩码。
(3)如图乙所示,取走悬挂在B点的钩码,改用弹簧测力计在C点竖直向上拉,仍使杠杆水平位置平衡,测力计的拉力为______N;若在C点改变弹簧测力计拉力的方向,使之斜向右上方,杠杆仍然水平位置平衡,则测力计的读数将______(选填“变大”或“变小”或“不变”),若此时斜向右上方的测力计与竖直方向间的夹角为60°,杠杆在水平位置平衡时,测力计的读数为______N。
24.(2020湖南衡阳)在“探究重力的大小跟质量的关系”的实验中,实验小组的同学们测量了相关数据并记录在如表中:
次数
1
2
3
4
5
6
…
质量m/g
40
100
160
200
240
300
…
重力G/N
0.4
1.4
▲
2.0
2.3
3.0
…
(1)测量前,要检查弹簧测力计的指针是否指在______上。
(2)第3次测量的弹簧测力计指针指示位置如图甲所示,表中空缺的实验数据“▲”是______N。
(3)根据表中的数据得到如图乙所示的对应点,请画出物体受到重力的大小跟质量关系的图象。
(4)由图象可知,物体所受的重力跟它的质量______。
25.(2020四川南充)在“探究压力作用效果与哪些因素有关”的实验中,小强利用了多个完全相同的木块和海绵进行了如图所示的实验。
(1)实验中通过观察海绵的______来比较压力作用效果。
(2)对比甲、乙两图可以得出:当______一定时,受力面积越小,压力作用效果越明显。
(3)由甲、丙两图可以探究压力作用效果与______的关系。
(4)对比甲、丁两图,小强认为压力作用效果与压力大小无关,你认为他的观点______
(选填“正确“或“错误”);理由是______。
26.(2020四川甘孜州)在“探究影响滑动摩擦力大小因素”的实验中,有同学认为滑动摩擦力大小除了跟压力大小和接触面粗糙程度有关外,还与接触面大小有关。
(1)为了探究这个问题,需要选择合适的木块,你认为他应该选择______。
A.各面粗糙程度相同的正方体木块
B.各面粗糙程度不相同的正方体木块
C.各面粗糙程度相同、长宽高各不相等的长方体木块
D.各面粗糙程度不相同、长宽高各不相等的长方体木块
(2)在测量摩擦力前,除了观察弹簧测力计的量程和分度值外,还应将弹簧测力计在______(选填“水平”或“竖直”)方向调零。实验时应该沿水平方向拉动木块做匀速直线运动,此时,滑动摩擦力的大小______(选填“大于”“等于”或“小于”)弹簧测力计示数。
(3)该同学正确选择木块后,将木块分别平放、竖放、侧放在同一水平面上,沿水平方向匀速拉动木块,发现三次弹簧测力计的示数均相等,由此得到的结论是:滑动摩擦力的大小与接触面大小______(选填“有关”或“无关”)。
27.(2020重庆B卷)小铭在学校期间,使用一种医用免洗洗手液对手部进行消毒过程中,闻到了浓浓的酒精味看到该液体流动性较差。查看瓶身上的说明后,确定这种洗手液主要成分为75%的酒精。于是,小铭所在的兴趣小组对这种洗手液的密度进行了测量。
(1)实验前,将托盘天平放在______工作台上,游码移到标尺的“0”刻度线处,指针静止在如图1甲所示位置,此时应将右端的平衡螺母向______(选境“左”或“右”)调节,使天平平衡。
(2)将盛有适量洗手液的烧杯放在天平的左盘,天平重新平衡时,右盘所加砝码及游码位置如图1乙所示,烧杯和洗手液的总质量为______g;将烧杯中的部分洗手液倒入量筒,测得烧杯和剩余洗手液的总质量为42.4g;经过一段时间后,观察到量筒内的液面如图1丙所示,则量筒内洗手液的体积为______mL,这种洗手液的密度为______g/cm3。
(3)小铭对洗手液的密度测量结果有疑感,回到家后利用电子秤、烧杯、细线和一个实心铝块等器材再次对这种洗手液的密度进行测量。具体做法如下:
①在烧杯中倒入适量洗手液放置在电子秤上(如图2甲);
②将系好细线的铝块缓缓浸没到洗手液中保持静止(如图2乙),洗手液未溢出;
③将铝块缓慢沉底后松开细线(如图2丙)。则这次测得洗手液的密度为______g/cm3,对前后两次实验进行分析,发现在______(选“学校”或“家”)所测洗手液密度的结果更接近真实值,造成另一次密度测量结果与真实值的差异较大的原因可能是______。(已知铝块的密度为2.7g/cm3,不计细线质量,细线和正方体均不吸收洗手液)
28.(2020浙江温州)在做“探究动能大小与质量关系”的实验时,小明想:小球从相同高度滚下,若小球材质和斜面倾角不同,到达水平位置时的速度会相同吗?
(1)图甲是用挡板控制大小不同的两个小球在斜面上起始位置的两种方案,小明实验时选择A方案而不能选择B方案的原因是______。
(2)小明选择大钢球、小钢球、木球以及可调整倾角的斜面进行实验。分别让球从斜面同一高度由静止开始释放,利用测速仪测出球到达水平位置时的速度如表所示。
10°
20°
30°
40°
50°
60°
大钢球
2.67
2.67
2.67
2.75
2.88
2.97
小钢球
2.67
2.67
2.67
2.75
2.88
2.97
木球
2.67
2.67
2.67
2.67
2.74
2.89
分析表中数据可知:要使球到达水平位置时的速度与球是钢质或木质无关,则斜面倾角不可能是______。
A.15°
B.25°
C.35°
D.45°
(3)小明利用图乙装置做“探究动能大小与质量关系“的实验时,通过观察球撞击相同塑料软片的数目来比较球的动能大小(图中未画出固定塑料软片的装置)。老师指出此装置不适合体积不同的两个球做实验,原因是______。
29.(2020浙江宁波)在不打破鸡蛋的前提下,如何有效判断自然状态下保存的未知产出日期的鸡蛋新鲜度?小科进行了探究。
【查阅资料】
刚产出的鸡蛋密度相近,冷却后里面内容物收缩,会在蛋的一端形成气室。一般的鸡蛋一端大(称为钝端)、一端小(称为尖端)。蛋壳主要成分是碳酸钙,其表面有很多微小气孔,以便于蛋内外的气体交换,同时蛋内水分可通过气孔排出。
【实验过程】
任选自然状态下保存的、大小相近的同一批适龄健康的母鸡于不同日期产出的鸡蛋20枚,将它们轻放在水中,观察静止后状态。
【实验现象】
(1)4枚鸡蛋漂浮在水面上,其余16枚鸡蛋沉于水底。
(2)沉于水底鸡蛋的钝端与尖端的连线与水平底面之间有一个夹角,记为θ.16枚鸡蛋的大小不一,但尖端基本上比钝端更靠近底面,如图所示是其中3枚鸡蛋在水中静止时的状态。
【思考与分析】
鸡蛋的新鲜度会影响它的气室大小、密度大小和θ大小。
(1)从实验现象可知:鸡蛋的气室位置在鸡蛋的______(填“钝端”或“尖端”)附近。
(2)θ大小与气室占整个鸡蛋的体积比有关,图中3枚鸡蛋气室占整个鸡蛋的体积比从高到低排序为______。由此可以从θ大小初步判断鸡蛋的新鲜度。
(3)自然状态下,随着鸡蛋存放时间变长,鸡蛋的______会变小,从而使鸡蛋的密度变小。可以判断,实验中漂浮在水面上的鸡蛋存放时间较久。
30.(2020浙江丽水)在游泳时,小金发现越往深水区走,越感到胸闷,由此猜想液体内部压强可能与液体的深度有关。于是用液体压强计对此进行了探究。
步骤一:将金属盒放入水中深度5厘米处,观察现象;
步骤二:将金属盒放入水中深度15厘米处时,发现金属盒的位置不动,但U形管两侧的液面高度差逐渐减小;
步骤三:调整好器材后,重新实验。在深度5厘米处观察到现象如图(甲)A所示,在深度15厘米处观察到现象如图(甲)B所示。
得出结论:同种波体内部压强随着深度的增加面增大。
请完成下列问题:
(1)该实验过程用到的科学方法有______(填字母);
A.转换法
B.控制变量法
C.类比法
(2)步骤二中金属盒在水里的位置不动,但U形管两侧的液面高度差逐渐减小的原因是______;
(3)小金反思:只进行两次实验就得出结论,结论是不可靠的。还需改变深度更换液体进行多次实验。其目的是______;
(4)对液体内部压强大小与深度关系的进一步思考。图(乙)为一圆柱形容器,容器内装有密度为ρ的液体,a点在深度为h处的水平横截面上,横截面上方的液柱对横截面产生的压力大小等于该液柱的重力。根据压强公式p=FS,推导出a点所在横截面受到的液体压强pa与深度h之间的关系式是pa=______。
31.(2020浙江衢州)小科骑自行车时发现,在不同的路面上,停止踩脚踏板,车都能继续运动一段距离。于是小科作出了以下猜想。
猜想一:车运动的距离可能与路面的粗糙程度有关;
猜想二:车运动的距离可能与车速有关。
为验证猜想,他用丝绸、棉布、小球、斜面和长木板进行模拟实验,如图所示。
(1)验证猜想一,应分别将丝绸、棉布铺在______(选填“斜面”“长木板”或“斜面和长木板”)上,并完成实验。
(2)请用所给的器材,设计一个验证猜想二的实验方案(要求简要叙述实验步骤和预期实验结果):______。
(3)小科实验结束后反思,若探究“阻力对物体运动的影响”,那么可以通过比较起始速度相同的同一小球,在不同水平面上运动的距离或______来判断阻力对物体运动的影响。
32.(2020四川遂宁)在探究“滑动摩擦力的大小与哪些因素有关”的实验话动中,同学们提出了以下情想:
A.滑动摩擦力的大小可能与物体间接触面积大小有关
B.滑动摩擦力的大小可能与接触面的粗糙程度有关
C.滑动摩擦力的大小可能与压力大小有关
他们选择的器材有长方体木块,弹簧测力计,两个相同砝码、木板、毛巾等,实验中用弹簧测力计水平拉着木块在水平面做______运动,使摩擦力大小与弹簧测力计示数相等,收集实验数据如表:
接触面种类
木板
毛巾
实验次数
1
2
3
4
5
6
7
8
9
10
压力
木块
木块+1个砝码
木块+2个砝码
木块
木块+1个砝码
木块+2砝码
接触面积
平放
平放
侧放
竖放
平放
平放
平放
平放
侧放
竖放
测力计示数/N
1.2
1.8
1.8
1.8
2.2
2.0
2.8
3.2
3.2
3.2
①分析表中______组实验数据,可以验证猜想B。
②分析2、3、4或8、9、10组实验数据,可得到的结论是:在压力和接触面粗糙程度相同时,滑动摩擦力大小与接触面积大小______(选填“有关”或“无关”)。
③综合分析表中数据可得出:滑动摩擦力大小只与______有关。
33.(2020辽宁抚顺)小琪非常喜欢吃大樱桃,很想知道它的密度,于是进行了如下测量:
(1)将天平放在水平台上,游码移到标尺左端的零刻线处,指针的位置如图甲所示,则应将平衡螺母向______(填“左”或“右”)端调节,使横梁平衡。
(2)他取来一颗大樱桃,用天平测出了大樱桃的质量如图乙所示为______g。
(3)将一颗大樱桃放入装有30mL水的量筒中,水面上升到图丙所示的位置,大樱桃的体积为______cm3,密度为______g/cm3。
(4)小琪将大樱桃放入量筒中时,筒壁上溅了几滴水,所测的大樱桃密度会______(填“偏大”或“偏小”)。
(5)小琪还想利用大樱桃(已知密度为ρ0)、平底试管、刻度尺测量家里消毒液的密度,实验步骤如下:
①在平底试管中倒入适量的消毒液,用刻度尺测量试管中液面的高度h1。
②将大樱桃放入试管内的消毒液中,大樱桃处于漂浮状态,用刻度尺测量试管中液面的高度h2。
③取出大樱桃,在其内部插入一根细铁丝(忽略大樱桃体积的变化),重新放入试管内的消毒液中,由于浸没在消毒液中时重力______(填“大于”“小于”或“等于”)浮力,大樱桃沉入试管底部,用刻度尺测量试管中液面的高度h3。
④消毒液密度的表达式为ρ消毒液=______。
34.(2020上海)某小组同学用如图所示装置,研究圆柱体在水中下降的过程中弹簧测力计示数和台秤示数的变化情况。他们使圆柱体在水中缓慢下降,将圆柱体下表面到水面的距离h、弹簧测力计的示数F1、台秤的示数F2记录在下表中。
实验序号
h(厘米)
F1(牛)
F2(牛)
1
1.0
7.7
10.3
2
2.0
7.4
10.6
3
3.0
7.1
10.9
4
4.0
6.8
11.2
5
5.0
6.5
11.5
6
6.0
6.5
11.5
①分析比较实验序号1~4的数据中F1、F2的变化情况及相关条件,可得出的初步结论是:圆柱体在浸入水的过程中,F1______,F2______;
②表中实验序号______的数据表明,圆柱体在相应的位置已全部浸没在水中;
③表中两组数据间F1变化量的大小为△F1,相应的F2变化量的大小为△F2,分析比较实验序号1~6的数据,可得出的结论是:圆柱体在水中缓慢下降的过程中,△F1与△F2的关系是______。当圆柱体处于实验序号6的位置时,所受浮力的大小为______牛。
35.(2020湖北黄冈)木块在水中漂浮,铁块在水中下沉。浮力的大小是否跟物体的密度有关呢?兴趣小组同学用溢水杯、质量不计的薄壁玻璃瓶、若干完全相同的透明塑料杯、水、浓盐水、蜂蜜、食盐、细沙等器材进行了如下实验:
第一步:往玻璃瓶里装满水并拧紧盖子;
第二步:把玻璃瓶放入装水的溢水杯中,用塑料杯接住溢出来的水(如图);
第三步:将玻璃瓶里的物质分别换成浓盐水、蜂蜜、食盐、细沙并装满,重复以上实验;
第四步:比较每次溢出来水的体积。
请回答下列问题:
(1)溢水杯里水的多少应该以______为准。
(2)若每次溢出来水的体积______,则初步说明物体所受的浮力与物体的密度无关,否则与物体的密度有关。
(3)本实验是通过比较每次溢出来水的体积来比较浮力,这里运用了______的思想方法,其依据是______。
36.(2020内蒙古呼和浩特)如图所示,三只完全相同的水杯。小高同学想利用:家里的电子秤,水的密度ρ水,这三只水杯,来测量油和醋的密度。其步骤如下:
①在图中三只水杯里,慢慢的分别注满水、油和醋;
②用家里的电子秤,准确测量其中一只空杯的质量m;
③用巳知量ρ水,测量量m、m水、m油和m醋,求出ρ油和ρ醋;
④用家里的电子秤,准确测量三只装满液体后,杯和液体的总质量,记作m水、m油和m醋。
(1)你认为,正确测量的步骤顺序应该是______(选填正确的顺序号码排序);
(2)三只水杯中,水、油和醋相同的物理量是______;
(3)用已知量ρ水,测量量m、m水、m油和m醋,计算得出ρ油(或ρ醋)=______。
37.(2020辽宁朝阳)在“测量滑轮组的机械效率”的实验中,实验小组用如图所示的装置进行了实验,实验数据记录如表所示,第三次实验时的拉力如图所示。
实验次数
钩码所受的重力G/N
钩码上升的高度h/cm
拉力F/N
绳自由端移动的距离s/cm
机械效率η
1
2
10
0.8
30
83.3%
2
4
10
1.5
30
②
3
6
10
①
30
*
(1)实验中应______拉动弹簧测力计使钩码上升;
(2)表格中编号①的数据应为______;编号②的数据应为______;
(3)比较实验数据可得出的实验结论是:使用同样的滑轮组,______;
(4)如果在第一次实验时,忽略绳重和摩擦,可以计算出动滑轮的重力为______N。
38.(2020山东枣庄)某实验小组在“测量物体运动的平均速度”实验中,让小球从斜面A点由静止开始滚下,频闪照相机记录了小球在相同时间内通过的路程,照片如图所示:
(1)依据照片可判断,小球在做______(选填“加速”、“减速”或“匀速”)运动;
(2)如果频闪照相机每隔0.2s拍摄一次,并测得sAB=5cm,sBC=15cm,则小球在BC段的平均速度为______m/s,小球在AC段的平均速度为______m/s;
(3)如图所示,能说明小球在斜面上运动情况的图象是______;
(4)小球在AD段运动过程中,经过时间tAD中点时的速度为v1,经过路程sAD中点时的速度为v2,则v1______v2(选填“>”、“<”或“=”)。
39.(2020江苏镇江)“探究动能大小与哪些因素有关”的实验装置如图1所示:将小车从斜面上高h处由静止释放,运动至木板上后与木块碰撞。通过改变小车释放时高度h、在小车中增加钩码和在木板上铺垫棉布的方法,得到了图2虚线框内的四个实验场景。
(1)为探究小车动能与质量的关系,应选用场景①和______(选填“②”、“③”或“④”)进行实验;选用场景③和④进行实验时,可探究小车动能与______的关系。
(2)在实验中,小车动能越大,发生碰撞时对木块所做的功就越______,木块被碰撞后在木板上______。
(3)若将场景①和②中的木块均移走,利用这两个场景可探究______对物体运动的影响。为提高实验结论的准确性,还需再增加一次实验,为此,在场景①的基础上,你所作的调整是:______。
40.(2020辽宁大连)某同学猜想重力势能的大小与物体的质量和高度有关,在探究“重力势能的大小与高度是否有关”时,所用的实验器材有:金属球、尖桌腿的小桌、细沙和塑料盆。实验装置如图甲所示。
(1)该实验可以通过判断______来判断出金属球重力势能的大小。依据是:金属球对小桌______越多,金属球具有的重力势能就越大。
(2)请设计出记录实验数据的表格,表中要有必要的信息。
(3)实验时,该同学发现:由于金属球的撞击点偏离桌面中央较大,使小桌倾斜较大,甚至被撞翻。于是他改进了实验装置,如图乙所示,较好地解决了这个问题。他的主要操作是:每次实验时,先拉起金属球,将沙面抹平;______;由静止开始释放金属球,观察实验现象。
41.(2020辽宁朝阳)在“研究液体内部的压强”的实验中,小红选用液体压强计和两个透明圆柱状的容器,分别盛适量的水和盐水进行实验,操作过程如图甲所示。
(1)“小红将压强计的探头插入水中后,发现探头看上去变大了,这是因为容器和水的共同作用相当于______,起到了放大的作用。
(2)通过比较B、C三个图可以得出的结论是:在同种液体的内部,______。
(3)小红比较C、D两个图得出液体压强和液体密度有关的结论,小明认为这样比较得出结论是不正确的,他的理由是:______。
(4)小明利用量筒和一个带胶塞的小瓶,测量出矿石的密度,如图乙,实验过程如下:
①用量筒量取适量的水,读出体积为V0;
②将小瓶放入量筒内,小瓶漂浮在水面上,读出体积为V1;
③将适量的矿石放入小瓶中,再将小瓶放入量筒内,小瓶仍漂浮在水面上,读出体积为V2;
④将瓶内的矿石全部倒入水中,再将小瓶放入量筒内,读出体积为V3。
根据以上信息计算(水的密度用ρ水表示):在图乙③中,小瓶和矿石受到的浮力F浮=______;矿石的密度表达式为ρ石=______。
42.(2020贵州遵义)在“测量液体密度”的实验中,将天平放在水平工作台上,小红同学进行了如下操作。
(1)如图甲所示,小红操作中不规范之处是______;
(2)改正错误后,小红将容器内部分液体倒入量筒并测出体积V,然后称量出容器和剩余液体的质量m,继续向量筒中倒液体,多次重复上述实验操作。如图乙所示为某次测得容器和剩余液体的质量,质量为______g;如图丙所示是根据多次测得的数据绘制的m−V图象,根据图象计算可得,液体密度为______kg/m3。
43.(2020湖北荆州)如图所示,记录了两辆汽车在平直公路上行驶时的运动情况。图甲中汽车做______运动,其速度为______m/s;图乙中汽车10s末、20s末、30s末、40s末的速度分别为10m/s、20m/s、30m/s、40m/s,通过研究发现:汽车的速度越来越大,且速度以某一规律变化。如果我们把单位时间内速度的变化量用a来表示,则图乙中汽车运动时a=______。
44.(2020四川泸州)小聪将一根橡皮筋左端固定在墙上,用弹簧测力计拉其右端来“探究两个分力与合力的关系”。
(1)实验中使用的弹簧测力计如图甲所示,其分度值为______N;
(2)小聪用两个弹簧测力计一起沿相同方向作用于橡皮筋上拉到A点,此时两个弹簧测力计的示数分别为F1=3.0N、F2=4.0N;小聪只用一个弹簧测力计把橡皮筋也拉到A点,弹簧测力计的示数F=7.0N,如图乙所示。F的作用效果F1、F2共同作用的效果相同,即F为F1和F2的合力,这种探究物理规律的方法是______(选填“控制变量法”或“等效替代法”);
(3)小聪在实验中突发奇想,将两弹簧测力计相互垂直作用在橡皮筋上拉到B点,记下两弹簧测力计的示数分别为F1=3.0N、F2=4.0N;然后只用一个弹簧测力计把橡皮筋也拉到B点,如图丙所示,读出弹簧测力计的示数F′=______N.根据你对合力与分力的理解,判断F′______(选填“是”或“不是”)F3、F4的合力。
45.(2020吉林)在“测量小车运动的平均速度”的实验中:
(1)需要的测量工具有停表和______。
(2)为了减小实验误差,应使斜面坡度较______些。
(3)小车在3s内运动了0.9m,则它通过这段路程的平均速度为______m/s。
46.(2020山东潍坊)某同学通过实验探究滑动摩擦力与哪些因素有关。
实验器材:粗糙程度不同的长木板甲和乙、滑块(质量已知)、砝码、测力计。
实验步骤:①将滑块放在水平长木板甲上进行实验,通过改变滑块上砝码的个数改变滑块的压力;记录多组滑动摩擦力F及压力FN的大小;作出摩擦力F随压力FN变化的图象,如F−FN图象中甲所示;
②换用木板乙重复上述实验,作出摩擦力F随压力FN变化的图象,如F−FN图象中乙所示。
(1)如图所示,______(选填“A”或“B”)操作更便于测量滑动摩擦力的大小。
(2)由F−FN图象可知:①在接触面一定的情况下滑动摩擦力与压力成______比;②长木板______(选填“甲”或“乙”)的接触面更粗糙。
47.(2020山东潍坊)已知水的密度为1.0×103kg/m3,某兴趣小组用一薄壁量杯(杯壁体积忽略不计)制作了一个测量液体密度的简易装置,操作如下:
(1)在量杯内装入适量细沙后放人水中,量杯在水中竖直静止时,如图甲所示。此时量杯浸没在水中的体积为______mL;
(2)将该装置放入某液体中,静止时如图乙所示,则该液体的密度为______kg/m3;某同学将一小石子放入量杯,静止时如图丙所示,则小石子质量是______g。
48.(2020云南)在一次物理兴趣小组活动中,某组同学给大家展示了“探究阻力对物体运动的影响”实验,如图所示。
(1)实验中每次都使同一辆小车从斜面的______高度由静止自由滑下,目的是使小车到达水平面时具有相同的______。
(2)按照图甲、乙、丙的顺序实验时记录的内容如表:
接触面材料
小车受摩擦力情况
小车在水平面运动的距离s/cm
毛巾
大
20.2
棉布
较大
40.0
木板
小
90.1
分析表中内容,得到的实验结论是:在其他条件相同时,小车受到的摩擦力越小,运动的距离越______;进一步推理出的结论是:运动的小车不受阻力作用时,将______。早在300多年前,意大利物理学家______就通过实验和科学推理的方法研究过“力和运动的关系”。本实验所运用的实验和科学推理的方法还可用于研究______(填写实验名称即可)。
(3)上述实验除用到实验推理的方法外,还用到了控制变量法和______法。
(4)实验中若再添加一小木块,就可用图丙装置来探究“动能与速度的关系”。具体的操作是让同一小车从斜面的______由静止自由滑下,去撞击置于木板表面相同位置的木块并进行比较。
49.(2020湖南湘潭)测量如图所示滑轮组的机械效率,部分实验数据如下表。
实验次数
钩码重力G/N
钩码上升高度h/cm
拉力F/N
绳端移动距离s/cm
机械效率η
1
1.0
5
15
55.6%
2
1.5
5
0.8
15
3
2.0
5
1.0
15
66.7%
4
2.0
10
1.0
30
66.7%
(1)实验过程中,应缓慢拉动弹簧测力计,使钩码竖直向上做______运动。第1次实验时,弹簧测力计示数如图所示,为______N。
(2)第2次实验时所做的有用功为______J,滑轮组的机械效率是______。
(3)分析1、2、3次实验的数据可知,使用同一滑轮组提升重物时,重物重力越______(选填“大”或“小”),滑轮组的机械效率越高;分析3、4次实验的数据可知,滑轮组的机械效率与钩码上升的高度______(选填“有关“或“无关”)。
(4)结合生产生活实际,用滑轮组提升重物时,下列选项中也可提高机械效率的是______。
A.增大绳重
B.减轻动滑轮重
C.加快物体提升的速度
50.(2020湖北荆门)为了测量某金属块的密度进行了如下操作:
(1)由于手中没有天平,现利用杠杆平衡原理测物体的质量。如图甲所示,调节杠杆两端的螺母,使杠杆在不挂钩码时保持水平并静止,达到平衡状态。将待测金属块用细线挂在杠杆左侧A点,用完全相同的细线将若干钩码挂在杠杆右侧B点,使杠杆重新在水平位置保持静止。已知右侧钧码的总质量为52g,则该金属块的质量为______g。
(2)将水倒入量筒中,液面位置如图乙所示,再把金属块完全浸没在量筒的水中,液面升高,如图丙所示,则该金属块的体积为______m3。
(3)由(1)、(2)步可求得金属块的密度为______kg/m3。
(4)若在第(2)步中先进行图丙所示操作,再进行图乙所示操作,则所测得金属块的密度相对于第(3)步______(选填“偏大”、“偏小”或“不变”)。
参考答案
1.【答案】摩擦力 改变 接触面的粗糙程度 甲丙 二力平衡 控制变量法
【解析】解:(1)由实验可知,接触面从毛巾→木板,小车在越光滑平面上受到的摩擦力越小,小车运动距离越来越长,说明速度减小得越慢,反之接触面越粗糙,滑动摩擦力越大,小车滑行的距离越短,说明力是改变物体运动状态的原因;
(2)由(1)知滑动摩擦力与接触面的粗糙程度有关,要探究滑动摩擦力与粗糙程度的关系,需要控制压力相同,改变受力面积,图2中的甲丙符合题意;
要使物体所受的摩擦力与拉力平衡,应用弹簧测力计拉着木块沿水平方向做匀速直线运动,此时滑动摩擦力等于测力计的拉力,因此,这里是利用了二力平衡的知识;
(3)在(1)中让小车从斜面顶端由静止自由滑下控制了小车到达斜面底端的速度相同,用到了控制变量法;
在(2)要探究滑动摩擦力与粗糙程度的关系,需要控制压力相同,改变受力面积,用到了控制变量法,所以以上实验都用到了控制变量法。
故答案为:(1)摩擦力;改变;(2)接触面的粗糙程度;甲丙;二力平衡;(3)控制变量法。
(1)根据表中接触面的粗糙程度与小车滑行的距离即可得出滑行距离与摩擦力的关系,进而可知力是改变物体运动状态的原因;
(2)影响滑动摩擦力的因素是压力和接触面额粗糙程度,根据控制变量法分析解答;
实验时,注意应使物体做匀速直线运动,根据二力平衡可知摩擦力等于拉力;
(3)根据(2)知此实验主要运用了控制变量法。
本题考查探了探究阻力对物体运动的影响以及究摩擦力大小与什么因素有关,要掌握实验中测量摩擦力的方法及实验的研究方法。在利用控制变量法时,要注意分析控制的变量和改变的量,根据实验结果得出研究因素是否与改变量有关。
2.【答案】速度 小 匀速直线
【解析】解:(1)根据控制变量法知,让小车从同一斜面、同一高度由静止开始滑下,这样小车在进入平面时的运动速度相同;
(2)由实验知表面越光滑,阻力就越小,速度减小得越慢,小车运动的距离就越长;
(3)由(2)实验事实可以推知:如果水平面足够光滑,小车不受阻力,小车的运动速度不变,小车将做匀速直线运动,这一过程中运用了实验推理法。
故答案为:(1)速度;(2)小;(3)匀速直线。
(1)在实验中,我们是把小车放在斜面上,让小车从斜面上向下运动,从而让小车获得一定的速度。小车在斜面上的高度不同,则向下运动的速度就会不同;
(2)要知道阻力大小与表面光滑程度的关系以及运动的距离与阻力大小的关系;
(3)如果表面光滑,则小车不受阻力,根据实验事实进行合理的推理,判断小车的运动状态。
本题是一道实验题,考查的是阻力对物体运动的影响,该实验是理解牛顿第一定律的基础。
3.【答案】匀速直线 甲、丙 接触面粗糙程度相同时,压力越大,滑动摩擦力越大 控制变量 不一定
【解析】解:
(1)进行甲、乙、丙图实验时,弹簧测力计必须沿水平方向拉着物体做匀速直线运动,此时物体在水平方向上受到平衡力的作用,由二力平衡的条件,拉力大小才等于摩擦力的大小;
(2)要验证猜想B,即滑动摩擦力与接触面的粗糙程度的关系,要控制压力大小相同和速度大小相同,改变接触面的粗糙程度,需按照甲、丙两个图进行对比实验;
(3)比较甲、乙图的实验知,接触面粗糙程度相同,乙中压力大,弹簧测力计的示数大,乙受到的滑动摩擦力也大,故实验结论是:接触面粗糙程度相同时,压力越大,滑动摩擦力越大;
(4)由(2)(3)知,本实验采用了控制变量法,所以在本次实验中运用的研究方法是转换法和控制变量法;
(5)如图丁所示,木块相对地面处于静止状态,受到的测力计拉力与受到的摩擦力为一对平衡力,大小相等,故改进后长木板不一定要做匀速直线运动。
故答案为:(1)匀速直线;(2)甲、丙;(3)接触面粗糙程度相同时,压力越大,滑动摩擦力越大;(4)控制变量;(5)不一定。
(1)根据二力平衡的条件分析;
(2)(3)(4)影响滑动摩擦力大小因素有两个:压力大小和接触面的粗糙程度,由控制变量法,研究与其中一个因素的关系时,要控制另外一个因素不变,根据图中现象得出结论;
(5)木块相对地面处于静止状态,受到的测力计拉力与受到的摩擦力为一对平衡力。
本题探究滑动摩擦力的大小与哪些因素有关,考查实验原理及控制变量法的运用和对实验方案的改进,体现了对过程和方法的考查。
4.【答案】U形管两边液面的高度差 甲、乙 大
【解析】解:根据转换法,实验过程中探头受到的液体压强大小是通过U形管两边液面的高度差反映的。
(2)为了验证猜想一,即研究液体内部压强大小可能与液体深度有关,要控制液体密度相同,故应选择甲、乙两组实验对比,可初步验证出猜想一是正确的;
(3)探究液体压强与液体密度的关系时,对比乙、丙两组实验,丙中U形管两边液面的高度差大,小明可得出的结论是:当液体深度相同时,液体的密度越大,液体的压强就越大。
故答案为:(1)U形管两边液面的高度差;(2)甲、乙; (3)大。
液体内部压强的大小是通过液体压强计U形管两边液面的高度差来判断的,高度差越大说明此时的液体压强越大,采用了转换法;
液体压强与液体的深度和密度有关,研究与其中一个因素的关系时,要控制另外一个因素不变;
本题探究影响液体压强大小的因素,考查转换法、控制变量法的运用。
5.【答案】DABC 物体浸在液体中所受的浮力等于物体排开的液体所受的重力
【解析】解:在这个探究中,应先测出空小桶的重力,再测物体的重力,然后将物体浸入溢水杯的水中,用小桶接住排出的水,最后测出小桶和接入水的总重力。所以重新排序应为:DABC。
此实验的结论是:物体浸在液体中所受的浮力等于物体排开的液体所受的重力。
故答案为:DABC;物体浸在液体中所受的浮力等于物体排开的液体所受的重力。
通过A中的弹簧测力计可读出物体的重力;通过B与A中弹簧测力计的示数差可求出物体所受浮力的大小;根据图CD能得出排开的液体的重力。进而得出结论。
本题目就是考查学生对阿基米德实验的掌握程度,看学生能否掌握每个步骤,以及每一步要测量的对象,只要基本知识掌握扎实,题目不难做出。
6.【答案】标记处 V1−V2V3−V2ρ 偏大 取出矿泉水瓶,取出小矿石,再把矿泉水瓶放入烧杯中,将量筒中的水缓慢倒入烧杯至标记处,量筒中剩余水的体积V2
【解析】解:(1)实验步骤:
A.向量筒中加入适量的水,记下体积V1;
B.烧杯中注人适量的水,将石块放入剪下的矿泉水瓶内,使矿泉水瓶漂浮在烧杯中,并用记号笔在烧杯上标记此时液面的位置;
C.取出矿泉水瓶,将量筒中的水缓慢倒入烧杯至标记处,则矿石的质量等于量筒倒入烧杯中水的质量,量筒中剩余水的体积V2;
矿石的质量为:m石=m水=ρ(V1−V2)。
D.再用细线拴住小矿石缓慢放入量筒中,此时总体积V3。
矿石的体积为:V石=V3−V2。
(2)矿石的密度为:ρ石=m石V石=V1−V2V3−V2ρ。
(3)由于矿泉水瓶有质量,瓶子有重力,当瓶子在水中漂浮时,瓶子和矿石的重等于瓶子排开水的重力,瓶子和矿石的总质量等于排开水的质量,计算时把瓶子和矿石的质量误认为是矿石的质量,导致矿石质量测量值偏大,密度偏大;
取出矿泉水瓶,取出小矿石,再把矿泉水瓶继续放入烧杯中,将量筒中的水缓慢倒入烧杯至标记处,量筒中剩余水的体积V2。
故答案为:(1)标记处;(2)V1−V2V3−V2ρ;(3)偏大;取出矿泉水瓶,取出小矿石,再把矿泉水瓶放入烧杯中,将量筒中的水缓慢倒入烧杯至标记处,量筒中剩余水的体积V2。
(1)小矿石放在矿泉水瓶内漂浮在水中,瓶子和矿石的重等于瓶子排开水的重力,所以瓶子和矿石的质量等于排开水的质量,采用等量代换的关系,使瓶子排开水的体积等于量筒倒入烧杯中水的体积,所以水面都要到标记处。
(2)矿石的质量和量筒倒入烧杯中水的质量相等,矿石的体积等于矿石浸没水中前后对应的刻度差,最后根据密度公式求出矿石密度。
(3)由于瓶子有重力,当瓶子在水中漂浮时,瓶子和矿石的重等于瓶子排开水的重力,瓶子和矿石的总质量等于排开水的质量,计算时把瓶子和矿石的质量误认为是矿石的质量,导致矿石质量测量值偏大,密度偏大;
把矿石取出后把瓶子继续放在水中,再添加水到标记处,这种方法测量比较准确。
本题关键在于瓶子和矿石漂浮在水面上时,瓶子和矿石的重力等于瓶子排开水的重力,量筒倒入烧杯中水的重力等于瓶子排开水的重力,明确这些,思路就很清晰了。
7.【答案】大 1
【解析】解:(1)当物体慢慢浸入水中,排开的体积逐渐变大,由F浮=ρ水V排g,可知,物体受到的浮力逐渐变大,
(2)若溢水杯装满水,则戊图与甲图测力计的读数差应该与物体实际所受浮力大小相等,即:F浮=G排=1.5N−0.5N=1N;
故答案为:(1)大;(2)1。
(1)当物体慢慢浸入水中直到全部没入的过程中,排开的体积逐渐变大,根据阿基米德原理分析受到的浮力变化;
(2)用溢水法收集物体排开的水,将溢水杯装满水,然后将物体浸入水中,用其他容器(需先测出其重力)接住溢出的水,然后再测出装有溢出的水的容器的总重力,两者之差就是物体排开水的重力;根据所测数据计算F浮与G排并进行比较。
本题综合考查了阿基米德原理实验;在“探究浮力的大小”实验中,用“称量法”测出物体受到的浮力,即F浮=G−F拉。
8.【答案】一 石块从量筒中取出时会沾上水,石块质量测量值偏大 水平 平衡螺母 移动游码 水的体积V1/cm3 水和石块的总体积V2/cm3
【解析】解:【实验设计】
如果先测量体积再测量质量,会使石块上沾上水,导致石块质量测量值偏大,密度测量值偏大,所以方案一误差较大。
【进行实验】
①使用天平时,天平放在水平台上,游码移到标尺左端的零刻度线处,发现指针指在分度盘中线的左侧,再向右调节平衡螺母,直到天平的横梁平衡。
②当加到最小的砝码后,观察到指针静止在如图2所示的位置,说明天平的左端下沉,要向右移动游码,使天平重新平衡。
【实验数据】实验表格中要有石块的质量m/g、量筒中适量水的体积V1/cm3、石块浸没在水中石块和水的总体积V2/cm3、求出石块的体积V/cm3、根据密度公式求出石块的密度ρ/(g⋅cm−3)。
故答案为:【实验设计】一;石块从量筒中取出时会沾上水,石块质量测量值偏大;
【进行实验】①水平;平衡螺母;②移动游码;
【实验数据】①水的体积V1/cm3;②水和石块的总体积V2/cm3。
【实验设计】用天平和量筒测量石块的密度时,要用天平先测量石块的质量,然后量筒中倒入适量的水,再把石块浸没在水中,求出石块的体积,最后根据密度公式求出石块的密度,如果先测量体积再测量质量,会使石块上沾上水,导致石块质量测量值偏大。
【进行实验】①使用天平时,天平放在水平台上,游码归零,调节平衡螺母,使天平的横梁平衡。
②用天平称量物体质量时,左盘放物体,右盘从大到小增加砝码,当加最小砝码时,若左盘还下沉,要移动游码,若右盘下沉,要取下最小砝码,移动游码。
【实验数据】实验表格中要有石块的质量、量筒中适量水的体积、石块浸没在水中石块和水的总体积、石块的体积、石块的密度。
用天平测量固体的密度时,一定要先测量质量再测量体积,可以减小误差。
9.【答案】物体的重力 拉力的大小 相同 能够改变力的方向
【解析】解:(1)在研究使用定滑轮是否省力时,实验中应匀速提升重物,测量出物体的重力和拉力的大小,根据这两个力的大小分析定滑轮是否省力;
(2)如图乙所示,分别用拉力F1、F2、F3匀速提升重物,由于使用定滑轮不省力也不费力,所以三个力的大小关系是相同;
(3)旗杆顶部有一个定滑轮,能够改变拉力的方向。
故答案为:(1)物体的重力;拉力的大小;(2)相同;(3)能够改变力的方向。
定滑轮的实质是一个等臂杠杆,使用定滑轮不省力也不费力,但可以改变力的方向。
此题考查了定滑轮的使用特点,是一道较简单的实验题。
10.【答案】各个方向 深度 < >
【解析】解:
(1)比较A、B可知,在液体内部的同一深度,橡皮膜的方向不同,U型管的液面高度差是相同的,即向各个方向的压强都是相等的;
比较A、C可知,液体的密度相同,深度不同,深度越深,U型管液面高度差越大,即压强越大,所以液体内部压强的大小跟深度有关;
(2)由图D可知,a中液体的深度要大于b中液体的深度,橡皮膜没有发生形变,说明此处的压强相同,根据p=ρgh可知,a的密度要小于b的密度,即ρa<ρb;
图E中,c中液体的深度要大于b中液体的深度,橡皮膜向左发生了形变,说明右侧的压强大,根据p=ρgh可知,a的密度要大于c的密度,即ρa>ρc。
故答案为:(1)各个方向;深度;(2)<;>。
(1)根据U型管液面的高度差,利用控制变量法判定压强的影响因素;
(2)液体内部压强的大小与液体的深度、液体的密度有关;
了解压强计的构造及使用原理、影响液体压强的因素以及控制变量法的应用便能顺利回答此题。
11.【答案】74 水不能太少,要能浸没小化石 3.7 偏大
【解析】解:(1)物体的质量等于砝码的质量加游码对应的刻度值,小化石的质量:m=50g+20g+4g=74g。
(2)量筒中倒入适量的水有两层含义:①水不能太少,要能浸没小化石;
②水不能太多,穿天石浸没后,水面不能超过量程;
(3)由乙图可知,小化石的体积为V=V排水=40cm3−20cm3=20cm3,
则小化石的密度为:ρ=mV=74g20cm3=3.7g/cm3。
(4)若先测体积,再测质量时石头上粘有水,使得测量的质量偏大,测得体积准确,根据密度公式ρ=mV可知,测得石头的密度值将会偏大;
故答案为:(1)74;(2)水不能太少,要能浸没小化石;(3)3.7;(4)偏大。
(1)物体的质量等于砝码的质量加游码对应的刻度值。
(2)适量的含义是固体要能浸没,并且水和固体的总体积不能超过量筒的最大测量范围。否则会影响物体的体积的测量。
(3)小化石的体积等于小化石排开水的体积,求出排开水的体积,即小化石的体积;知道小化石的质量和体积,根据密度公式求出小化石的密度。
(4)根据所测质量和体积的变化分析测得密度的变化。
此题中考查了天平的调节与使用、量筒的读数,密度公式的运用,这都是测密度实验中应该掌握的基本技能。还要注意固体密度测量的基本步骤。
12.【答案】122 60 0.8
【解析】解:(1)标尺的分度值为0.2g,烧杯和液体的总质量m1=100g+20g+2g=122g;
(2)量筒的分度值为2mL,量筒内液体的体积为V=60mL=60cm3;
量筒内液体的质量m=122g−74g=48g,
(4)液体的密度为:ρ=mV=48g60cm3=0.8g/cm3。
故答案为:(1)122;(2)60;(4)0.8。
(1)物体的质量等于砝码质量加游码质量,看清标尺分度值,求出质量;
(2)看清量筒的分度值读出体积;
(4)利用密度公式求出密度。
此题主要考查了天平的调节、量筒的读数、天平的读数、密度的计算等,属于常规知识的考查,难度不大。
13.【答案】水平 匀速直线 压力大小 粗糙程度 静止 左 无关
【解析】解:(1)将木块平放在水平长木板上,用弹簧测力计沿水平方向拉动,使其做匀速直线运动,根据二力平衡,此时弹簧测力计示数等于木块所受滑动摩擦力的大小;
(2)在木块上加放砝码,增大了压力,是为了探究滑动摩擦力大小与压力大小的关系;在长木板上铺上棉布或毛巾,改变了接触面的粗糙程度,是为了探究滑动摩擦力大小与接触面粗糙程度的关系;
(3)①启动传送带,当弹簧测力计的示数稳定后,木块相对于地面静止状态,此时弹簧测力计(绳子)对木块的拉力(水面向右)与木块所受滑动摩擦力为一对平衡力,大小相等,方向相反,木块所受滑动摩擦力的方向沿水平向左;
②某次实验中,当弹簧测力计的示数稳定后,改变传送带的速度大小,大家发现弹簧测力计的示数没有改变,则滑动摩擦力大小不变,说明木块所受滑动摩擦力的大小与传送带的速度大小无关。
故答案为:(1)水平;匀速直线;(2)压力大小;粗糙程度;(3)静止;左;②无关。
(1)根据二力平衡的条件分析;
(2)影响滑动摩擦力大小因素有两个:压力大小和接触面的粗糙程度,研究与其中一个因素的关系时,要控制另外一个因素不变,据此得出结论;
(3)①启动传送带,当弹簧测力计的示数稳定后,木块相对于地面静止,由二力平衡分析;
②弹簧测力计的示数没有改变,则滑动摩擦力不变,据此分析。
本题探究滑动摩擦力的大小与哪些因素有关,考查实验原理及控制变量法的运用,体现了对过程和方法的考查。
14.【答案】DCEBA 105.2 0.88g/cm3 不合格,因为密度是鉴别物质的一种方法,密度不同,物质不同 F1−F3F1−F2ρ水
【解析】解:(1)
①实验步骤:
D.调节天平平衡;
C.在烧杯中盛适量的酒精,用天平测出酒精和烧杯的总质量;
E.将烧杯中的酒精倒入量筒中,读出其体积,如图乙所示;
B.用天平测出烧杯的质量52.4g;
A.计算酒精的密度;
所以正确是实验步骤为:DCEBA。
②烧杯和酒精的总质量:m总=100g+5g+0.2g=105.2g,
酒精的质量为:m=105.2g−52.4g=52.8g,
酒精的体积为:V=60ml=60cm3,
酒精的密度:ρ=mV=52.8g60cm3=0.88g/cm3。
③小刚查到75%的医用酒精密度为0.87g/cm3,酒精测量值为0.88g/cm3,密度是鉴别物质的一种方法,密度不同,物质不同,所以酒精不合格。
(2)
a.用细线将小石块绑好,挂在弹簧测力计下,读出测力计示数F1
b.在烧杯中倒入适量的水,将小石块挂在弹簧测力计下使其浸没在水中,读出测力计示数F2
小石块在水中受到的浮力为:F水浮=F1−F2,
根据阿基米德原理得,小石块排开水的体积为:V排水=F1−F2ρ水g,
c.算出小石块的体积V石,小石块浸没在水中,所以小石块的体积为:V=V排水=F1−F2ρ水g,
d.在擦干水的烧杯中倒入适最的酒精,将已擦干的小石块挂在弹策测力计下,使其浸没在酒精中,读出测力计示数F3
小石块在酒精中受到的浮力为:F酒浮=F1−F3,
根据阿基米德原理得,小石块排开酒精的体积为:V排酒=F1−F3ρg,
所以,F1−F2ρ水g=F1−F3ρg,
解得,酒精的密度为:ρ=F1−F3F1−F2ρ水。
故答案为:(1)①DCEBA;②105.2;0.88g/cm3;③不合格,因为密度是鉴别物质的一种方法,密度不同,物质不同;(2)F1−F3F1−F2ρ水。
(1)①用天平和量筒测量液体密度时,先用天平测量烧杯和液体的总质量,然后将液体倒入量筒中测量液体的体积,再用天平测量烧杯和剩余液体的质量,求出倒入量筒中液体的质量,最后根据密度公式求出液体的密度。
②烧杯和酒精的质量等于砝码的质量加游码对应的刻度值,求出倒入量筒中酒精的质量,读出量筒在液体对应的刻度值,根据密度公式求出酒精的密度。
③对于实心物体来讲,密度是鉴别物质的一种方法,密度相同,物质可能不同,但是密度不同,物质一定不同。
(2)利用弹簧测力计测量小石块的重力,当小石块浸没在水和酒精中都受到浮力作用,求出小石块在水中和酒精中受到的浮力,根据阿基米德原理求出小石块排开水和排开酒精的体积,根据排开体积相等列出等式,求出酒精的密度。
本题的关键在于第(2)问,小石块在水中和酒精中都受到浮力作用,求出浮力,求出小石块排开水和排开酒精的体积,根据排开体积相等列出等式求解。
15.【答案】等臂 右 40 32.8 0.82×103 F1−F2gV0
【解析】解:(1)①天平动力臂等于阻力臂,是等臂杠杆;
②调节天平平衡时,如图甲图示指针指在刻度盘中央左侧,向右偏应该将游码向右调节。
③量筒中待测液体的质量m=m1−m2=92.6g−59.8g=32.8g,
量筒中待测液体的体积V=40ml=40cm3,
待测液体的密度ρ=mV=32.8g40cm3=0.82g/cm3=0.82×103kg/m3,
(2)物体完全浸没在液体中受到的浮力:F浮=F1−F2;
由于完全浸没,所以V排=V0;
由F浮=ρ液gV排得,液体的密度ρ液=F浮gV排=F1−F2gV0。
故答案为:(1)①等臂;②右;③40;32.8;④0.82×103;
(2)F1−F2gV0。
(1)①根据动力臂和阻力臂的大小关系,再判断它是属于哪种类型的杠杆;
②天平调节平衡的原则是“左偏右调,右偏左调”,指针指在分读盘中央左侧,将平衡螺母向右调节,指在左侧,平衡螺母向右调节;
③天平标尺上最小的一格代表的质量叫标尺的分度值;使用天平测量物体质量时,首先要明确标尺的分度值,被测物体的质量等于砝码的总质量与游码所对刻度之和。
读取量筒中液体的体积时,首先要明确量筒的分度值,读数时视线与液面最凹处相平;
已知烧杯和液体的总质量和剩余液体和烧杯的质量,可以得到量筒中液体的质量;已知液体的质量和体积,利用公式ρ=mV得到液体的密度。
(2)物体完全浸没,V排=V;
根据称重法得出物体完全浸没在液体中时受到的浮力,由ρ液=F浮gV排求出液体的密度。
此题中考查了关于液体密度测量的基本技能,包括天平、量筒的读数,运用密度的公式进行计算,以及测量误差的分析等。
16.【答案】三 无法控制受力面积的大小相同
【解析】解:方案一:将西瓜分别装入相同的网,分别挂在已调节好的等臂杠杆的两端,根据杠杆的平衡条件F1L1=F2L2可知,由于力臂相同,向下倾斜的一端的拉力大小,则这一端的西瓜的重力大,故方案一可行;
方案二:将西瓜分别装入相同的网,分别系在一条跨过定滑轮的绳子两端,向上提滑轮,由于使用定滑轮不省力也不费力,若一个西瓜先离开地面,说明这个西瓜向下的拉力小,重力小,故方案二可行;
方案三:把两个西瓜放在质地均匀的同一块海绵上,由于西瓜的形状不同,无法控制受力面积相同,不能通过海绵形变的大小来判定压力的大小,故方案三不可行。
故答案为:三;无法控制受力面积的大小相同。
(1)根据杠杆的平衡条件可以得出力的大小关系;
(2)使用定滑轮不能改变力的大小;
(3)影响压力作用效果的因素有两个:压力大小和接触面积的大小。
本题考查了杠杆的平衡条件、定滑轮的特点、影响压力作用效果的因素,难度不要,姚书记这些知识。
17.【答案】减小杠杆自重的影响 只测量了一组数据便得出结论,结论具有片面性 核桃夹 10
【解析】解:
(1)实验前,小红先将杠杆调至水平位置平衡,这样操作的目的是:杠杆所受重力的作用线通过支点,重力的力臂为零,重力对杠杆的转动不产生影响;
(2)不合理,该同学只测量了一组数据便得出结论,结论具有片面性;
(3)某次实验如图所示,杠杆平衡,动力臂大于阻力臂;我们在使用核桃夹时是为了省力,并且在使用的过程中动力臂大于阻力臂,所以它是省力杠杆;
(4)根据杠杆的平衡条件,已知一个钩码重0.5N,弹簧测力计的量程为5N,
F×3L=6G×nL,F=2nG,
n=F2G=5N2×0.5N=5,
实验前测得杠杆上相邻刻度线间的距离都等于2cm,要保持杠杆平衡,则钩码到支点的距离不应超过5×2cm=10cm。
故答案为:(1)减小杠杆自重的影响;(2)不合理;只测量了一组数据便得出结论,结论具有片面性;(3)核桃夹;(4)10。
(1)实验前先要调节杠杆在水平位置平衡,这是为使杠杆所受的重力通过支点,从而可以不考虑杠杆的重力对其转动的影响;
(2)杠杆的平衡条件是:动力×动力臂=阻力×阻力臂,在实验中,为得出普遍结论应改变实验条件,进行多次测量;
(3)对物理模型的抽象、分析能力。判断杠杆的类型可结合生活经验和动力臂与阻力臂的大小关系来判断;
(4)已知弹簧测力计的量程,根据杠杆的平衡条件可分析测力计示数的变化。
本题考查探究杠杆的平衡条件实验,关键是将课本知识内容记忆清楚,仔细分析即可。
18.【答案】右 物体排开液体的体积 物体排开液体的密度 10−4 1.125×103
【解析】解:
(1)将杠杆安装在支架上,静止时如图1所示,杠杆左端下沉,则杠杆的重心在支点左侧,应将平衡螺母向右调节,使杠杆在水平位置平衡;
(2)根据阿基米德原理:F浮=ρ液gV排,实验(3)(4)(5)中,物体作用在杠杆的动力为:FA=G−F浮=G−ρ液gV排,
根据杠杆的平衡条件,FA×OA=2G×L阻,
即(G−F浮)×OA=1N×L阻,故F 浮=ρ液gV排=G−1N×L阻OA-----①
①中,G和OA为定值,L阻越大(小),物体受到浮力F浮越小(大),
(3)、(4)实验中,物体排开液体的密度相同,(4)中排开液体的体积较大,L阻较小,物体受到浮力较大,故比较(2)、(3)、(4)实验可得:物体G所受浮力大小与排开液体的体积有关;
(4)、(5)实验中,排开液体的体积相同,而(5)中排开液体的密度大于(4)中排开液体的密度,(5)中对应的阻力臂最小,则受到的浮力最大,故分析比较(2)、(4)、(5)可得:物体G所受浮力大小与排开液体的密度有关;
由图知:OA=4L,OE=3.5L,OD=4L,OC=6L,OB=8L,
由(2),杠杆的平衡条件,G×OA=2G钩×OB=1N×OB;
G=1N×OBOA=2N;
G浸没于水中时,将已知量代入①得:
ρ水gV排=2N−1N×4L4L=1N,
V排=1N1.0×103kg/m3×10N/kg=10−4m3;
因物体浸没,所以物体G的体积:V=V排=10−4m3;
由(5),将已知量和求出的量代入①有:
ρ盐水g×10−4m3=2N−1N×3.5L4L=98N,
盐水的密度:ρ盐水=1.125×103kg/m3。
故答案为:物体排开液体的体积;物体排开液体的密度;10−4;1.125×103kg/m3。
(1)杠杆左端下沉,说明杠杆的重心在支点左侧,据此分析;
(2)根据阿基米德原理F浮=ρ液gV排,得出实验(3)(4)(5)中物体作用在杠杆的动力,根据杠杆的平衡条件得出物体受到的浮力表达式;
分析(3)、(4)实验中相同量和不同量,可知L阻较小,物体受到浮力较大,从而得出物体G所受浮力大小与变化量的关系;
分析(4)、(5)实验中相同量和不同量,故分析比较(2)、(4)、(5)可得物体G所受浮力大小与变化量的关系;
由图知:OA=4L,OE=3.5L,OD=4L,OC=6L,OB=8L,
由(2),杠杆的平衡条件得出G的大小;
G浸没于水中时,将已知量代入物体受到的浮力表达式,得出物体G的体积;
由(5),将已知量和求出的量代入物体受到的浮力表达式求出盐水的密度。
本题考查探究影响浮力大小的因素,考查杠杆的调试、控制变量法,数据分析和阿基米德原理、杠杆的平衡条件的运用,综合性较强。
19.【答案】高度差 转换 C、D 液体密度 相等
【解析】解:
(1)压强计是通过U形管中液面的高度差来反映被测压强大小的。液面高度差越大,液体的压强越大;这种方法叫做转换法;
(2)要探究液体的压强与深度的关系,需要控制液体的密度相同,改变液体深度,图C、D符合题意;
(3)比较D、E两个图知,橡皮膜所处的深度相同,液体的密度不同,可探究液体压强与液体密度的关系;
(4)比较A、B、C三个图知液体的密度相同,橡皮膜的深度相同,橡皮膜的方向不同,U型管两端液面的高度差相同,故可以得出:同种液体在相同深度时向各个方向的压强相等。
故答案为:(1)高度差;转换;(2)C、D;(3)液体密度;(4)相等。
(1)液体压强大小通过U型管内液面的高度差来反映的,液面高度差越大,液体的压强越大。这是一种转换法的运用;
(2)探究液体压强跟深度的关系时,保持液体的密度和方向相同;探究液体压强跟密度的关系时,保持液体的深度和方向相同;
(3)分析图D和图E的两次实验数据,找出哪些量是相同的,哪些量是不同的,从而得出液体的压强与液体密度的关系;
(4)分析图ABC的实验数据,找出哪些量是相同的,哪些量是不同的,从而得出结论。
本题考查液体压强的特点,涉及到两种物理学方法:控制变量法和转换法,解题时注意实验过程的分析和实验结论的表述都要采用控制变量法,领悟这两种方法的真谛。
20.【答案】水平 零刻度线 右 54 20 2.7 2.7×103 不变
【解析】解:
(1)实验前,首先要把天平放在水平工作台上,把游码移到标尺左端的零刻线处;指针静止时指在分度盘中央刻度线的左侧,要使横梁平衡,应将平衡螺母向右调节;
(2)金属块的质量为:m=50g+4g=54g,
(3)由图可知,此时量筒中水的体积为40mL;金属块的体积为:V=V2−V1=40mL−20mL=20mL=20cm3,
(4)金属块的密度为:ρ=mV=54g20cm3=2.7g/cm3=2.7×103kg/m3;
(5)将金属块截去一半,质量减小了,但密度不变。
故答案为:(1)水平;零刻度线;右;(2)54;(3)20;(4)2.7;2.7×103;(5)不变。
(1)天平的正确使用:①放:把天平放到水平桌面上;②移:把游码移到标尺左端零刻线处;③调:调节平衡螺母,使指针指在分度盘的中线处;
(2)使用天平的时候要左物右码;金属块的质量等于砝码的质量加游码对应的刻度值。
(3)金属块的体积等于金属块浸没水前后,水面对应的刻度值的差。
(4)测出了金属块的质量和体积,根据密度公式求出金属块的密度;
(5)密度的大小与质量的大小无关。
使用天平时,指针未指到分度盘的中央位置时,要明确是在调节过程中还是在称量物体质量的过程中,调节横梁平衡的过程中,要移动平衡螺母使天平的横梁平衡。称量物体质量的过程中,要增减砝码或移动游码使天平的横梁平衡。
21.【答案】1.0 0.3 1.625×103
【解析】解:
(1)当物体部分浸入水中时,弹簧测力计示数如图所示,测力计分度值为0.2N,示数为1.0N,即部分浸入水中拉力大小为1.0N,由称重测浮力,F浮=G−F=1.3N−1.0N=0.3N,如下表所示:
物体浸入水情况
部分浸入水中
全部浸入水中
拉力大小F(N)
1.0
0.5
浮力大小F浮(N)
0.3
0.8
(2)由表中数据,全部浸入水中时,受到浮力为0.8N,由阿基米德原理,
F浮全=ρ水gV排=ρ水gV物,
V物=F浮全ρ水g,
该物体的密度是:
ρ=GgV物=Gg×F浮全ρ水g=GF浮全×ρ水=1.3N0.8N×1.0×103kg/m3=1.625×103kg/m3。
故答案为:(1)如上表所示;(2)1.625×103。
(1)根据测力计分度值为0.2N读数;根据表中数据,由称重测浮力求解;
(2)由表中数据可知全部浸入水中时受到浮力,由阿基米德原理得出物体体积表达式,根据ρ=GgV物求出该物体的密度。
本题考查称重法测浮力、阿基米德原理的运用和物体密度的求解。
22.【答案】0.5 c、d 液体密度 0.8×103
【解析】解:
(1)由a、c两次实验中测力计示数可知,物体浸没在水中所受的浮力为:F浮水=G−Fc=2N−1.5N=0.5N;
(2)研究物体所受浮力的大小与浸没的深度的关系时采用的是控制变量法,需要控制排开液体的密度和体积相同,所以应该对比cd;
(3)由图c、e所示实验可知,物体排开液体的体积相同而液体密度不同,该实验可以探究浮力大小与液体密度的关系;
(4)实验步骤c中,物体受到的浮力为:F浮c=G−Fc=2N−1.5N=0.5N;
实验步骤e中,物体受到的浮力为:F浮e=G−Fe=2N−1.6N=0.4N;
因物体均浸没,所以V排水=V排液;
根据阿基米德原理可知:F浮cρ水g=F浮eρ液g;
所以该液体的密度为:
ρ液=F浮eF浮c×ρ水=0.4N0.5N×1×103kg/m3=0.8×103kg/m3。
故答案为:(1)0.5;(2)c、d;(3)液体密度;(4)0.8×103。
(1)根据称重法测浮力得出浮力的大小;
(2)研究物体所受浮力的大小与浸没的深度的关系,要控制排开液体的密度和体积相同;
(3)浮力的大小与物体排开的液体的体积和液体的密度有关;
(4)求出物体在液体中的浮力的大小,由于物体全部浸没在两种液体中,排开的液体的体积是相同的,根据阿基米德原理列出关系式,求出液体的密度。
本题探究浮力的大小与哪些因素有关,考查控制变量法的运用、称重法测浮力、阿基米德原理、密度的计算,有一定的难度。
23.【答案】右 便于测力臂 2 1 变大 2
【解析】解:(1)杠杆在使用前左端下沉,说明左侧力与力臂的乘积大,应将平衡螺母向右调节,因为重力的方向是竖直向下的,杠杆只有在水平位置平衡时,支点到力的作用线的距离才正好在杠杆上,也就是正好等于相应杠杆的长,这样测量起来会比较方便。
(2)设杠杆每个格的长度为L,每个钩码的重力为G,根据杠杆的平衡条件:
FALA=FBLB
4G×2L=FB×4L
解得FB=2G
即需在B点处挂2个钩码;
(3)取走悬挂在B点的钩码,改用弹簧测力计在C点竖直向上的拉力,根据杠杆的平衡条件:FALA=FCLC,即4G×2L=FC×4L,解得FC=2G=3×0.5N=1N;
如改变弹簧测力计拉力的方向,使之斜向左上方,阻力和阻力臂不变,动力臂减小,动力要增大,所以弹簧测力计示数变大,才能使杠杆仍然水平平衡。
找到支点O,从支点O到动力作用线做垂线,支点与垂足之间的距离即为力臂L,如图所示:
根据杠杆的平衡条件:FALA=FCLC,即4G×2L=FC×4L×cos60°,
4G×2L=FC×4L×12,解得FC=4G=4×0.5N=2N。
故答案为:(1)右;便于测力臂;(2)2;(3)1;变大;2。
(1)杠杆的调节也跟天平类似,应向高的一侧移动平衡螺母,使杠杆在水平位置平衡最大的好处就是测量力臂时非常方便。
(2)根据杠杆的平衡条件计算出在B点挂的钩码个数;
(3)根据杠杆的平衡条件计算出在C点拉力的大小;当拉力F向右倾斜时,分析出力臂的变化结合杠杆的平衡条件判断力的变化。
从支点到动力作用线的距离叫动力臂。
本题考查了杠杆平衡的调节和平衡条件的应用;要明确探究杠杆平衡条件时,使杠杆在水平位置平衡,便于测量力臂大小,杠杆的重心通过支点,消除杠杆自重对杠杆平衡的影响,以及三角函数的有关知识,是一道综合题。
24.【答案】零刻度线 1.6 成正比
【解析】解:(1)使用弹簧测力计时候,首先要“调零”,即检查指针是否在零刻度线;
(2)第3次测量的弹簧测力计指针指示位置如图甲所示,由图可知,该测力计的最小分度值为0.2N,指针在1刻度线下方3格,则弹簧测力计的示数是1N+3×0.2=1.6N;
(3)根据描点法作图,重力与质量的关系图象如下所示:
;
(4)由于重力与质量的关系图象为原过点的直线,可以得出的结论是:物体所受的重力跟它的质量成正比;
故答案为:(1)零刻度线;(2)1.6;(3)如上图;(4)成正比。
(1)使用弹簧测力计时候,首先要“调零”,即检查指针是否在零刻度线;
(2)由图可知,该测力计的最小分度值为0.2N,读出弹簧测力计的示数;
(3)根据描点法作图;
(4)根据重力与质量的关系图象得出结论。
本题通过探究物体的重力与质量成正比关系,考查了弹簧测力计的读数、描点法作图、数据分析得结论等,常见题目。
25.【答案】凹陷的程度 压力 压力大小 错误 没有控制受力面积相同
【解析】解:
(1)力可以改变海绵的形状,通过海绵凹陷程度表示压力作用效果大小;
(2)图甲、乙,压力相同,受力面积越小,海绵凹陷程度越大,压力作用效果越明显,所以在压力一定时,受力面积越小,压力作用效果越明显;
(3)图甲、丙,受力面积相同,丙图的压力大,海绵凹陷程度大,压力作用效果越明显,所以在受力面积一定时,压力越大,压力作用效果越明显;
(4)对比甲、丁两图,得出压力作用的效果与压力大小无关,是错误的,因为没有控制受力面积不变,同时改变了压力大小和受力面积大小,存在两个变量。
故答案为:(1)凹陷的程度;(2)压力;(3)压力大小; (4)错误;没有控制受力面积相同。
(1)压力的作用效果主要表现在物体的形变上,可以通过海绵的形变程度来反映压力作用效果是否明显;
(2)压力作用效果跟压力大小和受力面积大小有关。在压力一定时,受力面积越小,压力作用效果越明显;
(3)(4)在探究压力作用的效果与压力大小关系时,应保持受力面积一定,改变压力大小。
本题考查了探究压力作用效果与什么因素有关的实验,重点是控制变量法和转换法在实验中的应用,难度不大。
26.【答案】C 水平 等于 无关
【解析】解:(1)研究滑动摩擦力大小与接触面大小有关,要控制压力大小和接触面的粗糙程度相同,只改变接触面大小,故选用各面粗糙程度相同、长宽高各不相等的长方体木块,即选C;
(2)在测量摩擦力前,除了观察弹簧测力计的量程和分度值外,还应将弹簧测力计在水平方向调零。实验时应该沿水平方向拉动木块做匀速直线运动,由二力平衡,此时,滑动摩擦力的大小等于弹簧测力计示数;
(3)该同学正确选择木块后,将木块分别平放、竖放、侧放在同一水平面上,沿水平方向匀速拉动木块,发现三次弹簧测力计的示数均相等,由此得到的结论是:滑动摩擦力的大小与接触面大小无关。
故答案为:(1)C;(2)水平;等于;(3)无关。
(1)我们知道影响滑动摩擦力大小因素为压力大小和接触面的粗糙程度,研究滑动摩擦力大小与接触面大小有关,要控制这两个因素不变;
(2)测力计使用前应在测力的方向上调零;根据二力平衡分析;
(3)根据控制变量法,若三次弹簧测力计的示数均相等,说明滑动摩擦力的大小与接触面大小无关;
若三次弹簧测力计的示数均不相等,说明滑动摩擦力的大小与接触面大小有关。
本题探究滑动摩擦力的大小与哪些因素有关,考查测力计使用、实验原理及控制变量法的运用,体现了对过程和方法的考查。
27.【答案】水平 右 72.4 30 1 0.9 家 洗手液流动性较差,在测量体积时有一部分洗手液还沾在量筒壁上使得洗手液的体积偏小
【解析】解:
(1)用托盘天平测量物体质量时,把天平放置在水平桌面上;游码移到标尺左端的零刻线处,然后调节平衡螺母,平衡螺母向上翘的一端移动,发现指针静止时指在分度盘中央刻度线的左侧,要使横梁水平平衡,应将平衡螺母向右调节;
(2)烧杯和洗手液的总质量为:m1=50g+20g+2.4g=72.4g,
根据题意,量筒里洗手液的质量是:m=m1−m2=72.4g−42.4g=30g,
由图知,量筒中洗手液的体积是V=30mL=30cm3,
则洗手液的密度ρ=mV=30g30cm3=1g∕cm3;
(3)①由图2的甲知烧杯和洗手液的质量为m1′=190g,
②由图2的乙知,烧杯、洗手液以及排开洗手液的质量之和为m2′=217g,
则排开洗手液的质量为m排=m2′−m1′=217g−190g=27g=0.027kg,
排开液体的重力为:G排=m排g=0.027kg×10N/kg=0.27N,
根据阿基米德原理知F浮=G排=0.27N,
③由图2甲丙知,铝块的质量为m铝=m3−m1′=271g−190g=81g,
铝块的体积为:V铝=m铝ρ铝=81g2.7g/cm3=30cm3,
根据F浮=ρ液gV排得洗手液的密度:
ρ液=F浮gV排=0.27N10N/kg×30×10−6m3=0.9×103kg/m3=0.9g/cm3;
对前后两次实验进行分析,发现在(3)中即在家所测洗手液密度的结果更接近真实值;
造成在学校测量结果与真实值的差异较大的原因可能是由于洗手液流动性较差,在测量体积时有一部分洗手液还沾在量筒壁上使得洗手液的体积偏小,根据ρ=mV知,测量的洗手液的密度偏大。
故答案为:(1)水平;右;(2)72.4;30;1;(3)③0.9;家;洗手液流动性较差,在测量体积时有一部分洗手液还沾在量筒壁上使得洗手液的体积偏小。
(1)天平的正确使用:①放:把天平放到水平桌面上;②移;把游码移到标尺左端零刻线处;③调:调节平衡螺母,使指针指在分度盘的中线处。
(2)用天平测物体质量时,物体的质量等于砝码的质量加上游码所对刻度,而要准确读出游码所对刻度,必须明确标尺的分度值及以游码左端所对刻度为准;读取量筒液体的体积时,视线与液面(凹液面的底部)相平;
读出烧杯和洗手液的总质量、已知烧杯和剩余洗手液的总质量,可求得量筒中的洗手液的质量,量筒中洗手液的体积可从量筒中读出。然后,利用密度公式ρ=mV可求出其密度;
(3)由图2的甲读出烧杯和洗手液的质量,由图2的乙读出洗手液以及排开洗手液的质量之和,从而算出排开液体的质量,根据G=mg算出排开液体的重力,根据阿基米德原理算出浮力;
由图2甲丙知铝块的质量为m铝=m3−m1′,根据密度公式算出铝块的体积,根据F浮=ρ液gV排求洗手液的密度;
对前后两次实验进行分析,哪次所测洗手液密度的结果更接近真实值;
由于洗手液流动性较差,在测量体积时有一部分洗手液还沾在量筒壁上使得洗手液的体积偏小,根据ρ=mV知,测量的洗手液的密度偏大。
本题是测液体密度的实验题目,考查了天平的使用、天平和量筒的读数、密度计算以及误差分析,属于密度测量中常见的问题,要掌握好
28.【答案】B方案中两球从起始位置到水平位置的高度差不同 D 塑料软片对不同体积的小球的阻力不同
【解析】解:
(1)图A中挡板水平放置,两小球从起始位置到水平位置的高度差相同,图B中挡板与斜面垂直放置,两小球从起始位置到水平位置的高度差不同,为来控制大小不同的两个小球在斜面上从起始位置到水平位置的高度差相同,实验时选择A方案而不能选择B方案;
(2)根据表中数据可知,斜面倾角为10°、20°、30°时,大钢球、小钢球、木球达到水平面时的速度相同,斜面倾角为40°、50°、60°时,大钢球、小钢球、木球达到水平面时的速度不同,所以要使球到达水平位置时的速度与球是钢质或木质无关,则斜面倾角不可能是40°以上,故D符合题意;
(3)体积大小不同的小球从塑料软片下面通过时受到的阻力不同,无法“探究动能大小与质量关系”。
故答案为:(1)B方案中两球从起始位置到水平位置的高度差不同;(2)D;(3)塑料软片对不同体积的小球的阻力不同。
(1)从A、B两图中挡板的放置方式对体积大小不同的小球高度影响进行分析;
(2)根据表中斜面倾角和小球达到水平位置时的速度进行分析;
(3)体积大小不同的小球从塑料软片下面通过时受到的阻力不同,据此进行分析解答。
解决此类问题要会利用控制变量法和转换法,是中考探究实验考查的重点,设计实验时,要考虑到实验的影响因素。
29.【答案】钝端 1号、2号、3号 质量
【解析】解:(1)鸡蛋的钝端指的是较大的那一端,此端有两层卵壳膜围成的空腔叫气室,胚盘是胚胎发育的部位,里面含有细胞核。 所以一般情况下,我们要观察到鸡卵结构中的气室,应该敲开鸡蛋的钝端;
(2)气室的体积越大,重心越低,沉于水底鸡蛋的钝端与尖端的连线与水平底面之间的夹角θ越大,所以图中3枚鸡蛋气室占整个鸡蛋的体积比从高到低排序为1号、2号、3号;
(3)自然状态下,随着鸡蛋存放时间变长,水分排出的越多,鸡蛋的质量会变小,根据ρ=mV知鸡蛋的密度变小。
故答案为:(1)钝端;(2)1号、2号、3号;(3)质量。
(1)鸡蛋的钝端指的是较大的那一端,有气室;
(2)气室体积越大,重心越低;
(3)根据密度公式ρ=mV分析解答。
本题考查了学生根据题中信息分析解答能力,还考查了密度公式的应用。
30.【答案】AB 装置漏气 得出普遍性的结论 ρgh
【解析】解:
(1)液体内部压强的大小是通过液体压强计U形管两边液面的高度差来判断的,高度差越大说明此时的液体压强越大,采用了转换法;
液体压强与液体的深度和密度有关,根据控制变量法,研究与其中一个因素的关系时,要控制另外一个因素不变;
该实验过程用到的科学方法有转换法和控制变量法,选A、B;
(2)步骤二中金属盒在水里的位置不动,但U形管两侧的液面高度差逐渐减小的原因是装置漏气;
(3)改变深度更换液体进行多次实验,其目的是得出普遍性的结论;
(4)图(乙)为一圆柱形容器,容器内装有密度为ρ的液体,a点在深度为h处的水平横截面上,高为h的液柱的重力G=mg=ρVg=ρShg,因横截面上方的液柱对横截面产生的压力大小等于该液柱的重力,根据压强公式p=FS,a点所在横截面受到的液体压强pa与深度h之间的关系式是:
pa=FS=ρShgS=ρgh。
故答案为:(1)AB;(2)装置漏气;(3)得出普遍性的结论;(4)ρgh。
(1)液体内部压强的大小是通过液体压强计U形管两边液面的高度差来判断的,高度差越大说明此时的液体压强越大,采用了转换法;
液体压强与液体的深度和密度有关,根据控制变量法,研究与其中一个因素的关系时,要控制另外一个因素不变;
(2)液体压强计是通过管内的气体传递橡皮膜上受到的压强的,如果装置漏气,U形管两侧的液面高度差会逐渐减小;
(3)用归纳法得出普遍性的结论要满足2个条件:一是样本要有代表性,二是样本数量足够多;
(4)根据密度公式和重力公式,得出高为h的液柱的重力,因横截面上方的液柱对横截面产生的压力大小等于该液柱的重力,根据压强公式p=FS得出液体压强pa与深度h之间的关系式。
本题探究影响液体压强大小的因素,考查转换法、控制变量法、归纳法的运用及p=ρgh的推导。
31.【答案】长木板 先后三次将小球从斜面的不同高度处静止释放,测量并记录小球在粗糙程度相同的水平面上运动距离;如果三次小球在粗糙程度相同的水平面上运动距离不同,说明小球在水平面上的运动距离与速度有关 时间或小球速度改变的快慢
【解析】解:(1)探究车运动的距离可能与路面的粗糙程度有关时,采用的是控制变量法,实验中需要改变接触面的粗糙程度,通过小车在水平面上运动的距离来得出结论,所以需要把丝绸、棉布铺在长木板上;
(2)探究车运动的距离可能与车速有关时,需要控制接触面的粗糙程度相同,速度不同,所以实验步骤为:
先后三次将小球从斜面的不同高度处静止释放,测量并记录小球在粗糙程度相同的水平面上运动距离;如果三次小球在粗糙程度相同的水平面上运动距离不同,说明小球在水平面上的运动距离与速度有关;
(3)若探究“阻力对物体运动的影响”,那么可以通过比较起始速度相同的同一小球,在不同水平面上运动的距离或运动的时间、小球速度的变化的快慢来判断阻力对物体运动的影响。
故答案为:(1)长木板;(2)先后三次将小球从斜面的不同高度处静止释放,测量并记录小球在粗糙程度相同的水平面上运动距离;如果三次小球在粗糙程度相同的水平面上运动距离不同,说明小球在水平面上的运动距离与速度有关;(3)时间或小球速度改变的快慢。
(1)实验中通过小车在水平面上运动距离的大小来判定阻力对物体运动的影响;探究车运动的距离可能与路面的粗糙程度有关时,需要改变接触面的粗糙程度;
(2)探究车运动的距离可能与车速有关时,需要控制接触面的粗糙程度相同,速度不同;
(3)探究“阻力对物体运动的影响”时,实验中通过转换法来体现阻力的影响。
本题主要考查了牛顿第一定律的实验过程和科学推理过程,这一实验结果的得出方式是我们应该特别注意的,同时,实验中还用到了控制变量的方法,也是我们应该注意的。
32.【答案】匀速直线 1、6(或2、7,或5、8) 无关 压力大小和接触面的粗糙程度
【解析】解:实验中要用弹簧测力计水平匀速拉动木块,木块处于平衡状态,由二力平衡知识可知,此时木块所受的滑动摩擦力等于弹簧测力计的示数。
①要探究滑动摩擦力的大小可能与接触面的粗糙程度有关,需要控制压力大小和接触面的大小相同,改变接触面的粗糙程度,由表格数据知1、6(或2、7,或5、8)符合题意;
②分析2、3、4或8、9、10组实验数据知压力和接触面的粗糙程度相同,接触面积不同,弹簧测力计的示数相同,说明滑动摩擦力相同,故可得到的结论是:在压力和接触面粗糙程度相同时,滑动摩擦力大小与接触面积大小无关;
③由表中1、6(或2、7,或5、8)知:当压力相同时,接触面越粗糙,滑动摩擦力越大;
由表中1、2、5(或6、7、8)知:当接触面的粗糙程度相同时,压力越大,滑动摩擦力越大;
由表中2、3、4(或8、9、10)知:滑动摩擦力与接触面积大小无关;
综合分析滑动摩擦力大小只与压力大小和接触面的粗糙程度有关。
故答案为:匀速直线;①1、6(或2、7,或5、8);②无关;③压力大小和接触面的粗糙程度。
在探究“滑动摩擦力的大小与哪些因素有关”的实验中,利用二力平衡条件,通过弹簧测力计的拉力来测出摩擦力的大小;
①②③滑动摩擦力与压力和接触面的粗糙程度有关,与接触面积无关,在实验中要运用控制变量法进行探究与分析,并最终得出结论。
本题考查了探究“滑动摩擦力的大小与哪些因素有关”的实验中,二力平衡条件的运用、控制变量法的运用等,要熟知影响滑动摩擦力大小的因素,并结合控制变量法进行分析。
33.【答案】左 8.4 8 1.05 偏大 大于 h3−h1h2−h1ρ0
【解析】解:(1)如图,指针偏右,说明天平的右端下沉,左端上翘,平衡螺母向上翘的左端移动。
(2)大樱桃的质量:m=5g+3.4g=8.4g。
(3)大樱桃的体积:V=38ml−30ml=8ml=8cm3,
大樱桃的密度:ρ=mV=8.4g8cm3=1.05g/cm3。
(4)当大樱桃放入水中,筒壁上溅了几滴水,导致大樱桃和水的总体积减小,大樱桃体积减小,密度偏大。
(5)③大樱桃在消毒液中下沉,大樱桃受到的重力大于浮力。
④设平底试管的底面积为S,
大樱桃的重力,G=mg=ρ0Vg=ρ0S(h3−h1)g,
大樱桃漂浮在消毒液中,大樱桃受到的浮力:F浮=ρ消毒液gV排=ρ消毒液gS(h2−h1),
大樱桃漂浮在消毒液中,重力等于浮力,
所以,ρ0S(h3−h1)g=ρ消毒液gS(h2−h1),
解得,消毒液的密度:ρ消毒液=h3−h1h2−h1ρ0。
故答案为:(1)左;(2)8.4;(3)8;1.05;(4)偏大;(5)③大于;④h3−h1h2−h1ρ0。
(1)天平放在水平台上,游码移到标尺左端的零刻线处,平衡螺母向上翘的一端移动。
(2)物体的质量等于砝码质量和游码对应刻度之和。
(3)大樱桃的体积等于大樱桃和水的总体积与水的体积的差。
大樱桃的密度根据密度公式计算。
(4)当大樱桃放入水中,筒壁上溅了几滴水,导致大樱桃和水的总体积减小,大樱桃体积减小,密度偏大。
(5)③物体在液体中下沉,物体受到的重力大于浮力。
④根据大樱桃受到的浮力等于重力列出等式求出液体的密度。
本题知道大樱桃的密度,利用漂浮条件求消毒液密度,在知道消毒液的密度时,也可以测量大樱桃的密度。
34.【答案】减小 增大 5、6 △F1=△F2 1.5
【解析】解:①分析比较表中实验序号1~4的数据可知,随着圆柱体下降的深度越深,弹簧测力计的示数F1越来越小,台秤的示数F2越来越大,因此可得初步结论:圆柱体在浸入水的过程中,F1减小,F2增大。
②由表可以看出,在序号5、6两次实验中,弹簧测力计的示数F1不变、台秤的示数F2也不变,说明圆柱体受到的浮力不变,根据F浮=ρ液gV排可知,物体排开水的体积不变,则说明物体已全部浸没在水中。
③由表中的实验数据可得,任意两次实验中F1的减小量等于对应F2的增加量,在5、6两次实验中F1没有发生改变,F2也没有发生改变,因此可得出的结论是:圆柱体在水中缓慢下降的过程中,△F1=△F2。
取序号3、4两次实验,可得弹簧测力计F1的变化量为△F1=7.1N−6.8N=0.3N
则可得圆柱体在这两次实验中受到浮力的变化量为△F浮=△F1=0.3N
圆柱体的底面积为S,圆柱体下降的深度变化量为△h=4.0cm−3.0cm=1cm=0.01m
由阿基米德原理可得:
△F浮=ρ液g△V排=ρ液gS△h=1.0×103kg/m3×10N/kg×S×0.01m=0.3N,
解得:S=0.003m2;
由表格可知,当物体下降的深度为5cm时,物体已经完全浸没在水中,则有V排=V=Sh
圆柱体所受到的浮力为:
F浮=ρ液gV排=ρ液gSh=1.0×103kg/m3×10N/kg×0.03m2×0.5m=1.5N,
此时物体继续下降,但是受到的浮力不变,因此当圆柱体处于实验序号6的位置时,圆柱体受到的浮力为1.5N。
故答案为:①减小;增大;②5、6;③△F1=△F2;1.5。
①分析比较表中实验序号1~4的数据可知F1与F2的变化;
②圆柱体全部浸没在水中时,V排=V物,根据F浮=ρ液gV排可知浮力不变,则弹簧测力计的示数不变;
③分析比较实验序号1~6的数据,可得出的结论;
取序号3、4两次实验,可得弹簧测力计F1的变化量,则可得圆柱体在这两次实验中受到浮力的变化量,
设圆柱体的底面积为S,圆柱体下降的深度变化量为△h=4.0cm−3.0cm=1cm=0.01m
由阿基米德原理可求得圆柱体的底面积S,由阿基米德原理F浮=ρ液gV排=ρ液gSh算出浮力,此时物体继续下降,但是受到的浮力不变。
此题主要考查的是学生对实验数据的处理能力和根据实验数据总结归纳出实验结论的能力,对学生的能力要求较高。
35.【答案】装满 相等 转换 阿基米德原理
【解析】解:(1)通过溢水杯里溢出水的多少来表示物体排开水的体积多少,故溢水杯里水的多少应该以装满为准;
(2)换用不同的物质(浓盐水、蜂蜜、食盐、细沙并装满)做实验,若每次溢出来水的体积相相等,根据G排=m排g=ρ水Vg,则排开水的重力相同,则初步说明物体所受的浮力与物体的密度无关,否则与物体的密度有关;
(3)本实验是通过比较每次溢出来水的体积来比较浮力,这里运用了转换的思想方法,其依据是阿基米德原理。
故答案为:(1)装满;(2)相等;(3)转换;阿基米德原理。
科学中对于一些看不见摸不着的现象或不易直接测量的科学量,常用一些直观的现象去认识或用易测量的科学量间接测量,这种研究问题的方法叫转换法;
根据阿基米德原理,浮力大小等于物体排开液体的重力。研究浮力的大小是否跟物体的密度有关,要控制排开液体的重力不变(根据G排=m排g=ρ水Vg,控制排开水的体积不变即可),只改变物体的密度(玻璃瓶里的物质分别换成浓盐水、蜂蜜、食盐、细沙并装满),若每次溢出来水的体积相等,则初步说明物体所受的浮力与物体的密度无关,否则与物体的密度有关。
本题研究浮力的大小是否跟物体的密度有关,考查控制变量法、转换法和注意事项,体现对过程和方法的考查。
36.【答案】②①④③ 体积 m油−mm水−mρ水(或m醋−mm水−mρ水)
【解析】解:(1)正确的实验步骤:
②用家里的电子秤,准确测量其中一只空杯的质量m;
①在图中三只水杯里,慢慢的分别注满水、油和醋;
④用家里的电子秤,准确测量三只装满液体后,杯和液体的总质量,记作m水、m油和m醋。
③用巳知量ρ水,测量量m、m水、m油和m醋,求出ρ油和ρ醋;
正确实验步骤:②①④③。
(2)三只水杯中,都装满水、油和醋,所以水、油和醋体积都等于杯子的容积,所以水、油和醋的体积相同。
(3)水的质量:m0=m水−m,
油的质量:m1=m油−m,
醋的质量:m2=m醋−m,
水的体积:V0=m0ρ水=m水−mρ水,
油的体积:V1=m1ρ油=m油−mρ油,
醋的体积:V2=m2ρ醋=m醋−mρ醋,
因为水、油和醋的体积相同,
所以,m水−mρ水=m油−mρ油,解得,ρ油=m油−mm水−mρ水,
m水−mρ水=m醋−mρ醋,解得,ρ醋=m醋−mm水−mρ水。
故答案为:(1)②①④③;(2)体积;(3)m油−mm水−mρ水(或m醋−mm水−mρ水)。
只有天平没有量筒测量液体密度时,使被测液体的体积和水的体积相等,测量水和被测液体的质量,根据体积相等列出等式求出被测液体的密度,本实验要先测量空杯子的质量,然后杯子中灌满水和被测液体,测量杯子和水、杯子和被测液体的质量,求出水和被测液体的质量,根据水和被测液体的体积相等列出等式求出被测液体的密度。
只有天平没有量筒测量液体密度时,使被测液体的体积和水的体积相等,测量水和被测液体的质量,根据体积相等列出等式求出被测液体的密度。
37.【答案】竖直向上匀速 2.2 88.9% 提升的物体越重,滑轮组的机械效率越高 0.4
【解析】解:(1)实验中应竖直向上匀速拉动弹簧测力计使钩码上升,此时系统处于平衡状态,测力计示数大小才等于拉力大小;
(2)由图知,弹簧测力计的分度值为0.2N,拉力为2.2N;
第2次实验的机械效率为:η=W有W总=GhFs=4N×0.1m1.5N×0.3m×100%≈88.9%;
(3)实验选用的同一滑轮组,动滑轮的重力不变,由表中实验数据分析可知,同一滑轮组提升的物体越重,滑轮组的机械效率越高;
(4)根据表中数据,在第一次实验做的总功:
W总1=F1s1=0.8N×0.3m=0.24J,
做的有用功:
W有1=G1h=2N×0.1m=0.2J,
做的额外功:
W额外=W总1−W有1=0.24J−0.2J=0.04J,
因忽略绳重和摩擦,故所做额外功是克服动滑轮重力阻力所做的功,则动滑轮的重力为:
G动=W额外h=0.04J0.1m=0.4N。
故答案为:(1)竖直向上匀速;(2)2.2;88.9%;(3)提升的物体越重,滑轮组的机械效率越高; (4)0.4。
(1)实验中应竖直向上匀速拉动弹簧测力计使钩码上升;
(2)由图知弹簧测力计的分度值,据此得出拉力大小;
根据η=W有W总=GhFs×100%求出第2次实验的机械效率;
(3)分析实验中相同量和不同量,得出机械效率与变化量的关系;
(4)根据表中数据,求出第一次实验时做的的总功和有用功,从而得出额外功;因忽略绳重和摩擦,故所做额外功是克服动滑轮重力阻力所做的功,据此求出动滑轮的重力。
本题测量滑轮组的机械效率,考查注意事项、测力计读数、功和械效率计算、数据分析及控制变量法的运用。
38.【答案】加速 0.75 0.50 C <
【解析】解:(1)由照片可知,在相同时间,小球运动的距离间隔越来越大,所以小球在做加速运动;
(2)如果频闪照相机每隔0.2s拍摄一次,并测得sAB=5cm,sBC=15 cm,
则小球在BC段的平均速度为:
vBC=sBCtBC=0.15m0.2s=0.75m/s;
AC段的距离:
sAC=sAB+sBC=5cm+15cm=20cm=0.2m,
AC段所用的时间:
tAC=tAB+tBC=0.2s+0.2s=0.4s,
则小球在AC段的平均速度:
vAC=sACtAC=0.2m0.4s=0.5m/s;
(3)由(1)知图中小球在做加速运动。
图A中随着时间增加,速度在减小,不符合题意;
图B中随着时间增加,速度不变,不符合题意;
图C中随着时间增加,速度在增大,符合题意;
图D中随着时间增加,速度先减小后增大,不符合题意。
故能说明小球在斜面上运动情况的图象是C。
(4)由照片可知,在相同时间,小球运动的距离间隔越来越大,所以小球在做加速运动。即小球的速度越来越大,则时间tAD中点未到达路程sAD中点,则v1
(1)由图甲,根据相等时间内通过的路程判断小球的运动状态;
(2)根据v=st算出BC段和AC段的平均速度;
(3)根据小车的运动情况判断出小球的运动图象;
(4)根据小球做匀加速运动分析经过经过12tAB和AB中点速度的大小,从而得到速度关系。
本题是测量平均速度的实验,考查了速度大小的判断、平均速度的理解以及计算、对匀加速运动的图象的认识等,属于一道中等题。
39.【答案】③ 速度 多 滑行的距离越长 阻力(或摩擦力) 在木板上铺设玻璃板(或毛巾)
【解析】解:(1)为探究小车动能与质量的关系,应让两质量不相同小车分别从同一斜面同高度由静止滑下,小车的质量不同,初速度相同,所以可探究动能与小车的质量的关系;应选场景①和③。
选用场景③和④进行实验时,控制了两小车的质量相同,初速度不同,所以可探究动能与小车的速度的关系。
(2)在实验中,小车动能越大,发生碰撞时对木块所做的功就越多,木块被碰撞后在木板上滑行的距离越长。
(3)若将场景①和②中的木块均移走,完全相同的两小车到达水平面时初速度相同,水平面的粗糙程度不同,小车的滑行距离不同,据此场景可以探究摩擦力对物体运动的影响。
为提高实验结论的准确性,应改变水平面的粗糙程度进行重复实验,得到普遍性规律,还需再增加一次实验;为此,在场景①的基础上,所作的调整是:在木板上铺设玻璃板(或毛巾)。
故答案为:(1)③;速度;(2)多;滑行的距离越长;(3)阻力(摩擦力);在木板上铺设玻璃板(或毛巾)。
(1)动能大小与物体的质量和速度有关,在探究过程中应用控制变量法,并通过小车推动木块做的功来反映动能的大小。
(2)若一个物体能够对外做功,我们就说该物体具有能量,在实验中我们一般将物体具有能量的多少转化为其能对外做功的多少,故此实验把物体具有动能的大小转换为木块被撞击后滑动的距离,距离越远表明小车的动能越大,运用了转换法。
(3)探究“阻力对物体运动的影响”的实验中,平面越光滑,小球运动的距离越长,说明小球受到的阻力越小,速度减小得越慢;为提高实验结论的准确性,应选择不同水平面材料进行实验。
本题将“阻力对物体运动的影响”、“影响动能大小的因素”两个实验相结合,考查了学生分析实验现象的能力以及严谨的科学观,这就要求我们在平常的试验中多注意分析实验的方法。
40.【答案】小桌进入细沙的深度 做功 使金属球在小桌中心的正上方
【解析】解:(1)金属球质量一定时,金属球所处的位置越高,金属球的重力势能越大,金属球下落到小桌时动能越多,金属球对小桌做功越多,小桌进入细沙的深度越深。
(2)探究重力势能和高度的关系,保持物体的质量不变,改变物体的高度,表格中要记录物体不同的高度;
观察小桌进入细沙的深度,需要记录;
为了使实验结论具有普遍性,要进行多次实验。
由实验现象得到的实验结论也要记录,表格如下:
实验次数
金属球高度h/cm
小桌进入细沙的深度h’/cm
重力势能和高度关系
1
2
3
(3)为了防止小桌撞翻,使金属球在小桌中心的正上方,由静止自由释放,观察小桌进入细沙的深度。
故答案为:(1)小桌进入细沙的深度;做功;(2)如上表;(3)使金属球在小桌中心的正上方。
(1)金属球对小桌做功越多,金属球推动小桌进入细沙的深度越深,说明金属球的重力势能越大。
(2)重力势能跟质量和高度有关,实验要探究重力势能和高度的关系,保持物体的质量不变,改变物体的高度,表格中要记录物体不同的高度,还有记录观察到的现象,以及得到的结论。
(3)为了防止小桌撞翻,使金属球在小桌中心的正上方,由静止自由释放。
对于设计习题,是学生最难突破的,一般表格设计要要实验次数、测量量、计算量或实验结论等,一定要加强练习。
41.【答案】凸透镜 同一深度,液体向各个方向的压强相等 没有控制液体在同一深度 ρ水g(V2−V0) V2−V1V3−V1×ρ水
【解析】解:
(1)物体放在凸透镜的焦点内时,物体通过凸透镜成正立、放大的虚像,探头插入水中后,发现探头看上去变大了,这是因为容器和水的共同作用相当于凸透镜,起到了放大的作用;
(2)由A、B、C三个图可知,压强计的探头插入水中的深度相同,朝向不同,U形管液面的高度差相同,故可以得出的结论:同种液体的内部,在同一深度,液体向各个方向的压强相等;
(3)探究液体压强和液体密度的关系时,要保持液体的深度相同,换用不同的液体做实验,C、D两图中没有控制液体在同一深度,故不能得出正确的结论;
(4)将小瓶放入量筒内,小瓶漂浮在水面上,小瓶受到的浮力等于小瓶的重力,即G瓶=F浮,由阿基米德原理,F浮=ρ水gV排=ρ水g(V1−V0),
故G 瓶=ρ水gV排=ρ水g(V1−V0)-----Ⅰ,
矿石放入小瓶中,再将小瓶放入量筒内,小瓶仍漂浮在水面上,则小瓶和矿石受到的浮力等于它们的总重力,即F浮′=G瓶+G石=ρ水g(V2−V0)-----Ⅱ,
故矿石的重力:G石=F浮′−G瓶-----Ⅲ,
Ⅰ、Ⅱ代入Ⅲ得:
G石=ρ水g(V2−V1),
矿石的体积为:V=V3−V1,
矿石的密度为:
ρ石=G石gV石=ρ水g(V2−V1)g(V3−V1)=V2−V1V3−V1×ρ水。
故答案为:(1)凸透镜;(2)同一深度,液体向各个方向的压强相等; (3)没有控制液体在同一深度;(4)ρ水g(V2−V0);V2−V1V3−V1×ρ水。
(1)容器和水的共同作用相当于凸透镜,物体放在凸透镜的焦点内时,物体通过凸透镜成正立、放大的虚像;
(2)液体内部压强的大小是通过液体压强计U形管两边液面的高度差来判断的,高度差越大说明此时的液体压强越大,采用了转换法;
分析实验中相同因素和不同因素,得出压强与变化因素的关系;
(3)液体压强与液体的深度和密度有关,研究与其中一个因素的关系时,要控制另外一个因素不变;
(4)根据①②,由漂浮的特点和阿基米德原理得出瓶子的重力;
根据③①,根据漂浮的特点和阿基米德原理得出小瓶和矿石受到的浮力,即等于它们的总重力,从而得出矿石的重力;由②④得出矿石的体积,根据ρ石=G石gV石求出矿石的密度。
本题探究影响液体压强大小的因素,考查凸透镜成像规律、转换法、控制变量法及漂浮的特点和阿基米德原理与密度公式的运用,综合性较强。
42.【答案】调节平衡螺母前未将游码移至称量标尺左端的“0”刻度线上 82.6 1.5×103
【解析】解:
(1)天平使用前,将游码移至称量标尺左端的“0”刻度线上,再调节平衡螺母使天平横梁水平平衡。所以图甲所示,小红操作中不规范之处是调节平衡螺母前未将游码移至称量标尺左端的“0”刻度线上;
(2)由图乙可知,称量标尺的分度值为0.2g,容器和剩余液体的质量为50g+20g+10g+2.6g=82.6g;
由图丙可知,当量筒内液体体积为10mL时,容器和剩余液体的质量为80g;当量筒内液体体积为30mL时,容器和剩余液体的质量为50g。由此可得,倒出质量△m=80g−50g=30g的液体的体积为△V=30mL−10mL=20mL=20cm3,
液体密度:
ρ=△m△V=30g20cm3 =1.5g/cm3 =1.5×103kg/m3。
故答案为:(1)调节平衡螺母前未将游码移至称量标尺左端的“0”刻度线上;(2)82.6;1.5×103。
(1)托盘天平在实验前,要调节天平横梁水平平衡,具体方法:①将天平放在水平台上,②游码拨零,③调节平衡螺母(左偏右调、右盘左调)使天平横梁水平平衡。
(2)先确定称量标尺的分度值,再读出游码显示的质量(以游码左边缘所对刻度为准),容器和剩余液体的质量等于砝码质量与游码显示质量之和;
由图丙可知,当量筒内液体体积为10mL时,容器和剩余液体的质量为80g;当量筒内液体体积为30mL时,容器和剩余液体的质量为50g。由此可得,倒出质量为80g−50g=30g的液体的体积为30mL−10mL=20mL,利用密度公式求液体的密度。
本题考查了托盘天平的使用注意事项、读数方法以及密度的测量方法,分析m−V图象、得出相关信息是关键。
43.【答案】匀速直线 30 1m/s2
【解析】解:
(1)由图甲可知,在相同的时间内甲车通过的路程相同,因此甲车做匀速直线运动;
0~30s内甲车通过的路程为s甲=900m,所用的t甲=30s,所以甲车的速度:v甲=s甲t甲=900m30s=30m/s;
(2)因为汽车10s末、20s末、30s末、40s末的速度分别为10m/s、20m/s、30m/s、40m/s,
所以单位时间内速度的变化量为:a=△v△t=20m/s−10m/s10s=1m/s2。
故答案为:匀速直线;30;1m/s2。
(1)分析甲车在相等时间内通过路程的关系得出甲车的运动状态;根据速度公式v=st计算出甲车的速度;
(2)已知汽车10s末、20s末、30s末、40s末的速度分别为10m/s、20m/s、30m/s、40m/s,算出单位时间内速度的变化量。
本题考查了物体运动状态的判断,平均速度公式和加速度的计算,在计算过程中注意时间和路程的统一。
44.【答案】0.2 等效替代法 5 是
【解析】解:(1)由图可知,测力计的量程为0~10N,分度值为0.2N;
(2)实验中,F的作用效果F1、F2共同作用的效果相同,即F为F1和F2的合力,该实验方法为等效替代法;
(3)由图可知,弹簧测力计分度值为0.2N,示数为5N;由图可知,F3、F4的合力的作用效果与F′的力的作用效果相同,所以F′是F3、F4的合力。
故答案为:(1)0.2;(2)等效替代法;(3)5;是。
(1)根据甲图中弹簧测力计的表盘确定其分度值的大小;
(2)本实验中两个力合力与一个力效果相同,因此采用的“等效替代法”;
(3)根据弹簧测力计的分度值读数;根据等效替代法分析。
本题考查了弹簧测力计的读数、等效替代法的应用,属于基础知识,要掌握该实验方法。
45.【答案】刻度尺 小 0.3
【解析】解:(1)“测平均速度”的实验原理为v=st,实验中需要用停表测量时间,用刻度尺测量路程;
(2)实验时为了便于计时,需使小车在下滑的过程中速度慢些,因此应使斜面的坡度较小些;
(3)通过这段路程的平均速度为:
v=st=0.9m3s=0.3m/s。
故答案为:(1)刻度尺;(2)小;(3)0.3。
(1)“测平均速度”的实验原理:v=st,实验中需要用停表测量时间,用刻度尺测量路程;
(2)若要计时方便,应让下车下滑速度慢些,运动的时间长些;
(3)用公式v=st计算平均速度。
“测小车的平均速度”的实验,一定学会读出路程和时间,按平均速度的定义代入v=st出平均速度,计算过程中注意路程和时间的统一。
46.【答案】A 正 甲
【解析】解:(1)由图知,用A方案,无需匀速拉动木板,当弹簧测力计的示数稳定后,滑块相对于地面是静止的,此时弹簧测力计的示数,等于木板对对木块的摩擦力。用B方案,需匀速拉动滑块,再实际操作中很难做到匀速拉动。
故选A。
(2)①由F−FN图象可知:在接触面一定的情况下,当压力增大时,滑动摩擦力增大,故滑动摩擦力与压力成正比。
②由F−FN图象可知,当压力一定时,接触面粗糙程度越大,滑动摩擦力越大,故在压力一定时,甲受到的摩擦力更大,则甲的接触面更粗糙。
故答案为:(1)A;(2)正;甲。
(1)在测量摩擦力大小时,需匀速直线拉动木块,而此操作很难控制。
(2)滑动摩擦力跟压力大小和接触面粗糙程度有关。探究滑动摩擦力跟压力大小关系时,控制接触面粗糙程度不变;探究滑动摩擦力跟接触面粗糙程度关系时,控制压力大小不变,分析图象解答。
掌握滑动摩擦力大小的影响因素,利用控制变量法探究滑动摩擦力大小的影响因素。
47.【答案】20 0.8×103 5.6
【解析】解:
(1)由图甲知,量杯的分度值为1mL,此时量杯浸没在水中的体积为20mL,即量杯排开水的体积为20mL。
(2)由图乙知,将该装置放入某液体中,静止时量杯浸没在液体中的体积为25mL,即量杯排开液体的体积为25mL.量杯在水和液体中均处于漂浮状态,浮力都等于重力,F浮水=F浮液,即ρ水gV排水=ρ液gV排液,ρ水V排水=ρ液V排液,
液体的密度为:ρ液=V排水V排液ρ水=20mL25mL×1.0×103kg/m3=0.8×103kg/m3,
(3)某同学将一小石子放入量杯,静止时如图丙所示,量杯排开液体中的体积为32mL,量杯所受浮力增加量即为小石子重力,即
G石=△F浮=ρ液g△V排液=0.8×103kg/m3×10N/kg×(32−25)×10−6m3=0.056N;
小石子的质量为:m=G石g=0.056N10N/kg=0.0056kg=5.6g。
故答案为:(1)20;(2)0.8×103;(3)5.6。
(1)根据量筒的分度值读数;
(2)物体漂浮时,浮力等于重力;量筒在水中和液体中都处于漂浮状态,浮力相同,根据量筒排开的水和液体的体积,利用阿基米德原理求出液体密度的大小;
(3)物体漂浮时浮力等于重力;将石子放入量筒后,石子的重力等于其排开的液体受到的重力。
本题考查了阿基米德原理的应用、物体的浮沉条件,利用好物体的浮沉条件是解答本题的关键。
48.【答案】同一 速度 远 永远运动下去 伽利略 声音传播条件的实验 转换 不同高度
【解析】解:(1)实验中每次都使同一辆小车从斜面的同一高度由静止自由滑下,目的是使小车到达水平面时具有相同的速度;
(2)按照图甲、乙、丙的顺序实验时记录的内容如表:
毛巾、棉布、木板粗糙程度变小,分析表中内容,得到的实验结论是:在其他条件相同时,小车受到的摩擦力越小,运动的距离越远;进一步推理出的结论是:运动的小车不受阻力作用时,将永远运动下去;早在300多年前,意大利物理学家伽利略就通过实验和科学推理的方法研究过“力和运动的关系”。本实验所运用的实验和科学推理的方法还可用于研究真空不能传声;
(3)上述实验中,除用到实验推理的方法外,因通过小车通过的距离长短表示阻力的大小,还用到了控制变量法和转换法。
(4)实验中若再添加一小木块,就可用图丙装置来探究“动能与速度的关系”。具体的操作是让同一小车从斜面的不同高度由静止自由滑下(到达水平面时的初速度不同),去撞击置于木板表面相同位置的木块并进行比较。
故答案为:(1)同一;速度;(2)远;永远运动下去;伽利略;声音传播条件的实验;(3)转换;(4)不同高度。
(1)根据控制变量法,实验中每次都使同一辆小车从斜面的同一高度由静止自由滑下,目的是使小车到达水平面时具有相同的速度;
(2)毛巾、棉布、木板粗糙程度变小,同一小车在粗糙程度越小的材料表面运动时受到的力越小,分析表中内容得到结论;
据此得出推理出的结论;
意大利物理学家伽利略就通过实验和科学推理的方法研究过“力和运动的关系”。在实验的基础下推理想象得出结论,研究声音传播条件的实验也用到这种方法;
(3)通过小车通过的距离长短表示阻力的大小,还用到了转换法;
(4)根据转换法,小车动能的大小是通过推动木块运动的距离大小来表示的,木块运动的距离越长,小球对外做功越多,动能越大;动能大小与物体的质量和速度有关,研究动能与速度的关系,控制质量相同,只改变速度大小(从不同高度由静止下滑)。
本题探究阻力对物体运动的影响实验,考查控制变量法、转换法、推理法的运用和数据分析,同时也考查了动能与速度的关系实验。
49.【答案】匀速 0.6 0.075 62.5% 大 无关 B
【解析】解:
(1)实验过程中,应缓慢拉动弹簧测力计,使钩码竖直向上做匀速运动。测力计分度值为0.1N,第1次实验时,弹簧测力计示数如图所示,为0.6N;
(2)第2次实验时所做的有用功为:
W有用2=G2h2=1.5N×0.05m=0.075J;
第2次做的总功:W总2=F2s2=0.8N×0.15m=0.12J;
滑轮组的机械效率是:
η=W有用2W总2=0.075J0.12J×100%=62.5%;
(3)分析1、2、3次实验的数据可知,使用同一滑轮组提升重物时,重物重力越,滑轮组的机械效率越高;
分析3、4次实验的数据可知,滑轮组的机械效率与钩码上升的高度无关;
(4)A.增大绳重,增大了额外功,有用功与总功的比值变小,机械效率变小;
B.减轻动滑轮重,减小了额外功,有用功与总功的比值变大,机械效率大;
C.由(3)知,滑轮组的机械效率与钩码上升的高度无关,根据v=st,机械效率与物体提升的速度无关,
故选B。
故答案为:(1)匀速;0.6;(2)0.075;62.5%;(3)大;无关;(4)B。
(1)实验过程中,应缓慢拉动弹簧测力计,使钩码竖直向上做匀速运动,此时系统处于平衡状态,测力计示数等于拉力大小;根据拉力计分度值得出弹簧测力计示数;
(2)根据W有用2=G2h2得出第2次实验时所做的有用功,
根据W总2=F2s2得出第2次做的总功,根据η=W有用2W总2×100%求出滑轮组的机械效率;
(3)分析1、2、3次实验的数据得出结论;
分析3、4次实验的数据可知得出滑轮组的机械效率与钩码上升的高度的关系;
(4)A.增大绳重,增大了额外功,据此分析;
B.减轻动滑轮重,减小了额外功,据此分析;
C.由(3)知,滑轮组的机械效率与钩码上升的高度无关,根据v=st分析。
本题测量滑轮组的机械效率,考查注意事项、测力计读数、功和机械效率的计算、数据分析及影响机械效率大小的因素。
50.【答案】39 5×10−6 7.8×103 偏小
【解析】解:(1)由图甲知,左侧力臂为20cm,右侧力臂为15cm,根据杠杆的平衡条件:
m左g⋅L左=m右g⋅L右
即:m左×10N/kg×20cm=52g×10N/kg×15cm
解得:m左=39g;
(2)由图乙知,水的体积为25ml,水和金属块的总体积为30ml,所以金属块的体积为:
V=30cm3−25cm3=5cm3=5×10−6m3;
(3)物体的密度为:
ρ=mV=39×10−3kg5×10−6m3=7.8×103kg/m3。
(4)先进行图丙所示操作,再进行图乙所示操作,将金属块从水中拿出时,由于上面会沾有水,会使得金属块的体积测量偏大,根据ρ=mV可知,密度测量偏小。
故答案为:(1)39;(2)5×10−6;(3)7.8×103;(4)偏小。
(1)根据杠杆的平衡条件:F1L1=F2L2进行解答;
(2)分别读出水和金属块的总体积、水的体积,二者之差便为金属块的体积;
(3)根据ρ=mV计算金属块的密度;
(4)当将金属块从水中拿出时,上面会沾有水,根据实际情况分析测量体积误差,从而可判断密度的测量误差。
本题是测量金属块密度的实验,综合考查了杠杆和天平的应用、体积的测量及密度的计算,同时考查了对实验过程中误差的分析,综合性较强。
相关试卷
这是一份初中物理中考复习 2020全国物理中考题分类汇编20—《力学作图》,共25页。
这是一份2020全国物理中考题分类汇编25—《电学实验》(含解析),共90页。试卷主要包含了、开关、导线若干,小组同学探究“欧姆定律”等内容,欢迎下载使用。
这是一份2020全国物理中考题分类汇编5—《质量与密度》(含解析),共31页。试卷主要包含了一个鸡蛋的质量约为,下列说法中与实际相符的是,下列测量方案中,最合理的是等内容,欢迎下载使用。

