专题7.4 类(广义)碰撞问题-2021年高考物理一轮复习考点扫描学案
展开目录
TOC \ "1-3" \h \u \l "_Tc26788" 【考点扫描】 PAGEREF _Tc26788 1
\l "_Tc16917" 1. 子弹打木块 PAGEREF _Tc16917 1
\l "_Tc13040" 2. 板块模型 PAGEREF _Tc13040 1
\l "_Tc23110" 3. 弹簧模型 PAGEREF _Tc23110 2
\l "_Tc25151" 4. 弧形槽模型 PAGEREF _Tc25151 2
\l "_Tc19797" 【典例分析】 PAGEREF _Tc19797 2
\l "_Tc19521" 【专题精练】 PAGEREF _Tc19521 6
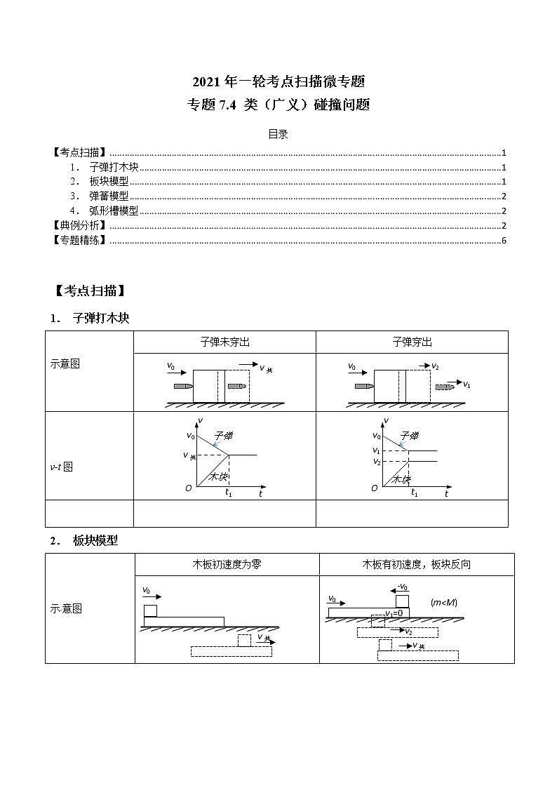
【考点扫描】
1. 子弹打木块
2. 板块模型
3. 弹簧模型
4. 弧形槽模型
5. 摆球模型
【典例分析】
【例1】(2020·河南天一大联考)如图所示,质量为M的长木块放在水平面上,子弹沿水平方向射入木块并留在其中,测出木块在水平面上滑行的距离为s.已知木块与水平面间的动摩擦因数为μ,子弹的质量为m,重力加速度为g,空气阻力可忽略不计,则由此可得子弹射入木块前的速度大小为( )
A.eq \f(m+M,m)eq \r(2μgs) B.eq \f(M-m,m)eq \r(2μgs) C.eq \f(m,m+M)eq \r(μgs) D.eq \f(m,M-m)eq \r(μgs)
【例2】(2020·山东日照市3月模拟)A、B两小球静止在光滑水平面上,用水平轻弹簧相连接,A、B两球的质量分别为m和M(m
【例3】(2020·甘肃天水市调研)如图所示,在水平面上依次放置小物块A、C以及曲面劈B,其中A与C的质量相等均为m,曲面劈B的质量M=3m,曲面劈B的曲面下端与水平面相切,且曲面劈B足够高,各接触面均光滑.现让小物块C以水平速度v0向右运动,与A发生碰撞,碰撞后两个小物块粘在一起滑上曲面劈B.求:
(1)碰撞过程中系统损失的机械能;
(2)碰后物块A与C在曲面劈B上能够达到的最大高度.
【例4】(2020·黄山模拟)如图所示,质量m1=4.0 kg的小车静止在光滑的水平面上,车长L=1.5 m,现有质量m2=1.0 kg可视为质点的物块,以水平向右的速度v0=5 m/s从左端滑上小车,最后在车面上某处与小车保持相对静止。物块与车面间的动摩擦因数μ=0.5,g取10 m/s2。求:
(1)物块在车面上滑行的时间t;
(2)要使物块不从小车右端滑出,物块滑上小车左端的速度v′0不超过多少。
【规律总结】“滑块——木板”模型的三大特点
(1)当滑块和木板的速度相等时木板的速度最大,两者的相对位移取得极值。
(2)系统的动量守恒,但系统的机械能不守恒,摩擦力与两者相对位移的乘积等于系统机械能的减少量,当两者的速度相等时,系统机械能损失最大。
(3)解决该类问题,既可以从动量、能量两方面解题,也可以从力和运动的角度借助图象求解。
【例5】(2020·江西上饶三模)如图所示,质量为3 kg的小车A以v0=4 m/s的速度沿光滑水平面匀速运动,小车左端固定的支架通过不可伸长的轻绳悬挂质量为1 kg的小球B(可看做质点),小球距离车面高h=0.8 m。某一时刻,小车与静止在水平面上的质量为1 kg的物块C发生碰撞并黏连在一起(碰撞时间可忽略),此时轻绳突然断裂。此后,小球刚好落入小车右端固定的沙桶中(小桶的尺寸可忽略),不计空气阻力,取重力加速度g=10 m/s2。求:
(1)绳未断前小球与沙桶的水平距离;
(2)从初始状态到小球落入沙桶与桶相对静止,整个A、B、C系统损失的机械能ΔE。
【专题精练】
1.(2020·陕西榆林市第三次测试)如图甲所示,物块A、B的质量分别是mA=4.0 kg和mB=3.0 kg,两物块之间用轻弹簧拴接,放在光滑的水平地面上,物块B右侧与竖直墙壁相接触,另有一物块C从t=0时,以一定速度向右运动.在t=4 s时与物块A相碰,并立即与A粘在一起不再分开,物块C的v-t图象如图乙所示,墙壁对物块B的弹力在4 s到12 s的时间内对B的冲量I的大小为( )
A.9 N· s B.18 N· s C.36 N· s D.72 N· s
2.如图所示,子弹水平射入放在光滑水平地面上静止木块,子弹未穿透木块,此过程木块的动能增加了6 J,那么此过程产生的内能可能为( )
A.16 J B.2 J C.6 J D.4 J
3.(2019·陕西汉中中学月考)如图所示,质量为M、长为L的长木板放在光滑水平面上,一个质量也为M的物块(可视为质点)以一定的初速度从左端冲上木板,如果长木板是固定的,物块恰好停在木板的右端,如果长木板不固定,则物块冲上木板后在木板上滑行的距离为( )
A.L B.eq \f(3L,4) C.eq \f(L,2) D.eq \f(L,4)
4.(2020·江苏苏北三市模拟)光滑水平地面上有一静止的木块,子弹水平射入木块后未穿出,子弹和木块的v-t 图象如图所示.已知木块质量大于子弹质量,从子弹射入木块到达稳定状态,木块动能增加了50 J,则此过程产生的内能可能是( )
A.10 J B.50 J C.70 J D.120 J
5.(2020·河南名校联盟)如图所示,小木块A用细线吊在O点,此刻小物块的重力势能为零.一颗子弹以一定的水平速度射入木块A中,并立即与A有共同的速度,然后一起摆动到最大摆角α.如果保持子弹质量和入射的速度大小不变,而使小木块的质量稍微增大,关于最大摆角α、子弹的初动能与木块和子弹一起达到最大摆角时的机械能之差ΔE,有( )
A.α角增大,ΔE也增大 B.α角增大,ΔE也减小
C.α角减小,ΔE也增大 D.α角减小,ΔE也减小
6.(2020·河北石家庄检测)矩形滑块由不同材料的上、下两层黏合在一起组成,将其放在光滑的水平面上,质量为m的子弹以速度v水平射向滑块.若射击下层,子弹刚好不射出;若射击上层,则子弹刚好能射穿一半厚度,如图所示.则上述两种情况相比较( )
A.子弹的末速度大小相等 B.系统产生的热量一样多
C.子弹对滑块做的功不相同 D.子弹和滑块间的水平作用力一样大
7.(2020·山东淄博模拟)如图所示,一个质量为M的木箱静止在光滑水平面上,木箱内粗糙的底板上放着一个质量为m=2M的小物块.现使木箱瞬间获得一个水平向左、大小为v0的初速度,下列说法正确的是( )
A.最终小物块和木箱都将静止
B.最终小物块和木箱组成的系统损失的机械能为 eq \f(Mveq \\al(2,0),3)
C.木箱速度水平向左、大小为 eq \f(v0,2)时,小物块的速度大小为 eq \f(v0,4)
D.木箱速度水平向右、大小为 eq \f(v0,3)时,小物块的速度大小为 eq \f(2v0,3)
8.如图所示,小球B与一轻质弹簧相连,并静止在足够长的光滑水平面上,小球A以某一速度与轻质弹簧正碰.小球A与弹簧分开后,小球B的速度为v,求:
(1)当两个小球与弹簧组成的系统动能最小时,小球B的速度的大小;
(2)若小球B的质量m2已知,在小球A与弹簧相互作用的整个过程中,小球A受到弹簧作用力的冲量.
9.如图所示,光滑水平面上,一半圆形槽B中间放一光滑小球A(可看成质点),A、B质量均为2 kg.A、B共同以v0=6 m/s的速度向右运动,质量为4 kg 的物体C静止在前方.B与C碰撞后黏合在一起运动,求:
(1)B、C碰撞后瞬间的速度大小;
(2)在以后的运动过程中,A速度等于零时重力势能的增加量.
10.如图所示,在固定的光滑水平杆(杆足够长)上,套有一个质量为m=0.5 kg 的光滑金属圆环,轻绳一端拴在环上,另一端系着一个质量为M=1.98 kg的木块.现有一质量为m0=20 g的子弹以v0=100 m/s的水平速度射入木块并留在木块中(不计空气阻力和子弹与木块作用的时间,g=10 m/s2).求:
(1)圆环、木块和子弹这个系统损失的机械能;
(2)木块所能达到的最大高度.
11.(2020·河南九师联盟质检)如图所示,在光滑水平面上有B、C两个木板,B的上表面光滑,C的上表面粗糙,B上有一个可视为质点的物块A,A、B、C的质量分别为3m、2m、m.A、B以相同的初速度v向右运动,C以速度v向左运动.B、C的上表面等高,二者发生完全非弹性碰撞但并不粘连,碰撞时间很短.A滑上C后恰好能到达C的中间位置,C的长度为L,不计空气阻力.求:
(1)木板C的最终速度大小;
(2)木板C与物块A之间的摩擦力Ff大小;
(3)物块A滑上木板C之后,在木板C上做减速运动的时间t.
12.(2020·潍坊二模)如图所示,一质量M=4 kg的小车静置于光滑水平地面上,左侧用固定在地面上的销钉挡住。小车上表面由光滑圆弧轨道BC和水平粗糙轨道CD组成,BC与CD相切于C,BC所对圆心角θ=37°,CD长L=3 m。质量m=1 kg的小物块从某一高度处的A点以v0=4 m/s的速度水平抛出,恰好沿切线方向自B点进入圆弧轨道,滑到D点时刚好与小车达到共同速度v=1.2 m/s。取g=10 m/s2,sin 37°=0.6,忽略空气阻力。
(1)求A、B间的水平距离x;
(2)求小物块从C滑到D所用时间t0;
(3)若在小物块抛出时拔掉销钉,求小车向左运动到最大位移时滑块离小车左端的水平距离。
13.(2020·湖北荆、荆、襄、宜四地七校联考)在光滑水平地面上放有一质量M=1 kg带光滑圆弧形槽的小车,质量为m=2 kg的小球以速度v0=3 m/s沿水平槽口滑上圆弧形槽,槽口距地面的高度h=0.8 m,重力加速度g=10 m/s2,不计空气阻力。求:
(1)小球从槽口开始运动到滑到最高点(未离开圆弧形槽)的过程中,小球对小车做的功W;
(2)小球落地瞬间,小车右端与小球间的水平间距L。
示意图
子弹未穿出
子弹穿出
v0
v共
v0
v2
v1
v-t图
t
O
v
v0
t1
木块
子弹
v共
t
O
v
v0
t1
木块
子弹
v1
v2
示意图
木板初速度为零
木板有初速度,板块反向
v0
v共
v0
v共
-v0
v1=0
v2
(m
t
O
v
v0
t1
木板
木块
v共
t
O
v
v0
t1
木块
木板
v共
-v0
未冲出弧形槽
冲出弧形槽
v0
v共
v1
v2
hm
v0
v共
vy
vy
hm
v共
v1
v2
v0
v0
v=0
v=0
hm
v共
v共
v共
v共
v1
v2
专题8.5 电场中的图像问题-2021年高考物理一轮复习考点扫描学案: 这是一份专题8.5 电场中的图像问题-2021年高考物理一轮复习考点扫描学案,文件包含专题85电场中的图像问题解析版docx、专题85电场中的图像问题原卷版docx等2份学案配套教学资源,其中学案共19页, 欢迎下载使用。
专题7.6 爆炸及广义爆炸、反冲和人船模型-2021年高考物理一轮复习考点扫描学案: 这是一份专题7.6 爆炸及广义爆炸、反冲和人船模型-2021年高考物理一轮复习考点扫描学案,文件包含专题76爆炸及广义爆炸反冲和人船模型解析版docx、专题76爆炸及广义爆炸反冲和人船模型原卷版docx等2份学案配套教学资源,其中学案共18页, 欢迎下载使用。
专题7.5 碰撞中的多过程问题-2021年高考物理一轮复习考点扫描学案: 这是一份专题7.5 碰撞中的多过程问题-2021年高考物理一轮复习考点扫描学案,文件包含专题75碰撞中的多过程问题解析版docx、专题75碰撞中的多过程问题原卷版docx等2份学案配套教学资源,其中学案共21页, 欢迎下载使用。

