高考物理一轮复习课时练03《误差有效数字实验:研究匀变速直线运动》(含解析)
展开小题狂练③ 小题是基础 练小题 提分快
1.[广州调研](1)某同学用电磁打点计时器测匀变速直线运动的加速度,电磁打点计时器的工作电源为________.
A.220 V的交流电
B.6 V以下的交流电
C.220 V的直流电
D.6 V以下的直流电
(2)实验中打点计时器每隔0.02 s打一个点,打出的纸带如图所示,则可大致判断小车做________(选填“匀速”或“匀变速”)直线运动,这是因为______________;计算小车的加速度大小a=________m/s2(保留两位有效数字).
答案:(1)B (2)匀变速 两个连续相等的时间间隔内的位移之差恒定 0.30
解析:(1)电磁打点计时器的工作电源为6 V以下的交流电,选项B正确.(2)根据打出的纸带中两个连续相等的时间间隔内的位移之差恒定,可大致判断小车做匀变速直线运动.利用Δx=aT2,T=5×0.02 s=0.1 s,可得小车的加速度大小a=0.30 m/s2.
2.[湖南省衡阳模拟]在研究匀变速直线运动中,某同学用一端装有定滑轮的长木板、小车、打点计时器(频率为50 Hz)、钩码、纸带、细线组成如图甲所示的装置,用钩码拉动小车,使其做匀变速直线运动,得到如图乙所示的一条纸带,纸带中相邻两个计数点之间有四个点未标出.
(1)某同学操作实验步骤如下,有错误或不需要的步骤是________(填写字母).
A.将打点计时器固定在长木板上,并连接好电路
B.将纸带固定在小车尾部,并穿过打点计时器的限位孔
C.适当抬高长木板的左端,在不挂钩码的情况下,轻推小车,小车能匀速运动
D.把一条细线拴在小车上,细线跨过定滑轮,下面吊着适当重的钩码
E.将小车移至靠近打点计时器处
F.先释放纸带,再接通打点计时器
(2)用毫米刻度尺测量得到图乙中A点与其他计数点间的距离为:AB=3.00 cm、AC=10.16 cm、AD=21.48 cm、AE=36.95 cm,则打下D点时小车的速度大小为________ m/s;小车的加速度为________ m/s2.(结果保留三位有效数字)
答案:(1)CF (2)1.34 4.16
解析:(1)其中不需要的步骤是C,本实验研究的是匀变速直线运动,是否存在摩擦阻力,对实验没有影响,只要加速度恒定即可;错误的是F,实验时,不能先释放纸带,再接通打点计时器,由于小车运动较快,可能会使打出来的点很少,不利于数据的采集和处理,所以应该先接通电源,再释放纸带.(2)由于打点计时器打点的时间间隔为0.02 s,相邻两个计数点之间还有四个点未标出,所以相邻两个计数点之间的时间间隔为0.1 s.根据匀变速直线运动中中间时刻的速度等于该过程的平均速度,可以求出打下D点时小车的瞬时速度大小:vD=eq \f(xCE,2T)=eq \f(36.95-10.16,2×0.1)×10-2 m/s=1.34 m/s,根据匀变速直线运动的推论公式Δx=aT2,可以求出加速度的大小,解得:a=eq \f(xCE-xAC,4T2)=eq \f(36.95-10.16-10.16,4×0.1×0.1)×10-2 m/s2=4.16 m/s2.
3.[安徽省宿州市时村中学模拟]某同学在“用打点计时器测速度”的实验中,用打点计时器记录了被小车拖动的纸带的运动情况,在纸带上确定出0、1、2、3、4、5、6共7个计数点,每相邻两个计数点之间还有四个点没标出,其部分两点间的距离如图所示,完成下列问题.
(1)电火花计时器的工作电源是________(填“交流电”或“直流电”),电源电压是________V.
(2)关于打点计时器的时间间隔,下列是四位同学各自发表的看法,其中正确的是________.
A.电源电压越高,每打两个点的时间间隔就越短
B.纸带速度越大,每打两个点的时间间隔就越短
C.打点计时器连续打两个点的时间间隔由电源的频率决定
D.如果电源为直流电源,打点计时器连续打两个点的时间间隔保持不变
(3)计算出打下点4时小车的瞬时速度为v4=________,小车的加速度为a=________.(计算结果保留三位有效数字)
答案:(1)交流电 220 (2)C (3)0.314 m/s 0.499 m/s2
解析:(1)电火花计时器使用的是220 V的交流电.(2)打点计时器是使用交流电源的仪器,其打点周期与交流电的周期相同,与电压、速度等无关,故A、B、D错误,C正确.(3)由于每相邻两个计数点间还有4个点没有标出,所以相邻两计数点间的时间间隔T=0.1 s,根据匀变速直线运动中中间时刻的速度等于该过程的平均速度,计算出打下点4时小车的速度为v4=eq \f(0.119 5-0.056 8,2×0.1) m/s=0.314 m/s.根据逐差法可得a=eq \f(x36-x03,3T2)=eq \f(0.158 5-0.056 8-0.056 8,3×0.12) m/s2=0.499 m/s2.
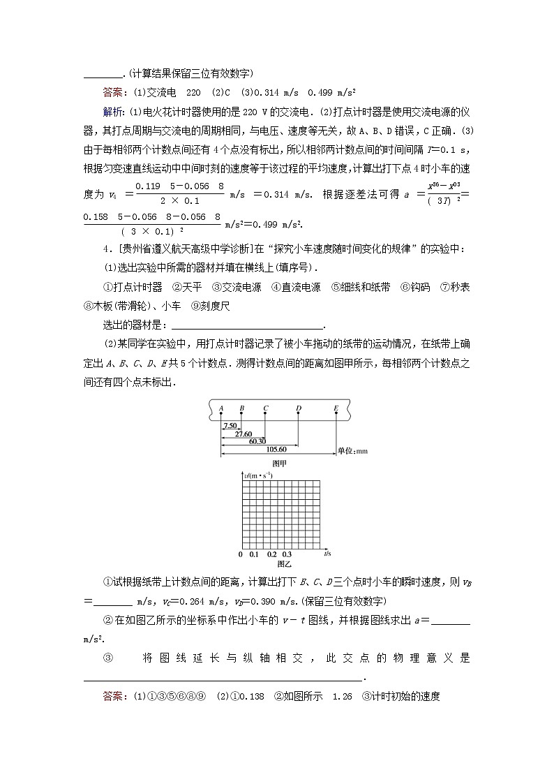
4.[贵州省遵义航天高级中学诊断]在“探究小车速度随时间变化的规律”的实验中:
(1)选出实验中所需的器材并填在横线上(填序号).
①打点计时器 ②天平 ③交流电源 ④直流电源 ⑤细线和纸带 ⑥钩码 ⑦秒表 ⑧木板(带滑轮)、小车 ⑨刻度尺
选出的器材是:_______________________________.
(2)某同学在实验中,用打点计时器记录了被小车拖动的纸带的运动情况,在纸带上确定出A、B、C、D、E共5个计数点.测得计数点间的距离如图甲所示,每相邻两个计数点之间还有四个点未标出.
①试根据纸带上计数点间的距离,计算出打下B、C、D三个点时小车的瞬时速度,则vB=________ m/s,vC=0.264 m/s,vD=0.390 m/s.(保留三位有效数字)
②在如图乙所示的坐标系中作出小车的v-t图线,并根据图线求出a=________ m/s2.
③将图线延长与纵轴相交,此交点的物理意义是_________________________________________________________.
答案:(1)①③⑤⑥⑧⑨ (2)①0.138 ②如图所示 1.26 ③计时初始的速度
解析:(1)在“探究小车速度随时间变化的规律”实验中,实验步骤为:(a)木板平放,并使滑轮伸出桌面,固定打点计时器,连接好电路;(此处所需的器材有①③⑧)(b)穿纸带,挂钩码;(此处所需的器材有⑤⑥)(c)先接通电源,然后放开小车,让小车拖着纸带运动,打完一条后立即关闭电源;(e)换纸带,加钩码,再做一次;(f)处理纸带,解出某位置的速度和运动过程的加速度.(此处所需的器材有⑨)由实验步骤可以看出需要的器材有①③⑤⑥⑧⑨.(2)①由于相邻两计数点间还有四个点未标出,所以相邻两计数点间的时间间隔T=0.1 s.根据匀变速直线运动中中间时刻的速度等于该过程中的平均速度,得:vB=eq \f(0.027 60,2×0.1) m/s=0.138 m/s.②作图时注意,尽量使描绘的点落在直线上,若不能落在直线上,尽量让其分布在直线两侧.则a=eq \f(Δv,Δt)=eq \f(0.390-0.138,0.2) m/s2=1.26 m/s2.③图线与纵轴的交点表示计时初始的速度.
5.[河南师大附中模拟]研究小车做匀变速直线运动的实验装置如图甲所示,其中斜面倾角θ可调.打点计时器的工作频率为50 Hz.纸带上计数点的间距如图乙所示,其中每相邻两点之间还有4个点迹未标出.
(1)部分实验步骤如下:
A.测量完毕,关闭电源,取出纸带
B.接通电源,待打点计时器工作稳定后放开小车
C.将小车停靠在打点计时器附近,小车尾部与纸带相连
D.把打点计时器固定在平板上,让纸带穿过限位孔
上述实验步骤的正确顺序是______________________(用字母填写).
(2)图乙中标出的相邻两计数点间的时间间隔T=___________ s.
(3)计数点5对应的瞬时速度大小的计算式为v5=_____________.
(4)为了充分利用记录的数据,减小误差,小车加速度大小的计算式应为a=________.
答案:(1)DCBA (2)0.1 (3)eq \f(s4+s5,2T)
(4)eq \f(s4+s5+s6-s1+s2+s3,9T2)
解析:(1)在实验过程中应先固定打点计时器,再放置小车,然后打开电源,待打点计时器工作稳定后再释放小车,所以正确的顺序是DCBA.(2)每隔4个点或每5个点取一个计数点时,相邻两计数点间的时间间隔T=eq \f(1,50) s×5=0.1 s.(3)根据匀变速直线运动中某段时间的平均速度等于该段时间中间时刻的瞬时速度,可得v5=eq \f(s4+s5,2T).(4)为了充分利用记录的数据,减小误差,应采用逐差法计算加速度:a=eq \f(s4+s5+s6-s1+s2+s3,9T2).
6.[广西钦州模拟]某同学测定匀变速直线运动的加速度时,得到了在不同拉力下的A、B、C、D、…几条较为理想的纸带,并在纸带上每5个点取一个计数点,即相邻两计数点间的时间间隔为0.1 s,将每条纸带上的计数点都记为0、1、2、3、4、5、…,如图所示甲、乙、丙三段纸带,分别是从三条不同纸带上撕下的.
(1)在甲、乙、丙三段纸带中,属于纸带A的是________(填“甲”、“乙”或“丙”);
(2)打纸带A时,小车的加速度大小为________ m/s2;
(3)打点计时器打计数点1时小车的速度为________ m/s(结果保留三位有效数字).
答案:(1)乙 (2)3.11 (3)0.456
解析:(1)根据匀变速直线运动的特点(相邻的等长时间间隔位移之差相等)得出:x34-x23=x23-x12=x12-x01,所以属于纸带A的是乙;(2)根据运动学公式Δx=aT2,得:a=eq \f(0.061 1-0.03,0.01) m/s2=3.11 m/s2;(3)利用匀变速直线运动的推论:v1=eq \f(0.061 1+0.03,2×0.1) m/s=0.456 m/s.
7.[广东省广州市模拟]打点计时器接在50 Hz的交流电源上时,每隔________s打一个点.做匀变速直线运动的小车拖动纸带穿过打点计时器,纸带上记录的点如图,A、B、C、D、E为5个计数点,相邻两计数点间有4个点没标出.已知纸带与A点相近的一端跟小车相连,由此可知,小车的加速度大小为________ m/s2(结果保留三位有效数字),方向与小车运动方向________(填“相同”或“相反”);打下C点时,小车的瞬时速度为________ m/s(计算结果保留三位有效数字).
答案:0.02 0.740 相反 0.472
解析:打点计时器接在50 Hz的交流电源上时,每隔0.02 s打一个点.因相邻两计数点间有4个点没标出,则T=0.1 s.已知纸带与A点相近的一端跟小车相连,由此可知,小车的加速度为a=eq \f(xDE-xAB,3T2)=eq \f(3.61-5.83×10-2,3×0.01) m/s2=-0.740 m/s2,负号说明加速度方向与小车运动方向相反;AB中间时刻的速度v1=eq \f(5.83×10-2,0.1) m/s=0.583 m/s,则打C点时,小车的瞬时速度vC=v1+a(T+0.5T)=(0.583-0.740×0.15) m/s=0.472 m/s.
8.[河北省邢台二中测试]某同学用打点计时器测量做匀加速直线运动的物体的加速度,电源频率f=50 Hz,在纸带上打出的点中,选出零点,然后每隔4个点取1个计数点,因保存不当,纸带被污染,如图所示,A、B、C、D是依次排列的4个计数点,仅能读出其中3个计数点到零点的距离:sA=16.6 mm,sB=126.5 mm,sD=624.5 mm,若无法再做实验,可由以上信息推知:
①相邻两计数点的时间间隔为________s;
②打C点时物体的速度大小为________ m/s;(保留两位有效数字)
③物体的加速度大小为________(用sA、sB、sC、sD和f表示).
答案:①0.1 ②2.5 ③eq \f(sD-3sB+2sAf2,75)
解析:①打点计时器打出的纸带每隔4个点选择一个计数点,则相邻两计数点的时间间隔为T=0.1 s;②根据匀变速直线运动中某段时间的平均速度等于该段时间中间时刻的瞬时速度得vC=eq \f(xBD,tBD)=eq \f(sD-sB,2T)=2.5 m/s;③由Δx=aT2,得:xBC=xAB+aT2,xCD=xBC+aT2=xAB+2aT2,两式相加得xBD=2xAB+3aT2,所以a=eq \f(sD-sB-2sB-sA,3T2)=eq \f(sD-3sB+2sAf2,75).
9.[广东省茂名市模拟]如图是某同学研究小球下落时的频闪照片,频闪仪每隔0.1 s闪光一次并进行拍照.照片中小球静止时在位置1,某时刻释放小球,下落中的小球各位置与位置1的距离如图中所标的数据(单位:cm).实验过程正确,但该同学发现图中数据存在以下问题:根据h=eq \f(1,2)gt2=eq \f(1,2)×9.8×0.12 m=4.90 cm,而图中标出的位置1和位置2间的距离为1.23 cm,比4.90 cm小很多,你对此问题的解释是________________.下落中小球在位置3的速度大小为________ m/s,小球做自由落体运动的加速度大小为________ m/s2.(计算结果保留三位有效数字)
答案:小球在位置2时下落的时间小于0.1 s 1.47 9.80
解析:根据h=eq \f(1,2)gt2=eq \f(1,2)×9.8×0.12 m=4.90 cm,而位置1和位置2的距离为1.23 cm,比4.90 cm小很多,由此可知,频闪仪拍位置1时,小球并没有立即开始下落,导致小球在位置2时下落的时间小于0.1 s;从上向下,给小球编号,即为1、2、3、4;那么3是2与4的中间时刻,故v3=eq \f(x24,2t),x24=(30.64-1.23) cm=29.4 cm=29.4×10-2 m,每相邻两个位置间的时间间隔t=0.1 s,代入数据得:v3=eq \f(29.4×10-2,2×0.1) m/s=1.47 m/s,设2到3间的位移为x1,3到4间的位移为x2,由匀变速直线运动的推论:Δx=at2得:x2-x1=gt2,(注意:t是发生x1或x2这个位移所用的时间)t=0.1 s,代入数据得:[(30.63-11.03)-(11.03-1.23)]×10-2(m)=g×(0.1 s)2,解得:g=9.80 m/s2.
10.[2017·全国卷Ⅰ]某探究小组为了研究小车在桌面上的直线运动,用自制“滴水计时器”计量时间.实验前,将该计时器固定在小车旁,如图(a)所示.实验时,保持桌面水平,用手轻推一下小车.在小车运动过程中,滴水计时器等时间间隔地滴下小水滴,图(b)记录了桌面上连续的6个水滴的位置.(已知滴水计时器每30 s内共滴下46个小水滴)
(1)由图(b)可知,小车在桌面上是________(填“从右向左”或“从左向右”)运动的.
(2)该小组同学根据图(b)的数据判断出小车做匀变速运动.小车运动到图(b)中A点位置时的速度大小为________ m/s,加速度大小为________ m/s2.(结果均保留2位有效数字)
答案:(1)从右向左 (2)0.19 0.037
解析:(1)由于小车在水平桌面上运动时必然受到阻力作用,做匀减速直线运动,相邻水滴(时间间隔相同)的位置间的距离逐渐减小,所以由题图(b)可知,小车在桌面上是从右向左运动的.(2)滴水计时器每30 s内共滴下46个小水滴,其滴水的时间间隔为T=eq \f(30 s,46-1)=eq \f(2,3) s.根据匀变速直线运动的规律,可得小车运动到题图(b)中A点位置时的速度大小为vA=eq \f(0.117+0.133,2T)(m/s)≈0.19 m/s.由Δx=aT2和逐差法可得,小车运动的加速度大小为a=eq \f(0.150-0.117+0.133-0.100,4T2) (m/s2)≈0.037 m/s2.
课时测评③ 综合提能力 课时练 赢高分
一、选择题
1.关于误差,下列说法中正确的是( )
A.认真测量可以避免误差
B.误差是实验中产生的错误
C.采用精密仪器,改进实验方法,可以消除误差
D.实验中产生误差是难免的,但可以想办法尽量减小误差
答案:D
解析:错误是指因仪器故障、设计错误、操作不当等造成的测量偏差,不是误差.误差是不可避免的,只能尽可能减小误差,而错误是可以避免的.
2.以千米为单位计录的某次测量结果为5.4 km,若以米为单位,记录这一结果可写为( )
A.5 400 m B.5.4×103 m
C.5.40×103 m D.5.400×103 m
答案:B
解析:测量结果5.4 km有两位有效数字,因此以米为单位记录测量结果也应该是两位有效数字,表示为5.4×103 m.
二、非选择题
3.在“测金属的电阻率”的实验中,分别用游标卡尺和螺旋测微器测出用金属材料制成的一段圆柱体的长度和横截面的直径如下图所示.则该圆柱体的长度为________mm,横截面的直径为________mm.
答案:49.10 4.702
解析:根据游标卡尺读数规则,该圆柱体的长度为49 mm+2×0.05 mm=49.10 mm,根据螺旋测微器读数规则,圆柱体横截面的直径为4.5 mm+20.2×0.01 mm=4.702 mm.
4.某同学在做“探究小车速度随时间变化的规律”的实验时,打点计时器所用电源的频率是50 Hz,在实验中得到一条点迹清晰的纸带,他把某一点记作O,再选依次相邻的6个点作为测量点,分别标以A、B、C、D、E和F,如图甲所示.
(1)如果测得C、D两点相距2.70 cm,D、E两点相距2.90 cm,则在打D点时小车的速度是________m/s.(计算保留三位有效数字)
(2)该同学分别算出打各点时小车的速度,然后根据数据在v-t坐标系中描点(如图乙所示),由此可求得小车的加速度a=________m/s2.(计算保留三位有效数字)
答案:(1)1.40 (2)5.00
解析:(1)打计数点D时小车的瞬时速度v=eq \f(CD+DE,2T)=eq \f(2.70+2.90,0.02×2)×10-2 m/s=1.40 m/s.
(2)将点连成平滑直线如图丙所示,由图象的斜率,得a=eq \f(Δv,Δt)=eq \f(1.50-1.00,10×10-2) m/s2=5.00 m/s2.
丙
5.一位同学在研究小球自由落体运动时,用频闪照相连续记录下小球的位置如图所示.已知闪光周期为eq \f(1,30) s,测得x1=7.68 cm,x3=12.00 cm,用上述数据通过计算可得小球运动的加速度约为________m/s2,图中x2为________cm.
答案:9.72 9.84
解析:由x3-x1=4aT2,代入数据解得a=9.72 m/s2.
x2-x1=2aT2,所以x2=x1+2aT2=9.84 cm.
6.光电计时器是一种研究物体运动情况的常用计时仪器,其结构如图甲所示,a、b分别是光电门的激光发射和接收装置,当有物体从a、b间通过时,光电计时器就可以精确地把物体从开始挡光到挡光结束的时间记录下来.现利用图乙所示的装置测量滑块和长木板间的动摩擦因数,图中MN是水平桌面,Q是长木板与桌面的接触点,1和2是固定在长木板上适当位置的两个光电门,与之连接的两个光电计时器没有画出,长木板顶端P点悬有一铅锤,实验时,让滑块从长木板的顶端滑下,光电门1、2各自连接的计时器显示的挡光时间分别为1.0×10-2 s和4.0×10-3 s.用精度为0.05 mm的游标卡尺测量滑块的宽度为d=1.010 cm.
(1)滑块通过光电门1时的速度v1=________m/s,滑块通过光电门2时的速度v2=________m/s(结果保留两位有效数字).
(2)由此测得的瞬时速度v1和v2只是一个近似值,它们实质上是通过光电门1和2时的________,要使瞬时速度的测量值更接近于真实值,可将________的宽度减小一些.
(3)为了计算出滑块的加速度,除了测量d、t1和t2之外,还需要测量________________________.则用这些物理量计算加速度的表达式为a=____________.
答案:(1)1.0 2.5 (2)平均速度 滑块
(3)滑块由光电门1运动至光电门2所用时间t或两光电门之间的距离x eq \f(dt1-t2,tt1t2)或eq \f(d2t\\al(2,1)-t\\al(2,2),2xt\\al(2,1)t\\al(2,2))
解析:(1)v1=eq \f(d,t1)=1.0 m/s;v2=eq \f(d,t2)=2.5 m/s.
(2)v1、v2实质上是滑块通过光电门1和2的平均速度,要使瞬时速度的测量值更接近于真实值,可将滑块的宽度减小一些.
(3)为了计算出滑块的加速度,除了测量d、t1和t2之外,还需要测量的物理量有两种方案.
方案一:测滑块由光电门1运动至光电门2所用时间t,由v2=v1+at得a=eq \f(dt1-t2,tt1t2).
方案二:测两光电门之间的距离x,由veq \\al(2,2)-veq \\al(2,1)=2ax得a=eq \f(d2t\\al(2,1)-t\\al(2,2),2xt\\al(2,1)t\\al(2,2)).
7.在“利用打点计时器测定匀变速直线运动的加速度”实验中,打点计时器接在50 Hz低压交流电源上,某同学在打出的纸带上按打点的先后顺序每5个点取一个计数点,共取了A、B、C、D、E五个计数点(整条纸带宽度相同).从A点开始在每一个计数点处将纸带剪开分成四段(分别为a、b、c、d段),将这四段纸带由短到长紧靠但不重叠地粘在xOy坐标系中,如图所示.
(1)若把每一段纸带的左上角连接起来,结果得到一条倾斜的直线,如图所示,由图可知纸带做________运动,且直线与x轴方向夹角越小,说明纸带运动的加速度________(填“越大”或“越小”).
(2)若测得a段纸带的长度为5.20 cm,c段纸带的长度为7.20 cm,则可求出加速度的大小为________m/s2.
答案:(1)匀加速直线 越小 (2)1
解析:(1)纸带剪开后,水平方向宽度相同,正好与时间对应,竖直长度为相等时间内相邻纸带的位移,由于Δx=a0T2,纸带长度差相等,Δx的变化规律恰好与速度一样.图线可看做v-t图象,即速度均匀增加,故为匀加速直线运动,若图象斜率越小,则加速度越小.(2)利用Δx=a0T2,即xm-xn=(m-n)a0T2,有a0=eq \f(0.0720-0.0520,2×0.12) m/s2=1 m/s2.
8.利用图甲装置研究滑块在斜面上的运动,其中光电门的位置可移动,让带有宽度为d的遮光片的滑块自斜面上同一位置自由下滑,与光电门相连的计时器可以显示出遮光片通过光电门所用的时间t,并用刻度尺测量滑块到光电门之间的距离s,改变光电门的位置进行多次测量,利用所得数据描绘出eq \b\lc\(\rc\)(\a\vs4\al\c1(\f(d,t)))2—s图象,如图乙所示.
(1)若用某工具测量遮光片宽度的读数为d=2.40 mm,则所用工具为________.
A.最小分度为毫米的刻度尺
B.10分度游标卡尺
C.20分度游标卡尺
D.螺旋测微器
(2)滑块沿斜面下滑的加速度大小为________ m/s2.(保留两位有效数字)
(3)若斜面倾角θ=53°,重力加速度大小为g=10 m/s2,sin53°=0.8,cs53°=0.6,则滑块与斜面间的动摩擦因数μ=________.(结果保留一位有效数字)
答案:(1)C (2)5.0 (3)0.5
解析:(1)读数结果以毫米为单位,由读数规则知:最小分度为毫米的刻度尺及10分度游标卡尺的小数点后只有1位数字,20分度游标卡尺的小数点后有2位数字,螺旋测微器的小数点后有3位数字,所以所用工具为20分度游标卡尺,C正确.(2)滑块经过光电门时的速度大小为v=eq \f(d,t),滑块在斜面上做初速度为零的匀加速直线运动,其速度大小满足eq \b\lc\(\rc\)(\a\vs4\al\c1(\f(d,t)))2=2as,所以eq \b\lc\(\rc\)(\a\vs4\al\c1(\f(d,t)))2—s图线的斜率大小为加速度大小的2倍,所以滑块的加速度大小为a=5.0 m/s2.(3)由牛顿第二定律知a=eq \f(mgsinθ-μmgcsθ,m),代入数值得μ=0.5.
9.在“探究滑块速度随时间变化规律”的实验中.
(1)某同学采用如图甲所示的装置进行实验,则实验中____________(选填“需要”或“不需要”)平衡摩擦力,____________(选填“需要”或“不需要”)确保重物质量远小于滑块质量.
(2)该同学在研究滑块运动时打出了一条纸带,如图乙所示.在纸带上,连续5个点取一个计数点,依先后顺序标为0、1、2、…(图中只画出前4个计数点及刻度尺对应关系),已知相邻两个计数点间时间间隔为0.1 s,距离为x1、x2、x3、…,并画出xn—t图线如图丙所示(其中横坐标数值表示第n个0.1 s).则图乙中x3=________cm,滑块的速度随时间__________(选填“均匀变化”或“恒定不变”),计数点2对应的滑块速度大小为________ m/s,滑块的平均加速度大小为________ m/s2(保留两位有效数字).
答案:(1)不需要 不需要 (2)3.45(3.44~3.46) 均匀变化 0.3 1.0
解析:(1)本题探究滑块速度随时间变化的规律,速度和加速度均由纸带上的数据求得,又因滑块受不受摩擦力均做匀变速运动,所以不需要平衡摩擦力;实验中也不需要确
保重物质量远小于滑块质量.(2)由题图乙可知x2=2.45 cm、x3=3.45 cm,由xn—t图线可知在相同时间Δt内位移的增加量相同,所以滑块的速度是均匀变化的,计数点2对应的速度大小为v2=eq \f(x2+x3,2T),解得v2=0.30 m/s,由Δx=aT2得平均加速度大小为a=1.0 m/s2.
10.利用自由落体运动可测量重力加速度.某同学利用如图所示的实验装置进行实验,图中的M为可恢复弹簧片,M与触头接触,开始实验时需要手动敲击M断开电路,使电磁铁失去磁性释放第一个小球,小球撞击M时电路断开,下一个小球被释放.
(1)为完成实验,除图示装置提供的器材外还需要的器材有________和________.
(2)用图中所示的实验装置做实验,测得小球开始下落的位置与M的高度差为120.00 cm,手动敲击M的同时开始计时,到第80个小球撞击M时测得总时间为40.0 s,可求得重力加速度g=________m/s2(结果保留两位有效数字).
(3)若该同学测得的重力加速度偏小,可能的原因是________.
A.手动敲击M时提前计时
B.手动敲击M时延后计时
C.记录撞击M的小球个数时少数了一个
D.记录撞击M的小球个数时多数了一个
答案:(1)刻度尺 秒表 (2)9.6 (3)AC
解析:(1)由h=eq \f(1,2)gt2知,需要用刻度尺测量小球开始下落的位置与M的高度差h,用秒表测量下落的时间.
(2)一个小球自由下落的时间t=eq \f(40.0,80) s=0.50 s,g=eq \f(2h,t2)=9.6 m/s2.(3)手动敲击M时提前计时或记录撞击M的小球个数时少数一个都会增加自由下落的时间t,使根据g=eq \f(2h,t2)算出的g值偏小.
高考物理一轮复习课后练习03 实验 研究匀变速直线运动(含答案解析): 这是一份高考物理一轮复习课后练习03 实验 研究匀变速直线运动(含答案解析),共11页。试卷主要包含了00 cm、AC=10,68 cm,x3=12,20 cm,c段纸带的长度为7,0×10-2 s和4,8×0,95-10等内容,欢迎下载使用。
高考物理一轮复习课时作业6实验:研究匀变速直线运动(含解析): 这是一份高考物理一轮复习课时作业6实验:研究匀变速直线运动(含解析),共8页。
鲁科版高考物理一轮总复习实验1实验中的误差和有效数字做直线运动物体的瞬时速度练习题含答案: 这是一份鲁科版高考物理一轮总复习实验1实验中的误差和有效数字做直线运动物体的瞬时速度练习题含答案,共6页。试卷主要包含了下列说法正确的是等内容,欢迎下载使用。

