中图版 (2019)选择性必修1 自然地理基础第二节 气压带、风带对气候的影响教学设计及反思
展开课时3 气压带、风带对气候形成的作用
课程标准 | 运用示意图,说明气压带、风带的分布,并分析气压带、风带对气候形成的作用,以及气候对自然地理景观形成的影响。 |
学习目标 | 运用相关示意图,结合气压带、风带的分布,分析其对气候形成的作用。 |
1.赤道低气压带控制的地区,因太阳辐射强,空气对流运动强烈,形成了高温多雨的热带雨林气候。
2.南北纬10°至南北回归线之间,受赤道低气压带控制时,盛行上升气流,降水集中;受信风带控制时,干旱少雨,形成热带草原气候,全年高温,分干、湿两季。
3.南北回归线至纬度30°之间的地区,常年受副热带高气压带控制,盛行下沉气流,形成炎热干燥的热带沙漠气候。
4.纬度30°~40°的大陆西岸地区,夏季受副热带高气压带控制,气流下沉,炎热少雨;冬季受西风带控制,温和多雨,形成地中海气候。
5.纬度40°~60°的大陆西岸地区,全年盛行西风,受海洋暖湿气团影响,终年湿润,气温年变化小,气温适中,形成温带海洋性气候。
判断
1.热带雨林气候都是赤道低气压带控制下形成的。( × )
2.地中海气候就是地中海沿岸的气候。( × )
3.温带海洋性气候一般分布在大陆西岸。( √ )
探究点 气压带、风带对气候形成的作用
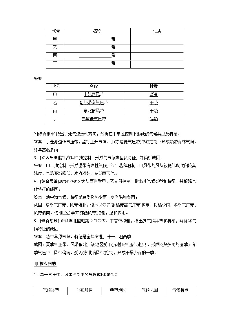
下图为北半球部分大气环流分布图。
1.[区域认知]填写图中气压带、风带名称和性质表格。
代号 | 名称 | 性质 |
甲 | ________________带 |
|
乙 | ________________带 |
|
丙 | ________________带 |
|
丁 | ________________带 |
|
答案
代号 | 名称 | 性质 |
甲 | 中纬西风带 | 暖湿 |
乙 | 副热带高气压带 | 干热 |
丙 | 东北信风带 | 干热 |
丁 | 赤道低气压带 | 湿热 |
2.[综合思维]指出丁处气流运动方向,分析在丁单独控制下形成的气候类型及特征。
答案 丁是赤道低气压带,盛行上升气流。丁(赤道低气压带)单独控制下形成热带雨林气候,终年高温多雨。
3.[综合思维]指出在甲单独控制下形成的气候类型及特征,并简析成因。
答案 甲单独控制下形成温带海洋性气候,终年温和湿润。甲风带的风从较低纬度吹向较高纬度,气温逐渐降低,水汽凝结,多阴雨天气。
4.[综合思维]30°N~40°N大陆西岸受甲、乙交替控制,指出其气候类型和特征,并解释气候特征的成因。
答案 地中海气候,特征是夏季炎热少雨,冬季温和多雨。
成因:夏季气压带、风带偏北,该地区受乙(副热带高气压带)控制,炎热少雨;冬季气压带、风带偏南,该地区受甲(中纬西风带)控制,温和多雨。
5.[综合思维]10°N至北回归线之间受丙、丁交替控制,指出其气候类型和特征,并解释气候特征的成因。
答案 热带草原气候,特征是全年高温,分干、湿两季。
成因:夏季气压带、风带偏北,该地区受丁(赤道低气压带)控制,形成闷热多雨的湿季;冬季气压带、风带偏南,受丙(东北信风带)控制,形成干旱少雨的干季。
1.单一气压带、风带控制下的气候成因和特点
气候类型 | 分布规律 | 典型地区 | 气候成因 | 气候特点 |
热带雨林气候 | 南北纬10°之间 | 亚马孙河流域、刚果河流域、马来群岛 | 赤道低气压带控制,盛行上升气流 | 全年高温多雨 |
热带沙漠气候 | 南北回归线~30°之间的大陆内部和西岸 | 撒哈拉沙漠、阿拉伯半岛、澳大利亚中西部 | 常年受副热带高气压带或信风带控制 | 全年炎热干燥 |
温带海洋性气候 | 南北纬40°~60°的大陆西岸 | 欧洲西部 | 全年受西风带控制 | 全年温和湿润 |
2.气压带、风带交替控制下的气候成因和特点
气候类型 | 分布规律 | 典型地区 | 气候成因 | 气候特点 |
热带草原气候 | 南北纬10°~南北回归线之间 | 非洲中部和南部大部分地区、南美洲巴西、澳大利亚大陆北部、东部和南部 | 赤道低气压带和信风带交替控制 | 全年高温,分干、湿两季 |
地中海气候 | 南北纬30°~40°的大陆西岸 | 地中海沿岸 | 副热带高气压带和西风带交替控制 | 冬季温和多雨,夏季炎热少雨 |
(2020·浙江温州苍南县巨人中学月考)读“大陆西岸甲、乙、丙三地全年气压带、风带控制时长示意图”,完成1~2题。
1.甲地气候类型为( )
A.热带草原气候 B.热带沙漠气候
C.地中海气候 D.温带季风气候
2.丙地气候特点是( )
A.终年温和湿润
B.夏季高温多雨,冬季寒冷干燥
C.终年高温干燥
D.夏季炎热少雨,冬季温和多雨
答案 1.B 2.A
解析 第1题,由图可知,甲地全年受副热带高气压带控制,形成热带沙漠气候,选B。第2题,丙地全年受西风带控制,属于温带海洋性气候,特征是终年温和湿润,A正确。
(2020·河南郑州期末)马达加斯加水冲玛瑙出产于贝齐布卡河口处大约5千米的河段。下面左图为“贝齐布卡河流域示意图”,如图为“马哈赞加气温曲线与降水柱状图”。据此完成3~4题。
3.贝齐布卡河流域的气候类型主要为( )
A.热带雨林气候 B.热带草原气候
C.温带海洋性气候 D.地中海气候
4.贝齐布卡河携带水冲玛瑙较多的月份最可能是( )
A.3月 B.6月
C.9月 D.12月
答案 3.B 4.A
解析 第3题,读右图可知,该地区全年高温,干、湿季分明,应该是热带草原气候,B正确。第4题,河流径流量越大,搬运能力越强。该地12月至次年3月降水量较大,但12月雨季刚开始,河流径流量较小,3月径流量大,河水搬运能力强,A正确、D错误;6月、9月是枯水季节,径流量小,搬运能力弱,B、C错误。
读“部分纬度大气环流示意图”,回答1~3题。
1.有关B气压带大气运动的叙述,正确的是( )
A.由高纬流向低纬,气流冷干
B.由低纬流向高纬,气流暖湿
C.近地面气流受热膨胀上升
D.高空气流堆积下沉
2.由A气压带和a风带交替控制形成的气候类型是( )
A.热带雨林气候 B.热带草原气候
C.热带沙漠气候 D.地中海气候
3.此时北半球地中海地区的气候特点是( )
A.高温多雨 B.炎热少雨
C.寒冷干燥 D.温和多雨
答案 1.D 2.B 3.D
解析 第1题,读图可知,B气压带位于30°附近,为副热带高气压带,副热带高气压带是由于高空大气逐渐堆积下沉而形成的。第2题,读图可知,A气压带为赤道低气压带,a风带为信风带,受赤道低气压带和信风带交替控制的气候类型是热带草原气候。第3题,从图中可以看出,此时赤道低气压带位置偏南,说明气压带、风带已经南移,应该是北半球冬半年,此时,北半球地中海地区受西风带控制,温和多雨。
(2020·新疆维吾尔自治区喀什二中期末)读“北半球大气环流示意图”,完成4~5题。
4.受①②交替控制形成的气候类型是( )
A.地中海气候 B.热带草原气候
C.亚热带季风气候 D.热带沙漠气候
5.正确反映③气压带两侧大气运动的是( )
答案 4.B 5.D
解析 第4题,根据北半球三圈环流的位置及气流运动特征判断,图中①表示赤道低气压带,②表示东北信风带,受①②交替控制形成热带草原气候,选B。第5题,③气压带北侧气流右偏形成西南风(北半球中纬西风),南侧气流右偏形成东北信风,选D。
(2021·山东威海市期末)下面左图示意“非洲大陆气候类型分布”,右图示意“马达加斯加岛位置”。据此完成6~7题。
6.图中受气压带和风带交替控制的地区是( )
A.甲、乙 B.乙、丙
C.甲、丙 D.乙、丁
7.马达加斯加岛东西两侧自然景观不同的影响因素主要是( )
①纬度位置 ②地形 ③海陆位置 ④东南信风
A.①② B.②③ C.①③ D.②④
答案 6.D 7.D
解析 第6题,甲是热带雨林气候,终年受赤道低压带控制;乙是热带草原气候,受信风带和赤道低压带交替控制;丙是热带沙漠气候,受信风带或副热带高压带控制;丁是地中海气候,受副热带高压带和盛行西风带交替控制。故选D。第7题,马达加斯加岛中部有一座山脉,山脉西侧是热带草原气候,山脉的东侧形成热带雨林气候。这主要是由于东南信风从海洋带来水汽受到山地阻挡,被迫抬升形成降水以及附近暖流增温增湿形成的。影响因素主要是地形、东南信风,②④正确。故选D。
图中虚线表示热带辐合带(气流辐合上升)的位置变化范围。读图完成8~9题。
8.甲、乙虚线对应的时间,正确的是( )
A.甲—夏季 B.甲—冬季
C.乙—1月 D.乙—7月
9.终年受热带辐合带控制的气候类型为( )
A.热带雨林气候 B.热带沙漠气候
C.亚热带季风气候 D.地中海气候
答案 8.D 9.A
解析 第8题,热带辐合带即赤道低气压带,1月南移,主体位于赤道以南;7月北移,主体位于赤道以北。因此,北半球冬季即1月份虚线对应的热带辐合带为甲;北半球夏季即7月份虚线对应的热带辐合带为乙,选D。第9题,终年受热带辐合带控制的气候类型应为热带雨林气候,选A。
(2020·四川南充市南部中学开学测试)下面左图为“气压带季节移动示意图”,右图为“气候资料图”。读图,回答10~11题。
10.A、B、C、D表示的气压带依次为( )
A.副热带高气压带、副热带高气压带、赤道低气压带、极地高气压带
B.赤道低气压带、副热带高气压带、副热带高气压带、副极地低气压带
C.赤道低气压带、副热带高气压带、极地高气压带、副极地低气压带
D.赤道低气压带、副热带高气压带、副极地低气压带、极地高气压带
11.在气候资料图中,与左图中M地气候类型最接近的是( )
A.① B.② C.③ D.④
答案 10.B 11.D
解析 第10题,A在赤道附近,是赤道低气压带,B和C在30°附近,是副热带高气压带,D在60°附近,是副极地低气压带。故选B。第11题,读图可知,M位于赤道附近,全年高温多雨,为热带雨林气候,和气候资料图中的④最为接近。故选D。
下图为“地球上某区域气压带、风带及3 000米高空等压面分布示意图”。读图,完成12~13题。
12.下列有关该图的叙述,正确的是( )
A.图中气压带是副热带高气压带
B.甲风带与高空风向完全相反
C.甲、乙风向相同时同属一个风带
D.图中气压带控制下多降水
13.若该图分布在北半球中低纬度且甲的纬度低于乙,则可能的是( )
A.甲风带常年控制容易形成温带海洋性气候
B.该气压带与乙风带交替控制形成地中海气候
C.该气压带与甲风带交替控制形成热带草原气候
D.该气压带常年控制地区形成热带雨林气候
答案 12.C 13.B
解析 第12题,高空等压面凸向低处,说明高空气压较低,高空气压和近地面的气压状况相反,近地面对应气压为高气压;图中的气压带可能是副热带高气压带,也可能是极地高气压带;高空风向与等压线平行,近地面风向与等压线斜交,如果甲、乙风向相同,说明甲、乙之间的气压带为极地高气压带,且甲、乙同属极地东风带;图中近地面气压带为高气压带,盛行下沉气流,多晴朗天气。第13题,若该图分布在北半球中低纬度且甲的纬度低于乙,则近地面气压带为副热带高气压带,乙为中纬西风带,甲为东北信风带。常年受东北信风带控制,易形成热带沙漠气候;副热带高气压带与盛行西风带交替控制形成地中海气候;副热带高气压带与东北信风带交替控制形成热带沙漠气候;该气压带终年盛行下沉气流,高温少雨,常年受其控制易形成热带沙漠气候。
(2020·江苏南京市溧水区第二高级中学月考)下图中P地常年受西风影响,Q地受季节性西风影响,P、Q两地西侧均为海洋。读图,回答14~15题。
14.P地近地面的风向和常见的天气状况是( )
A.西南风 气温日较差小
B.西北风 气温年较差大
C.西南风 降水季节差异明显
D.西北风 天气晴朗
15.Q地的气候是( )
A.热带雨林气候 B.地中海气候
C.热带沙漠气候 D.温带海洋性气候
答案 14.A 15.B
解析 第14题,P、Q两地西侧均为海洋,因此两地均位于大陆西岸地区。P地常年受西风带控制,因此P地为温带海洋性气候,全年温和湿润,气温日较差较小,温带海洋性气候主要分布在南北纬40°~60°的大陆西岸,因此P地位于北半球,北半球西风风向为西南风,A正确。第15题,Q地受季节性西风影响,因此Q地为地中海气候,由于地中海气候主要分布于30°~40°大陆西岸地区,因此Q地位于南半球,为南半球的地中海气候,B正确。
16.(2021·北京西城区期末)读图文资料回答下列问题。(14分)
猴面包树,又称波巴布树,是喜温耐旱的热带树种。适宜生长在年平均气温20~30 ℃,年平均降水量300~800毫米的地区。树干呈桶状,直径最大可达12米。木质疏松柔软,但树皮坚韧结实,根系发达。在降水较多的季节,可以贮存大量水,旱季来临则迅速脱光身上的叶子。图1是沿0°经线大气环流剖面示意图,图2是非洲区域及猴面包树景观图。
(1)指出图1所示的北半球季节,并说出你的判断依据。(3分)
(2)说出高纬环流和低纬环流高度的差异,并以低纬环流为例,说明产生这种差异的原因。(4分)
(3)图1所示季节在图2中的甲地拍摄到的猴面包树景观图是________(填序号),说出该地此季节的气候特点及其形成原因。(7分)
答案 (1)夏季。判断依据:赤道低压带的位置位于赤道以北,为北半球的夏季。
(2)低纬环流高度大于高纬环流高度。原因:低纬地区受热多,对流旺盛,导致环流所达高度高。
(3)① 气候特点:高温少雨。成因:处于低纬度地区,气温高;此时太阳直射点北移,甲地受信风带控制,降水少。
解析 (1)气压带、风带随太阳直射点移动有规律的移动,基本上是夏季北移,冬季南移。据图1可知,该季节赤道低压带的位置位于赤道以北,即气压带、风带北移,可判断为北半球的夏季。(2)据图1可知,低纬环流高度大于高纬环流高度。原因与不同纬度近地面气温有关,低纬地区相对于高纬地区而言,受热多,对流旺盛,导致环流所达高度高。(3)据材料可知,猴面包树主要分布在非洲热带草原气候区,有干湿两季。据上题的分析可知,图1所示季节为北半球夏季,气压带、风带北移,此时甲地受信风带控制,降水少,处于干季,且处于低纬度地区,气温高,因此气候特点是高温少雨。据材料可知,在降水较多的季节,可以贮存大量水,旱季来临则迅速脱光身上的叶子,因此可判断为①景观。
17.(2020·四川棠湖中学开学检测)读图甲“气压带、风带分布示意图”和图乙“某气候类型年内各月气温与降水分布图”,回答下列问题。(13分)
(1)图甲中C气压带的名称是________________,B风带的风向是________。(2分)
(2)图乙表示的气候类型是____________,分布规律是________________________________,形成该气候类型的气压带、风带是图甲中A、B、C、D、E、F中的________;图甲所示季节是北半球的________季,此季节北半球该气候类型的特点是________。(5分)
(3)受气压带E和风带D交替控制的气候类型是( )(2分)
A.热带沙漠气候 B.热带草原气候
C.地中海气候 D.温带海洋性气候
(4)下图中用来表示D风带的是( )(2分)
A.1 B.3 C.4 D.5
(5)若某气候全年受B风带影响,则该气候类型是____________,气候特征是_____________。(2分)
答案 (1)副热带高气压带 西南风 (2)地中海气候 纬度30°~40°的大陆西岸 B、C 夏 炎热少雨 (3)B
(4)D (5)温带海洋性气候 终年温和湿润
中图版 (2019)选择性必修1 自然地理基础第二节 气压带、风带对气候的影响教案: 这是一份中图版 (2019)选择性必修1 自然地理基础第二节 气压带、风带对气候的影响教案,共11页。教案主要包含了大气环流,气压带等内容,欢迎下载使用。
高中中图版 (2019)第二节 气压带、风带对气候的影响教案: 这是一份高中中图版 (2019)第二节 气压带、风带对气候的影响教案,共12页。
高中地理中图版 (2019)选择性必修1 自然地理基础第三章 天气的成因与气候的形成第三节 气候的形成及其对自然地理景观的影响教学设计及反思: 这是一份高中地理中图版 (2019)选择性必修1 自然地理基础第三章 天气的成因与气候的形成第三节 气候的形成及其对自然地理景观的影响教学设计及反思,共4页。教案主要包含了课堂小结等内容,欢迎下载使用。

