2022届高三化学一轮复习考点特训电解池2含解析
展开电解池
一、选择题(共5题)
1.如图,a、b是石墨电极,通电一段时间后,b极附近溶液显红色,下列说法正确的是( )
A.Pt为阴极,Cu为阳极
B.b极的电极反应式是2H++2e-=H2↑
C.电解过程中CuSO4溶液的pH逐渐增大
D.当a极产生2.24L(标准状况)气体时,Pt极上有6.4gCu析出
2.如图用石墨作电极的电解池中,放入某足量蓝色溶液500mL进行电解,观察到A电极表面有红色固体生成,B电极有无色气体生成;通电一段时间后,取出A电极,洗涤、干燥、称量,A电极增重1.6g。下列说法错误的是( )
A.图中B极同电源正极相连
B.该蓝色溶液可能是Cu(NO3)2或CuCl2溶液
C.电解后溶液的pH约为1(溶液体积变化忽略不计)
D.要使电解后溶液恢复到电解前的状态,则可加入2gCuO
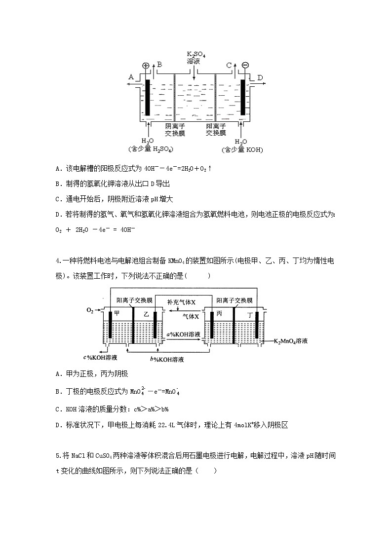
3.模拟工业上离子交换膜法制烧碱的方法,可以设想用如图装置电解硫酸钾溶液来制取氢气、氧气、硫酸和氢氧化钾。下列说法错误的是( )
A.该电解槽的阳极反应式为4OH--4e-=2H2O+O2↑
B.制得的氢氧化钾溶液从出口D导出
C.通电开始后,阴极附近溶液pH增大
D.若将制得的氢气、氧气和氢氧化钾溶液组合为氢氧燃料电池,则电池正极的电极反应式为:O2 + 2H2O -4e- = 4OH-
4.一种将燃料电池与电解池组合制备KMnO4的装置如图所示(电极甲、乙、丙、丁均为惰性电极)。该装置工作时,下列说法不正确的是( )
A.甲为正极,丙为阴极
B.丁极的电极反应式为MnO―e-=MnO
C.KOH溶液的质量分数:c%>a%>b%
D.标准状况下,甲电极上每消耗22.4L气体时,理论上有4molK+移入阴极区
5.将NaCl和CuSO4两种溶液等体积混合后用石墨电极进行电解,电解过程中,溶液pH随时间t变化的曲线如图所示,则下列说法正确的是( )
A.AB段pH增大是因为电解NaCl溶液生成NaOH的缘故
B.整个过程中阳极先产生Cl2,后产生O2
C.原混合溶液中NaCl和CuSO4浓度之比小于2:1
D.电解至D点时,往溶液中加入适量Cu(OH)2一定可使其复原为B点溶液
二、非选择题(共16题)
6.如图,p、q为直流电源两极,A由+2价金属单质X制成,B、C、D为铂电极,接通电源,金属X沉积于B极,同时C、D产生气泡。试回答:
(1)p为_____极,A极发生了________反应。
(2)C为____极,试管里收集到的气体是____;D为____极,试管里收集到的气体是_____。
(3)C极的电极反应方程式为_____________________________。
(4)当反应进行一段时间后,A、B电极附近溶液的pH________(填“增大”“减小”或“不变”)。
(5)当电路中通过0.004mol电子时,B电极上沉积金属X为0.128g,则此金属的摩尔质量为______。
7.下列四种装置中,①盛200 mL硫酸铜溶液 ②盛200 mL 0.01 mol·L-1硫酸溶液 ③盛200 mL氯化锌溶液 ④盛200 mL氯化钾溶液
(1)上述装置中①为___________池,反应一段时间溶液浓度基本不变的是___________。装置①中两电极的电极反应式分别是___________、___________ (注明电极名称)。
(2)用离子方程式回答:通电时装置④中的总反应是___________溶液中可能发生的副反应是___________。
(3)若将装置④中的外加电源拆去,用导线将两个电极连接,则Fe极上发生的反应是___________。
8.电解原理在化学工业中有广泛应用。图中表示一个电解池,装有电解液C;A、B是两块电极板,通过导线与直流电源相连。请回答以下问题:
(1)若A、B都是惰性电极,c是饱和NaCl溶液,实验开始时,同时在U形管两边各滴入几滴酚酞试液,则:
①B是_____ 极(填“阴”或“阳”) ,B极逸出_____(填“黄绿色”或“无色”)气体,同时B极附近溶液呈________色。
②电解池中A极上的电极反应式为________,B极上的电极反应式为______。
(2)如要进行粗铜(含Al、Zn、Ag、Pt、Au等杂质)的电解精炼,电解液c选用CuSO4溶液,则:
①A电极的材料是_________,电极反应式是____________。
② B电极的材料是_________,电极反应式是_________。
(说明:杂质发生的电极反应不必写出)
③下列说法正确的是________。
a.电能全部转化为化学能
b.在电解精炼过程中,电解液中伴随有Al3+、Zn2+产生
c.溶液中Cu2+向阳极移动
d.利用阳极泥可回收Ag、Pt、Au等金属
(3)用惰性电极电解足量的CuSO4溶液。若阴极析出Cu的质量为12.8g,则阳极上产生的气体在标准状况下的体积为________L。
9.按照要求回答下列问题。
(1)用NaOH溶液吸收烟气中的SO2,将所得的Na2SO3溶液进行电解,可循环再生NaOH,同时得到H2SO4,其原理如下图所示(电极材料为石墨)。
①图中b极要连接电源的________(填“正”或“负”)极。
②SO放电的电极反应式为________________________________。
(2)用零价铁(Fe)去除酸性水体中的硝酸盐(NO)已成为环境修复研究的热点之一。Fe还原水体中的NO的反应原理如图1所示。
①作负极的物质是________。
②正极的电极反应式是________________________________。
(3)通过NOx传感器可监测NOx的含量,其工作原理示意图如图2所示。
①Pt电极上发生的是________反应(填“氧化”或“还原”)。
②写出NiO电极的电极反应式:___________________________________。
10.如图是一个化学过程的示意图。已知甲池的总反应式为:2CH3OH+3O2+4KOH=2K2CO3+6H2O。
据此完成下列问题:
(1)图中甲池是__装置;A(石墨)电极的名称是__。
(2)写出通入CH3OH的电极的电极反应式:__。
(3)乙池中反应的化学方程式为__。当乙池中B(Ag)极的质量增加5.40g时,甲池中理论上消耗O2__mL(标准状况下)。
11.膜技术原理在化工生产中有着广泛的应用。有人设想利用电化学原理制备少量硫酸和绿色硝化剂N2O5,装置如图。
(1)A装置是______,B装置是_____(填“原电池”或“电解池”)。
(2)N2O5在_____(填“c极”或“d极”)区生成。
(3)A装置中通入O2的电极反应式为______。
12.知识的梳理和感悟是有效学习的方法之一。某学习小组将有关“电解饱和食盐水”的相关内容进行梳理,形成如下问题(显示的电极均为石墨)
(1)图1中,电解一段时间后,气球b中的气体是___(填化学式)。
(2)利用图2制作一种环保型消毒液发生器,电解可制备“84”消毒液的有效成分NaClO,则c为电源的___极;该发生器中反应的总离子方程式为____。
(3)二氧化氯(ClO2)为一种黄绿色气体,是国际上公认的高效、广谱、快速、安全的杀菌消毒剂。如图是目前已开发出用电解法制取ClO2的新工艺。
①阳极产生ClO2的电极反应式:____。
②当阴极产生标准状况下112mL气体时,通过阳离子交换膜离子的物质的量为__。
(4)SO2和NOx是主要大气污染物,利用如图装置可同时吸收SO2和NO。
①已知电解池的阴极室中溶液的pH在4~7之间,阴极的电极反应为____。
②用离子方程式表示吸收NO的原理____。
13.如图装置所示,C、D、E、F、X、Y都是惰性电极,甲、乙中溶液的体积和浓度都相同(假设通电前后溶液体积不变),A、B为外接直流电源的两极。将直流电源接通后,F极附近呈红色。
请回答:
(1)B极是电源的___________,一段时间后,甲中溶液颜色___________,丁中X极附近的颜色逐渐变浅,Y极附近的颜色逐渐变深,这表明___________,在电场作用下向Y极移动。
(2)若甲、乙装置中的C、D、E、F电极均只有一种单质生成时,对应单质的物质的量之比为___________。
(3)现用丙装置给铜件镀银,则H应该是___________(填“镀层金属”或“镀件”),电镀液是___________溶液。当乙中溶液的c(OH-)=0.1mol·L-1时(此时乙溶液体积为500 mL),丙中镀件上析出银的质量为___________,甲中溶液的pH___________(填“变大”“变小”或“不变”)。
(4)若将C电极换为铁,其他装置都不变,则甲中发生总反应的离子方程式是___________。
(5)若用惰性电极电解CuSO4溶液一段时间后,需加入49 g Cu(OH)2固体,才能使电解质溶液复原,则这段时间,整个电路中转移的电子数为___________
14.某同学设计利用一氧化氮——空气质子交换膜燃料电池将化学能转化为电能,实现了制硝酸、发电、环保三位一体的结合。
(1)甲装置中Pt1上的电极反应式为___________,每转移1mol电子,通过质子交换膜的H+的物质的量为___________。
(2)乙装置中C2上的电极反应式为___________,乙装置中物质X是___________(填化学式)。
(3)装置丙用于粗铜的精炼。装置中电极A是___________(填“粗铜”或“纯铜”),工作一段时间后,CuSO4溶液的浓度将___________(填“增大”“减小”或“不变”)。
15.利用所学电化学反应原理,解决以下问题:
Ⅰ.如图所示,A为电源,B为浸透饱和食盐水和酚酞溶液的滤纸,滤纸中央滴有一滴KMnO4溶液,C、D为电解槽,其电极材料及电解质溶液如图所示。
(1)闭合K1,断开K2,通电后,d端显红色,则电源b端为____极,若c、d为惰性电极,检验c端产物的方法为__。滤纸中央KMnO4溶液处发生的现象为____。
(2)已知C装置中溶液的溶质为Cu(NO3)2和X(NO3)3,且均为0.1mol,打开K1,关闭K2, 通电一段时间后,阴极析出固体质量m(g)与通过电子的物质的量n(mol)关系如图所示,则Cu2+、X3+、H+ 氧化能力由大到小的顺序是_____。
(3)D装置中溶液是H2SO4溶液,则电极C端从开始至一段时间后的实验现象是____。
Ⅱ. 电化学技术是有效解决 CO、SO2、NOx 等大气污染的重要方法,某兴趣小组以SO2为原料,采用电化学方法制取硫酸,装置如下 :
(1)电解质溶液中离子向_____(填“A极”或“B极” )移动。
(2)请写出负极电极反应式_____。
(3)用该原电池做电源,石墨做电极电解2L AgNO3和KNO3混合溶液,通电一段时间,两极均产生2.24 L(标准状况)气体,假设电解前后溶液体积不变,则电解后溶液中H+的浓度为____,析出银的质量___g。
(4)用Na2SO3溶液充分吸收SO2得NaHSO3溶液,然后电解该溶液可制得硫酸。电解原理示意图如下图。请写出开始时阳极反应的电极反应式:_____。
16.回答下列问题:
(1)某同学根据漂白粉的制备原理和电解原理制作了一种家用环保型消毒液发生器(如图所示,没有使用离子交换膜),用石墨作电极电解饱和氯化钠溶液。通电时,为使Cl2被完全吸收,制得有较强杀菌能力的消毒液,则:
①利用Cl2与石灰乳反应可以制取漂白粉,反应的化学方程式为_____。
②L极区的电极反应式为_______。
(2)电解法可以提纯粗镓,具体原理如图所示。镓在阳极溶解生成的Ga3+与NaOH溶液反应生成GaO,GaO在阴极放电的电极反应式_______。
(3)我国学者发明的一种分解硫化氢制氢并回收硫的装置如图所示:
若Y极液中的电对(A/B)选用I/I-,装置工作时Y极上的电极反应式为______,Y极溶液中发生的离子反应为______。
17.如图所示,某同学设计了一个燃料电池并探究氯碱工业原理的相关问题,其中乙装置中 X 为阳离子交换膜。请按要求回答相关问题:
(1) 石 墨 电 极 (C) 作____极 , 甲 中 甲 烷 燃 料 电 池 的 负 极 反 应 式 为________________。
(2)若消耗 2.24 L(标况)氧气,则乙装置中铁电极上生成的气体体积(标况)为____ L。乙池中总反应的离子方程式 _______________
(3)若丙中以 CuSO4 溶液为电解质溶液进行粗铜(含 Al、Zn、Ag、Pt、Au 等杂质)的电解精炼,下列说法正确的是_______________。
A.a 电极为纯铜
B.粗铜接电源正极,发生还原反应
C.CuSO4 溶液的浓度保持不变
D.利用阳极泥可回收 Ag、Pt、Au等金属
(4)若丙中以稀 H2SO4 为电解质溶液,电极材料 b 为铝,则能使铝表面生成一层致密的氧化膜,该电极反应式为____________
(5)若将乙装置中两电极用导线直接相连,则石墨(C) 电极上发生的电极反应式为:_________
18.课题式研究性学习是培养学生创造思维的良好方法,某研究性学习小组将下列装置如图所示连接,C、D、E、F、X、Y都是惰性电极。将电源接通后,向乙中滴入酚酞试液,在F极附近显红色.试回答下列问题:
(1)电源A极的名称是____,电极G的名称是_____。
(2)甲装置中电解反应相关方程式:C:_____,D:______,总反应方程式:_____。如果起始时甲烧杯中盛有1000mL溶液,通电一段时间后溶液中的Cu2+恰好消耗掉(假设没有其它离子干扰),此时收集到气体3.36L(标准状况下),则原硫酸铜溶液的浓度是____mol/L,电路中通过的电子的物质的量是____mol;若要使溶液恢复到起始浓度(忽略溶液体积的变化),可向溶液中加入____(填物质名称)。
(3)如果收集乙装置中产生的气体,两种气体的体积比是____。
(4)欲用丙装置给铜镀银,G应该是____(填“铜”或“银”),电镀液的主要成分是_____(填化学式)。
(5)装置丁中的现象是_______。
19.根据要求回答下列问题:
(1)NaBH4(s)与H2O(l)反应生成NaBO2(s)和H2(g),在25 ℃、101 kPa下,已知每消耗3.8gNaBH4(s)放热21.6kJ,该反应的热化学方程式是___________。
(2)有人设想以N2和H2为反应物,以溶有A的稀盐酸为电解质溶液,可制造出既能提供电能,又能固氮的新型燃料电池,装置如图所示,电池正极的电极反应式是___________,A是___________。
(3)在传统的电解氯化氢回收氯气技术的基础上,科学家最近采用碳基电极材料设计了一种新的工艺方案,主要包括电化学过程和化学过程,如图所示:
负极区发生的反应有___________、___________(写反应方程式)。电路中转移1 mol电子,需消耗氧气___________L(标准状况)。
20.能源问题是人类社会面临的重大课题,甲醇是一种可再生能源,具有广阔的开发和应用前景,研究甲醇具有重要意义。
(1)利用工业废气中的CO2可制取甲醇,其反应为CO2(g)+3H2(g)CH3OH(g)+H2O(g) ΔH<0.为探究用CO2生产燃料甲醇的反应原理,现进行如下实验:在恒温条件下,向一容积为1 L的密闭容器中,充入1 mol CO2和3 mol H2,进行上述反应。测得CO2和CH3OH(g)的浓度随时间变化的曲线如图所示。从反应开始到达平衡状态,v(H2)=_______;该温度下的平衡常数数值K=_______(mol·L-1)-2.能使平衡体系中增大的措施有_______(任写一条)。
(2)工业上利用甲醇制备氢气的常用方法有两种。
①甲醇部分氧化法。在一定温度下以Ag/CeO2-ZnO为催化剂时,原料气比例对反应的选择性(选择性越大,表示生成的该物质越多)影响关系如图所示。
则当=0.25时,CH3OH与O2发生的主要反应的化学方程式为CH3OH+O2____+____,__________,在制备H2时最好控制=_______。
②甲醇蒸气重整法。主要反应为CH3OH(g)CO(g)+2H2(g)。设在容积为2.0 L的密闭容器中充入0.60 mol CH3OH(g),体系压强为p1,在一定条件下达到平衡状态时,体系压强为p2,且=2.2,则该条件下CH3OH(g)的平衡转化率为_______。
(3)现以甲醇燃料电池,采用电解法来处理酸性含铬废水(主要含有),实验室利用如图装置模拟该方法:
①M电极为电池的_______(填“正”或“负”)极,N电极的电极反应式为_______。
②请完成电解池中转化为Cr3+的离子方程式:+Fe2++____=Cr3++_Fe3++___,___。
21.电解是工业生产的常用方法。某研究性小组进行以下相关探究。
实验Ⅰ:用图1装置电解CuCl2溶液制取少量漂白液:
(1)导气管W端应与出气口___连接(填“X”或“Y”),写出制取漂白液的化学方程式___。
(2)实验后发现阴极碳棒上除了附着有红色物质,还附着有少量白色物质。查阅资料显示:
物质名称及化学式
氯化亚铜CuCl
碱式碳酸铜Cu2(OH)3Cl
性质
白色固体、不溶于水
绿色固体、不溶于水
化学小组分析提出:①白色物质为CuCl。②红色物质可能有:___或者Cu2O;或者二者混合物.
实验Ⅱ为探究阴极碳棒上附着的红色、白色物质,设计了如下实验:取出阴极碳棒,洗涤、干燥、称其质量为W1g,并将其放入图2所示装置b中,进行实验。
实验中,碳棒上的白色物质完全变为红色,无水硫酸铜不变色,d中出现白色沉淀;实验结束时,称量其质量为W2g。
(3)无水硫酸铜的作用是_____。
(4)装置b中发生反应的化学方程式是___。
(5)碱石灰的作用是___。
(6)加热之前要先通H2,目的是___;实验结束为了防止灼热的铜被氧化,实验操作是___。
(7)电解CuCl2溶液时,阴极上产生白色物质的原因为___(用电极反应式解释);阴极上产生白色物质的物质的量是___。(列出含W1、W2的表达式)
电解池
一、选择题(共5题)
1.如图,a、b是石墨电极,通电一段时间后,b极附近溶液显红色,下列说法正确的是( )
A.Pt为阴极,Cu为阳极
B.b极的电极反应式是2H++2e-=H2↑
C.电解过程中CuSO4溶液的pH逐渐增大
D.当a极产生2.24L(标准状况)气体时,Pt极上有6.4gCu析出
【答案】B
【分析】
依据电解质溶液为含酚酞的氯化钠溶液,判断b电极和Cu极是阴极,a电极和Pt极是阳极,Y为电源负极,X为电源正极。此为解题的突破点。
【详解】
A.b极附近溶液变红,说明此电极产生OH-,即电极反应式为2H2O+2e-=H2↑+2OH-,说明b极为阴极,即Y为负极,X为正极,根据电解原理,Pt为阳极,铜为阴极,故A错误;
B.b极附近溶液变红,说明此电极产生OH-,即电极反应式为:2H2O+2e-=H2↑+2OH-或,2H++2e-=H2↑,故B正确;
C.电解过程中CuSO4溶液中的氢氧根离子在阳极Pt电极失电子生成氧气,溶液中铜离子在Cu电极得到电子析出铜,溶液中氢离子浓度增大,溶液的pH逐渐减小,故C错误;
D.根据电解原理,Pt电极反应式为4OH--4e-=O2↑+2H2O,没有铜单质析出,故D错误;
故选B。
2.如图用石墨作电极的电解池中,放入某足量蓝色溶液500mL进行电解,观察到A电极表面有红色固体生成,B电极有无色气体生成;通电一段时间后,取出A电极,洗涤、干燥、称量,A电极增重1.6g。下列说法错误的是( )
A.图中B极同电源正极相连
B.该蓝色溶液可能是Cu(NO3)2或CuCl2溶液
C.电解后溶液的pH约为1(溶液体积变化忽略不计)
D.要使电解后溶液恢复到电解前的状态,则可加入2gCuO
【答案】B
【分析】
根据题目,B电极有无色气体生成,说明B电极为阳极,水电离出的OH-在此电极上失电子生成O2,电极方程式为4OH--4e-=2H2O+O2↑;A电极表面有红色固体生成,说明A电极为阴极,Cu2+在此电极上得电子生成Cu单质,电极方程式为Cu2++2e-=Cu,据此分析。
【详解】
A.根据分析,B电极为电解池阳极,与电池正极相连,A正确;
B.根据阴离子放电顺序,硝酸根在氢氧根后放电,Cl-在氢氧根前放电,因此,蓝色溶液不能为CuCl2,B错误;
C.电解后A电极增重1.6g,电解过程中转移0.05mol电子,剩余0.05mol H+,此时溶液中c(H+)===0.1mol/L,溶液pH为1,C正确;
D.溶液中剩余0.05mol H+,需要加入0.025mol Cu2+将溶液还原,若利用CuO还原溶液,需要的质量m=0.025mol×80g/mol=2g,D正确;
故答案选B。
3.模拟工业上离子交换膜法制烧碱的方法,可以设想用如图装置电解硫酸钾溶液来制取氢气、氧气、硫酸和氢氧化钾。下列说法错误的是( )
A.该电解槽的阳极反应式为4OH--4e-=2H2O+O2↑
B.制得的氢氧化钾溶液从出口D导出
C.通电开始后,阴极附近溶液pH增大
D.若将制得的氢气、氧气和氢氧化钾溶液组合为氢氧燃料电池,则电池正极的电极反应式为:O2 + 2H2O -4e- = 4OH-
【答案】D
【详解】
A.左边电极连接电源正极,为电解槽的阳极,其反应式为4OH--4e-=2H2O+O2↑,故A正确;
B.右边电极是电解槽的阴极,阴极是水中氢离子得到电子,剩余氢氧根,钾离子穿过阳离子交换膜进入到阴极室与氢氧根反应生成氢氧化钾溶液从出口D导出,故B正确;
C.根据B选项分析,通电开始后,阴极生成KOH,因此溶液pH增大,故C正确;
D.若将制得的氢气、氧气和氢氧化钾溶液组合为氢氧燃料电池,则电池正极的电极反应式为:O2 + 2H2O +4e- = 4OH-,故D错误。
综上所述,答案为D。
4.一种将燃料电池与电解池组合制备KMnO4的装置如图所示(电极甲、乙、丙、丁均为惰性电极)。该装置工作时,下列说法不正确的是( )
A.甲为正极,丙为阴极
B.丁极的电极反应式为MnO―e-=MnO
C.KOH溶液的质量分数:c%>a%>b%
D.标准状况下,甲电极上每消耗22.4L气体时,理论上有4molK+移入阴极区
【答案】C
【分析】
根据题意,将燃料电池与电解池组合制备KMnO4,结合装置的特点可知:左边装置为燃料电池,右边装置为电解池;通入氧气的电极甲是燃料电池的正极,与甲电极相接的电极丁是电解池的阳极,丁电极上MnO失去电子被氧化为MnO,电极反应式为MnO-e-═MnO;丙电极是电解池的阴极,溶液中氢离子在阴极被还原为氢气,即气体X为氢气,该燃料电池为碱性氢氧燃料电池,据此分析解答。
【详解】
A.通入氧气的电极为燃料电池的正极,与电源正极相接的一极为电解池的阳极,所以丙电极为阴极,故A正确;
B.丁是电解池的阳极,阳极上MnO失去电子被氧化为MnO,电极反应式为MnO-e-═MnO,故B正确;
C.丙电极为阴极,电极反应为2H2O+2e-=2OH-+H2↑,甲电极的反应式为O2+2H2O+4e-=4OH-,乙电极的反应式为H2+2OH--2e-=2H2O,则甲电极附近始终生成KOH并且不消耗,所以c%>b%,丙电极附近也始终生成KOH,所以b%>a%,故大小关系为c%>b%>a%,故C错误;
D.标准状况下,甲电极每消耗22.4L即1mol氧气时,转移4mol电子,并且K+与电子所带电荷相等,所以理论上有4molK+进入阴极区,故D正确;
故选C。
5.将NaCl和CuSO4两种溶液等体积混合后用石墨电极进行电解,电解过程中,溶液pH随时间t变化的曲线如图所示,则下列说法正确的是( )
A.AB段pH增大是因为电解NaCl溶液生成NaOH的缘故
B.整个过程中阳极先产生Cl2,后产生O2
C.原混合溶液中NaCl和CuSO4浓度之比小于2:1
D.电解至D点时,往溶液中加入适量Cu(OH)2一定可使其复原为B点溶液
【答案】BC
【分析】
由图可知,用惰性电极电解等体积NaCl和CuSO4两种溶液,分3个阶段:
AB段:电解氯化铜:阳极:2Cl—-2e-=Cl2,阴极:Cu2++2e-=Cu;由于铜离子水解使溶液显酸性,铜离子浓度减小,酸性减弱,pH增大;
BC段:电解硫酸铜溶液:阳极:4OH--4e﹣= O2↑+2H2O,阴极:Cu2++2e-=Cu;由于氢氧根离子被消耗,氢离子浓度增大,溶液的pH迅速减小;
CD段:实质是电解水:阳极:4OH--4e﹣= O2↑+2H2O,阴极:2H++2e-=H2↑;即为电解水的过程,溶剂减小,溶液中氢离子浓度增大,pH减小。
【详解】
A.由以上分析可知,AB段pH增大,是因为电解氯化铜溶液,铜离子浓度减小,溶液的酸性减弱,pH增大,故A错误;
B.由以上分析可知,整个过程中阳极先产生Cl2,后产生O2,故B正确;
C.B点溶液为硫酸铜和硫酸钠的混合液,AB段实质是电解氯化铜溶液,BC段实质是电解硫酸铜溶液,所以n(Cl-)<2n(Cu2+),即原混合溶液中NaCl和CuSO4浓度之比小于2:1,故C正确;
D.B点溶液为硫酸铜和硫酸钠的混合液,C点为硫酸和硫酸钠混合液,CD段为电解水过程,由于消耗水的量与生成硫酸的量不确定,所以复原为B点溶液可能是加入适量的氢氧化铜,也可能是加入适量的氢氧化铜和一定的水,故D错误;
故选BC。
二、非选择题(共16题)
6.如图,p、q为直流电源两极,A由+2价金属单质X制成,B、C、D为铂电极,接通电源,金属X沉积于B极,同时C、D产生气泡。试回答:
(1)p为_____极,A极发生了________反应。
(2)C为____极,试管里收集到的气体是____;D为____极,试管里收集到的气体是_____。
(3)C极的电极反应方程式为_____________________________。
(4)当反应进行一段时间后,A、B电极附近溶液的pH________(填“增大”“减小”或“不变”)。
(5)当电路中通过0.004mol电子时,B电极上沉积金属X为0.128g,则此金属的摩尔质量为______。
【答案】正 氧化 阳 氧气 阴 氢气 4OH--4e-=O2↑+2H2O 不变 64g/mol
【分析】
该装置为电解池;在左边的烧杯中,金属X沉积于B极,则其电极反应反应式为X2++2e-=X,即B极上发生还原反应,故B极为阴极,则A极为阳极,C极为阳极,D极为阴极,p为电源的正极,q为电源的负极。
【详解】
(1)经分析,p为电源的正极,A极为阳极,发生氧化反应;
(2)在右边的烧杯中,电解质溶液是H2SO4溶液,C为阳极,C极上OH-放电,生成氧气,则试管里收集到的气体是氧气,D为阴极,D极上H+放电,生成氢气,则试管里收集到的气体是氢气;
(3)C极的反应电极方程式为4OH--4e-=2H2O+O2↑;
(4)A电极反应方程式为X-2e-=X2+,B电极反应方程式为X2++2e-=X,两电极附近H+、OH-浓度没有变化,故A、B电极附近溶液的pH不变;
(5)B电极反应方程式为X2++2e-=X,当电路中通过0.004mol电子时,B极上生成的X的物质的量为0.002mol,则M(X)===64g/mol。
7.下列四种装置中,①盛200 mL硫酸铜溶液 ②盛200 mL 0.01 mol·L-1硫酸溶液 ③盛200 mL氯化锌溶液 ④盛200 mL氯化钾溶液
(1)上述装置中①为___________池,反应一段时间溶液浓度基本不变的是___________。装置①中两电极的电极反应式分别是___________、___________ (注明电极名称)。
(2)用离子方程式回答:通电时装置④中的总反应是___________溶液中可能发生的副反应是___________。
(3)若将装置④中的外加电源拆去,用导线将两个电极连接,则Fe极上发生的反应是___________。
【答案】电解 ③ 阴极:2Cu2++4e-=2Cu 阳极:4OH--4e-=O2↑+2H2O 2Cl-+2H2OH2↑+Cl2↑+2OH- Cl2+2OH-=Cl-+ClO-+H2O Fe-2e-=Fe2+
【分析】
根据题干信息,装置①为电解质,电解质溶液为硫酸铜溶液,左侧为阴极,铜离子得到电子,电极反应式为:2Cu2++4e-=2Cu,右侧为阳极,氢氧根失去电子,电极反应式为4OH--4e-=O2↑+2H2O,装置②为原电池,硫酸为电解质溶液,Zn为负极,电极反应式为:Zn-2e-=Zn2+,Cu为正极,电极反应式为:2H++2e-=H2,装置③电解质溶液为氯化锌时,为镀锌装置,阳极锌失去电子,电极反应式为:Zn-2e-=Zn2+,阴极锌离子得到电子,电极反应式为:Zn2++2e-=Zn,装置④为电解池,电解质溶液为氯化钾,阳极氯离子失去电子,阴极氢离子得到电子,据此分析解答。
【详解】
(1)装置①有电源,属于电解池,根据上述分析可知,反应一段时间后,溶液浓度基本不变的是装置③;装置①为电解质,电解质溶液为硫酸铜溶液,左侧为阴极,铜离子得到电子,电极反应式为:2Cu2++4e-=2Cu,右侧为阳极,氢氧根失去电子,电极反应式为4OH--4e-=O2↑+2H2O;
(2)通电时,装置④为电解池,电解质溶液为氯化钾,阳极氯离子失去电子,阴极氢离子得到电子,电池总反应为2Cl-+2H2OH2↑+Cl2↑+2OH-,溶液中可发生的副反应为氯气和氢氧化钾反应生成氯化钾、次氯酸钾和水,即Cl2+2OH-=Cl-+ClO-+H2O;
(3)若将装置④中的外加电源拆去,用导线将两个电极连接,Fe电极在KCl溶液中会发生吸氧腐蚀,则Fe极上发生的反应是Fe-2e-=Fe2+。
8.电解原理在化学工业中有广泛应用。图中表示一个电解池,装有电解液C;A、B是两块电极板,通过导线与直流电源相连。请回答以下问题:
(1)若A、B都是惰性电极,c是饱和NaCl溶液,实验开始时,同时在U形管两边各滴入几滴酚酞试液,则:
①B是_____ 极(填“阴”或“阳”) ,B极逸出_____(填“黄绿色”或“无色”)气体,同时B极附近溶液呈________色。
②电解池中A极上的电极反应式为________,B极上的电极反应式为______。
(2)如要进行粗铜(含Al、Zn、Ag、Pt、Au等杂质)的电解精炼,电解液c选用CuSO4溶液,则:
①A电极的材料是_________,电极反应式是____________。
② B电极的材料是_________,电极反应式是_________。
(说明:杂质发生的电极反应不必写出)
③下列说法正确的是________。
a.电能全部转化为化学能
b.在电解精炼过程中,电解液中伴随有Al3+、Zn2+产生
c.溶液中Cu2+向阳极移动
d.利用阳极泥可回收Ag、Pt、Au等金属
(3)用惰性电极电解足量的CuSO4溶液。若阴极析出Cu的质量为12.8g,则阳极上产生的气体在标准状况下的体积为________L。
【答案】阴极 无色 红 2Cl--2e-=Cl2↑ 2H++2e-=H2↑或2H2O+2e-=H2↑+2OH- 粗铜 Cu-2e-=Cu2+ 精铜 Cu2++2e-=Cu b、d 2.24
【详解】
(1)①根据电流方向可知,a是正极,b是负极,则A是阳极,B是阴极,电解氯化钠溶液,在阳极是氯离子失电子的氧化反应,产生氯气,在阴极是氢离子得电子的还原反应,产生氢气,该电极附近产生高浓度的氢氧化钠,遇到酚酞显示红色,因此,本题正确答案是:阴;无色;红;
②在阳极是氯离子失电子的氧化反应,产生氯气,电极反应为:2Cl--2e-=Cl2↑,在阴极是氢离子得电子的还原反应,产生氢气,电极反应为:2H++2e-=H2↑或2H2O+2e-=H2↑+2OH-,因此,本题正确答案是:2Cl--2e-=Cl2↑;2H++2e-=H2↑或2H2O+2e-=H2↑+2OH-;
(2)①电解精炼中,粗铜作阳极,纯铜作阴极,A是阳极,则A极材料是粗铜,阳极上铜失电子发生氧化反应,电极反应为:Cu-2e-=Cu2+,因此,本题正确答案是:粗铜;Cu-2e-=Cu2+;
②B是阴极,B极材料是精铜,该极上铜离子得电子生成金属铜,即电极反应为:Cu2++2e-=Cu,因此,本题正确答案是:精铜;Cu2++2e-=Cu;
③a.电能大多转化为化学能,但是还有热能的产生,故错误;
b.在电解精炼过程中,在阳极上,比金属铜活泼的金属Al、Zn先于金属铜失电子,所以电解液中伴随有Al3+、Zn2+产生,故正确;
c.溶液中Cu2+向阴极移动,故错误;
d.在阳极上,活泼性较差的Ag、Pt、Au形成阳极泥,利用阳极泥可回收Ag、Pt、Au等金属,故正确;
故选bd;
(3)阴极上析出铜的质量为12.8g,转移电子的物质的量=2=0.4mol,根据转移电子数相等得阳极上产生氧气在标准状况下的体积=22.4L/mol=2.24L,因此,本题正确答案是:2.24。
9.按照要求回答下列问题。
(1)用NaOH溶液吸收烟气中的SO2,将所得的Na2SO3溶液进行电解,可循环再生NaOH,同时得到H2SO4,其原理如下图所示(电极材料为石墨)。
①图中b极要连接电源的________(填“正”或“负”)极。
②SO放电的电极反应式为________________________________。
(2)用零价铁(Fe)去除酸性水体中的硝酸盐(NO)已成为环境修复研究的热点之一。Fe还原水体中的NO的反应原理如图1所示。
①作负极的物质是________。
②正极的电极反应式是________________________________。
(3)通过NOx传感器可监测NOx的含量,其工作原理示意图如图2所示。
①Pt电极上发生的是________反应(填“氧化”或“还原”)。
②写出NiO电极的电极反应式:___________________________________。
【答案】正 SO-2e-+H2O=SO+2H+ 铁(Fe) NO+8e-+10H+=NH+3H2O 还原 NO+O2--2e-=NO2
【分析】
分析电解池中离子的移动方向,a极为阴极,连接电源负极,b极为阳极,连接电源的正极,且b极发生氧化反应,生成硫酸从C口流出;原电池部分结合原电池的工作原理进行判断、书写电极反应方程式;
【详解】
(1)①据分析可知,图中b极要连接电源的正极;②SO放电后有硫酸根生成,故在阳极上发生氧化反应,电极反应式为:SO-2e-+H2O=SO+2H+。
(2) ①Fe还原水体中的NO,则Fe作还原剂,失去电子,作负极;②由图知,NO在正极得电子发生还原反应产生NH,正极的电极反应式是NO+8e-+10H+=NH+3H2O。
(3)①由图知,铂电极上氧气得电子生成氧离子而被还原,即发生还原反应。②NiO电极上NO失电子和氧离子反应生成二氧化氮,所以电极反应式为:NO+O2--2e-=NO2。
10.如图是一个化学过程的示意图。已知甲池的总反应式为:2CH3OH+3O2+4KOH=2K2CO3+6H2O。
据此完成下列问题:
(1)图中甲池是__装置;A(石墨)电极的名称是__。
(2)写出通入CH3OH的电极的电极反应式:__。
(3)乙池中反应的化学方程式为__。当乙池中B(Ag)极的质量增加5.40g时,甲池中理论上消耗O2__mL(标准状况下)。
【答案】原电池 阳极 CH3OH-6e-+8OH-=6H2O+CO 4AgNO3+2H2O4Ag+O2↑+4HNO3 280
【分析】
甲装置中能自发的发生氧化还原反应是一个燃料电池;乙有外加电源,所以是电解池,结合原电池和电解池的工作原理分析解答。
【详解】
(1)甲装置中能自发的发生氧化还原反应是一个燃料电池,所以甲是把化学能转变为电能的装置,是原电池,其中通入甲醇的电极是负极,通入氧气的电极是正极;乙有外加电源,所以是电解池,A(石墨)电极与电源的正极相连,其名称是阳极;
(2)甲醇在负极上发生失去电子的氧化反应,电解质溶液显碱性,则负极电极反应式为CH3OH-6e-+8OH-=6H2O+CO;
(3)石墨与原电池的正极相连,所以石墨电极是阳极,该电极上氢氧根发生氧化反应,银电极是阴极,该电极上银离子得电子发生还原反应,总反应式为4AgNO3+2H2O4Ag+O2↑+4HNO3;乙池中B(Ag)极是阴极,阴极的质量增加5.40g是银,其物质的量为5.4g÷108g/mol=0.05mol,根据总反应式可知生成氧气的物质的量是0.05mol÷4=0.0125mol,在标况下的体积为0.0125mol×22.4L/mol=0.28L=280mL。
11.膜技术原理在化工生产中有着广泛的应用。有人设想利用电化学原理制备少量硫酸和绿色硝化剂N2O5,装置如图。
(1)A装置是______,B装置是_____(填“原电池”或“电解池”)。
(2)N2O5在_____(填“c极”或“d极”)区生成。
(3)A装置中通入O2的电极反应式为______。
【答案】原电池 电解池 c O2+4H++4e-=2H2O
【分析】
A装置有能自发进行的氧化还原反应,为原电池装置,二氧化硫在a极失电子,发生氧化反应,a极为原电池负极,氧气在b电极得电子,b极为原电池的正极;
B装置与原电池装置的正、负极相连,为电解池装置,c极与原电池正极相连,为阳极,d极与原电池负极相连,为阴极。
【详解】
(1)由分析可知,A装置为原电池装置,B装置为电解池装置,故答案为:原电池;电解池;
(2)结合B装置可知,N2O4在c极失电子转化为N2O5,故答案为:c;
(3)A装置为原电池装置,氧气在b电极得电子,结合电解质溶液、电荷守恒、原子守恒可写出A装置中通入O2的电极反应式为O2+4H++4e-=2H2O,故答案为:O2+4H++4e-=2H2O。
12.知识的梳理和感悟是有效学习的方法之一。某学习小组将有关“电解饱和食盐水”的相关内容进行梳理,形成如下问题(显示的电极均为石墨)
(1)图1中,电解一段时间后,气球b中的气体是___(填化学式)。
(2)利用图2制作一种环保型消毒液发生器,电解可制备“84”消毒液的有效成分NaClO,则c为电源的___极;该发生器中反应的总离子方程式为____。
(3)二氧化氯(ClO2)为一种黄绿色气体,是国际上公认的高效、广谱、快速、安全的杀菌消毒剂。如图是目前已开发出用电解法制取ClO2的新工艺。
①阳极产生ClO2的电极反应式:____。
②当阴极产生标准状况下112mL气体时,通过阳离子交换膜离子的物质的量为__。
(4)SO2和NOx是主要大气污染物,利用如图装置可同时吸收SO2和NO。
①已知电解池的阴极室中溶液的pH在4~7之间,阴极的电极反应为____。
②用离子方程式表示吸收NO的原理____。
【答案】H2 负 Cl-+H2OClO-+H2↑ Cl--5e-+2H2O=ClO2↑+4H+ 0.01mol 2HSO+2H++2e-=S2O+2H2O 2NO+2S2O+2H2O=N2+4HSO
【详解】
(1)图1中,根据电子流向知,左边电极是电解池阳极、右边电极是电解池阴极,阳极上氯离子放电生成氯气,阴极上氢离子放电生成氢气,所以a气球中气体是氯气、b气球中的气体是氢气,故答案为:H2;
(2)利用图2制作一种环保型消毒液发生器,阳极上氯离子放电生成氯气、阴极上氢离子放电生成氢气,同时阴极有NaOH生成,氯气和氢氧化钠反应生成NaClO,次氯酸钠具有漂白性,为了使反应更充分,则下边电极生成氯气、上边电极附近有NaOH生成,上边电极生成氢气,为阴极,则c为负极、d为正极,发生器中反应的总离子方程式为Cl-+H2OClO-+H2↑;
(3)①由题意可知,氯离子放电生成ClO2,根据电子守恒和电荷守恒写出阳极的电极反应式为Cl--5e-+2H2O=ClO2↑+4H+;
②阴极产生标准状况下112mL是H2,物质的量为0.005mol,阴极电极反应式为2H++2e-=H2↑,所以电路中转移电子0.01mol,钠离子所带电荷与电子所带电荷数相同,所以通过阳离子交换膜的钠离子的物质的量为0.01mol;
(4)①阴极发生得到电子的还原反应,根据装置图可知阴极是HSO得到电子,被还原为S2O,由于电解池的阴极室中溶液的pH在4~7之间,因此阴极的电极反应为2HSO+2H++2e-=S2O+2H2O。
②S2O具有强还原性,能把NO还原为氮气,则用离子方程式表示吸收NO的原理为2NO+2S2O+2H2O=N2+4HSO。
13.如图装置所示,C、D、E、F、X、Y都是惰性电极,甲、乙中溶液的体积和浓度都相同(假设通电前后溶液体积不变),A、B为外接直流电源的两极。将直流电源接通后,F极附近呈红色。
请回答:
(1)B极是电源的___________,一段时间后,甲中溶液颜色___________,丁中X极附近的颜色逐渐变浅,Y极附近的颜色逐渐变深,这表明___________,在电场作用下向Y极移动。
(2)若甲、乙装置中的C、D、E、F电极均只有一种单质生成时,对应单质的物质的量之比为___________。
(3)现用丙装置给铜件镀银,则H应该是___________(填“镀层金属”或“镀件”),电镀液是___________溶液。当乙中溶液的c(OH-)=0.1mol·L-1时(此时乙溶液体积为500 mL),丙中镀件上析出银的质量为___________,甲中溶液的pH___________(填“变大”“变小”或“不变”)。
(4)若将C电极换为铁,其他装置都不变,则甲中发生总反应的离子方程式是___________。
(5)若用惰性电极电解CuSO4溶液一段时间后,需加入49 g Cu(OH)2固体,才能使电解质溶液复原,则这段时间,整个电路中转移的电子数为___________
【答案】负极 逐渐变浅 氢氧化铁胶体粒子带正电荷 1:2:2:2 镀件 AgNO3 5.4 g 变小 Fe+Cu2+Cu+Fe2+ 2NA
【分析】
将直流电源接通后,F极附近呈红色,说明F极的电极反应式为2H2O+2e-=H2↑+2OH-,则F极为阴极;结合装置图,C、E、G、X极为阳极,D、F、H、Y极为阴极,则A为外接电源的正极,B为外接电源的负极;据此分析作答。
【详解】
(1)F极附近呈红色,说明F极的电极反应式为2H2O+2e-=H2↑+2OH-,则F极为阴极,E是阳极,则A极为电源正极,B为电源负极;甲中D极为阴极,D极上Cu2+得电子发生还原反应生成Cu,一段时间后甲中溶液颜色逐渐变浅;丁中X极为阳极,Y极为阴极,丁中X极附近的颜色逐渐变浅,Y极附近的颜色逐渐变深,说明Fe(OH)3胶体粒子向阴极移动,表明Fe(OH)3胶体粒子带正电荷;故答案为:负极;逐渐变浅;氢氧化铁胶体粒子带正电荷。
(2)若甲、乙装置中的C、D、E、F电极均只有一种单质生成时,C、D、E、F的电极反应式依次为2H2O-4e-=O2↑+4H+、Cu2++2e-=Cu、2Cl--2e-=Cl2↑、2H2O+2e-=H2↑+2OH-,由于电路中通过的电量相等,所以O2、Cu、Cl2、H2物质的量之比为1:2:2:2;故答案为:1:2:2:2。
(3)现用丙装置给铜件镀银,则G极为Ag,H极为铜件,即H极为镀件,电镀液为AgNO3溶液;当乙中溶液的c(OH-)=0.1mol·L-1时,则n(OH-)=0.1 mol·L-1×0.5 L=0.05 mol,根据电极反应式2H2O+2e-=H2↑+2OH-,电路中通过的电子的物质的量为0.05 mol,丙中镀件上的电极反应式为Ag++e-=Ag,所以丙中镀件上析出银的物质的量为0.05mol,质量为0.05 mol×108 g·mol-1=5.4 g;甲中电解硫酸铜溶液生成Cu、O2和硫酸,溶液的酸性增强,则甲中溶液的pH变小;故答案为:镀件;AgNO3;5.4g;变小;
(4) 若将C电极换为铁,其他装置都不变,Fe为活性电极,则C极电极反应式为Fe-2e-=Fe2+,D极电极反应式为Cu2++2e-=Cu,故甲中发生总反应的离子方程式为Fe+Cu2+Fe2++Cu;故答案为:Fe+Cu2+Fe2++Cu;
(5)n[Cu(OH)2]==0.5 mol,根据O守恒可知阳极放出0.5molO2,根据电极反应式2H2O-4e-=O2↑+4H+可知,整个电路中转移的电子物质的量为0.5mol×4=2mol,即转移电子数为2NA;故答案为:2NA。
14.某同学设计利用一氧化氮——空气质子交换膜燃料电池将化学能转化为电能,实现了制硝酸、发电、环保三位一体的结合。
(1)甲装置中Pt1上的电极反应式为___________,每转移1mol电子,通过质子交换膜的H+的物质的量为___________。
(2)乙装置中C2上的电极反应式为___________,乙装置中物质X是___________(填化学式)。
(3)装置丙用于粗铜的精炼。装置中电极A是___________(填“粗铜”或“纯铜”),工作一段时间后,CuSO4溶液的浓度将___________(填“增大”“减小”或“不变”)。
【答案】NO-3e-+2H2O=NO+4H+ 1mol NO+5e-+6H+=NH+H2O H2SO4 粗铜 减小
【分析】
某同学设计利用一氧化氮——空气质子交换膜燃料电池将化学能转化为电能,装置甲为原电池,通入氧气的一极为正极,通入NO的一极为负极;装置乙和装置丙是电解池,C1为阳极,C2为阴极,A为阳极,B为阴极,以此解答。
【详解】
(1)甲装置是原电池,Pt1上NO失电子生成硝酸,电极方程式为:NO-3e-+2H2O=NO+4H+;每转移1mol电子,通过质子交换膜的H+的物质的量为1mol,故答案为:NO-3e-+2H2O=NO+4H+;1mol;
(2)装置乙是电解池,C1为阳极,C2为阴极,NO在C2上得电子生成NH,电极方程式为:NO+5e-+6H+=NH+H2O;SO2在C1极失电子,电极方程式为:SO2-2e-+2H2O=SO+4H+,则乙中有硫酸生成,物质X是H2SO4,故答案为:NO+5e-+6H+=NH+H2O;H2SO4;
(3)装置丙用于粗铜的精炼,A为阳极,B为阴极,A极是粗铜;因为粗铜中存在比铜活泼的金属杂质,在阳极也会放电,所以工作一段时间后,CuSO4溶液的浓度将减小,故答案为:粗铜;减小。
15.利用所学电化学反应原理,解决以下问题:
Ⅰ.如图所示,A为电源,B为浸透饱和食盐水和酚酞溶液的滤纸,滤纸中央滴有一滴KMnO4溶液,C、D为电解槽,其电极材料及电解质溶液如图所示。
(1)闭合K1,断开K2,通电后,d端显红色,则电源b端为____极,若c、d为惰性电极,检验c端产物的方法为__。滤纸中央KMnO4溶液处发生的现象为____。
(2)已知C装置中溶液的溶质为Cu(NO3)2和X(NO3)3,且均为0.1mol,打开K1,关闭K2, 通电一段时间后,阴极析出固体质量m(g)与通过电子的物质的量n(mol)关系如图所示,则Cu2+、X3+、H+ 氧化能力由大到小的顺序是_____。
(3)D装置中溶液是H2SO4溶液,则电极C端从开始至一段时间后的实验现象是____。
Ⅱ. 电化学技术是有效解决 CO、SO2、NOx 等大气污染的重要方法,某兴趣小组以SO2为原料,采用电化学方法制取硫酸,装置如下 :
(1)电解质溶液中离子向_____(填“A极”或“B极” )移动。
(2)请写出负极电极反应式_____。
(3)用该原电池做电源,石墨做电极电解2L AgNO3和KNO3混合溶液,通电一段时间,两极均产生2.24 L(标准状况)气体,假设电解前后溶液体积不变,则电解后溶液中H+的浓度为____,析出银的质量___g。
(4)用Na2SO3溶液充分吸收SO2得NaHSO3溶液,然后电解该溶液可制得硫酸。电解原理示意图如下图。请写出开始时阳极反应的电极反应式:_____。
【答案】负 将湿润的淀粉碘化钾试纸置于电极附近,试纸变蓝 KMnO4紫红色液滴向c端移动 Cu2+ > H +>X3+ 产生无色气体,溶液变为蓝色,一段时间后有红色物质析出 A极 SO2-2e-+2H2O ==+4H+ 0.1 mol·L-1 21.6 g +H2O-2e-==+3H+
【详解】
I.(1)关闭K1,打开K2,为电解饱和食盐水装置,其电解总反应为:2NaCl+2H2O 2NaOH +Cl2↑ +H2↑,d端呈红色,说明d端生成了OH-,由此可知b为电源负极,a端为电源正极;c为电解池的阳极,若c为惰性电极,c端产物为Cl2 ,常用湿润淀粉碘化钾试纸检验,其检验方法为将湿润的淀粉碘化钾试纸置于电极附近,若试紙变蓝 ,则说明生成了Cl2;KMnO4溶液为电解质溶液,电解过程中, c端Cl-被氧化, MnO向c极移动,其现象为KMnO4紫红色液滴向c端移动;
(2) 根据电解C的图象可知,通电后就有固体生成,当通过电子为0.2mol时,析出固体质量达最大,证明此时析出的固体是铜 。 如果是x3+析出,电子数应该是0.3mol ,则氧化能力为Cu2+ >X3+,当电子超过0.2mol时,固体质量没变,说明这阴极产生的氢气,即电解水,说明氧化能力H+>X3+,故氧化能力为Cu2+> H+>X3+;
(3) 断开K1 ,闭合K2,由(1)分析可知b为电源负极,即D装置中碳棒作为阴极,Cu电极作为阳极,阳极上是Cu失去电子变成Cu2+,阴极上的电极反应是H+得到电子变成氢气,之后Cu2+得到电子变成铜,所以实验现象是产生无色气体,溶液变为蓝色,一段时间后有红色物质析出;
Ⅱ.(1) 原电池中,阴离子向负极移动,负极为化合价升高的,所以A为负极,故SO向A电极移动;
(2) 根据分析,负极为A电极,电极反应为SO2-2e-+2H2O =SO+4H+;
(3) 石墨做电极电解AgNO3和KNO3混合溶液,先电解AgNO3溶液,后电解H2O。阴极发生反应Ag++e-=Ag,再发生反应2H2O+2e- =H2↑+2OH-,阳极发生反应2H2O-4e-=O2↑+4H+,两极均产生2.24L (标准状况)气体,即阴极产生0.1mol H2,阳极产生0.1mol O2。由阳极反应可知,反应转移的总电子为0.4mol,由阴极反应可知,电解AgNO3溶液时转移电子为0.2mol,电解水时转移电子为0.2mol。反应后的H+的浓度根据电解AgNO3溶液计算,转移电子为0.2mol,生成的H+也为0.2mol,浓度为=0.1mol/L;根据阴极反应Ag++e-=Ag,电解AgNO3溶液时转移电子为0.2mol,生成的Ag质量为0.2mol108g/mol=21.6g;
(4) 用Na2SO3溶液充分吸收SO2得NaHSO3溶液,然后电解该溶液可制得硫酸。电解池阳极发生氧化反应,阳极反应的电极反应式HSO+H2O-2e-= SO+3H+。
16.回答下列问题:
(1)某同学根据漂白粉的制备原理和电解原理制作了一种家用环保型消毒液发生器(如图所示,没有使用离子交换膜),用石墨作电极电解饱和氯化钠溶液。通电时,为使Cl2被完全吸收,制得有较强杀菌能力的消毒液,则:
①利用Cl2与石灰乳反应可以制取漂白粉,反应的化学方程式为_____。
②L极区的电极反应式为_______。
(2)电解法可以提纯粗镓,具体原理如图所示。镓在阳极溶解生成的Ga3+与NaOH溶液反应生成GaO,GaO在阴极放电的电极反应式_______。
(3)我国学者发明的一种分解硫化氢制氢并回收硫的装置如图所示:
若Y极液中的电对(A/B)选用I/I-,装置工作时Y极上的电极反应式为______,Y极溶液中发生的离子反应为______。
【答案】2Cl2+2Ca(OH)2=Ca(ClO)2+CaCl2+2H2O 2Cl--2e-=Cl2↑ GaO+3e-+2H2O=Ga+4OH- 3I--2e-=I I+H2S=S↓+2H++3I-
【详解】
(1)①利用Cl2与石灰乳反应可以制取漂白粉,反应的化学方程式为2Cl2+2Ca(OH)2=CaCl2+Ca(ClO)2+2H2O;
②通电时,为使Cl2被完全吸收,该装置的下端生成氯气,则L极区的电极反应式为2Cl--2e-=Cl2↑;
(2)电解法可以提纯粗镓,则高纯镓作阴极,粗镓作阳极,阳极上Ga失去电子变为Ga3+,生成的Ga3+与NaOH溶液反应生成GaO,GaO在阴极放电生成Ga,电极反应式GaO+3e-+2H2O=Ga+4OH-;
(3)根据图示,该装置是将光能转变为化学能和电能,X电极将H+转化为H2,化合价降低,发生还原反应,则Y电极发生氧化反应,若Y极液中的电对(A/B)选用I/I-,则电极反应为3I--2e-= I,Y电极溶液中含有H2S,具有还原性,而I具有氧化性,二者发生氧化还原反应S单质、碘离子和氢离子,离子反应为:I+H2S=S↓+2H++3I-。
17.如图所示,某同学设计了一个燃料电池并探究氯碱工业原理的相关问题,其中乙装置中 X 为阳离子交换膜。请按要求回答相关问题:
(1) 石 墨 电 极 (C) 作____极 , 甲 中 甲 烷 燃 料 电 池 的 负 极 反 应 式 为________________。
(2)若消耗 2.24 L(标况)氧气,则乙装置中铁电极上生成的气体体积(标况)为____ L。乙池中总反应的离子方程式 _______________
(3)若丙中以 CuSO4 溶液为电解质溶液进行粗铜(含 Al、Zn、Ag、Pt、Au 等杂质)的电解精炼,下列说法正确的是_______________。
A.a 电极为纯铜
B.粗铜接电源正极,发生还原反应
C.CuSO4 溶液的浓度保持不变
D.利用阳极泥可回收 Ag、Pt、Au等金属
(4)若丙中以稀 H2SO4 为电解质溶液,电极材料 b 为铝,则能使铝表面生成一层致密的氧化膜,该电极反应式为____________
(5)若将乙装置中两电极用导线直接相连,则石墨(C) 电极上发生的电极反应式为:_________
【答案】阳 CH4-8e-+10OH-=CO+7H2O 4.48 2Cl-+2H2O=2OH-+H2↑+Cl2↑ AD 2Al-6e-+3H2O=Al2O3+6H+ O2+4e-+2H2O=4OH-
【详解】
(1)甲装置为原电池,通氧气一极为正极,通甲烷一极为负极,b连接正极,作阳极,a为阴极,C为阳极,Fe为阴极,甲中电解质为KOH溶液,因此电极反应式为CH4+10OH--8e-=CO32-+7H2O;
(2)铁作阴极,其电极反应式为2H++2e-=H2↑,正极反应式为O2+2H2O+4e-=4OH-,得失电子数目守恒,2H2~4e- ~O2,在相同条件下,体积之比等于气体的物质的量之比,氢气的体积为2.24×2L=4.48L,电解饱和食盐水,阴极产生氢气和氢氧化钠,阳极生成氯气,总反应式是2Cl-+2H2O=2OH-+H2↑+Cl2↑;
(3)精炼铜时,粗铜作阳极(Cu-2e-=Cu2+),纯铜作阴极(Cu2++2e-=Cu),电解质溶液中含Cu2+,Cu2+浓度基本保持不变,粗铜中含有杂质,比铜活泼性弱的金属作为阳极泥沉降出来,故答案为:AD;
(4)根据电解原理,以及铝表面产生氧化膜,说明铝作阳极,因此电极反应式为2Al+3H2O-6e-=Al2O3+6H+;
(5) 若将乙装置中两电极用导线直接相连,构成原电池,铁做负极,石墨做正极,则石墨(C)发生吸氧腐蚀,电极上发生的电极反应式为O2+4e-+2H2O=4OH-。
18.课题式研究性学习是培养学生创造思维的良好方法,某研究性学习小组将下列装置如图所示连接,C、D、E、F、X、Y都是惰性电极。将电源接通后,向乙中滴入酚酞试液,在F极附近显红色.试回答下列问题:
(1)电源A极的名称是____,电极G的名称是_____。
(2)甲装置中电解反应相关方程式:C:_____,D:______,总反应方程式:_____。如果起始时甲烧杯中盛有1000mL溶液,通电一段时间后溶液中的Cu2+恰好消耗掉(假设没有其它离子干扰),此时收集到气体3.36L(标准状况下),则原硫酸铜溶液的浓度是____mol/L,电路中通过的电子的物质的量是____mol;若要使溶液恢复到起始浓度(忽略溶液体积的变化),可向溶液中加入____(填物质名称)。
(3)如果收集乙装置中产生的气体,两种气体的体积比是____。
(4)欲用丙装置给铜镀银,G应该是____(填“铜”或“银”),电镀液的主要成分是_____(填化学式)。
(5)装置丁中的现象是_______。
【答案】正极 阳极 4OH--4e-=O2↑+2H2O Cu2++2e-=Cu 2CuSO4+2H2O2Cu+O2↑+H2SO4 0.3 0.6 氧化铜 1∶1 银 AgNO3 Y极附近红褐色变深
【分析】
C、D、E、F、X、Y都是惰性电极,将电源接通后,乙为电解池,向乙中滴入酚酞试液,在F极附近显红色,说明F极上水得电子生成氢气和氢氧根离子,F极为阴极,则A为正极,B为负极,C、E、G、X为阳极,D、F、H、Y为阴极;
【详解】
(1)由上述分析可知,电源A极的名称是正极,电极G的名称是阳极;
(2)在甲装置中,C为阳极,氢氧根离子在C极失电子生成氧气,电极反应式为:4OH--4e-=O2↑+2H2O,D为阴极,铜离子在D极得电子生成Cu,电极反应式为:Cu2++2e-=Cu,总反应方程式为:2CuSO4+2H2O2Cu+O2↑+H2SO4;如果起始时甲烧杯中盛有1000mL溶液,通电一段时间后溶液中的Cu2+恰好消耗掉(假设没有其它离子干扰),此时收集到气体3.36L(标准状况下),气体为O2,O2的物质的量为:=0.15mol,根据总反应方程式可知,消耗CuSO4的物质的量为:0.15mol×2=0.3mol,则原硫酸铜溶液的浓度是:=0.3mol/L;电路中通过的电子的物质的量是:0.15mol×4=0.6mol;从反应体系中脱离出去的是Cu和O2,得到的是H2SO4溶液,若要使溶液恢复到起始浓度,则可向溶液中加入CuO,即氧化铜;
(3)乙装置为电解饱和食盐水,总反应方程式为:2NaCl+2H2O2NaOH+H2↑+Cl2↑,根据总反应式可知,若收集乙中产生的气体,两种气体的体积比是:1∶1;
(4)欲用丙装置给铜镀银,镀层金属作阳极,待镀金属作阴极,含镀层金属离子的盐溶液作电解质溶液,G是阳极,则G应该是银,电镀液的主要成分是AgNO3;
(5)氢氧化铁胶粒带有正电荷,移向阴极,则装置丁中的现象是Y极附近红褐色变深。
19.根据要求回答下列问题:
(1)NaBH4(s)与H2O(l)反应生成NaBO2(s)和H2(g),在25 ℃、101 kPa下,已知每消耗3.8gNaBH4(s)放热21.6kJ,该反应的热化学方程式是___________。
(2)有人设想以N2和H2为反应物,以溶有A的稀盐酸为电解质溶液,可制造出既能提供电能,又能固氮的新型燃料电池,装置如图所示,电池正极的电极反应式是___________,A是___________。
(3)在传统的电解氯化氢回收氯气技术的基础上,科学家最近采用碳基电极材料设计了一种新的工艺方案,主要包括电化学过程和化学过程,如图所示:
负极区发生的反应有___________、___________(写反应方程式)。电路中转移1 mol电子,需消耗氧气___________L(标准状况)。
【答案】NaBH4(s)+2H2O(l)=NaBO2(s)+4H2(g)ΔH=-216.0 kJ·mol-1 N2+8H++6e-=2NH 氯化铵 Fe3++e-=Fe2+ 4Fe2++O2+4H+=4Fe3++2H2O 5.6
【详解】
(1)3.8gNaBH4的物质的量等于3.8g÷38g/mol=0.1mol,在25℃、101kPa下,每消耗0.1mol NaBH4(s)放热21.6kJ,则消耗1mol NaBH4(s)放热216.0kJ,则热化学方程式为NaBH4(s)+2H2O(l)=NaBO2(s)+4H2(g)ΔH=-216.0 kJ·mol-1;
(2)该电池的本质反应是合成氨反应,电池中氢气失电子,在负极发生氧化反应,氮气得电子在正极发生还原反应,则正极反应式为N2+8H++6e-=2NH,氨气与HCl反应生成氯化铵,则电解质溶液为氯化铵溶液;
(3)根据图示,电解池左侧发生反应Fe3++e-=Fe2+,该反应为还原反应,属于电解池的阴极,负极通入氧气后Fe2+被O2氧化而再生成Fe3+,该反应为4Fe2++O2+4H+=4Fe3++2H2O;根据电子守恒及4Fe2++O2+4H+=4Fe3++2H2O可知,电路中转移1mol电子,消耗氧气的物质的量为:1mol÷4=0.25mol,标况下0.25mol氧气的体积为:22.4L/mol×0.25mol=5.6L。
20.能源问题是人类社会面临的重大课题,甲醇是一种可再生能源,具有广阔的开发和应用前景,研究甲醇具有重要意义。
(1)利用工业废气中的CO2可制取甲醇,其反应为CO2(g)+3H2(g)CH3OH(g)+H2O(g) ΔH<0.为探究用CO2生产燃料甲醇的反应原理,现进行如下实验:在恒温条件下,向一容积为1 L的密闭容器中,充入1 mol CO2和3 mol H2,进行上述反应。测得CO2和CH3OH(g)的浓度随时间变化的曲线如图所示。从反应开始到达平衡状态,v(H2)=_______;该温度下的平衡常数数值K=_______(mol·L-1)-2.能使平衡体系中增大的措施有_______(任写一条)。
(2)工业上利用甲醇制备氢气的常用方法有两种。
①甲醇部分氧化法。在一定温度下以Ag/CeO2-ZnO为催化剂时,原料气比例对反应的选择性(选择性越大,表示生成的该物质越多)影响关系如图所示。
则当=0.25时,CH3OH与O2发生的主要反应的化学方程式为CH3OH+O2____+____,__________,在制备H2时最好控制=_______。
②甲醇蒸气重整法。主要反应为CH3OH(g)CO(g)+2H2(g)。设在容积为2.0 L的密闭容器中充入0.60 mol CH3OH(g),体系压强为p1,在一定条件下达到平衡状态时,体系压强为p2,且=2.2,则该条件下CH3OH(g)的平衡转化率为_______。
(3)现以甲醇燃料电池,采用电解法来处理酸性含铬废水(主要含有),实验室利用如图装置模拟该方法:
①M电极为电池的_______(填“正”或“负”)极,N电极的电极反应式为_______。
②请完成电解池中转化为Cr3+的离子方程式:+Fe2++____=Cr3++_Fe3++___,___。
【答案】0.225 mol·L-1·min-1 降低温度(或增大压强或增大H2的浓度等) 2CH3OH+O22HCHO+2H2O 0.5 60% 负 O2+4e-+4H+===2H2O +6Fe2++14 H+=2Cr3++6Fe3++7 H2O
【分析】
化学反应速率、化学平衡常数等按定义、结合图表中、及已知信息、运用三段式计算;反应的选择性与反应条件有关,结合化学反应原理、图表信息选择合理的反应条件;电解池中,与电源正极相连的电极是阳极,阳极上失去电子发生氧化反应,与电源负极相连的电极是阴极,阴极上氧化剂得到电子发生还原反应,内电路中阴离子移向阳极、阳离子移向阴极;电解精炼时,不纯的金属作阳极、纯净的金属作阴极;原电池中,还原剂在负极失去电子发生氧化反应,正极上氧化剂得到电子发生还原反应,内电路中阴离子移向负极、阳离子移向正极,电化学反应时,电极上电子数守恒,据此分析回答;
【详解】
(1)反应CO2(g)+3H2(g)CH3OH(g)+H2O(g) ΔH<0:从反应开始到达平衡状态, ,v(H2) =3v(CH3OH)= 0.225 mol·L-1·min-1; ,该温度下的平衡常数 (mol·L-1)-2.;能使平衡体系中增大,应使平衡向正反应方向移动,可以降温、加压或增大氢气的量或将H2O(g)从体系中分离;
(2)①由图知:当=0.25时,CH3OH与O2发生的主要反应为甲醇的催化氧化生成甲醛,化学方程式为2CH3OH+O22HCHO+2H2O,在制备H2时最好控制=0.5时氢气生成最多。②对反应:CH3OH(g)CO(g)+2H2(g)。设在容积为2.0 L的密闭容器中充入0.60 mol CH3OH(g),体系压强为p1,在一定条件下达到平衡状态时,体系压强为p2,且=2.2,则, , ,该条件下CH3OH(g)的平衡转化率为 。
(3)①氢离子由质子交换膜由M电极区移向N电极区,则M电极为电池的负极, N为正极,负极上发生氧化反应,甲醇失去电子,生成二氧化碳与氢离子,正极发生还原反应,氧气获得电子,与通过质子交换膜的氢离子结合为水,N电极的电极反应式为O2+4e-+4H+===2H2O。②电解池溶液里转化为Cr3+,化合价降低共6价,左侧Fe电极为阳极,Fe失去电子生成Fe2+,酸性条件Fe2+将还原为Cr3+,自身被氧化为Fe3+,化合价升高共1价,化合价升降最小公倍数为6,则的系数为1,Fe2+的系数为6,反应离子方程式为: +6Fe2++14 H+=2Cr3++6Fe3++7 H2O。
21.电解是工业生产的常用方法。某研究性小组进行以下相关探究。
实验Ⅰ:用图1装置电解CuCl2溶液制取少量漂白液:
(1)导气管W端应与出气口___连接(填“X”或“Y”),写出制取漂白液的化学方程式___。
(2)实验后发现阴极碳棒上除了附着有红色物质,还附着有少量白色物质。查阅资料显示:
物质名称及化学式
氯化亚铜CuCl
碱式碳酸铜Cu2(OH)3Cl
性质
白色固体、不溶于水
绿色固体、不溶于水
化学小组分析提出:①白色物质为CuCl。②红色物质可能有:___或者Cu2O;或者二者混合物.
实验Ⅱ为探究阴极碳棒上附着的红色、白色物质,设计了如下实验:取出阴极碳棒,洗涤、干燥、称其质量为W1g,并将其放入图2所示装置b中,进行实验。
实验中,碳棒上的白色物质完全变为红色,无水硫酸铜不变色,d中出现白色沉淀;实验结束时,称量其质量为W2g。
(3)无水硫酸铜的作用是_____。
(4)装置b中发生反应的化学方程式是___。
(5)碱石灰的作用是___。
(6)加热之前要先通H2,目的是___;实验结束为了防止灼热的铜被氧化,实验操作是___。
(7)电解CuCl2溶液时,阴极上产生白色物质的原因为___(用电极反应式解释);阴极上产生白色物质的物质的量是___。(列出含W1、W2的表达式)
【答案】X Cl2+2NaOH=NaCl+NaClO+H2O Cu 检验产物中是否有水,进而检验红色物质中有无Cu2O 2CuCl+H22Cu+2HCl 干燥气体 防止氢气爆炸 继续通氢气,直到试管冷却为止 Cu2++e-+Cl-=CuCl↓ mol
【详解】
(1)氯离子在阳极失电子生成氯气,氯气用氢氧化钠溶液吸收,导气管W端应与出气口X连接,制取漂白液生成次氯酸钠、氯化钠和水,化学方程式Cl2+2NaOH=NaCl+NaClO+H2O;
(2)②依据假设和物质现象分析,红色物质可能为Cu或Cu2O、或二者都有;
(3)由于无水硫酸铜不变色,证明b中反应产物没有水生成,碳棒上的红色物质中没有氧元素,一定不会含有氧化亚铜,一定含有铜,则无水硫酸铜来检验红色物质中有无Cu2O;
(4)装置b中发生反应为CuCl与氢气反应,反应的化学方程式是2CuCl+H22Cu+2HCl;
(5)碱石灰具有吸水性,作用是干燥气体;
(6)加热之前要先通H2,排尽装置中的空气,防止氢气爆炸;实验结束为了防止灼热的铜被氧化,实验操作是继续通氢气,直到试管冷却为止;
(7)电解CuCl2溶液时,阴极上发生的反应为铜离子得到电子生成铜:Cu2++2e-=Cu和铜离子得到电子生成氯化亚铜:Cu2++e-+Cl-=CuCl↓;电解CuCl2溶液时,阴极上产生白色物质的原因为Cu2++e-+Cl-=CuCl↓;阴极上产生白色物质的物质的量是所以n(CuCl)=n(Cl)=mol。
2022届高三化学一轮复习考点特训离子反应2含解析: 这是一份2022届高三化学一轮复习考点特训离子反应2含解析,共24页。试卷主要包含了选择题,非选择题等内容,欢迎下载使用。
2022届高三化学一轮复习考点特训电解池2含解析: 这是一份2022届高三化学一轮复习考点特训电解池2含解析,共44页。试卷主要包含了选择题,非选择题等内容,欢迎下载使用。
2022届高三化学一轮复习考点特训电解池1含解析: 这是一份2022届高三化学一轮复习考点特训电解池1含解析,共34页。试卷主要包含了选择题,非选择题等内容,欢迎下载使用。

