- 教科版六下1.1《了解我们的住房》课件+教案+习题 课件 7 次下载
- 教科版六下1.2《认识工程》课件+教案+习题 课件 4 次下载
- 1.4《设计塔台模型》课件+教案+习题 课件 5 次下载
- 1.5《制作塔台模型》课件+教案+习题 课件 6 次下载
- 1.6《测试塔台模型》课件+教案+习题 课件 5 次下载
小学科学教科版 (2017)六年级下册3.建造塔台习题ppt课件
展开学校要在操场上建一座塔台,以供足球教练站在塔台上指挥队员训练。现在需征集塔台的设计方案,最终通过竞标的方式确定建塔资格。
塔台又称控制塔,是一种设置于机场中的航空运输管制设施,用来管理飞机起降的地方。塔台的特点: 1.通常塔台的高度必须超越机场内其他建筑,以便让航空管制员能看清楚机场四周的动态。 2.完整的塔台建筑,最高的顶楼通常是四面皆为透明的窗户,能保持360度的视野。 学校要搭建的塔台,可以不用复杂的建筑形式,但需要一定的高度,稳固且可以环顾四周,安全又可移动。
想一想建造塔台需要考虑的因素。想一想,在做这个工程时,我们需要考虑哪些因素呢?
小结:建造塔台需要考虑的因素有建造地址、塔台样式、人员分工、塔台高度、材料选取、确保坚固、保证安全、节省成本。
塔台要设计成什么样子?
塔台建在什么位置比较合适?
还要既稳固又节省成本。
设计多高的塔台才方便观看?
制订标书。1.阅读标书项目,研讨具体内容。
标书项目写得越细致、越完整,中标机会就越大。标书要表现出小组对这项工程的详细计划。可以用图画、文字、标识、标记等多种形式相互配合制订标书。
2.以小组为单位制订标书。在制订标书时,要注意以下事项:(1)在设计中还要考虑承重、安全、抗风抗震能力等问题。(2)制订标书要合理,准确使用文字、图画、标注等多种形式表达。
(3)设计中要关注塔台设计细节。(4)在设计时关注竞标的两项重要标准:项目安全性和项目成本。
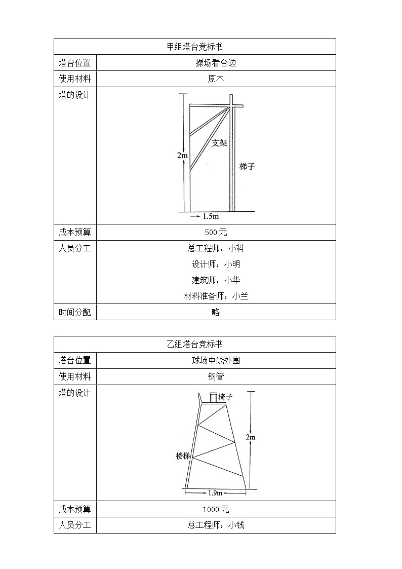
塔台竞标标书(样例)日期:2022年4月23日(1)建塔位置:操场跑道边上。(2)使用材料:①承重:空钢管、实钢管、钢筋。②外表:塑料皮、栅栏、木头、钉子。③移动:滑轮、固定架、钢、焊接器、玻璃窗、栏杆等。(3)塔的设计:(4)成本预算:材料费4000元,人工费800元。(5)人员分工:第一小组绘制设计图,第二小组购买材料,第三小组进行建造,第四小组进行测试、评估及改进。
投标发布会。 承包建筑工程或承购大宗商品时,承包人或买主按照招标公告的标准和条件提出价格,填写标书,叫做投标。 通过小组展示、自评、互评的形式开展活动。小组依次进行投标讲解,介绍本组塔台设计的优势,阐述如何保证项目安全性和控制项目成本。
竞标要点: 1.项目安全性,比如我使用了比较坚固的钢作为主要材料,采用三角形的结构增强了塔台的稳定性。 2.项目成本,包括材料费和人工费。 讲解标书时要注意:一定要把方案设计部分讲述清楚,如果能结合图纸讲出自己方案的特色更好。
通过参与设计塔台的项目,我们有什么感受? 1.项目安全性和项目成本非常重要,因此我们在设计的过程中充分平衡了建造地址、塔台样式、人员分工、塔台高度、材料选取、确保坚固、保证安全、节省成本等因素。 2.当小组内有不同想法时,我们充分听取了不同的建议,从中筛选出可行性较好的建议,最终达成了共识。
设计中遇到了哪些问题?我们计划怎么解决? 问题1:分工不明确,每个成员不知道各自应该做什么。 解决方法:有明确的分工且贯彻实施,为每个成员安排了相应的任务,并且每个成员都明确自己的任务,能有组织地执行。 问题2:设计了文字和图画说明,但是说明较混乱、缺乏条理,没有用数字进行定量说明或者没有关键性的箭头指示等。 解决方法:合理地设计文字和图画说明,对设计结构的表述条理清晰,对每部分使用的材料进行了加工和用量的详细介绍。
我们对工程又有了怎样的新认识? 交流的核心是加强对工程的理解,主要指向两点:第一,认识工程要统筹考虑、协调平衡多种制约因素,具有复杂性;第二,树立改进贯穿工程建设各个环节的意识。意识到建造工程各环节都很复杂,设计环节在其中尤其关键。
判断题。1.设计塔台需要考虑到各因素以及各因素之间的关联。( )2.制订标书时,如果小组内有不同的观点,应该按照组长的观点制作标书。( )3.投标发布会上,我们可以对别人的标书提出质疑。( )4.工程的关键是设计,设计需要经历不断改进的往复过程,直至满足建造需求。( )5.标书的内容越详尽、完整,越有利于后期竞标。( )
选择题1.在制作塔台前,我们必须先进行( )。A.规划设计 B.实施建设 C.评估验收 D.实地考察2.为足球教练设计塔台时,我们需要考虑很多因素,其中塔台的高度( )。A.越高越好,站得高看得远 B.越矮越好,矮一点更安全C.高度适中,既安全又视野开阔 D.无所谓,不需要考虑3.如下图,你认为塔台的位置在( )最合适。A.球场正中央 B.中线外围C.球门后面 D.边角位置
本课通过制订塔台竞标标书、开投标发布会等活动,利用文字、画图、标注等多种形式表达自己的创意与构想。初步体验工程实施过程,明确工程项目要求,体会并感受设计的重要作用,加深对工程的理解。
小学教科版 (2017)3.建造塔台获奖课件ppt: 这是一份小学教科版 (2017)<a href="/kx/tb_c161889_t3/?tag_id=26" target="_blank">3.建造塔台获奖课件ppt</a>,文件包含13建造塔台课件pptx、核心素养目标13建造塔台教案设计docx、视频1mp4等3份课件配套教学资源,其中PPT共38页, 欢迎下载使用。
小学科学教科版 (2017)六年级下册3.建造塔台习题ppt课件: 这是一份小学科学教科版 (2017)六年级下册3.建造塔台习题ppt课件,文件包含第3课时建造塔台pptx、第3课时建造塔台docx等2份课件配套教学资源,其中PPT共22页, 欢迎下载使用。
小学教科版 (2017)3.建造塔台习题课件ppt: 这是一份小学教科版 (2017)3.建造塔台习题课件ppt,共7页。PPT课件主要包含了选择题,成本预算低,设计美观底座稳固,成本预算比甲组高,项目安全性,项目成本,运动饮水瓶,便携式饮水瓶等内容,欢迎下载使用。

