专题21 探究电流与电压、电阻的关系以及测量电阻实验-2022年中考物理一轮复习抓重点考典型(人教版).学案
展开探究电流与电压、电阻的关系及测量电阻实验
1、 熟悉控制变量法的实验过程
2、学习探究电流和电压、电阻的关系
3、学会使用电压表和电流表测量电阻的方法。
4、通过对实验数据的分析,加深对电阻概念的正确理解。
5、会用特殊法测量电阻。
探究电流与电压和电阻的关系
1、实验方法:
控制变量法
2、探究电流与电压和电阻的关系
实验目的 | 探究电流与电压的关系 | 探究电流与电阻的关系 |
控制变量 | 控制 电阻 不变,利用滑动变阻器来改变电阻两端的电压和通过导体的电流 | 控制 电压 不变,换 不同阻值的定值电阻 ,利用滑动变阻器调节使不同电阻两端的电压相同 |
电路图 (原理) | ||
实验图像 | ||
结论 | 电阻不变时,电流与电压成正比 | 电压不变时,电流与电阻成反比 |
3、注意事项:
(1)在连接实物图时,开关应 断开 ,滑动变阻器的滑片要移到 阻值最大处。
(2)电流表和电压表要选择合适的量程(试触法)。在不超过量程的情况下,要尽可能选用小量程,以减小实验的误差。
(3)一定要让电流从电流表和电压表的 正接线柱 进,从 负接线柱 出,否则指针会向 左偏转 。
(4)读数时,视线要与刻度盘上的刻度线垂直,若指针不指在整刻度线,要适当估读。
(5)控制变量:实验过程和实验结论都要注意。
(6)电表量程的选择
①根据题中已给的数据来选择
②根据试题当中所画出的表头来选择
③根据试题当中所给出的表格数据来选择
④根据试题当中所给出的电源电压来选择
⑤若不能确定电表量程大小的情况时,各表都要选择最大量程
4、利用数学函数图像分析电流与电阻和电压的关系
看清楚横轴和纵轴表示的内容,然后再看变化趋势。
如图所示,横轴表示电流,纵轴表示电阻,从图像中可以看出,电流随电阻的增大而减小。隐含条件: 电阻两端的电压不变
电阻的测量
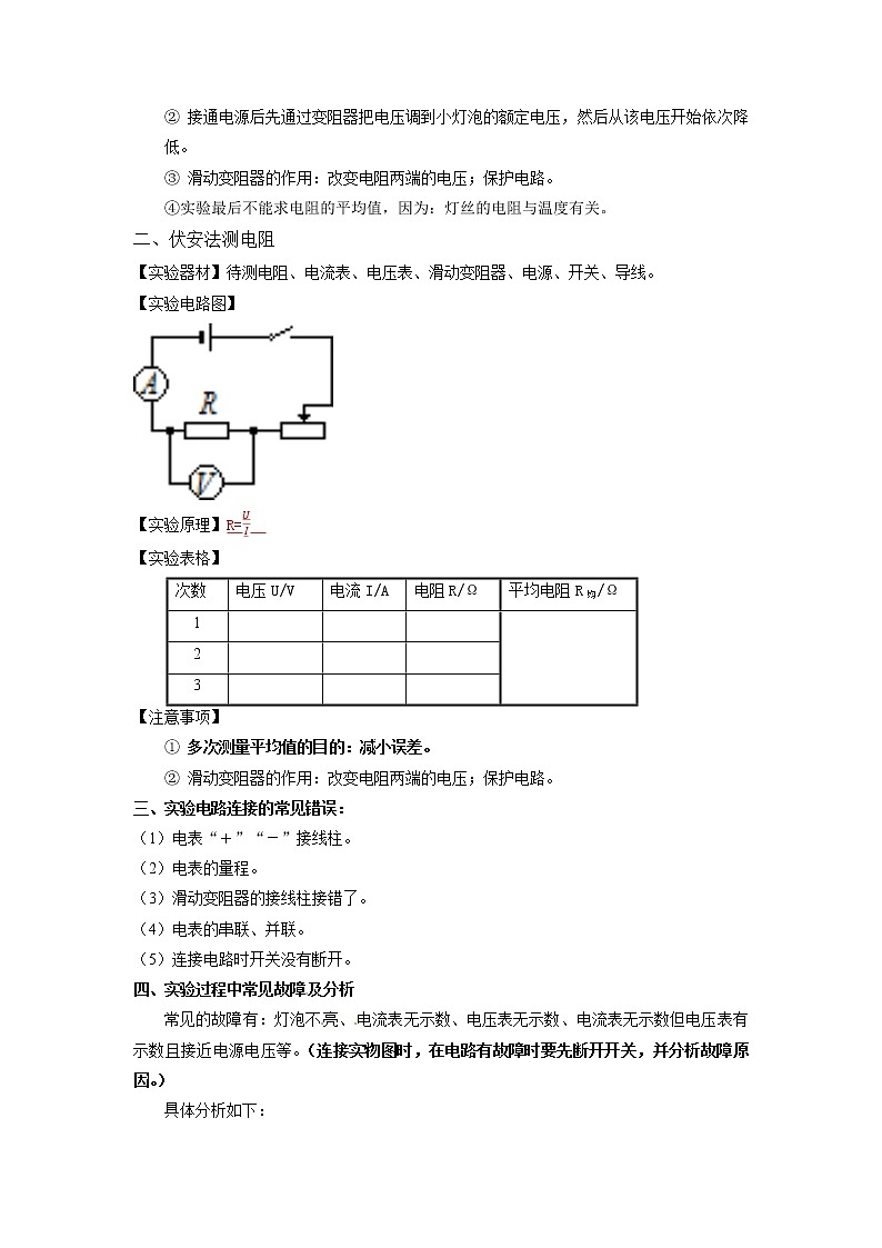
一、伏安法测量小灯泡的电阻
【实验器材】小灯泡、电流表、电压表、滑动变阻器、电源、开关、导线。
【实验电路图】
【实验原理】 R=
【实验表格】
次数 | 电压/V | 电流/A | 电阻/Ω |
1 |
|
|
|
2 |
|
|
|
3 |
|
|
|
【实验结论】灯丝的电阻与温度有关。温度越高,灯丝电阻 越大 。
【注意事项】
① 连接实物图时,开关S应 断开 ,滑动变阻器滑片P 移到阻值最大处 。
② 接通电源后先通过变阻器把电压调到小灯泡的额定电压,然后从该电压开始依次降低。
③ 滑动变阻器的作用:改变电阻两端的电压;保护电路。
④实验最后不能求电阻的平均值,因为:灯丝的电阻与温度有关。
二、伏安法测电阻
【实验器材】待测电阻、电流表、电压表、滑动变阻器、电源、开关、导线。
【实验电路图】
【实验原理】R=
【实验表格】
次数 | 电压U/V | 电流I/A | 电阻R/Ω | 平均电阻R均/Ω |
1 |
|
|
|
|
2 |
|
|
| |
3 |
|
|
|
【注意事项】
① 多次测量平均值的目的:减小误差。
② 滑动变阻器的作用:改变电阻两端的电压;保护电路。
三、实验电路连接的常见错误:
(1)电表“+”“-”接线柱。
(2)电表的量程。
(3)滑动变阻器的接线柱接错了。
(4)电表的串联、并联。
(5)连接电路时开关没有断开。
四、实验过程中常见故障及分析
常见的故障有:灯泡不亮、电流表无示数、电压表无示数、电流表无示数但电压表有示数且接近电源电压等。(连接实物图时,在电路有故障时要先断开开关,并分析故障原因。)
具体分析如下:
(1)灯泡不亮,可能是灯泡被短路,灯泡断路(接触不良、灯丝烧断、连接灯泡导线断开)
(2)电流表无示数,可能是电流表短路,或从电流表两接线柱到电源两极间的电路中某处断路。
(3)电压表无示数,可能是电压表被短路,或从电压表两接线柱到电源两极间的电路中某处断路。
(4)电流表无示数但电压表有示数且接近电源电压,故障为所测灯泡断路。
五、其他方法测电阻
| 电路图 | 直接测得的物理量 | 计算电阻的表达式 |
方法1 | 待测电阻Rx两端的电压U1 已知电阻R两端的电压U2 | ||
方法2 | 通过待测电阻Rx的电流I1 通过已知电阻R的电流I2 | ||
方法3 | S接a时电路中电流I1, S接b时过已知电阻R的电流I2 | ||
方法4 | S接a时的电压表示数U1 S接b时电阻R两端的电压U2
|
探究“电流与电压、电阻的关系”
一、图像分析
1、某同学在探究“电阻上的电流跟两端电压的关系”时,发现通过电阻a、b的电流随电压变化情况如图所示,则下列结论与图像相符的是( )
A.电阻一定时,电流随着电压的增大而减小
B.电压相同时,阻值大的电阻通过的电流大
C.电流相同时,阻值小的电阻两端的电压大
D.两电阻阻值的关系是Ra>Rb
【答案】D
【解析】探究“电阻上的电流跟两端电压的关系”时,电阻一定,电流与电压成正比,故A、B、C错;电压相同时,通过电阻a的电流小,故a的电阻大。
【拓展】某同学在探究“电流跟电压、电阻的关系”时,根据收集到的数据画出了如图所示的I-R图像,下列结论与图像相符的是 ( )
A.电阻一定时,电流随着电压的增大而增大
B.电阻一定时,电压随着电流的增大而增大
C.电压一定时,电流随着电阻的增大而减小
D.电压一定时,电阻随着电流的增大而减小
【答案】C
【解析】探究“电流跟电阻的关系”时,电压一定,电流随着电阻的增大而减小,故选C。
二、结论应用
2、在如图所示的电路中,电源电压保持不变,闭合开关,滑动变阻器滑片向左移动,电表
的示数将 ( )
A.甲表示数变大,乙表示数变大
B.甲表示数不变,乙表示数变小
C.甲表示数不变,乙表示数变大
D.甲表示数变小,乙表示数不变
【答案】D
【解析】定值电阻R与滑动变阻器串联,甲表是电流表,测量电路中的电流,乙表是电压表,测量电源电压,故电压表示数不会变化。滑动变阻器滑片向左移动,电阻变大,故电路中电流减小。选择D。
【拓展】如图所示,电源电压不变,开关S闭合时,电表的示数变化情况是 ( )
A.电流表、电压表示数均变大
B.电流表、电压表示数均变小
C.电压表示数变大,电流表示数变小
D.电压表示数变小,电流表示数变大
【答案】C
【解析】S断开时,R1与R2串联,电流表测量电路中的电流,电压表测量R2的电压;当S闭合后,电路中只有R2工作,电压表测量电源电压,所以电流表示数减小为零,电压表示数增大为电源的电压,选C。
三、实验探究过程
3、在探究“电流与电阻的关系”实验中,电路如图所示:
(1)连接电路时,开关应当 。
(2)闭合开关前,滑动变阻器滑片调至 (“a”或“b”)端。
(3)将电路连接正确后,闭合开关,移动滑动变阻器滑片P,使定值电阻R两端的电压为2V,电流表示数如图2所示,则R的阻值为 Ω。
(4)换上10Ω的电阻后,闭合开关,电压表示数将 (填“变大”或“变小”),此时应将滑片P向 (填“a”或“b”)端移动,电阻两端的电压为 V。
(5)小芳同学正确连接电路后,闭合开关,移动滑动变阻器的滑片,发现电流表无示数,电压表有示数且接近电源电压,其原因是 。
【答案】(1)断开 (2)b (3)5 (4)变大 b 2 (5)定值电阻断路
【解析】(1)连接电路时,为确保安全,开关应断开
(2)闭合开关前,滑动变阻器的滑片应滑到阻值最大处,以保护电路
(3)定值电阻R两端的电压为2V,电流表的示数为0.4A,故电阻R=5Ω
(4)串联电路中电阻变大,分压能力增强,故电压表示数增大;该实验需要使电压表示数保持2V不变,故应增大滑动变阻器的电阻,增大滑动变阻器的分压能力,从而使电压表示数减小到2V。
(5)定值电阻断路,电压表串联在电路中,电压表分走几乎全部的电压,则电压表示数接近电源电压,而电路中电流非常微弱,电流表示数几乎为零。
【拓展】小明和小丽在研究导体中电流与导体两端电压的关系时,除了电源(3V)、开关、导线、电流表、电压表、滑动变阻器外,还有可供选择的(A)定值电阻;(B)小灯泡。
(1)为了完成研究还应选择的器材(填序号) ;理由是: 。
(2)用笔划线完成图甲中的实物电路连接(你所选的器材在图中用接线板代替),并使滑动变阻器接入电路的阻值最大。
(3)小明通过实验得出了下表(一)中的数据,请读出图乙中两表的示数,记在表中最后一列的空格处。
电压U/V | 0.5 | 1.0 | 1.5 | 2.0 |
|
电流I/A | 0.05 | 0.1 | 0.15 | 0.2 |
|
表(一)
(4)小丽通过实验得出了下表(二)中的数据,并且通过分析实验数据得出了:“在电阻一定时,导体中的电流随电压的增大而减少”的结论。小明观察并检查了小丽所连接的电路后,告诉小丽…. 你认为原因可能是 。
电压U/V | 0.5 | 1.0 | 1.5 | 2.0 |
电流I/A | 0.25 | 0.2 | 0.15 | 0.1 |
表(二)
【答案】(1)A 小灯泡的电阻会随着温度的升高而增大
(2)
(3) 电压2.4 电流0.24
(4) 电压表并联在滑动变阻器的两端
【解析】(1)研究导体中电流与导体两端电压的关系时,应保持电阻不变,故选择定值电阻尽享实验;
(2)滑动变阻器连入电路中电阻最大,滑片在最右端,故应连接左下接线柱
(3)电压表接小量程,读数:2.4V;电流表接小量程,读数 :0.24A
(4)导体的电阻一定时,通过导体的电流随着其两端的电压的变大而变大,与之串联的滑动变阻器的电压会随着定值电阻两端电压的变大而变小。若将电压表并联在滑动变阻器两端,就会看到电压表示数增大的时候,电流表示数减小。
4、在测量“小灯泡正常发光时的电阻”的实验中,选用电压恒为6V的电源,额定电压“3.8V”的小灯泡。如图甲中是未连接完整的实验电路。
(1)请你用笔画线代替导线,将图甲所示的实物电路连接完整。(要求:滑动变阻器的滑片P向A端移动时小灯泡变暗,连线不能交叉)
(2)闭合开关后,调节滑动变阻器的滑片P,当电压表示数为 V时,小灯泡正常发光。此时电流表的示数如图乙所示,则灯泡正常发光的电阻是 Ω.
(3)若实验时,上述电路中仅电压表 上标有“15V”的接线柱已损坏,且暂无条件修复。在不更换器材的情况下为了能继续完成实验,你的方法是: 。
【答案】(1)
(2)3.8 10
(3)将电压表并联在滑动变阻器的两端
【解析】(1)滑动变阻器的滑片P向A端移动时小灯泡变暗,即要求滑动变阻器连入电路中的电阻增大。
(2)小灯泡正常发光,电压为额定电压3.8V,电流表示数0.38A,故电阻R=10Ω
(3)电源电压为6V,小灯泡正常发光时两端电压3.8V,滑动变阻器此时分到2.2V的电压,将电压表并联在滑动变阻器的两端,电压表示数为 2.2V时,小灯泡两端的电压即为3.8V。
5、图甲是用伏安法测未知电阻R的实验图。
(1)请用笔画线代替导线,将图甲中实物电路连接完整
(2)闭合开关,将滑片P向左滑动时,此时电压表示数为2.4V,电流表示数如图乙所示其读数为I= A , 则未知电阻R= Ω。
(3)若实验中只有一个电压表和一个已知电阻R0,小明设计了如图丙所示的电路,同样可以测量未知电阻Rx,请在空格内将实验步骤补充完整
① 闭合S、断开S1,用电压表测出待测电阻Rx两端的电压为U1[
② ,用电压表测出电源的电压U
③请写出用测量值U 、U1及R0来表示Rx的表达式:Rx=
【答案】(1)
(2) 0.3 8
(3)②闭合S和S1
③
【解析】(1)滑动变阻器下接线柱已接,上接线柱两个都可以,电流应从定值电阻的b端进
(2) 电流表接小量程,读数为0.3A,电压2.4V,故电阻R=8Ω
(3)②通过开关的闭合,获得已知物理量,从而推导出被测结果
③闭合S、断开S1,R0和Rx串联,电压表测出待测电阻Rx两端的电压为U1,闭合S、和S1,R0被短路,电路中只有Rx,电压表测出电源电压为U,当R0和Rx串联时,R0两端的电压为U0=U-U1,串联时Ix=I0=,Rx的表达式:Rx===
1、小谢利用图甲所示的电路做“探究通过导体的电流与导体两端的电压、导体电阻的关系”的实验.
(1)图乙是未连接好的电路,请在图上用笔画线代替导线连接好电路。
(2)探究电流与电压的关系,应控制不变的量是 。开关S闭合后,将滑动阻器的滑片P从B端移至A端,电流表和电压表示数变化关系如图丙所示。实验时,电源电压保持3V不变,当滑片P位于a端时,电流表的示数为 A。
(3)探究电流与电阻的关系的实验过程中,当A、B两点间的电阻R由5Ω更换为10Ω后,为了探究上述问题,他应该采取的正确操作是 。
A.保持滑动变阻器的滑片不动 B.将滑动变阻器的滑片适当向左移动
C.将滑动变阻器的滑片适当向右移动 D.适当增加电池的节数.
【答案】(1)
(2)电阻 0.6
(3)C
【解析】(1)两节干电池电压为3V,故电压表接小量程即可,滑动变阻器下接线柱已接,上接线柱两个都可以接。
(2)控制电阻一定时,探究电流与电压的关系;滑片位于a端时,滑动变阻器阻值为零,电路中电流最大,根据丙图可知,电流为0.6A
(3) 探究电流与电阻的关系时,应控制定值电阻的电压不变,当A、B两点间的电阻R由5Ω更换为10Ω后,电压表的示数会增大,故应增大滑动变阻器的电阻,从而增大滑动变阻器的电压。
2、在研究“一定电压下,电流与电阻的关系”时,电路如图17.1-7所示,电源电压恒为3V,滑动变阻器上标有“15Ω 1A”字样。在a、b间先后接入不同阻值的定值电阻,移动滑片P,使电压表示数为1.5V,读出电流表的示数。当20Ω的电阻接入a、b间时,电压表示数始终无法达到1.5V,其原因可能是( )
A.滑动变阻器阻值太小
B.电源电压3V太高
C.20Ω的阻值太小
D.控制的电压1.5V太高
【答案】A
【解析】探究电流与电阻的关系时,应控制定值电阻的电压为1.5V不变,电源电压为3V,所以滑动变阻器应分1.5V电压,当20Ω的电阻接入a、b间时,滑动变阻器的电阻,从而增大滑动变阻器的阻值应该调到20Ω,但是滑动变阻器上标有“15Ω 1A”字样,故滑动变阻器阻值太小。
3、在“测量小灯泡电阻”的实验中,小灯泡的额定电压 U额 = 2.5 V。实践小组的同学们进行“伏安法测定小灯泡电阻”的实验,小灯泡的额定电压为2.5V(阻值约为 10 Ω),滑动变阻器规格为“20 Ω 1 A”。
(1)请用笔画线代替导线,将图甲中的实物电路连接完整,要求滑片向右滑动时小灯泡变亮。请你用笔画线代替导线,将图甲中的电路连接完整 (导线不得交叉)。
(2)连接电路时开关应处于 状态。闭合开关后,发现电流表指针如图乙所示,其原因是 。
(3)解决问题后,闭合开关,移动滑片 P 使电压表示数为 2 V,电流表示数如图丙所示,通过小灯泡电流 I = A,此时小灯泡的电阻R = Ω。
(4)小华准备测量小灯泡正常发光的电阻时,发现电流表损坏了。于是就利用阻值为R0的定值电阻,重新设计并连接了如右图所示的电路,电源电压未知且恒定不变。
请把下列实验步骤补充完整:
①闭合开关 S、S1、断开开关 S2,调节滑动变阻器滑片使得电压表示数为2.5 V;
②保持滑片的位置不变,闭合开关 S、S2、断开开关S1,读出电压表的读数为U;
小灯泡正常发光时电阻的表达式为 :R' = (用已知量和题中出现的物理量的符号表示)。
【答案】(1)
(2)断开 电流表的正负接线柱接反
(3)0.5 4
(4)②
【解析】(1)要求滑片向右滑动时小灯泡变亮,即滑动变阻器电阻减小
(2)连接电路过程中要求开关断开,电流表有正负接线柱之分,电流从正接线柱进,负接线柱出,电流表指针会正向偏转,若电流“负进正出”,会反向偏转。
(3)电流表接小量程,读数为0.5A,电压为2V,故电阻R=4Ω
(4)②闭合开关 S、S1、断开开关 S2,小灯泡、定值电阻R0和滑动变阻器串联,电压表此时测量小灯泡两端的电压,调节滑动变阻器滑片使得电压表示数为2.5 V,小灯泡此时正常发光;保持滑片的位置不变,闭合开关 S、S2、断开开关S1,电路仍是小灯泡、定值电阻R0和滑动变阻器串联,此时电压表测量小灯泡和定值电阻R0的电压,读数为U;则定值电阻R0的电压U0=U-2.5V,通过小灯泡的电流等于通过定值电阻R0的电流,I灯=I0==; 小灯泡正常发光时电阻的表达式为 :R' ==
考点19探究电流与电压、电阻的关系以及测量电阻实验(解析版)学案: 这是一份考点19探究电流与电压、电阻的关系以及测量电阻实验(解析版)学案,共13页。学案主要包含了伏安法测量小灯泡的电阻,伏安法测电阻,实验电路连接的常见错误,实验过程中常见故障及分析,其他方法测电阻等内容,欢迎下载使用。
专题13 浮力-2022年中考物理一轮复习抓重点考典型(人教版).学案: 这是一份专题13 浮力-2022年中考物理一轮复习抓重点考典型(人教版).学案,文件包含专题13浮力原卷版docx、专题13浮力解析版docx等2份学案配套教学资源,其中学案共14页, 欢迎下载使用。
专题12 压强 -2022年中考物理一轮复习抓重点考典型(人教版).学案: 这是一份专题12 压强 -2022年中考物理一轮复习抓重点考典型(人教版).学案,文件包含专题12压强原卷版docx、专题12压强解析版docx等2份学案配套教学资源,其中学案共15页, 欢迎下载使用。

