必修11 实验:探究小车速度随时间变化的规律导学案
展开1.会正确使用打点计时器打出的匀变速直线运动的纸带。
2.会用描点法作出 v-t 图象。
3.能从 v-t 图象分析出匀变速直线运动的速度随时间的变化规律。
4.培养学生的探索发现精神。
【知识梳理 双基再现】
一.实验目的 探究小车速度随 变化的规律。
二.实验原理 利用 打出的纸带上记录的数据,以寻找小车速度随时间变化的规律。
三.实验器材 打点计时器、低压 电源、纸带、带滑轮的长木板、小车、 、细线、复写纸片、 。
四.实验步骤
1.如课本34页图所示,把附有滑轮的长木板平放在实验桌上,并使滑轮伸出桌面,把打点计时器固定在长木板上没有滑轮的一端,连接好电路。
2.把一条细线拴在小车上,使细线跨过滑轮,下边挂上合适的 。把纸带穿过打点计时器,并把纸带的一端固定在小车的后面。
3.把小车停在靠近打点计时器处,接通 后,放开 ,让小车拖着纸带运动,打点计时器就在纸带上打下一行小点,随后立即关闭电源。换上新纸带,重复实验三次。
4.从三条纸带中选择一条比较理想的,舍掉开头比较密集的点迹,在后边便于测量的地方找一个点做计时起点。为了测量方便和减少误差,通常不用每打一次点的时间作为时间的单位,而用每打五次点的时间作为时间的单位,就是T=0.02 s ×5=0.1 s 。在选好的计时起点下面表明A,在第6点下面表明B,在第11点下面表明C……,点A、B、C……叫做计数点,两个相邻计数点间的距离分别是x1、x2、x3……
5.利用第一章方法得出各计数点的瞬时速度填入下表:
6.以速度v为 轴,时间t为 轴建立直角坐标系,根据表中的数据,在直角坐标系中描点。
7.通过观察思考,找出这些点的分布规律。
五.注意事项
开始释放小车时,应使小车靠近打点计时器。
先接通电源,计时器工作后,再放开小车,当小车停止运动时及时断开电源。
要防止钩码落地和小车跟滑轮相撞,当小车到达滑轮前及时用手按住它。
牵引小车的钩码个数要适当,以免加速度过大而使纸带上的点太少,或者加速度太小而使各段位移无多大差别,从而使误差增大。加速度的大小以能在60cm长的纸带上清楚地取得六七个计数点为宜。
5.要区别计时器打出的点和人为选取的计数点。一般在纸带上每5个点取一个计数点,间隔为0.1 s 。
【小试身手 轻松过关】
1.在探究小车速度随时间变化的规律的实验中,按照实验进行的先后顺序,将下述步骤地代号填在横线上 。
A.把穿过打点计时器的纸带固定在小车后面
B.把打点计时器固定在木板的没有滑轮的一端,并连好电路
C.换上新的纸带,再重做两次
D.把长木板平放在实验桌上,并使滑轮伸出桌面
E.使小车停在靠近打点计时器处,接通电源,放开小车,让小车运动
F.把一条细线拴在小车上,细线跨过定滑轮,下边吊着合适的钩码
G.断开电源,取出纸带
2.在下列给出的器材中,选出“探究小车速度随时间变化的规律”的实验中所需的器材并填在横线上(填序号)。
①打点计时器 ②天平 ③低压交流电源 ④低压直流电源 ⑤细线和纸带 ⑥钩码和小车 ⑦秒表 ⑧一端有滑轮的长木板 ⑨刻度尺
选出的器材是
3.某同学在“探究小车速度随时间变化的规律”的实验中,算出小车经过各计数点的瞬时速度如表格中所示:
请作出小车的v-t图象,并分析运动特点。
v
v1
v2
0
t2
t1
t
B
A
第 4 题图
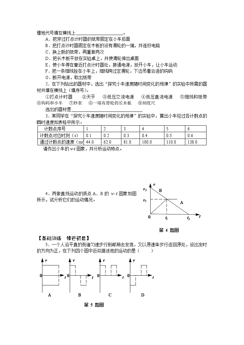
4.两做直线运动的质点A、B的 v- t图象如图所示,试分析它们的运动情况。
SHAPE \* MERGEFORMAT
【基础训练 锋芒初显】
5.一个人沿平直的街道匀速步行到邮局去发信,又以原速率步行返回原处,设出发时的方向为正,在下列四个图中近似描述他的运动的是( )
A
t
v
0
B
t
v
0
C
t
v
0
D
第 5 题图
t
v
0
SHAPE \* MERGEFORMAT
第 6 题图
甲
t1
t
0
t2
乙
v
6.甲、乙两物体在同一直线上运动,它们的 v-t 图象如图,可知( )
A.在t1时刻,甲和乙的速度相同
B.在t1时刻,甲和乙的速度大小相等,方向相反
C.在t2时刻,甲和乙的速度方向相同,加速度方
向也相同
D.在t2时刻,甲和乙的速度相同,加速度也相同
【举一反三 能力拓展】
7.在“探究小车速度随时间变化的规律”的实验中,如图给出了从0点开始,每5个点取一个计数点的纸带,其中0、1、2、3、4、5、6都为计数点。测得:s1=1.40 cm,s2=1.90 cm,s3=2.38 cm, s4= 2.88 cm,s5=3.39 cm,s6=3.87 cm。那么:
s6
s5
s4
s3
s2
s1
第 7 题图
0
1
2
3
4
5
6
(1)在计时器打出点1、2、3、4、5时,小车的速度分别为:v1= cm/s ,v2= cm/s ,v3= cm/s ,v4= cm/s ,v5= cm/s 。
(2)在平面直角坐标系中作出速度—时间图象。
(3)分析小车运动速度随时间变化的规律。
【名师小结 感悟反思】
在纸带上选取合适的测量点作为计时起点,在选好计数点后利用平均速度近似为该点瞬时速度的方法,得出各计数点的瞬时速度,描点连线作图建立速度—时间图象可直观地描绘出质点的运动情况。
§2.1 实验:探究小车速度随时间变化的规律
1.DBFAEGC2.①③⑤⑥⑧⑨
3.解析:用描点法做出v-t图象如下图所示。
4.解:对A而言,0-t1时间内速度随时间均匀增加,达到v1后做匀速直线运动。
5.B6.A
7.(1)16.5021.4026.3031.3536.30(2)如图示(3)v随t均匀增加
详解:(1)显然,两个相邻计数点之间的时间间隔为T=0.02×5s=0.1s。各点对应的速度分别为:,v2、v3、v4、v5同理可得。(2)利用描点法作出v-t图象。
高考学习网()
来源:高考学习网
位置
A
B
C
D
E
F
G
时间(s)
0
0.1
0.2
0.3
0.4
0.5
0.6
v(m/s)
计数点序号
1
2
3
4
5
6
计数点对应时刻(s)
0.1
0.2
0.3
0.4
0.5
0.6
通过计数点的速度(m/s)
44.0
62.0
81.0
100.0
110.0
138.0
高中物理人教版 (新课标)必修11 实验:探究小车速度随时间变化的规律导学案: 这是一份高中物理人教版 (新课标)必修11 实验:探究小车速度随时间变化的规律导学案,共7页。学案主要包含了练习使用打点计时器,研究匀变速直线运动等内容,欢迎下载使用。
高中物理人教版 (新课标)必修11 实验:探究小车速度随时间变化的规律导学案: 这是一份高中物理人教版 (新课标)必修11 实验:探究小车速度随时间变化的规律导学案,共7页。学案主要包含了练习使用打点计时器,研究匀变速直线运动等内容,欢迎下载使用。
2021学年第二章 匀变速直线运动的研究1 实验:探究小车速度随时间变化的规律学案: 这是一份2021学年第二章 匀变速直线运动的研究1 实验:探究小车速度随时间变化的规律学案,共4页。

