2020年北京市西城区初三一模物理试卷及答案
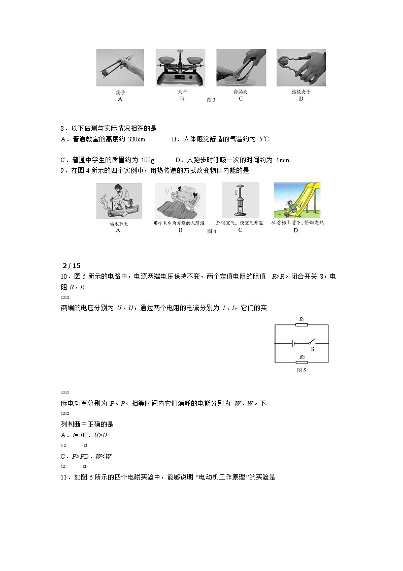
展开10.图5所示的电路中,电源两端电压保持不变,两个定值电阻的阻值R>R。闭合开关S,电阻R、R
1212
两端的电压分别为U、U,通过两个电阻的电流分别为I、I,它们的实
1212
际电功率分别为P、P,相等时间内它们消耗的电能分别为W、W。下
1212
列判断中正确的是
A.I= IB.U>U
1 2 12
C.P>PD.W
11.如图6所示的四个电磁实验中,能够说明“电动机工作原理”的实验是
12.下列说法中正确的是
A.向上抛出的篮球,一定不受力的作用
B.直线滚动的足球,一定受平衡力的作用
C.加速下落的排球,一定受非平衡力的作用
D.发生形变的气球,一定受非平衡力的作用
13.2019年11月3日,中国利用长征四号乙运载火箭,成功将“高分七号”卫星顺利送入预定轨道,该卫星是
我国首颗民用亚米级高分辨率光学传输型立体测绘卫星。在图7所示火箭点火升空的过程中,下列说法
正确的是
A.“高分七号”卫星相对于火箭是运动的
B.“高分七号”卫星不具有惯性
C.火箭的动能转化为重力势能
D.火箭的机械能增加
3 / 15
14.如图8所示,电源两端电压保持不变,闭合开关S和S,电流表和电压表都有示数;当只断开开关
12
S时,下列判断正确的是
2
A.电流表示数变小,电压表示数变大
B.电流表示数变小,电压表示数变小
C.电流表示数变大,电压表示数变小
D.电流表示数变大,电压表示数变大
15.甲、乙两个圆柱形容器完全相同,静止放在水平桌面上,容器中分别盛有体积相同的A、B两种液
体,将一个小球先后放入两个容器中,静止时,小球在甲容器中漂浮,在乙
容器中沉底,如图9所示。若A、B液体的密度分别为ρ、ρ,小球在A、
AB
B液体中所受浮力分别为F、F,A、B液体对容器底部的压强分别为
AB
p、p,甲、乙两个容器对桌面的压强分别为p、p,则下列判断中正确
AB
甲乙
的是
A.ρ<ρB.F=FC.p>pD.p
AB AB AB
甲乙
二、多项选择题(下列各小题均有四个选项,其中符合题意的选项均多于一个。共10分,每小题2分。
每小题选项全选对的得2分,选对但不全的得1分,有错选的不得分)
16.下列说法中正确的是
A.光不是电磁波
B.手机利用电磁波来传递信息
C.电磁波在真空中传播的速度为340m/s
D.中国的北斗卫星系统是靠电磁波定位的
17.下列说法中正确的是
A.热机效率越高,做有用功就越多
B.物体的内能增大,其温度不一定升高
C.质量相同的两种燃料完全燃烧,热值大的放出热量多
D.加热质量相同的不同种物质,比热容大的吸收热量多
4 / 15
18.下列说法中正确的是
A.磁体周围存在磁场
B.磁场是由磁感线组成的
C.地磁场的北极在地理北极附近
D.磁悬浮列车能悬浮是利用了磁极间的相互作用
19.俗话说“团结一心,其利断金”!中国武汉火神山医院是由几千名建设者奋战10个昼夜(如图10所
示),建成的一座占地3.39万平方米、可容纳1000张病床的高标准传染病医院。中国人创造了令世界
惊叹的“中国速度”。结合工地上的实际情景,下列说法中
正确的是
A.大型运输车有很多轮子是为了增大摩擦力
B.起重机吊着板材匀速水平移动,对板材做了功
C.起重机将板材吊起的过程中,对板材做了功
D.挖掘机的铲头尖利是为了在挖土时增大压强
20.小亮同学用滑轮组提升物体,绳子自由端竖直移动的距离随时间变化的关系如图11中图线a所示,
物体上升的高度随时间变化的关系如图11中图线b所示。已知物体的质量为900g,所用动滑轮的质
量为100g,绳子自由端的拉力F为2.6N。g取10N/kg。在0~2s
的过程中,下列说法中正确的是
A.物体上升速度为0.025m/s
B.拉力F的功率为0.13W
C.滑轮组的有用功为0.45J
D.滑轮组的机械效率小于90%
三、实验解答题(共39分,21、22题各4分,23、25题各3分, 24、26、29、31题各2分, 27题5分,
28、30题各6分)
21.(1)如图12所示,木块的长度为 cm。
(2)如图13所示,温度计的示数为 °C。
5 / 15
22.(1)如图14所示,通电螺线管的上端为 极。(选填“N”或“S”)
(2)站在地上的人用如图15所示滑轮组提升重物,请画出人向下拉绳时滑轮组的绕线。
23.小阳和小娟分别利用如图16甲所示装置“探究水沸腾前和沸腾时温度变化的特点”。
(1)按照图16甲组装实验器材后,还需要补充一个测量仪器是: 。
216
()两位同学利用完全相同的实验装置分别进行规范实验,并依据实验数据分别绘制出如图乙所
AB C
示的、两条图像,由图像可知水的沸点都是。
从图像中可知两次实验水开始沸腾的时间不同,导致这种现象出现的主要原因是:。
24.小明研究电流产生的磁场,闭合开关前,小磁针的指向如图17甲所示;闭合开关,小磁针的偏转情
况如图17乙中箭头所示;只改变电流方向,再次进行实验,小磁针的偏转情况如图17丙中箭头所示。
由 两图实验现象说明:电流周围存在磁场;由乙、丙两图实验现象说明: 。
6 / 15
25.如图18所示是小华“探究电流产生的热量与什么因素有关”的实验装置,在甲、乙两个相同的密封容
器内都有一段阻值为5Ω的电阻丝,在乙容器的外部,将
一个5Ω的电阻丝和这个容器内的电阻并联。实验前,两个
“U”形管内液面相平。
(1)小华利用此装置,探究的问题是:在 相同、通电
时间相同的情况下,电流通过导体产生的热量跟
的关系。
(2)闭合开关S,通电一段时间后,U形管 中液面高度变化较大。(选填“A”或“B”)
26.小亮利用如图19所示的自制气压计研究“大气压强与高度的关系”。他将气压计从1楼带到5楼的过程
中,观察气压计管内水柱的高度变化,记录数据如下表所示。请根据表中数据,大致归纳出实验结
论 。
1 2 3 4 5
楼层
5.0 5.3 5.7 6.0 6.3
管内与瓶内水面的高度差/cm
27.小丽利用如图20所示装置“探究凸透镜成像的规律”。
(1)小丽利用图20甲所示的方法,使平行于主光轴的光线通过凸透镜A会聚在光屏上,从而确定所
使用的凸透镜A的焦距f= cm。
A
7 / 15
(2)如图20乙所示,小丽将凸透镜A固定在光具座上40cm刻线处,将点燃的蜡烛放置在光具座上
10cm刻线处,移动光屏直至光屏上呈现出烛焰的倒立、 的实像,这一原理应用在 (选填
“照相机”、“幻灯机”或“放大镜”)上。
(3)保持蜡烛位置不变,小丽用焦距为f(f
光具座40cm刻线处。移动光屏,为使在光屏上仍得到烛焰清晰的像。应将光屏向 (填“靠近”
或“远离”)凸透镜B的方向移动;若不移动光屏仍要在光屏上成清晰的像,可以在凸透镜B和蜡烛
之间放置一个 透镜(填“凸”或“凹”)。
28.小东用伏安法测量额定电压为2.5 V小灯泡的电阻。
(1)他连接了如图21甲所示的部分实验电路,请用笔画线代替导线,将实验电路连接完整。
(2)开关S闭合前,应将滑动变阻器的滑片P移至 端(选填“A”或“B”)。
(3)小东连接好实验电路,检查无误后,闭合开关S,无论怎样移动滑动变阻器的滑片P,发现电压
表均有示数且保持不变,电流表始终无示数,产生这种现象的原因是 。
(4)小东排除故障后,闭合开关S,调节滑动变阻器的滑片P,电压表示数为2.2V,此时他应将滑片
P向 端移动(选填“A”或“B”),才能使小灯泡正常发光。
(5)当小灯泡正常发光时,电流表的示数如图21乙所示,电流表的示数为 A,则小灯泡的电阻
为
Ω。
8 / 15
29.小萱利用如图22所示装置“探究平面镜成像的特点”,她在水平桌面上铺一
张白纸,在纸上竖立一块薄玻璃板,将点燃的蜡烛A竖立在玻璃板前,可
以看到它在玻璃板后面的像。
(1)该实验采用薄玻璃板代替平面镜,是为了能确定像的位置,而且还能
比较蜡烛A的像与 。
(2)小萱拿一支与蜡烛A外形相同但不点燃的蜡烛B,竖立着在玻璃板后面移动,直到在玻璃板前多
个角度观察它跟 完全重合,这时蜡烛B所在位置就是蜡烛A像的位置。
30.小军要利用天平、刻度尺、裁纸刀来测量一块形状不规则但厚度均匀的纸板的表面积。他的实验步骤
如下,请你完成下列问题,并将实验步骤补充完整。
(1)将天平放在水平桌面上,调节天平横梁平衡时,他发现天平指针在分度盘中央两侧不断摆动,摆
动的幅度如图23甲所示。此时,他应该将平衡螺母向 侧调节(选填“左”或“右”)。
(2)调节天平平衡后,将纸板放在天平的左
盘,在右盘添加砝码并移动游码,当天平横
梁再次平衡时,天平右盘内所加的砝码和游
码在标尺上的位置如图23乙所示,则纸板的
质量m为 g。
总
(3)用刻度尺和裁纸刀在纸板上裁剪一块边长
为2cm的正方形小纸板, 。
2
(4)根据公式S= cm,计算出这块形状不规则的纸板被裁剪前的表面积S。
(5)请你画出本次实验的数据记录表格。
31.实验桌上备有如下器材:符合要求的学生电源、电压表、电流表、电阻箱、滑动变阻器、开关各一
个,导线若干。请你利用上述器材,设计一个实验证明“当通过导体的电流保持不变时,导体的电阻越
大,该导体两端的电压就越大。” 要求:画出实验电路图。
四、科普阅读题(共4分)
请阅读《风光互补路灯》并回答32题。
风光互补路灯
9 / 15
全球环境日益恶化,世界各国都努力开发对清洁能源的利用。风光互补道路照明是一个新兴的新能源
24LED
利用领域。如图所示,就是一款风光互补路灯,它是利用风能和太阳能进行供电的智能路灯,不
仅节省电能,而且每个路灯都有独立的发电系统,即使遇到大面积停电,也不会影响道路照明;并且每个
路灯之间还省掉了地下连接的电缆。
风光互补,是一套发电应用系统,该系统是利用太阳能电池方阵和风力发
电机将发出的电能存储到蓄电池组中,当夜晚到来,需要照明用电时,逆变器
将蓄电池组中储存的直流电转变为交流电,通过输电线路送到负载处。它兼具
了太阳能发电和风力发电两者的优势,为街道路灯提供了稳定的电源。
中国现有城乡路灯总数大约为2亿盏,且总数每年以20%的速度增长。一
套额定功率为400瓦的常规路灯,一年约耗电1500度。若将此常规路灯换成
一套照明效果相当的风光互补LED路灯,因为它只消耗风能和太阳能就能照明,所以一年相当于节电约
1500度。若把全国2亿盏路灯全部替换为风光互补LED路灯,一年可节电约3000亿度。我国三峡水电站
在2019年发电总量约为969亿度。此项路灯改进项目一年节约的电能相当于约3个三峡水电站全年发电的
总量。
我国拥有丰富的风能和太阳能资源,风光互补路灯较好的利用了清洁能源,既节能减排、又绿色环
保。
32.请根据上述材料,回答下列问题:
(1)风光互补路灯利用太阳能和风能都属于 能源。(选填“可再生”或“不可再生”)
(2)风光互补发电应用系统,是利用太阳能电池方阵和风力发电机将发出的电能存储到 中。
(3)马路上的常规路灯都有地下电缆连接,个别路灯损坏,不会影响其他路灯的正常工作,这是因为
它们都是 连的。
(4)用一套照明效果相当的风光互补LED路灯替换额定功率为400W的常规路灯,一年所节约的电
能,可以使额定功率为200W的台式计算机正常工作大约 小时。
五、计算题(共7分,33题3分,34题4分)
33.如图25所示,是某电吹风的工作原理图。电吹风工作时,可以分别吹出热风和冷风。
10 / 15
已知此电吹风的热风档额定功率为572W,冷风档额定功率为88W。
求:(1)请画出该电吹风处于热风档的等效电路图;
(2)电吹风在热风档正常工作时,通过电热丝的电流I。
11 / 15
34.如图26所示,静止在水平桌面上的物体A悬挂在轻质杠杆的C端,物体B悬挂在D端,杠杆水平平
衡。已知:OC∶OD=1∶2,物体A所受重力G=50N,物体B所受重力G=20N,物体A的底面积
AB
2
S=0.01m。
A
求:(1)水平桌面对物体A的支持力N;
2Ap
()物体对水平桌面的压强。
12 / 15
2020北京西城初三一模物理
参考答案
一、单项选择题(共30分,每题2分)
题号
1 2 3 4 5 6 7 8 9 10 11 12 13 14 15
答案
C A B D C B D A B D D C D B C
二、多项选择题(共10分,每题2分)
题号
16 17 18 19 20
答案
B D BC A D C D A C D
三、实验解答题(共39分)
4
(1)4.30(或:4.3) (2)-21
21
分
4
(1)S (2)如图1所示。
22
分
3
(1)秒表; (2) 99 ; 两人实验所用水的质量不同
23
分
F
2
甲、乙 ; 电流产生的磁场方向跟电流方向有关
24
分
3
图1
(1)电阻; 电流; (2)A
25
分
2
大气压强随高度增加而减小
26
分
5
(1)10 ; (2)缩小 ;照相机 ; (3)靠近 ;凹
27
分
(1)电路连接如图2所示。 1分
(2)B 1分
(3)小灯泡断路 1分
28
(4)A 1分
(5)0.4 ; 6.25 2分
(1)蜡烛B的大小 ; (2)蜡烛A的像 2分
29
(1)左 ;(2)8.8 ;(3)用天平测量小纸板的质量为m ;(4)4m/m 4分
00
总
(5)
30
纸板的质量正方形小纸板的正方形小纸板的形状不规则的纸板
2分
22
m/g 质量m/g 表面积S/cm 表面积 S/cm
00
总
V
P
31
RR
1 2
A
2分
R
S
A
实验电路图:如图3所示。
图3
四、科普阅读题(共4分,每空1分)
(1)可再生; (2)蓄电池组; (3)并联 ; (4)7500h 4分
32
五、计算题(共7分,33题3分,34题4分)
33.解:(1)当开关S接1档时,电吹风处于热风档,等效电路图如图4所示。
…………图1分
(2)P=P-P=572W-88W=484W…… 1分
电热丝热风挡冷风档
14 / 15
P
484W
…… 1分
电热丝
I 2.2A
U220V
34.解:(1)以杠杆为研究对象,设C端受拉力为T,D端受拉力为T。杠杆以O点为支点恰好平衡,受
12
力分析如图5所示。
根据杠杆平衡条件: T×CO=T×OD
12
根据题意知: OC∶OD=1∶2 ; T=G
2B
∴ T=2 T=2G=2×20N=40N …………1分
12B
以物体A为研究对象,受力分析如图6所示。T= T′
11
∴ N=G-T′=50N-40N=10N …………1分
A1
FN10N
…………2分
(2)
p1000Pa
2
SS0.01m
15 / 15
2023北京市西城区初三物理二模答案: 这是一份2023北京市西城区初三物理二模答案,共3页。试卷主要包含了 折射;50,非晶体,接触面积;无关,小于, 4;8等内容,欢迎下载使用。
2023北京西城区初三一模物理试题及答案: 这是一份2023北京西城区初三一模物理试题及答案,共9页。
2019年北京市西城区中考物理二模试卷: 这是一份2019年北京市西城区中考物理二模试卷,共49页。试卷主要包含了单项选择题,多项选择题,实验解答题,科普阅读题,计算题等内容,欢迎下载使用。

