物理选择性必修 第三册第一节 气体实验定律(Ⅰ)第2课时导学案
展开第2课时 气体的等温变化
[学习目标] 1.知道玻意耳定律的内容、表达式及适用条件.2.能运用玻意耳定律对有关问题进行分析、计算.3.了解p-V图像、p-图像的物理意义.
一、玻意耳定律
1.内容
一定质量的气体,在温度不变的情况下,其压强与体积成反比.
2.公式
p1V1=p2V2.
3.适用条件
气体的质量一定,温度不变.
二、等温图像
一定质量气体的等温过程在p-图上是过原点的直线,在p-V图上是双曲线的一支,这种表示等温过程的图线称为等温线.
1.判断下列说法的正误.
(1)一定质量的气体,在温度不变时,其压强跟体积成反比.( √ )
(2)一定质量的某种气体等温变化的p-V图像是通过原点的倾斜直线.( × )
2.一定质量的某种气体发生等温变化时,若体积增大了n倍,则压强变为原来的________.
答案
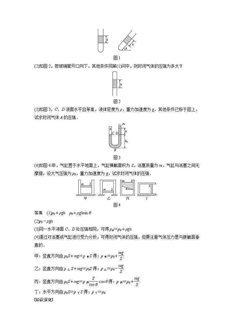
一、封闭气体压强的计算
导学探究 (1)如图1所示,一开口向上的细玻璃管内被液柱封闭着一定质量的气体,液柱的高为h,密度为ρ,重力加速度为g,试求封闭气体的压强.若玻璃管倾斜θ角呢?
图1
(2)如图2,若玻璃管开口向下,其他条件同第(1)问中,则封闭气体的压强为多大?
图2
(3)如图3,C、D液面水平且等高,液体密度为ρ,重力加速度为g,其他条件已标于图上,试求封闭气体A的压强.
图3
(4)如图4甲,气缸置于水平地面上,气缸横截面积为S,活塞质量为m,气缸与活塞之间无摩擦,设大气压强为p0,重力加速度为g,试求封闭气体的压强.
图4
答案 (1)p0+ρgh p0+ρghsin θ
(2)p0-ρgh
(3)同一水平液面C、D处压强相同,可得pA=p0+ρgh.
(4)通过对活塞或气缸进行受力分析,可得封闭气体的压强,但要注意气体压力是与接触面垂直的.
甲:竖直方向由p0S+mg=p甲S得:p甲=p0+.
乙:竖直方向由p乙S+mg=p0S得:p乙=p0-.
丙:竖直方向由p0S+mg=p丙·cos θ得:p丙=p0+.
丁:水平方向由p0S=p丁S得:p丁=p0.
知识深化
求解气体压强的常用方法
1.参考液片法:选取假想的液体薄片(自身重力不计)为研究对象,分析液片两侧受力情况,建立平衡方程消去面积,进而求得气体压强.
例如,如图5所示,粗细均匀的U形管中封闭了一定质量的气体A,在其最低处取一液片B,由其两侧受力平衡可知(pA+ph0)S=(p0+ph+ph0)S,得pA=p0+ph.
图5
2.连通器原理:在连通器中,同一种液体(中间液体不间断)的同一水平液面上的压强相等,图中同一液面C、D处压强相等,则pA=p0+ph.
3.力平衡法
选与封闭气体接触的活塞、气缸或液体为研究对象进行受力分析,由平衡条件列式求气体压强.
说明:容器加速运动时,可由牛顿第二定律列方程求解.
如图6所示,活塞的质量为m,缸套的质量为M,通过弹簧静止吊在天花板上,气缸内封住一定质量的气体,缸套和活塞间无摩擦,活塞横截面积为S,大气压强为p0,重力加速度为g,则封闭气体的压强p为( )
图6
A.p0+ B.p0+
C.p0- D.
答案 C
解析 以缸套为研究对象,有pS+Mg=p0S,所以封闭气体的压强p=p0-,故应选C.
如图7所示,竖直静止放置的U形管,左端开口,右端封闭,管内有a、b两段水银柱,将A、B两段空气柱封闭在管内.已知水银柱a长h1为10 cm,水银柱b两个液面间的高度差h2为5 cm,大气压强为75 cmHg,求空气柱A、B的压强分别是多少.
图7
答案 65 cmHg 60 cmHg
解析 设管的横截面积为S,选a的下端面为参考液面,它受向下的压力为(pA+ph1)S,受向上的大气压力为p0S,由于系统处于静止状态,则(pA+ph1)S=p0S,
所以pA=p0-ph1=(75-10) cmHg=65 cmHg,
再选b的左下端面为参考液面,由连通器原理知:液柱h2的上表面处的压强等于pB,则(pB+ph2)S=pAS,所以pB=pA-ph2=(65-5) cmHg=60 cmHg.
二、玻意耳定律
导学探究如图8所示,在一个恒温池中,一串串气泡由池底慢慢升到水面,有趣的是气泡在上升过程中,体积逐渐变大,到水面时就会破裂.问:
图8
(1)上升过程中,气泡内气体的压强如何改变?
(2)气泡在上升过程中体积为何会变大?
(3)为什么到达水面会破?
答案 (1)变小.
(2)由玻意耳定律pV=c可知,压强变小,气体的体积增大.
(3)内外压强不相等,气泡内压强大于外部压强.
知识深化
1.常量的意义
p1V1=p2V2=c,该常量c与气体的种类、质量、温度有关,对一定质量的某种气体,温度越高,则常量c越大.
2.应用玻意耳定律解题的一般步骤
(1)确定研究对象,并判断是否满足玻意耳定律的条件.
(2)确定初、末状态及状态参量(p1、V1;p2、V2).
(3)根据玻意耳定律列方程求解.(注意统一单位)
(4)注意分析隐含条件,作出必要的判断和说明.
特别提醒 确定气体压强或体积时,只要初、末状态的单位统一即可,没有必要都转换成国际单位制.
现有一质量为M的气缸,用质量为m的活塞封有一定质量的气体,当气缸水平横放时,空气柱长为L0(如图9甲所示),若气缸按图乙悬挂保持静止时,求气柱长度为多少.已知大气压强为p0,活塞的横截面积为S,它与气缸之间无摩擦且不漏气,且气体温度保持不变.
图9
答案
解析 对缸内气体,平放时为初态:p1=p0,V1=L0S,悬挂时为末态:对缸体,Mg+p2S=p0S,即p2=p0-,V2=LS,由玻意耳定律:p1V1=p2V2,即p0L0S=(p0-)LS,得:气柱长度为L=.
如图10所示,在一根一端封闭且粗细均匀的长玻璃管中,用长为h=10 cm的水银柱将管内一部分空气密封,当管开口向上竖直放置时,管内空气柱的长度L1=0.3 m;若温度保持不变,玻璃管开口向下放置,水银没有溢出,待水银柱稳定后,空气柱的长度L2为多少米?(大气压强p0=76 cmHg)
图10
答案 0.39 m
解析 以管内封闭的气体为研究对象.玻璃管开口向上时,管内气体的压强p1=p0+ph,气体的体积V1=L1S(S为玻璃管的横截面积),当玻璃管开口向下放置时,管内气体的压强p2=p0-ph,这时气体的体积V2=L2S.温度不变,由玻意耳定律得:(p0+ph)L1S=(p0-ph)L2S,所以L2=L1=×0.3 m≈0.39 m.
三、气体等温变化的p-V图像和p-图像
导学探究
(1)如图11甲所示为一定质量的气体在不同温度下的p-V图线,T1和T2哪一个大?
(2)如图乙所示为一定质量的气体在不同温度下的p-图线,T1和T2哪一个大?
图11
答案 (1)T2 (2)T2
知识深化
两种等温变化图像
内容
p-图像
p-V图像
图像特点
物理意义
一定质量的某种气体,温度不变时,pV=恒量,p与V成反比,p与就成正比,在p-图上的等温线应是过原点的倾斜直线
一定质量的某种气体,在温度不变的情况下,p与V成反比,因此等温过程的p-V图像是双曲线的一支
比较温度高低
直线的斜率为p与V的乘积,斜率越大,pV乘积越大,温度就越高,图中T2>T1
温度越高,等温线离原点越远,图中T2>T1
如图12所示是一定质量的某种气体状态变化的p-V图像,气体由状态A变化到状态B的过程中,气体分子平均速率的变化情况是( )
图12
A.一直保持不变
B.一直增大
C.先减小后增大
D.先增大后减小
答案 D
解析 由题图可知,pAVA=pBVB,所以A、B两状态的温度相等,在同一等温线上.由于离原点越远的等温线温度越高,如图所示,所以从状态A到状态B,气体温度应先升高后降低,分子平均速率先增大后减小.
如图13所示,D→A→B→C表示一定质量的某种气体状态变化的一个过程,则下列说法正确的是( )
图13
A.D→A是一个等温过程
B.A→B是一个等温过程
C.A→B体积不变,压强增大,温度不变
D.B→C体积减小,压强减小,温度不变
答案 A
解析 D→A是一个等温过程,A对;A、B两状态温度不同,A→B的过程中不变,则体积V不变,此过程中气体的压强、温度会发生变化,B、C错;B→C是一个等温过程,V增大,p减小,D错.
考点一 气体压强的计算
1.如图1所示,U形管封闭端内有一部分气体被水银封住,已知大气压强为p0,封闭部分气体的压强p(以汞柱为单位)为( )
图1
A.p0+h2
B.p0-h1
C.p0-(h1+h2)
D.p0+(h2-h1)
答案 B
解析 选右边液面为研究对象,右边液面受到向下的大气压强p0,在相同高度的左边液面受到液柱h1向下的压强和液柱h1上面气体向下的压强p,根据连通器原理可知:p+h1=p0,所以p=p0-h1,B正确.
2.(2020·莱州一中高二月考)如图2所示,内壁光滑的气缸竖直放置在水平地面上,T形活塞的质量为M,下底面积为S,上底面积为4S,若大气压强为p0,重力加速度为g,则被封闭气体的压强p等于( )
图2
A.4p0+ B.3p0+
C.p0+ D.条件不够,无法判断
答案 C
解析 以活塞为研究对象,活塞受重力、大气压力和封闭气体的支持力,根据受力平衡得Mg+p0S=pS,解得p=p0+,C正确.
3.求图3中被封闭气体A的压强.其中(1)、(2)、(3)图中的玻璃管内都装有水银,(4)图中的小玻璃管浸没在水中.大气压强p0=76 cmHg.(p0=1.01×105 Pa,g=10 m/s2,ρ水=1×
103 kg/m3)
图3
答案 (1)66 cmHg (2)71 cmHg (3)81 cmHg
(4)1.13×105 Pa
解析 (1)pA=p0-ph=76 cmHg-10 cmHg=66 cmHg.
(2)pA=p0-ph=76 cmHg-10sin 30° cmHg=71 cmHg.
(3)pB=p0+ph2=76 cmHg+10 cmHg=86 cmHg,
pA=pB-ph1=86 cmHg-5 cmHg=81 cmHg.
(4)pA=p0+ρ水gh=1.01×105 Pa+1×103×10×1.2 Pa=1.13×105 Pa.
考点二 玻意耳定律
4.如图4所示,某种自动洗衣机进水时,与洗衣缸相连的细管中会封闭一定质量的空气,通过压强传感器感知管中空气的压强,从而控制进水量.设温度不变,洗衣缸内水位升高,则细管中被封闭的空气( )
图4
A.体积不变,压强变小 B.体积变小,压强变大
C.体积不变,压强变大 D.体积变小,压强变小
答案 B
解析 由题图可知空气被封闭在细管内,洗衣缸内水位升高时,被封闭的空气体积减小,根据玻意耳定律可知,压强增大,B选项正确.
5.一定质量的气体,压强为3 atm,保持温度不变,当压强减小了2 atm时,体积变化了4 L,则该气体原来的体积为( )
A. L B.2 L C. L D.3 L
答案 B
解析 设该气体原来的体积为V1,由玻意耳定律知,压强减小时,气体体积增大,即3V1=(3-2)·(V1+4 L),解得V1=2 L,B正确.
6.一个气泡由湖面下20 m深处缓慢上升到湖面下10 m深处,不考虑气泡温度的变化,它的体积约变为原来体积的( )
A.3倍 B.2倍 C.1.5倍 D.
答案 C
解析 由于气泡缓慢上升,在湖面下20 m处,气泡的压强p1≈3 atm(1 atm即1个标准大气压p0=1.01×105 Pa,湖面上的大气压强为1 atm);在湖面下10 m深处,气泡的压强p2≈2 atm.由玻意耳定律得p1V1=p2V2,因此=≈=1.5,故C正确.
7.(多选)如图5甲所示,一气缸竖直放置,气缸内有一质量不可忽略的活塞.将一定质量的气体封闭在气缸内,活塞与气缸壁无摩擦,气体处于平衡状态.现保持温度不变,把气缸向右倾斜90°(如图乙所示),达到平衡后,与原来相比( )
图5
A.气体的压强变大 B.气体的压强变小
C.气体的体积变大 D.气体的体积变小
答案 AD
解析 对活塞受力分析可知,开始时,封闭气体的压强p1=p0-,而气缸向右倾斜90°后,p2=p0,故p1
考点三 p-V图像和p-图像
8.如图6所示,一定质量的气体从状态A变化到状态B,则气体的温度( )
图6
A.升高
B.降低
C.不变
D.无法判断
答案 A
解析 从题图可以看出,气体从状态A到状态B,其pV乘积逐渐变大,所以气体温度逐渐升高,A项正确,B、C、D错误.
9.(多选)如图7所示是一定质量的气体在不同温度下的两条p-图线.由图可知( )
图7
A.一定质量的气体在发生等温变化时,其压强与体积成正比
B.一定质量的气体在发生等温变化时,其压强与体积成反比
C.T1>T2
D.T1<T2
答案 BD
解析 一定质量的气体温度不变时,其p-图线是过原点的直线,pV=常量,p与V成反比,选项A错误,B正确;对同一部分气体来说,体积相同时,温度越高,压强越大,所以T1<T2,选项C错误,D正确.
10.如图8,玻璃管内封闭了一段气体,气柱长度为l,管内外水银面高度差为h.若温度保持不变,把玻璃管稍向上提起一段距离,则( )
图8
A.h、l均变大 B.h、l均变小
C.h变大,l变小 D.h变小,l变大
答案 A
解析 高为h的水银柱产生的压强加上封闭气体产生的压强等于外界大气压.如果将玻璃管向上提,假设水银柱不动,则管内水银柱上方气体的体积增大,因为温度保持不变,所以压强减小,而此时外界的大气压不变,根据上述等量关系,管内水银柱的压强须增大才能重新平衡,故管内水银柱的高度增大,故选A.
11.如图9为气压式保温瓶的原理图,保温瓶内水面与出水口的高度差为h,瓶内密封空气体积为V,设水的密度为ρ,大气压强为p0,重力加速度为g,欲使水恰好能从出水口流出,瓶内空气压缩量ΔV至少为多少?(设瓶内弯曲管的体积不计,压水前水面以上管内无水,温度保持不变,各物理量的单位均为国际单位)
图9
答案
解析 压水前:p1=p0,V1=V
压水后水恰好能流出时:p2=p0+ρgh,V2=V-ΔV
由玻意耳定律得p1V1=p2V2
解得ΔV=.
12.(2020·吉林高二期末)如图10所示,马桶吸由皮吸和气缸两部分组成,下方半球形皮吸空间的容积为1 000 cm3,上方气缸的长度为40 cm,横截面积为50 cm2.小明在试用时,用手柄将皮吸压在水平地面上,皮吸中气体的压强等于大气压.皮吸与地面及活塞与气缸间密封完好不漏气,不考虑皮吸与气缸的形状变化,环境温度保持不变,气缸内薄活塞、连杆及手柄的质量忽略不计,已知大气压强p0=1.0×105 Pa,g=10 m/s2.
图10
(1)若初始状态下活塞位于气缸顶部,当活塞缓慢下压到气缸底部时,求皮吸中气体的压强;
(2)若初始状态下活塞位于气缸底部,小明用竖直向上的力将活塞缓慢向上提起20 cm高度保持静止,求此时小明对手柄的作用力的大小.
答案 (1)3.0×105 Pa (2)250 N
解析 (1)以气缸和皮吸内的气体为研究对象,初始状态下封闭气体的压强为p0,
体积:V1=1 000 cm3+40×50 cm3=3 000 cm3
当活塞下压到气缸底部时,设封闭气体的压强为p2,体积为V2=1 000 cm3,
由玻意耳定律:p0V1=p2V2
解得:p2=3p0=3.0×105 Pa
(2)以皮吸内的气体为研究对象,初始状态下封闭气体的压强为p0,体积为V2=1 000 cm3,活塞缓慢向上提起20 cm高度保持静止时,设小明作用力的大小为F,封闭气体的压强为p3,体积为:
V3=1 000 cm3+20×50 cm3=2 000 cm3
由玻意耳定律有:p0V2=p3V3
又有:F+p3S=p0S
解得:F=250 N.
13.在温度不变的情况下,把一根长为L=100 cm、上端封闭的玻璃管从水银面上方竖直插入水银槽中,如图11所示,插入后管口到槽内水银面的距离是管长的一半,若大气压为
75 cmHg,求水银进入管内的长度.
图11
答案 25 cm
解析 以玻璃管内气缸中和活塞下方封闭的空气柱为研究对象,设玻璃管的横截面积为S.
初态:玻璃管插入水银槽之前,
p1=75 cmHg
V1=LS=100·S cm3
末态:玻璃管插入水银槽后,设管内、外水银面高度差为h,则p2=(75+h)cmHg
V2=[L-(-h)]·S
根据玻意耳定律得p1V1=p2V2
解得h=25 cm(h=-150 cm舍去)
所以水银进入管内的长度为-h=25 cm.
物理选择性必修 第三册第二章 气体、固体和液体2 气体的等温变化第2课时导学案及答案: 这是一份物理选择性必修 第三册第二章 气体、固体和液体2 气体的等温变化第2课时导学案及答案,共16页。
2022年高中物理(新教材)新粤教版选择性必修第三册同步学案模块综合试卷: 这是一份粤教版 (2019)选择性必修 第三册全册综合导学案,共10页。学案主要包含了单项选择题,多项选择题,非选择题等内容,欢迎下载使用。
高中物理粤教版 (2019)选择性必修 第三册第二章 气体、液体和固态本章综合与测试学案设计: 这是一份高中物理粤教版 (2019)选择性必修 第三册第二章 气体、液体和固态本章综合与测试学案设计,共9页。学案主要包含了单项选择题,多项选择题,非选择题等内容,欢迎下载使用。

