2022年高中物理(新教材)新粤教版选择性必修第二册同步学案专题强化12 变压器的综合问题
展开 变压器的综合问题
[学习目标] 1.了解几种常见的变压器.2.掌握变压器动态问题的分析方法,会分析变压器的综合问题.
一、几种常见的变压器
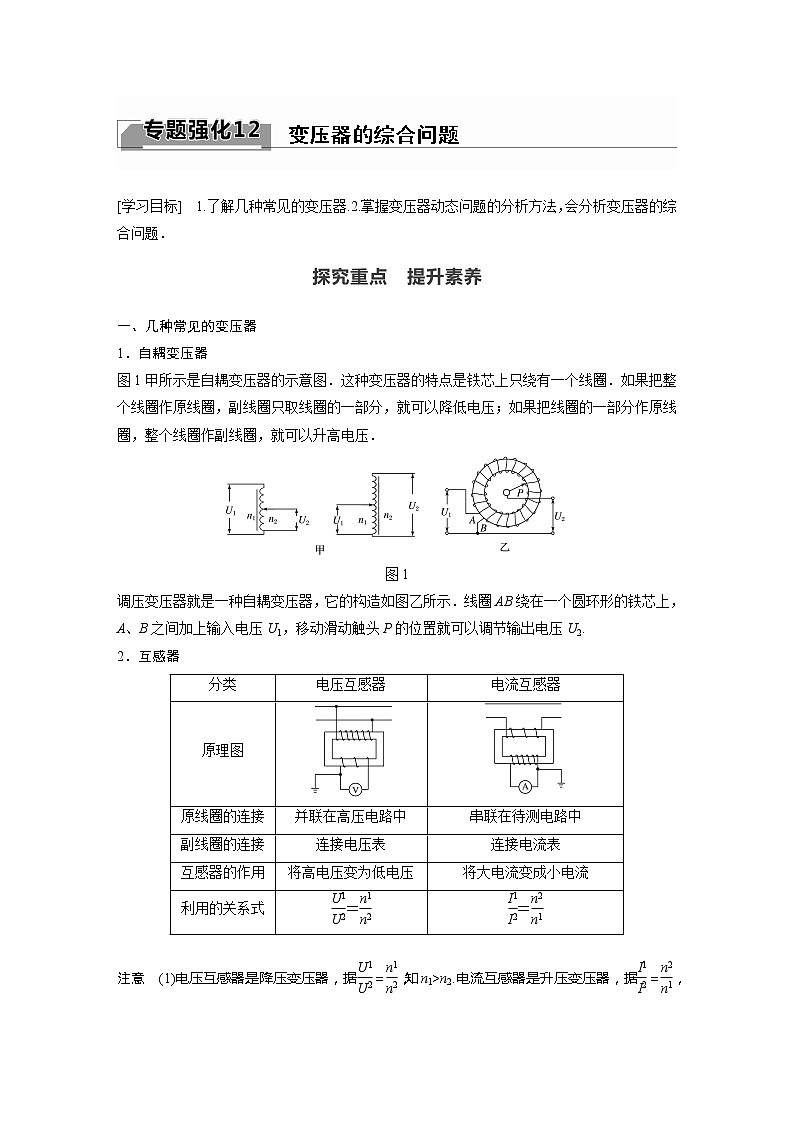
1.自耦变压器
图1甲所示是自耦变压器的示意图.这种变压器的特点是铁芯上只绕有一个线圈.如果把整个线圈作原线圈,副线圈只取线圈的一部分,就可以降低电压;如果把线圈的一部分作原线圈,整个线圈作副线圈,就可以升高电压.
图1
调压变压器就是一种自耦变压器,它的构造如图乙所示.线圈AB绕在一个圆环形的铁芯上,A、B之间加上输入电压U1,移动滑动触头P的位置就可以调节输出电压U2.
2.互感器
分类
电压互感器
电流互感器
原理图
原线圈的连接
并联在高压电路中
串联在待测电路中
副线圈的连接
连接电压表
连接电流表
互感器的作用
将高电压变为低电压
将大电流变成小电流
利用的关系式
=
=
注意 (1)电压互感器是降压变压器,据=,知n1>n2.电流互感器是升压变压器,据=,知n1
①测量仪器不同,电压互感器用电压表,电流互感器用电流表.
②原、副线圈匝数关系不同.
③原线圈接线方式不同,前者接在火线和零线间,后者接在火线上.
(3)使用互感器时,一定要将互感器的外壳和副线圈接地.
一自耦变压器如图2所示,环形铁芯上只绕有一个线圈,将其接在a、b间作为原线圈.通过滑动触头取该线圈的一部分,接在c、d间作为副线圈,在a、b间输入电压为U1的交变电流时,c、d间的输出电压为U2,在将滑动触头从M点顺时针转到N点的过程中( )
图2
A.U2>U1,U2降低 B.U2>U1,U2升高
C.U2
解析 由=,n1>n2知U2
图3
A.2.2×103 W B.2.2×10-2 W
C.2.2×108 W D.2.2×104 W
答案 C
解析 根据题图甲可得,高压输电线的送电电压U=U甲=220 kV;根据题图乙可得,送电电流I=I乙=1 000 A;所以高压输电线的送电功率P=UI=220 kV×1 000 A=2.2×108 W,C正确.
二、理想变压器的制约关系和动态分析
1.电压、电流、功率的制约关系
(1)电压制约:当变压器原、副线圈的匝数比一定时,输入电压U1决定输出电压U2,即U2=.
(2)功率制约:P出决定P入,P出增大,P入增大;P出减小,P入减小;P出为0,P入为0.
(3)电流制约:当变压器原、副线圈的匝数比一定,且输入电压U1确定时,副线圈中的输出电流I2决定原线圈中的电流I1,即I1=(只有一个副线圈时).
2.对理想变压器进行动态分析的两种常见情况
(1)原、副线圈匝数比不变,分析各物理量随负载电阻变化而变化的情况,进行动态分析的顺序是R→I2→P出→P入→I1.
(2)负载电阻不变,分析各物理量随匝数比的变化而变化的情况,进行动态分析的顺序是n1、n2→U2→I2→P出→P入→I1.
(多选)理想变压器的原线圈连接一只理想电流表,副线圈接入电路的匝数可以通过滑动触头Q调节,如图4所示,在副线圈上连接了定值电阻R0和滑动变阻器R,P为滑动变阻器的滑片.原线圈两端接在电压为U的交流电源上.则( )
图4
A.保持Q的位置不动,将P向上滑动时,电流表的读数变小
B.保持Q的位置不动,将P向上滑动时,电流表的读数变大
C.保持P的位置不动,将Q向上滑动时,电流表的读数变大
D.保持P的位置不动,将Q向上滑动时,电流表的读数变小
答案 AC
解析 在原、副线圈匝数比一定的情况下,变压器的输出电压由输入电压决定.因此保持Q的位置不动,输出电压不变,将P向上滑动时,副线圈电路总电阻增大,则输出电流减小,输入电流也减小,则电流表的读数变小,故A正确,B错误;保持P的位置不动,将Q向上滑动时,则输出电压变大,输出电流变大,输入电流也变大,则电流表的读数变大,故C正确,D错误.
针对训练1 如图5所示,理想变压器的副线圈上通过输电线接有两个相同的灯泡L1和L2,输电线的等效电阻为R,开始时,开关K断开,当K接通时,以下说法正确的是( )
图5
A.副线圈两端M、N的输出电压减小
B.副线圈输电线等效电阻R上的电压减小
C.通过灯泡L1的电流增大
D.原线圈中的电流增大
答案 D
解析 输入电压和原、副线圈的匝数比不变,由=可知副线圈两端M、N的输出电压不变,A错误;当K接通时,副线圈电路的总电阻减小,总电流I2变大,输电线等效电阻R上的电压增大,并联部分的电压减小,通过灯泡L1的电流减小,B、C错误;由=可知,电流I2变大,则I1变大,即原线圈中的电流增大,D正确.
三、有多个副线圈的变压器
1.如图6所示,只有S1或只有S2闭合,此时变压器实际上是只有一个副线圈的变压器,只闭合S1时,有=,=,P1=P2;只闭合S2时,有=,=,P1=P3.
图6
2.S1、S2都闭合
(1)电压关系:==.
(2)电流关系:n1I1=n2I2+n3I3.
(3)功率关系:P1=P2+P3.
如图7所示,理想变压器原线圈的匝数为n1=1 000,两个副线圈的匝数分别为n2=50和n3=100,L1是“6 V 2 W”的小灯泡,L2是“12 V 4 W”的小灯泡,当原线圈接上交变电压时,L1、L2都正常发光,那么,原线圈中的电流为( )
图7
A. A B. A C. A D. A
答案 C
解析 两灯泡都正常发光,则U2=6 V,原线圈两端电压U1=U2=×6 V=120 V,副线圈上总的输出功率P出=PL1+PL2=2 W+4 W=6 W,原线圈上输入功率P入=P出=6 W,原线圈中的电流I1== A= A,故选项C正确.
针对训练2 如图8所示,理想变压器有三个线圈A、B、C,其中B、C的匝数分别为n2、n3,理想电压表的示数为U,理想电流表的示数为I,L1、L2是完全相同的灯泡,根据以上条件不能计算出的物理量是(忽略温度对电阻的影响)( )
图8
A.线圈A的匝数
B.灯泡L2两端的电压
C.变压器的输入功率
D.通过灯泡L1的电流
答案 A
解析 由题意知线圈B两端的电压为U,设线圈C两端的电压为UC,则=,所以UC=U;通过L2的电流为I,则可以求出L2的电阻,L2与L1的电阻相同,所以可求出通过L1的电流;根据以上数据可以求出L1、L2的功率,可得变压器总的输出功率,它也等于变压器的输入功率;根据题意无法求出线圈A的匝数,故选A.
1.(自耦变压器)如图9所示,一自耦变压器(可看作理想变压器)输入端A、B间加一正弦式交流电压,在输出端C、D间接灯泡和滑动变阻器,转动滑片P可以改变副线圈的匝数,移动滑片Q可以改变滑动变阻器的阻值,则( )
图9
A.只将P顺时针转动,灯泡变亮
B.只将P逆时针转动,灯泡变亮
C.只将Q向上移动,灯泡变亮
D.只将Q向下移动,灯泡变亮
答案 B
解析 理想变压器原、副线圈电压之比等于匝数之比,即=,只将P顺时针转动,原线圈匝数n1不变,副线圈匝数n2减小,原线圈两端电压不变,则副线圈两端电压减小,即灯泡变暗;同理可知只将P逆时针转动时,灯泡变亮;灯泡L与滑动变阻器R并联,若只是移动滑片Q,灯泡两端电压不变,灯泡亮度不变,故选B.
2.(变压器的动态分析)如图10甲,理想变压器原、副线圈匝数比为22∶1,接线柱a、b所接正弦交变电压u随时间t变化规律如图乙所示.变压器副线圈接有一火警报警系统,其中R1为定值电阻,R2为热敏电阻,其电阻随温度升高而增大.电压表、电流表均为理想电表,下列说法中正确的是( )
图10
A.电压表示数为10 V
B.此交变电源的频率为0.5 Hz
C.出现火警时,电流表示数增大
D.出现火警时,电压表示数增大
答案 D
解析 由题图乙可知,输入的电压有效值为220 V,理想变压器原、副线圈的电压与匝数成正比,由此可得副线圈的电压为10 V,电压表测的是热敏电阻的电压,R1、R2的总电压为10 V,所以电压表的示数小于10 V,故A错误;此交流电源的频率为f== Hz=50 Hz,故B错误;当出现火警时,温度升高,电阻R2变大,副线圈的电流变小,所以原线圈电流即电流表示数减小,R1的电压要减小,由于副线圈的总电压不变,所以R2的电压即电压表示数就要变大,故C错误,D正确.
3.(变压器的动态分析)如图11所示,变压器为理想变压器,原线圈一侧接在交流电源上,副线圈中电阻变化时变压器输入电压不变.R0为定值电阻,R为滑动变阻器,A1和A2为理想电流表,V1和V2为理想电压表.若将滑动变阻器的滑片向下滑动,则( )
图11
A.A1示数不变 B.A2示数变大
C.V1示数变大 D.V2示数变小
答案 B
解析 V1示数等于变压器输入电压,不变;V2示数等于变压器输出电压,由输入电压和匝数比决定,则V2示数也不变,故C、D错误;滑动变阻器的滑片向下滑动时,接入电路的电阻减小,则副线圈中的电流增大,A2示数变大,根据I1=I2可知,原线圈中的电流变大,即A1示数变大,故B正确,A错误.
1.如图1所示是“探究变压器原、副线圈电压与匝数的关系”的实验示意图,a线圈接交流电源,b线圈接交流电压表,在实验过程中( )
图1
A.只增加b线圈的匝数,电压表的示数一定增大
B.只增加a线圈的匝数,电压表的示数一定增大
C.同时增加a、b两线圈的匝数,电压表的示数一定增大
D.只改变a线圈两端的电压,电压表的示数不变
答案 A
解析 电压表示数设为Ub,交流电源电压设为Ua,则=,所以只增加nb,Ub一定增大,A正确;而只增加na,Ub一定减小,B错误;na、nb都增加,Ub不一定增大,C错误;只改变Ua,Ub一定改变,D错误.
2.(多选)如图2所示,理想变压器原、副线圈的匝数分别为n1、n2,原、副线圈两端的电压分别为U1、U2,原、副线圈中通过的电流分别为I1、I2,若保持n1、n2、U1不变,将开关S由闭合变为断开,则( )
图2
A.U2增大 B.I1增大
C.I2减小 D.变压器的输入功率减小
答案 CD
解析 原、副线圈匝数比不变、输入电压U1不变,则输出电压U2不变,故A错误;将开关S由闭合变为断开,副线圈所在电路的总电阻增大,总电流I2减小,根据变压器原理可知I1也减小,故B错误,C正确;根据P1=U1I1,由于U1不变,I1减小,可知变压器的输入功率减小,故D正确.
3.如图3所示,理想变压器原线圈匝数n1=1 210,副线圈匝数n2=121,输入电压u=311
sin 100πt (V),负载电阻R=44 Ω.不计电表对电路的影响,下列说法正确的是( )
图3
A.交流电流表读数为0.05 A
B.交流电压表读数为311 V
C.输入电压的频率为100 Hz
D.若增大R的电阻值,变压器的输入功率增大
答案 A
解析 由输入电压的瞬时值表达式可知,原线圈的电压最大值为311 V,所以原线圈的电压有效值为U1= V≈220 V,即交流电压表的读数为220 V;根据变压比公式=,可得U2==22 V,则副线圈中的电流为I2== A=0.5 A;根据公式=,可得I1==0.05 A,选项A正确,B错误;根据公式f=、T=,代入数据得f=50 Hz,选项C错误;根据P=可知,当U不变时,电阻变大,电功率变小,故若增大R的电阻值,变压器的输出功率减小,理想变压器输入功率等于输出功率,所以变压器的输入功率减小,选项D错误.
4.(多选)如图4所示的电路中,P为滑动变阻器的滑片,保持理想变压器的输入电压U1不变,闭合开关S,下列说法正确的是( )
图4
A.P向下滑动时,灯L变亮
B.P向下滑动时,变压器的输出电压不变
C.P向下滑动时,变压器的输入电流变小
D.P向下滑动时,变压器的输出功率变大
答案 BC
解析 由于理想变压器输入电压U1不变,原、副线圈匝数不变,所以输出电压U2也不变,灯L的亮度不随P的滑动而改变,故选项A错误,B正确.P向下滑动时,滑动变阻器接入电路的电阻变大,副线圈负载总电阻R总变大,由I2=知,通过副线圈的电流I2变小,输出功率P出=U2I2变小,再由=知输入电流I1也变小,故选项C正确,D错误.
5.(多选)如图5甲所示,理想变压器原、副线圈的匝数比为4∶1,原线圈接图乙所示的正弦交流电.图甲中RT为阻值随温度升高而减小的热敏电阻,R1为定值电阻,电压表和电流表均为理想电表.则下列说法正确的是( )
图5
A.图乙所示电压的瞬时值表达式为u=51sin 50πt(V)
B.变压器原、副线圈中的电流之比为1∶4
C.变压器输入、输出功率之比为1∶4
D.RT处温度升高时,电压表示数不变,电流表的示数变大
答案 BD
解析 原线圈接题图乙所示的正弦交流电,由题图乙知电压的最大值为51 V,周期为0.02 s,角速度ω==100π rad/s,则电压的瞬时值表达式为u=51sin 100πt(V),故A错误;由=可知,变压器原、副线圈中的电流之比为1∶4,故B正确;根据变压器的工作原理可知,理想变压器的输入、输出功率之比应为1∶1,故C错误;电压表测的是原线圈的输入电压,恒定不变,则副线圈的输出电压不变,RT处温度升高时,阻值减小,根据欧姆定律可知,电流表的示数变大,故D正确.
6.自耦变压器的铁芯上只绕有一个线圈,原、副线圈都只取该线圈的某部分.一升压式自耦调压变压器的电路如图6所示,其副线圈匝数可调.已知变压器线圈总匝数为1 900匝,原线圈为1 100匝,接在电压有效值为220 V的交流电源上.当变压器输出电压调至最大时,负载R上的功率为2.0 kW,设此时原线圈中电流有效值为I1,负载两端电压的有效值为U2,且变压器是理想变压器,则U2和I1分别约为( )
图6
A.380 V和5.3 A B.380 V和9.1 A
C.240 V和5.3 A D.240 V和9.1 A
答案 B
解析 由理想变压器原、副线圈中电压及功率关系可得:=,U1I1=U2I2=P2,所以,当变压器输出电压调至最大时,副线圈的匝数也最大,为n2=1 900匝,负载R上的功率也最大,为2.0 kW,则U2=U1=×220 V=380 V,I1== A≈9.1 A,故选项B正确.
7.普通的交流电流表不能直接接在高压输电线路上测量电流,通常要通过电流互感器来连接,如图7所示,图中电流互感器ab一侧线圈的匝数较少,工作时电流为Iab,cd一侧线圈的匝数较多,工作时电流为Icd,为了使电流表能正常工作,则( )
图7
A.ab接MN、cd接PQ,Iab
C.ab接PQ、cd接MN,Iab
答案 B
解析 根据单一副线圈的理想变压器原理,电流比值等于匝数比的倒数,可得ab接MN、cd接PQ,Iab>Icd,故B正确.
8.如图8所示的理想变压器,b是原线圈的中点接头,从某时刻开始在原线圈c、d两端加上正弦交变电压,现将单刀双掷开关与a连接,下列说法正确的是( )
图8
A.滑动变阻器触头P向上移动时,电压表、电流表示数均变小
B.滑动变阻器触头P向上移动时,原线圈中电流增大
C.单刀双掷开关由a掷向b,电压表、电流表示数均变大
D.单刀双掷开关由a掷向b,变压器输入功率将变小
答案 C
解析 滑动变阻器触头P向上移动的过程中,滑动变阻器的电阻变大,副线圈所在电路的总电阻变大,由于副线圈两端电压是由输入电压和匝数比决定的,所以副线圈中的电流变小,电流表示数变小,电压表的示数不变,所以A错误;电流与匝数成反比,副线圈中电流减小,原线圈电流也减小,所以B错误;当单刀双掷开关由a掷向b时,理想变压器原、副线圈的匝数比变小,所以输出的电压升高,电压表和电流表的示数均变大,所以C正确;由C知电压表和电流表的示数均变大,理想变压器输入功率等于输出功率将变大,所以D错误.
9.某理想自耦变压器接入电路中的示意图如图9甲所示,图乙是其输入电压u的变化规律.已知滑动触头P0在图示位置时,原、副线圈的匝数比为n1∶n2=10∶1,电阻R=22 Ω.电流表均为理想电表,下列说法正确的是( )
图9
A.通过R的交变电流的频率为100 Hz
B.电流表A2的示数为2 A
C.此时变压器的输入功率为22 W
D.将P0沿逆时针方向转动一些,电流表A1的示数变小
答案 C
解析 由题图乙可知,该交变电流的周期为T=0.02 s,其频率为f==50 Hz,输入电压的最大值为Um=220 V,有效值为U1=220 V,则副线圈两端的电压为U2=U1=220× V=22 V,所以通过电阻R的电流即电流表A2的示数为I2== A=1 A,选项A、B错误;变压器的输出功率为P′=U2I2=22×1 W=22 W,理想变压器的输入功率等于输出功率,即P=P′=22 W,选项C正确;将P0沿逆时针方向转动一些,变压器的副线圈匝数增多,输出电压变大,输出功率变大,所以输入功率也变大,故电流表A1的示数将变大,选项D错误.
10.(多选)国家电网公司推进智能电网推广项目建设,拟新建智能变电站1 400座.变电站起变换电压作用的设备是变压器,如图10所示,理想变压器原线圈输入电压u=220
sin 100πt(V),电压表、电流表都为理想电表.则下列判断正确的是( )
图10
A.输入电压有效值为220 V,电流频率为50 Hz
B.S打到a处,当滑动变阻器的滑片向下滑动时,两电压表的示数都增大
C.S打到a处,当滑动变阻器的滑片向下滑动时,两电流表的示数都减小
D.若滑动变阻器的滑片不动,S由a处打到b处,电压表V2和电流表A1的示数都减小
答案 AD
解析 输入电压有效值为U1= V=220 V,由输入电压瞬时值表达式可知,角速度为ω=100π rad/s,电流频率为f== Hz=50 Hz,故A正确;S打到a处,当滑动变阻器的滑片向下滑动时,副线圈电路的总电阻减小,由=可知U2不变,即电压表V2的示数不变,所以电流表A2的示数变大,故B、C错误;若滑动变阻器的滑片不动,S由a处打到b处,副线圈匝数减小,输入电压不变,输出电压减小,即电压表V2的示数减小,根据P=可知输出功率减小,根据输入功率等于输出功率,可知P1=U1I1减小,U1不变,则I1减小,即电流表A1的示数减小,故D正确.
11.一理想变压器原、副线圈的匝数比为3∶1,在原、副线圈的回路中分别接有阻值相同的电阻,原线圈一侧接在电压为220 V的正弦交流电源上,如图11所示.设副线圈回路中电阻两端的电压为U,原、副线圈回路中电阻消耗的电功率的比值为k,则( )
图11
A.U=66 V,k= B.U=22 V,k=
C.U=66 V,k= D.U=22 V,k=
答案 A
解析 原、副线圈两端电压比等于线圈匝数比,根据副线圈回路中负载电阻两端的电压为U,可知副线圈两端电压为U,原线圈两端电压为3U,通过副线圈的电流I2=,根据=可得通过原线圈的电流I1=,原线圈接有电压为220 V的交流电,则220 V=3U+·R,整理可得U=66 V;根据P=I2R,又因为电阻相等,I1∶I2=1∶3,可得原、副线圈回路中电阻消耗的电功率之比为P1∶P2=1∶9,即k=,选项A正确.
高中物理粤教版 (2019)选择性必修 第三册第二章 气体、液体和固态本章综合与测试学案及答案: 这是一份高中物理粤教版 (2019)选择性必修 第三册第二章 气体、液体和固态本章综合与测试学案及答案,共12页。
2022年高中物理(新教材)新粤教版选择性必修第二册同步学案专题强化9 电磁感应中的动力学问题: 这是一份粤教版 (2019)选择性必修 第二册全册综合导学案及答案,共13页。
2022年高中物理(新教材)新粤教版选择性必修第二册同步学案专题强化10 电磁感应中的能量和动量问题: 这是一份高中物理全册综合学案设计,共15页。

