力学实验5 探究动能定理—2022届高中物理一轮复习讲义(机构专用)学案
展开实验五 探究动能定理
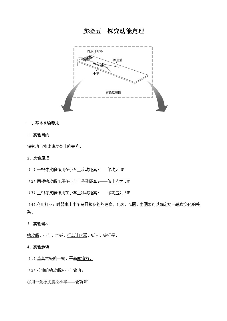
一、基本实验要求
1.实验目的
探究功与物体速度变化的关系.
2.实验原理
(1)一根橡皮筋作用在小车上移动距离s——做功为W
(2)两根橡皮筋作用在小车上移动距离s——做功应为2W
(3)三根橡皮筋作用在小车上移动距离s——做功应为3W
(4)利用打点计时器求出小车离开橡皮筋的速度,列表、作图,由图象可以确定功与速度变化的关系.
3.实验器材
橡皮筋、小车、木板、打点计时器、纸带、铁钉等.
4.实验步骤
(1)垫高木板的一端,平衡摩擦力.
(2)拉伸的橡皮筋对小车做功:
①用一条橡皮筋拉小车——做功W
②用两条橡皮筋拉小车——做功2W
③用三条橡皮筋拉小车——做功3W
(3)测出每次做功后小车获得的速度.
(4)分别用各次实验测得的v和W绘制W-v或W-v2、W-v3、……图象,直到明确得出W和v的关系.
5.实验结论:物体速度v与外力做功W间的关系W=mv2
二、规律方法总结
1.实验注意事项
(1)将木板一端垫高,使小车的重力沿斜面向下的分力与摩擦阻力平衡.方法是轻推小车,由打点计时器打在纸带上的点的均匀程度判断小车是否做匀速运动,找到长木板的一个合适的倾角.
(2)测小车速度时,应选纸带上的点均匀的部分,也就是选小车做匀速运动的部分.
(3)橡皮筋应选规格一样的.力对小车做的功以一条橡皮筋做的功为单位即可,不必计算出具体数值.
(4)小车质量应大一些,使纸带上打的点多一些.
2.实验探究的技巧与方法
(1)不直接计算W和v的数值,而只是看第2次、第3次……实验中的W和v是第1次的多少倍,简化数据的测量和处理.
(2)做W-v图象,或W-v2、W-v3图象,直到作出的图象是一条倾斜的直线.
典例精析
考点一 实验原理与实验操作
例1、用如图所示的装置做“探究动能定理”的实验时,下列说法正确的是( )
A.为了平衡摩擦力,实验中可以将长木板的左端适当垫高,使小车拉着穿过打点计时器的纸带自由下滑时能保持匀速运动
B.每次实验中橡皮筋的规格要相同,拉伸的长度要一样
C.可以通过改变橡皮筋的条数来改变拉力做功的数值
D.可以通过改变小车的质量来改变拉力做功的数值
E.实验中要先释放小车再接通打点计时器的电源
F.通过打点计时器打下的纸带来测定小车加速过程中获得的最大速度
G.通过打点计时器打下的纸带来测定小车加速过程中获得的平均速度
例2、某实验小组用如图所示的实验装置和实验器材做“探究动能定理”实验,在实验中,该小组同学把砂和砂桶的总重力当作小车受到的合外力.
(1)(多选)为了保证实验结果的误差尽量小,在实验操作中,下面做法必要的是______.
A.实验前要对装置进行平衡摩擦力的操作
B.实验操作时要先放小车,后接通电源
C.在利用纸带进行数据处理时,所选的两个研究点离得越近越好
D.在实验过程中要保证砂和砂桶的总质量远小于小车的质量
(2)除实验装置中的仪器外,还需要的测量仪器有______________________________.
(3)如图所示为实验中打出的一条纸带,现选取纸带中的A、B两点来探究“动能定理”.已知打点计时器的打点周期为T,重力加速度为g.图中已经标明了要测量的物理量,另外,小车的质量为M,砂和砂桶的总质量为m.请你把要探究的结果用题中给出的字母表达出来________.
例3、某同学把附有滑轮的长木板平放在实验桌上,将细绳一端拴在小车上,另一端绕过定滑轮,挂上适当的钩码,使小车在钩码的牵引下运动,以此定量探究绳拉力做功与小车动能变化的关系.此外还准备了打点计时器及配套的电源、导线、复写纸、纸带、小木块等.组装的实验装置如图所示.
(1)若要完成该实验,必需的实验器材还有哪些________.
(2)实验开始时,他先调节木板上定滑轮的高度,使牵引小车的细绳与木板平行.他这样做的目的是下列的哪个________(填字母代号).
A.避免小车在运动过程中发生抖动
B.可使打点计时器在纸带上打出的点迹清晰
C.可以保证小车最终能够实现匀速直线运动
D.可在平衡摩擦力后使细绳拉力等于小车受的合力
(3)平衡摩擦力后,当他用多个钩码牵引小车时,发现小车运动过快,致使打出的纸带上点数较少,难以选到合适的点计算小车速度,在保证所挂钩码数目不变的条件下,请你利用本实验的器材提出一个解决办法:______________________.
(4)(多选)他将钩码重力做的功当作细绳拉力做的功,经多次实验发现拉力做功总是要比小车动能增量大一些.这一情况可能是下列哪些原因造成的________(填字母代号).
A.在接通电源的同时释放了小车
B.小车释放时离打点计时器太近
C.阻力未完全被小车重力沿木板方向的分力平衡掉
D.钩码做匀加速运动,钩码重力大于细绳拉力
考点二 数据处理与误差分析
例4、某实验小组利用拉力传感器和速度传感器来探究动能定理.如图所示,他们将拉力传感器固定在小车上,用不可伸长的细线将其通过一个定滑轮与钩码相连,用拉力传感器记录小车受到拉力的大小.在水平桌面上相距50.0 cm的A、B两点各安装一个速度传感器,记录小车通过A、B时的速度大小.小车中可以放置砝码.
(1)实验主要步骤如下:
①测量________和拉力传感器的总质量M1;把细线的一端固定在拉力传感器上,另一端通过定滑轮与钩码相连;正确连接所需装置.
②将小车停在C点,接通电源,________,小车在细线拉动下运动,记录细线拉力及小车通过A、B时的速度.
③在小车中增加砝码,或____________,重复②的操作.
(2)如表所示是他们测得的一组数据,其中M是M1与小车中砝码质量之和,|v-v|是两个速度传感器所记录速度的平方差,可以据此计算出动能变化量ΔEk,F是拉力传感器受到的拉力,W是F在A、B间所做的功.表格中的ΔEk3=________J,W3=________J.(结果保留三位有效数字)
数据记录表
次数 | M/kg | |v-v|/(m/s)2 | ΔEk/J | F/N | W/J |
1 | 0.500 | 0.760 | 0.190 | 0.400 | 0.200 |
2 | 0.500 | 1.650 | 0.413 | 0.840 | 0.420 |
3 | 0.500 | 2.400 | ΔEk3 | 1.220 | W3 |
4 | 1.000 | 2.400 | 1.200 | 2.420 | 1.210 |
5 | 1.000 | 2.840 | 1.420 | 2.860 | 1.430 |
(3)根据表中数据在图中作出ΔEk-W图线.
例5、某同学利用如图所示的装置探究功与速度变化的关系.
①小物块在1条橡皮筋的作用下弹出,沿水平桌面滑行,之后平抛落至水平地面上,落点记为M1;
②在钉子上分别套上2条、3条、4条……同样的橡皮筋,使每次橡皮筋拉伸的长度都保持一致,重复步骤①,小物块落点分别记为M2、M3、M4……;
③测量相关数据,进行数据处理.
(1)为求出小物块抛出时的动能,需要测量下列物理量中的________(填正确答案标号).
A.小物块的质量m
B.橡皮筋的原长x
C.橡皮筋的伸长量Δx
D.桌面到地面的高度h
E.小物块抛出点到落地点的水平距离L
(2)将几次实验中橡皮筋对小物块做的功分别记为W1、W2、W3、……,小物块抛出点到落地点的水平距离分别记为L1、L2、L3、…….若功与速度的二次方成正比,则应以W为纵坐标、____________为横坐标作图,才能得到一条直线.
(3)由于小物块与桌面之间的摩擦不能忽略,则由此引起的误差属于________(选填“偶然误差”或“系统误差”).
考点三 实验拓展与创新
例6、某学习小组利用如图所示的装置探究动能定理.
(1)将气垫导轨调至水平,安装好实验器材,从图中读出两光电门中心之间的距离x=________cm;
(2)测量挡光条的宽度d,记录挡光条通过光电门1和2所用的时间Δt1和Δt2,并从拉力传感器中读出滑块受到的拉力F,为了完成实验,还需要直接测量的一个物理量是________;
(3)该实验是否需要满足砝码盘和砝码的总质量远小于滑块、挡光条和拉力传感器的总质量?________(填“是”或“否”).
例7、某兴趣小组准备探究“合外力做功和物体速度变化的关系”,实验前组员们提出了以下几种猜想:①W∝v;②W∝v2;③W∝.为了验证猜想,他们设计了如图甲所示的实验装置.PQ为一块倾斜放置的木板,在Q处固定一个速度传感器(用来测量物体每次通过Q点的速度).在刚开始实验时,小刚同学提出“不需要测出物体的质量,只要测出物体初始位置到速度传感器的距离L和读出速度传感器的读数v就行了”,大家经过讨论采纳了小刚的建议.
(1)请你说明小刚建议的理由:______________________________________________;
(2)让物体分别从不同高度无初速度释放,测出物体初始位置到速度传感器的距离L1、L2、L3、L4、……,读出物体每次通过Q点的速度v1、v2、v3、v4、……,并绘制了如图乙所示的L-v图象.若为了更直观地看出L和v的变化关系,他们下一步应该作出_________;
A.L-v2图象 B.L-图象 C.L-图象 D.L-图象
(3)实验中,木板与物体间摩擦力________(“会”或“不会”)影响探究的结果.
例8、为了“探究动能改变与合外力做功”的关系,某同学设计了如下实验方案:
第一步:把带有定滑轮的木板有滑轮的一端垫起,把质量为M的滑块通过细绳与质量为m的带夹重锤跨过定滑轮相连,重锤后连一穿过打点计时器的纸带,调整木板倾角,直到轻推滑块后,滑块沿木板向下匀速运动,如图甲所示.
第二步:保持长木板的倾角不变,将打点计时器安装在长木板靠近滑轮处,取下细绳和重锤,将滑块与纸带相连,使纸带穿过打点计时器,然后接通电源,释放滑块,使之从静止开始向下加速运动,打出纸带,如图乙所示.打出的纸带如图丙所示.
请回答下列问题:
(1)已知O、A、B、C、D、E、F相邻计数点间的时间间隔为Δt,根据纸带求滑块运动的速度,打点计时器打B点时滑块运动的速度vB=________.
(2)已知重锤质量为m,当地的重力加速度为g,要测出某一过程合外力对滑块做的功还必须测出这一过程滑块______(写出物理名称及符号,只写一个物理量),合外力对滑块做功的表达式W合=________.
(3)算出滑块运动OA、OB、OC、OD、OE段合外力对滑块所做的功W以及在A、B、C、D、E各点的速度v,以v2为纵轴、W为横轴建立直角坐标系,描点作出v2-W图象,可知该图象是一条________,根据图象还可求得________.
【能力展示】
1.探究力对原来静止的物体做的功与物体获得的速度的关系,实验装置如图所示,实验主要过程如下:
(1)设法让橡皮筋对小车做的功分别为W、2W、3W、…;
(2)分析打点计时器打出的纸带,求出小车的速度v1、v2、v3、…;
(3)作出W-v草图;
(4)分析W-v图象.如果W-v图象是一条直线,表明W∝v;如果不是直线,可考虑是否存在W∝v2、W∝v3、W∝等关系.
以下关于该实验的说法中有一项不正确,它是________.
A.本实验设法让橡皮筋对小车做的功分别为W、2W、3W、….所采用的方法是选用同样的橡皮筋,并在每次实验中使橡皮筋拉伸的长度保持一致.当用1条橡皮筋进行实验时,橡皮筋对小车做的功为W,用2条、3条、…橡皮筋并在一起进行第2次、第3次、…实验时,橡皮筋对小车做的功分别是2W、3W、…
B.小车运动中会受到阻力,补偿的方法可以使木板适当倾斜
C.某同学在一次实验中,得到一条记录纸带.纸带上打出的点,两端密、中间疏.出现这种情况的原因,可能是没有使木板倾斜或倾角太小
D.根据记录纸带上打出的点,求小车获得的速度的方法,是以纸带上第一点到最后一点的距离来进行计算
2.在追寻科学家研究足迹的过程中,某同学为探究恒力做功和物体动能变化间的关系,采用了如图所示的“探究物体加速度与物体质量、受力之间关系”的实验装置.
(1)实验时,该同学想用钩码的重力表示滑块受到的合力,为了减小这种做法带来的实验误差,你认为在实验中应该采取的两项措施是____________和__________________.
(2)如图所示是实验中得到的一条纸带,其中A、B、C、D、E、F是连续的六个计数点,相邻计数点间的时间间隔为T,相邻计数点间的距离已在图中标出,测出滑块的质量为M,钩码的总质量为m.从打B点到打E点的过程中,为达到实验目的,该同学应该寻找______________和______________之间的数值关系(用题中和图中的物理量符号表示)
实验五 探究动能定理
答案
例1、ABCF
例2、(1)AD (2)刻度尺、天平 (3)mgx=
例3、(1)刻度尺、天平(包括砝码) (2)D(3)可在小车上加适量砝码(或钩码) (4)CD
例4、(1)①小车 ②然后释放小车 ③减少砝码(2)0.600 0.610 (3) 如图所示
例5、(1)ADE (2)L2 (3)系统误差
例6、(1)50.00 (2)滑块、挡光条和拉力传感器的总质量 (3)否
例7、(1)根据动能定理列出方程式,可以简化约去质量m (2)A (3)不会
例8、(1) (2)下滑的位移x mgx (3)过原点的直线 滑块的质量M
【能力展示】
1.D
2.(1)保证钩码的总质量远小于滑块的质量 平衡摩擦力
(2)mg(Δx2+Δx3+Δx4) M()2-M()2
实验六 探究动能定理—2021高中物理一轮复习学案: 这是一份实验六 探究动能定理—2021高中物理一轮复习学案,共9页。学案主要包含了实验目的,实验原理,实验器材,实验步骤,数据处理,误差分析,注意事项等内容,欢迎下载使用。
力学实验6 验证机械能守恒定律—2022届高中物理一轮复习讲义(机构专用)学案: 这是一份力学实验6 验证机械能守恒定律—2022届高中物理一轮复习讲义(机构专用)学案,共13页。学案主要包含了基本实验要求,规律方法总结等内容,欢迎下载使用。
力学实验4 验证牛顿第二定律—2022届高中物理一轮复习讲义(机构专用)学案: 这是一份力学实验4 验证牛顿第二定律—2022届高中物理一轮复习讲义(机构专用)学案,共11页。学案主要包含了基本实验要求,规律方法总结等内容,欢迎下载使用。

