四川省泸州市2021届高三下学期第二次教学质量诊断性考试物理试卷
展开
泸州市高2018级第二次教学质量诊断性考试
理科综合能力测试物理
二、选择题:本题共8小题,每小题6分。在每小题给出的四个选项中,第14~ 18题只有一项符合题目要求,第19~21题有多项符合题目要求。全部选对的得6分,选对但不全的得3分,有选错的得0分。
14.如图所示,取一柔软的铝箔条,折成“天桥”状并将其两端固定在水平桌面上,用一蹄形磁铁横跨过“天桥”置于桌面上。当用导线将电池与铝箔按图中所示接通时
A.铝箔条中部向下方运动 B.铝箔条中部向上方运动
C.蹄形磁铁对桌面的压力变小 D.蹄形磁铁对桌面的压力不变
15.如图所示,带立杆的小车放在光滑水平面上,小球P用轻绳系在立杆上,把小球拉开一定角度,然后将小球P和小车同时由静止释放。在小球P从静止开始摆到最低点的过程中
A.小球P的机械能守恒
B.小球P和小车组成的系统动量守恒
C.细线的拉力对小球P始终不做功
D.小球P重力的瞬时功率先增大后减小
16.2020年12月4日,我国自主研制的核聚变关键装置——“ 中国环流器二号M”装置在成都建成并实现首次放电,标志着我国核聚变发展取得重大突破。设此装置利用热核反应进行的聚变方程为,如果一个氘核和一个氚核发生核聚变时,平均每个核子释放的能量为5.6×10-13J。则该聚变过程中的质量亏损约为(已知光速为c=3.0×108m/s)
A.1.9×10-21kg B.9.3×10-21kg
C.3.1×10-29kg D.6.2×10-30kg
17.12月17日凌晨1时59分,嫦娥五号返回器携带月球样品,采用“半弹道跳跃”方式返回地球,圆满完成了月球取样任务。如图虚线为大气层边界,返回器从a点关闭发动机无动力滑入大气层,然后从/c点“跳”出,再从e点“跃”入,实现多次减速,可避免损坏返
回器。d点为轨迹的最高点,离地心的距离为r,返回器在d点时的
速度大小为v,地球质量为M,引力常量为G。则返回器
A.在d点处于完全失重状态 B.在d点时的速度大小v=
C.在d点时的加速度大小为 D.从a点到c点的过程中,只有重力在做功
18.如图所示,质量为M的小车放在光滑的水平地面上,右面靠着一竖直墙壁,小车的上表面是一个倾角为的光滑斜面,重力加速度取g。当有一个质量为m的小物块在斜面上自由下滑的过程中,小车对右侧墙壁的压力大小F1和对水平地面的压力大小F2分别为
A. F1 =mgsincos F2= Mg - mgsin2
B. F1= mgtan F2= Mg+mgsincos
C. F1=mgtan . F2=Mg +mg - mgcos
D. F1=mgsincos F2= Mg+mgcos2
19.钳形电流表是一种测量交变电流的仪表,其工作原理如图所示。当通有交变电流的单匝导线从环形铁芯中间穿过时,与绕在铁芯上的线圈相连的交流电流表指针会发生偏转。
不考虑铁芯的漏磁及各种能量损耗,已知n2=500 匝,当用该表测50 Hz的正弦式交变电流时,则
A.表中通过的交变电流频率为100Hz
B.若表中示数为50 mA时,导线中被测电流为25A
C.若导线中通10A的恒定电流时,表的示数为20 mA
D.若只增大线圈匝数n2,则表的示数将变小
20.光滑绝缘水平桌面上存在以虚线为边界的匀强磁场,磁感应强度为B,方向垂直桌面向下。有一定电阻、边长为a的正方形线框ABCD,在外力F作用下以大小为v、方向与磁场边界成45°角的速度,斜向右上方匀速进入磁场,运动过程中某瞬间对角线AC与磁场边界重合,其俯视图如图所示。则在线框进入磁场的过程中
A.线框中感应电流方向始终为DABCD
B.图示位置时,线框中感应电动势为
C.图示位置时,外力F达到最大值
D.线框所受安培力的功率一直在增大
21.如图所示,abcd 为匀强电场中的一直角梯形,其平面与场强方向平行。已知ab=ad =2cm,∠adc=60°,a、b、d三点的电势分别为0V、4V、4V,则
A. c点的电势为10V
B.匀强电场的场强为400V/m
C.若将电子从a点移到b点,需克服电场力做功4 eV
D.电子和质子分别放在d点时,具有相同的电势能
第II卷
三、非选择题:包括必考题和选考题两部分。第22题~第32题为必考题,每个试题考生都必须作答。第33题~第38题为选考题,考生根据要求作答。
(一)必考题(共129分)
22.(6分)
科学探究活动通常包括以下环节:提出问题、形成猜想和假设、设计实验与制订方案、获
取和处理信息、基于证据得出结论并作出解释,以及交流、评估、反思等。某物理学习小组在进行.《研究影响滑动摩擦力的因素》的探究实验时,提出“滑动摩擦力可能与接触面间的压力有关”。
(1)这属于科学探究活动的__________环节。
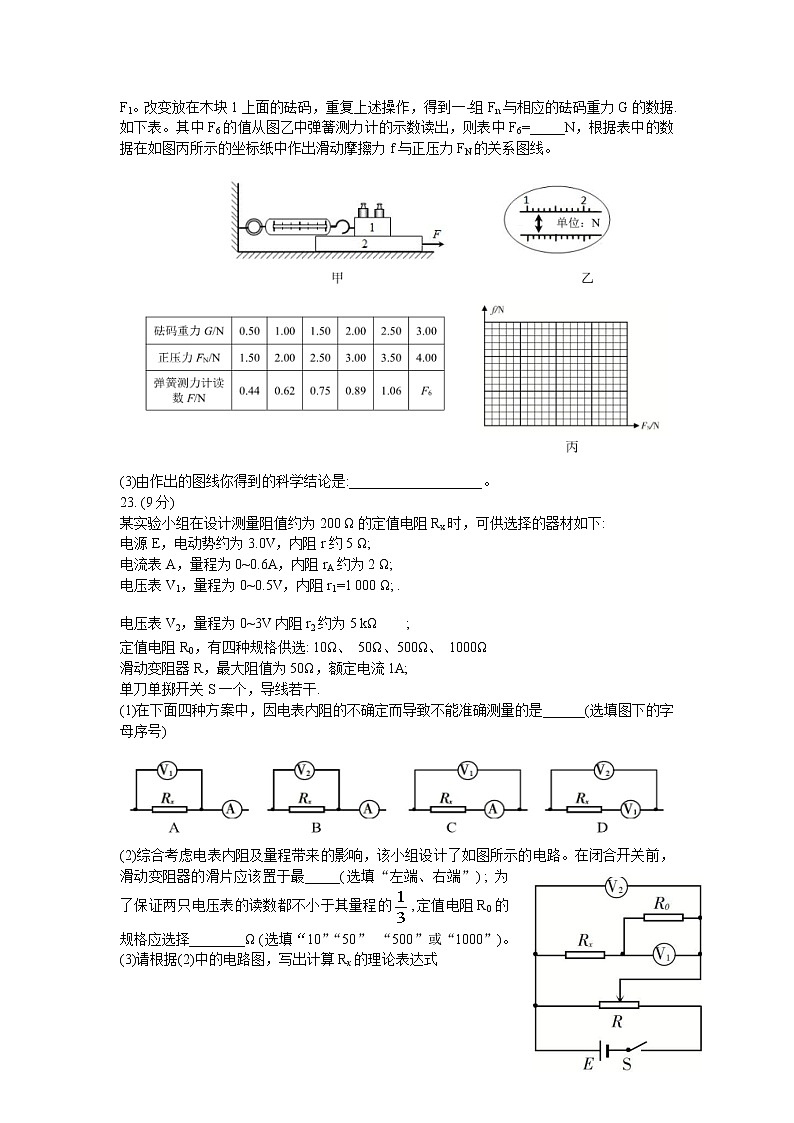
(2)他们用如图甲所示的实验装置来探究滑动摩擦力与正压力的关系,测得木块1的重力为1N,木板2在拉力作用下向右运动,木块1相对于地面静止,读出此时弹簧测力计的示数F1。改变放在木块1上面的砝码,重复上述操作,得到一-组Fn与相应的砝码重力G的数据.
如下表。其中F6的值从图乙中弹簧测力计的示数读出,则表中F6=_____N,根据表中的数据在如图丙所示的坐标纸中作出滑动摩擦力f与正压力FN的关系图线。
(3)由作出的图线你得到的科学结论是:___________________。
23. (9分)
某实验小组在设计测量阻值约为200 Ω的定值电阻Rx时,可供选择的器材如下:
电源E,电动势约为3.0V,内阻r约5 Ω;
电流表A,量程为0~0.6A,内阻rA约为2 Ω;
电压表V1,量程为0~0.5V,内阻r1=1 000 Ω; .
电压表V2,量程为0~3V内阻r2约为5 kΩ;
定值电阻R0,有四种规格供选: 10Ω、 50Ω、500Ω、 1000Ω
滑动变阻器R,最大阻值为50Ω,额定电流1A;
单刀单掷开关S一个,导线若干.
(1)在下面四种方案中,因电表内阻的不确定而导致不能准确测量的是______(选填图下的字母序号)
(2)综合考虑电表内阻及量程带来的影响,该小组设计了如图所示的电路。在闭合开关前,滑动变阻器的滑片应该置于最_____(选填“左端、右端”) ; 为了保证两只电压表的读数都不小于其量程的,定值电阻R0的规格应选择________Ω (选填“10”“50” “500”或“1000”)。
(3)请根据(2)中的电路图,写出计算Rx的理论表达式
Rx=_______(如涉及电压表和电流表的示数分别对应用U1、U2、I表示,电表内阻和定值电分别对应用r1、r2、 rA、R0表示)
24. (12 分)
回旋加速器是加速带电粒子的装置,如图所示。设匀强磁场的磁感应强度为B,方向垂直于半径为R的D形盒,狭缝间的距离为d(d<<R),狭缝间的加速电压为U,在左侧D形盒中心的A点静止释放一质量为m、电荷量为q的带电粒子,调整加速电场的频率,使粒子每次在电场中始终被加速,最后在左侧D形盒边缘被特殊装置引出。不计带电粒子的重力。求:
(1)粒子获得的最大动能Ekm;
(2)粒子在狭缝间加速的次数N。
25.(20分)
如图所示,足够长的粗糙水平轨道ab、光滑水平轨道cd和足够长的粗糙倾斜轨道de在同
一竖直平面内,斜面倾角为37°,cd和de平滑连接。在ab的最右端静止一长L1=2.5m、质量M= 4kg的木板,其高度与cd等高,木板与轨道ab间动摩擦因数=0.05,质量m= 2kg的滑块Q静止在cd轨道上的某点,在de轨道上距斜面底端L2=8m处静止释放一相同的滑块P,一段时间后滑块P与Q发生正碰,碰撞时间忽略不计,碰撞后P、Q粘在一起运动。己知P、Q与斜面和木板间的动摩擦因数均为=0.25,滑块P、Q均当作质点,重力加速度g取10m/s2,sin37°=0.6,cos37°=0.8。 求:
(1)滑块P、Q碰撞后获得的速度大小;
(2)滑块P、Q冲.上木板前损失的机械能;
(3) P、Q一起滑上木板后能否从其左端滑离?若能,求滑离瞬间木板发生的位移大小;若不能,求木板发生的总位移大小。
(二)选考题(共45分)
33. [ 物理——选修3-3](15分)
(1)(5分)下列说法中正确的是______(填正确答案标号。选对1个得2分,选对2个得4分,选对3个得5分.每选错1个扣3分,最低得分为0分)
A.给装在钢筒中的油施加很大的压强,有油从钢筒壁上渗出,说明固体分子间有间隙
B.布朗运动就是分子的无规则运动
C.温度较低的物体可能比温度较高的物体内能大
D.布伞伞面的布料有缝隙但不漏雨水,这是因为液体表面有张力
E.晶体一定具有天然规则的几何形状
(2) (10分)如图所示,一导热性能良好、内壁光滑的汽缸水平放置,横截面积S= 20cm2、质量m=8kg且厚度不计的活塞与汽缸之间密闭了一定量的理想气体,此时外界温度为300K,活塞与汽缸底部之间的距离l1=24cm,在活塞右侧l2=6cm处有一对与汽缸固定连接的卡环。已知大气压强P0=1.0× 105Pa始终保持不变,重力加速度g=10m/s2,求:
(i)当外界温度缓慢升高为多少时,活塞恰能移动到卡环处;
(ii)若外界温度稳定在300K,将汽缸顺时针缓慢旋转90°至开口向下竖直放置的状态,
试判断活塞稳定时是否与卡环接触?并求出活塞稳定时,密闭气体的压强。
34. [物理-选修3-4](15 分)
(1)一列简谐横波在t=0时刻的波形如图中实线所示,从此刻起,经过∆t=0.2s波形图如图中虚线所示,若△t<T (T 为波的周期),则下列说法正确的是______ (填 正确答案标号。选对1个得2分,选对2个得4分,选对3个得5分,每选错1个扣3分,最低得分为0分)
A.这列波沿着x轴正方向传播
B.这列波的传播速度是15m/s
C.若p点的纵坐标是2 cm,则它对应的的横坐标是1.5m
D. p质点在0到0.30s内通过的路程为8cm
E.若此波遇到另一.列频率为1.25Hz的简谐横波,能发生稳定的干涉现象
(2)图甲是二战时期的DZG转角射击步枪,可让士兵的头部躲在掩体之内进行射击。其瞄准装置的核心部件是用两个形状为等腰直角三角形的全反射棱镜制作而成,如图乙所示。若
有一束黄光从a点垂直射入第一个棱镜, 从d点垂直射出第二个棱镜,棱镜对黄光的折射率n=,光在两棱镜间的空气中传播速度可视为c=3×108m/s。已知a、b、c、d均为棱镜对应边的中点,棱镜的斜边长为L1=4cm, bc距离为L2= l3cm。
(i)若改用紫光从a点垂直射入,试判断在棱镜中还能发生全反射现象吗?
(i)求黄光从a传播到d点所用的时间t;
泸州市高高三第一次教学质量诊断性考试 英语试题及答案: 这是一份泸州市高高三第一次教学质量诊断性考试 英语试题及答案,文件包含泸州市高2021级第一次教学质量诊断性考试英语pdf、泸州市高2021级第一次教学质量诊断性考试英语答案pdf等2份试卷配套教学资源,其中试卷共12页, 欢迎下载使用。
2024届四川省泸州市高三上学期第一次教学质量诊断性考试英语试题: 这是一份2024届四川省泸州市高三上学期第一次教学质量诊断性考试英语试题,共10页。
四川省绵阳市2023届高三第二次诊断性考试英语试卷+答案: 这是一份四川省绵阳市2023届高三第二次诊断性考试英语试卷+答案,共10页。

