物理九年级全册三 串、并联电路中的电阻关系一课一练
展开
12.3串,并联电路中的电阻关系同步练习北师大版初中物理九年级全一册
一、单选题(本大题共10小题,共20.0分)
- 如图所示,把电阻R接入电源电压为的电路中,电流表示数是,如果需要让电路中的电流增大到,可以采取的方法是
A. 用一个的电阻与R串联 B. 用一个的电阻与R串联
C. 用一个的电阻与R并联 D. 用一个的电阻与R并联
- 阻值为的电阻与阻值为的电阻并联后的阻值为 .
A. B. C. D.
- 把一根的均匀电阻丝弯折成一个闭合的等边三角形abc,如图所示,图中d点为底边ab的中心,则 .
A. ac两点间的电阻是
B. ac两点间的电阻是
C. cd两点间的电阻是
D. cd两点间的电阻是
- 下列四组电阻,它们串联后的总电阻都是则它们并联后的总电阻最大的一组是.
A. 和 B. 和 C. 和 D. 和
- 有两个电阻,,把它们串联后的总电阻为,并联后的总电阻为,那么,和之比是 .
A. B. C. D.
- 把两个阻值不同的电阻和并联,则总电阻即等效电阻 .
A. 介于两个电阻之间 B. 比任何一个电阻都要小
C. 比任何一个电阻都要大 D. 可能等于其中的一个电阻
- 在如图所示的电路中,示数为,A的示数为若的电阻为,与并联的总电阻是 .
A.
B.
C.
D.
- 一滑动变阻器标有“”字样,把它和的定值电阻串联起来接入电路,则电路中总电阻的变化范围是
A. B. C. D.
- 现有两个电阻和,且,把它们接到同一电源,要使电路中电流最大,应该
A. 只接入 B. 只接入
C. 和串联后接入电路 D. 和并联后接入电路
- 电阻和,串联时的总电阻是,并联时的总电阻
A. 一定是 B. 一定是大于或等于
C. 一定是小于或等于 D. 一定是小于
二、填空题(本大题共4小题,共8.0分)
- 如图所示,已知三个电阻,求在以下四种情况下,AB间的电阻.
当、均断开时,AB间的电阻是 .
当闭合、断开时,AB间的电阻是 .
当断开、闭合时,AB间的电阻是 .
当、均闭合时,AB间的电阻是 .
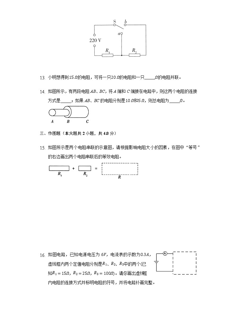
- 如图所示,当单刀双掷开关S接b时,和 联,若,,则此时的总电阻 。
- 小明想得到的电阻,可将一只的电阻和一只 的电阻并联。
- 如图所示,有两段电阻AB、BC,将A端和C端接在电路中,则这两个电阻的连接方式是 ;如果AB、BC的电阻分别是和,则总电阻为 。
三、作图题(本大题共2小题,共4.0分)
- 如图所示是两个电阻串联的示意图,请根据影响电阻大小的因素,在图中“等号”的右边画出两个电阻串联后的等效电阻。
- 如图电路,已知电源电压为6V,电流表的示数为,虚线框内两个定值电阻分别是、、中的两个已知,,。请你画出虚线框内电阻的连接方式并标明电阻的符号,并将电路补画完整。
四、实验探究题(本大题共2小题,共12.0分)
- 某同学在“探究串联电路电阻的特点”实验中所做的实验如图所示。请仔细观察图中的实验操作和现象,然后归纳得出初步结论已知。
比较图、或、可知:_______________。
比较图、可知:_____________________________________。
- 在学习了并联电路特点和欧姆定律后,科学兴趣小组为研究并联电路总电阻和各分电阻之间的关系,开展了以下探究。
实验步骤
设计电路,根据电路图连接实物;
闭合开关,分别读出电压表和电流表的示数并记录;
计算总电阻并填入表格;
换用不同规格的电阻重复上述实验。
实验次数 | 电阻 | 电阻 | 电压 | 电流 | 总电阻 |
1 | 10 | 30 | 3 | ||
2 | 30 | 30 | 3 | 15 | |
3 | 30 | 15 | 3 | 10 |
请你在图乙中用笔画线代替导线,将实物图连接完整。
得出结论并联电路总电阻小于任何一个分电阻。
思考讨论
请根据影响导体电阻大小的因素解释上述结论。______________________________________________________________________________。
分析表中数据,若增大其中一个分电阻的阻值,则总电阻将________。
五、计算题(本大题共2小题,共16.0分)
- 如图所示,电阻与并联,其总电阻可以用一个等效电阻R表示,若,试根据并联电路中电流、电压规律以及欧姆定律等知识推证:
.
- 如图所示的电路中,电源电压为,且保持不变,电阻、、的阻值分别为、、。求:
如果开关、都断开,电流表、电压表的示数。
如果开关、都闭合,电流表的示数。
六、综合题(本大题共1小题,共10.0分)
- A、B两个用电器分别接入图甲的电路中,经测量,用电器A、B的电流与电压关系图像如图乙所示,写出从图乙中可以获得的信息。
用电器的电阻是 ;
用电器的电阻随电压的增大而 选填“增大”“减小”或“不变”;
另外写出一条从图乙获得的物理信息: 除了。
答案和解析
1.【答案】D
【解析】 需要让电路中电流变大,故需要并联电阻,由于并联电路中各支路互不影响,并且干路电流等于各支路电流之和,因此增加的支路中的电流为,故并联电阻的阻值为。
2.【答案】A
【解析】因为并联电路电阻的关系为,则.
3.【答案】B
【解析】a、c两点间的电阻也就是电阻丝ac与电阻丝abc并联后的总电阻,也就是与并联,等效电阻为,所以A错误、B正确;
c、d两点间的电阻也就是电阻丝cad与电阻丝cbd并联后的总电阻,也就是两个并联,总电阻为,所以C、D错误。
4.【答案】D
【解析】略
5.【答案】A
【解析】,,.
6.【答案】B
【解析】略
7.【答案】C
【解析】略
8.【答案】D
【解析】滑动变阻器与定值电阻串联,因串联电路中总电阻等于各分电阻之和,所以,当滑动变阻器接入电路中的电阻为0时,电路为定值电阻的简单电路,电路的总电阻为;当滑动变阻器接入电路中的电阻为时,电路中的总电阻,所以,整个电路总电阻的变化范围为。选D。
9.【答案】D
【解析】解:并联电路中,电阻越并越小,即总电阻小于任何一个分电阻;串联电路中,电阻越串越大,即总电阻大于任何一个分电阻;
所以当和并联时电路的总电阻最小,根据欧姆定律可知此时电路中的电流最大。
故选:D。
根据欧姆定律可知:电压一定时,电阻越大,电流越小;反之电流越大;再根据电阻的串联特点和并联特点即可判断出电路的连接方式。
本题考查了欧姆定律的应用,关键是电阻串联特点和并联特点的灵活运用。
10.【答案】C
【解析】解:根据串联电阻规律:串联的总电阻比任何一个分电阻的阻值都大,由于两电阻串联的总电阻等于,因此分电阻中较小电阻的最大值为,所以它们并联后的总电阻一定小于或等于。
故选:C。
根据串联电阻和并联电阻的规律分析:串联的总电阻比任何一个分电阻的阻值都大,并联的总电阻比任何一个分电阻的阻值都小。
本题考查了串联电阻和并联电阻的规律,同时能根据总电阻确定分电阻的范围。
11.【答案】
【解析】当、均断开时,电路中的三个电阻串联,所以总电阻为.
当闭合、断开时,电路中只有,所以AB间的电阻为.
当断开、闭合时,和短路,电路中只有,所以.
当、均闭合时,三个电阻在电路中并联,,解得.
12.【答案】串
300
【解析】 当单刀双掷开关S接b时,电路中有和两个电阻,其关系为串联,这个串联电路的总电阻为二者之和,即总电阻为。
13.【答案】60
【解析】 根据可得,。
14.【答案】串联
15
【解析】两段电阻AB、BC首尾相连,则它们的连接方式为串联;串联时的总电阻为二者电阻之和,即总电阻为。
15.【答案】如图所示
【解析】把两个导体串联起来,相当于增加了导体的长度,所以将两个电阻对接即可。
16.【答案】解:
由题知,电源电压,总电流,则电路的总电阻为,
三个电阻,,,由电阻的串联规律可知,选任意两个串联都不符合要求,所以只能并联。
根据“并联时电阻越并越小的原则”即并联的总电阻比任意一个分电阻都要小可知,、并联的总电阻小于,、并联的总电阻也小于,只有、并联才能符合要求。
故电路图为:
【解析】根据电路中的电压和电流值,用算出电路中需要连入的电阻值,再根据给出的三个电阻,,,合理选择两个进行串、并联组成符合条件的电路。
在选连接方式时,排除掉两个电阻串联不符合要求后,根据“并联时电阻越并越小的原则”,可迅速选出,并联才符合要求。
17.【答案】一个电阻与另一电阻串联后,总电阻变大;两个电阻串联,一个电阻增大,总电阻增大。
【解析】由图、或、得,两个电阻串联后,电路中的电流变小,可知总电阻变大,可得一个电阻与另一电阻串联后,总电阻变大;
、两图,串联的两个电阻,其中一个电阻变大,电路中的电流变小,可知总电阻变大,可得两个电阻串联,一个电阻增大,总电阻增大。
18.【答案】如图所示
思考讨论
并联后相当于增大了导体的横截面积,在导体材料、长度、温度不变时,横截面积越大,导体电阻越小
增大
【解析】根据表中数据可知,电流表量程选择,使电流表串联在干路中,两电阻并联,电压表与电阻并联,如答案图所示。
思考讨论
并联后相当于增大了导体的横截面积,在导体材料、长度、温度不变时,横截面积越大,导体电阻越小。
根据表中1、2实验数据可知,当的阻值不变,的阻值增大时,电路的总电阻变大,因此在并联电路中,增大其中一个分电阻的阻值,则总电阻会增大。
19.【答案】解:因为并联,所以,
因为所以;
又因为
所以
即;
由,得,由题意知,所以.
【解析】并联电路的电流规律:;
并联电路的电压规律:;
根据欧姆定律,用电阻和电压表示并联电路电流的规律,即可得出结果.
会根据并联电路的电压和电流规律,结合欧姆定律推导并联电路电阻的关系.
20.【答案】解:
如果开关、都断开,与串联,
电压表测两端的电压,电流表测电路中的电流。
电流表的示数,
电压表的示数。
如果开关、都闭合,、并联,与电压表被短路,电流表测干路电流,
电路中的总电阻,
电流表的示数。
【解析】科学思维形成并运用于科学认识活动,对感性材料进行加工、处理并形成理论体系。在复杂的电路中,对欧姆定律相关内容进行判断、分析、计算也需要科学思维。
21.【答案】
增大
由题图乙可知,A用电器的电阻保持不变;电压为时,A、B用电器的电阻相等;将A、B用电器串联在电源电压为的电路中时,电路中的电流为。
【解析】 科学思维是人脑对客观事物间接、概括的反映,是在表象、概念的基础上进行分析、综合、判断、推理等理性认识的过程。对电流、电压、电阻关系的认识及其判断也是这个过程。
由题图乙中的A的图线可知,当电压为时,通过A用电器的电流为,根据欧姆定律得。
由题图乙中的B图线可知,B用电器的电阻随电压的增大而增大。
由题图乙可知,A用电器的电阻保持不变;电压为时,A、B用电器的电阻相等;将A、B用电器串联在电源电压为的电路中时,电路中的电流为。
北师大版九年级全册三 串、并联电路中的电阻关系复习练习题: 这是一份北师大版九年级全册三 串、并联电路中的电阻关系复习练习题,共7页。
北师大版九年级全册二 磁场同步测试题: 这是一份北师大版九年级全册二 磁场同步测试题,共15页。试卷主要包含了0分),【答案】B,【答案】C,【答案】D,【答案】A等内容,欢迎下载使用。
2020-2021学年八 变阻器课后测评: 这是一份2020-2021学年八 变阻器课后测评,共15页。试卷主要包含了0分),【答案】B,【答案】D,【答案】A等内容,欢迎下载使用。

