粤教版 (2019)必修 第三册第三节 测量金属丝的电阻率完美版ppt课件
展开1.掌握测量金属丝电阻率的实验原理和方法.2.了解伏安法测电阻的思路及实验数据的处理方法.
NEIRONGSUOYIN
设计实验电路,如图1,取一段金属电阻丝连接到电路中,测出电阻丝的 、 和直径d(S= ),由R=ρ 得:ρ= (用R、S、l表示)= (用R、d、l表示),从而计算出该电阻丝所用材料的电阻率.
1.电阻的测量根据伏安法测电阻的思想:用电压表测电阻丝两端的电压,用电流表测电阻丝中的电流,读出多组电压、电流值,通过U-I图像求R.2.电阻丝有效长度的测量用 测量电阻丝接入电路的有效长度l.反复测量多次,得到有效长度的平均值.3.电阻丝直径的测量电阻丝比较细,所以我们选取 来测量电阻丝的直径d.在不同位置测量三次,根据S= 计算出电阻丝的横截面积S.
1.数据处理(1)公式法求电阻:测量多组 、 值,求出对应的电阻后取平均值,不能对电流、电压取平均值.(2)图像法求电阻:作出U-I图像,由图像的 求出电阻值,在设定标度时要尽量使各点间的距离拉大一些,连线时要让各点均匀分布在直线的两侧,个别偏离较远的点可以不予考虑.(3)计算出导体的电阻率:将三个测量值代入公式 即可求电阻丝的电阻率.
2.误差分析(1)电阻丝通电时温度升高,使所测电阻率比常温下电阻率略大.(2)电阻丝长度及电阻丝直径测量不准确.(3)采用电流表外接法测量电阻丝的电阻,使测量值比真实值小.
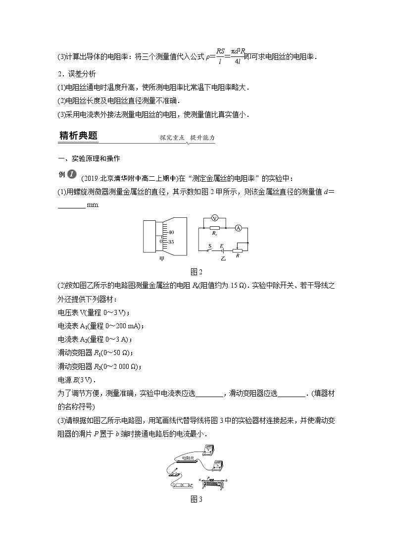
例1 (2019·北京清华附中高二上期中)在“测定金属丝的电阻率”的实验中:(1)用螺旋测微器测量金属丝的直径,其示数如图2甲所示,则该金属丝直径的测量值d=______________________ mm.
0.384(0.383~0.385均可)
解析 螺旋测微器固定刻度示数为零,可动刻度示数为38.4×0.01 mm=0.384 mm,故d=0.384 mm.
(2)按如图乙所示的电路图测量金属丝的电阻Rx(阻值约为15 Ω).实验中除开关、若干导线之外还提供下列器材:电压表V(量程0~3 V);电流表A1(量程0~200 mA);电流表A2(量程0~3 A);滑动变阻器R1(0~50 Ω);滑动变阻器R2(0~2 000 Ω);电源E(3 V).为了调节方便,测量准确,实验中电流表应选________,滑动变阻器应选________.(填器材的名称符号)
解析 由于通过待测金属丝的最大电流为Imax==0.2 A,所以电流表应选择A1;为调节方便,滑动变阻器应选择R1.
(3)请根据如图乙所示电路图,用笔画线代替导线将图3中的实验器材连接起来,并使滑动变阻器的滑片P置于b端时接通电路后的电流最小.
(4)若通过测量可知,金属丝的长度为l,直径为d,通过金属丝的电流为I,对应金属丝两端的电压为U,由此可计算得出金属丝的电阻率ρ=______.(用题目所给字母和通用数学符号表示)
例2 在“测定金属丝的电阻率”实验中,所用测量仪器均已校准.待测金属丝接入电路部分的长度约为50 cm.
(1)用螺旋测微器测量金属丝的直径,其中某一次测量结果如图4所示,其读数应为___________________________ mm(该值接近多次测量的平均值).
0.398(0.397~0.399均正确)
解析 螺旋测微器的读数为0 mm+39.8×0.01 mm=0.398 mm.
(2)用伏安法测金属丝的电阻Rx.实验所用器材为电池组(3 V)、理想电流表、理想电压表、滑动变阻器R(0~20 Ω,额定电流2 A)、开关、导线若干.某小组同学利用以上器材按照图5正确连接好电路,进行实验测量,记录数据如下:
(3)图6是测量Rx的实验器材实物图,图中已连接了部分导线,滑动变阻器的滑片P置于滑动变阻器的一端.请根据(2)所选的电路图,补充完成图中实物间的连线,并使闭合开关的瞬间,电压表或电流表不至于被烧坏.
解析 实物图如图甲所示
(4)这个小组的同学在坐标纸上建立U-I坐标系,如图7所示,图中已标出了与测量数据对应的4个坐标点.请在图中标出第2、4、6次测量数据的坐标点,并描绘出U-I图线.由图线得到金属丝的阻值Rx=________________ Ω(保留两位有效数字).
4.4(4.3~4.7均可)
解析 图线应过原点,选尽可能多的点连成一条直线,不在直线上的点均匀分布在直线两侧,明显偏离的点应舍去,如图乙所示.图线的斜率表示金属丝的电阻,因此金属丝的电阻值Rx≈4.4 Ω.
(5)根据以上数据可以估算出金属丝电阻率约为________.A.1×10-2 Ω·m B.1×10-3 Ω·mC.1×10-6 Ω·m D.1×10-8 Ω·m
≈1.09×10-6 Ω·m,故选项C正确.
1.为了精确测量合金丝的电阻Rx,设计出了如图8甲所示的实验电路图,按照该电路图完成图乙中的实物图连接.
解析 将电表接入电路时注意电流要从正接线柱流入,连接图如图所示.
2.(2020·西南大学附中期末)某同学在测量一种均匀新材料电阻丝的电阻率,已知待测电阻Rx约为6.0 Ω,相关测量步骤如下:(1)用刻度尺测量电阻丝接入电路的有效长度为l=0.900 0 m.(2)用螺旋测微器测量电阻丝直径(如图9所示),从图中读出电阻丝的直径为________ mm.
解析 螺旋测微器的读数为d=0.5 mm+10.0×0.01 mm=0.600 mm.
(3)现要进一步精确测量其阻值,实验室提供了以下相关器材(要求测量结果尽量准确):A.电池组(3 V) B.电流表(0~3 A)C.电流表(0~0.6 A) D.电压表(0~3 V)E.电压表(0~15 V) F.滑动变阻器(0~20 Ω,额定电流1 A)G.滑动变阻器(0~1 000 Ω,额定电流0.3 A)H.开关,导线实验时应选用的器材是____________.(填写各器材的字母代号)
解析 需要电源,故选用A;因待测电阻约6 Ω,可知实验过程中电流较小,故选用电流表C;电源提供3 V电压,故选用电压表D;为了方便操作,选用阻值较小的滑动变阻器,故选用F;连接电路需要导线和开关,故选择H.
3.在“探究电阻与导体长度、横截面积的关系”的实验中,用刻度尺测量金属丝直径时的刻度位置如图10所示,金属丝的匝数为39,用刻度尺测出金属丝的长度L,金属丝的电阻大约为5 Ω,先用伏安法测出金属丝的电阻R,然后用控制变量法探究电阻与导体长度、横截面积的关系.(1)从图中得出金属丝的直径为________________________mm.
0.646(0.644~0.649均可)
解析 从题图可读出紧密绕制的金属丝的宽度为2.52 cm,
(2)为此取来两节新的干电池、开关和若干导线及下列器材:A.电压表0~3 VB.电压表0~15 VC.电流表0~0.6 AD.电流表0~3 AE.滑动变阻器,0~10 ΩF.滑动变阻器,0~100 Ω①要求较准确地测出其阻值,电压表应选_______,电流表应选_____,滑动变阻器应选____.(填序号)
解析 因为两节干电池的电动势约为3 V,电压表选A;因为金属丝的电阻大约为5 Ω,如果把3 V的电动势全加在金属丝上,电流最大为0.6 A,故电流表选C;此题中金属丝的电阻大约为5 Ω,为了减小实验误差,滑动变阻器选E.
②实验中某同学的实物接线如图11所示,请指出该同学实物接线中的一处明显错误.
导线连接在滑动变阻器的滑片上
错误:______________________________.
高中物理人教版 (2019)必修 第三册第十三章 电磁感应与电磁波初步5 能量量子化获奖ppt课件: 这是一份高中物理人教版 (2019)必修 第三册第十三章 电磁感应与电磁波初步5 能量量子化获奖ppt课件,文件包含113《实验1长度的测量及测量工具的选用》课件-人教版高中物理必修三pptx、113实验1长度的测量及测量工具的选用分层作业原卷版docx、113实验1长度的测量及测量工具的选用分层作业解析版docx等3份课件配套教学资源,其中PPT共55页, 欢迎下载使用。
高考物理一轮复习实验10长度的测量及测量工具的选用课件: 这是一份高考物理一轮复习实验10长度的测量及测量工具的选用课件,共30页。PPT课件主要包含了实验溯本求源,实验热点探究,答案A,10mm,30mm,8mm,深度尺等内容,欢迎下载使用。
人教版新高考物理一轮总复习--实验10 长度的测量及其测量工具的选用课件PPT: 这是一份人教版新高考物理一轮总复习--实验10 长度的测量及其测量工具的选用课件PPT,共21页。PPT课件主要包含了内容索引,必备知识落实,实验能力形成,巩固提升检测等内容,欢迎下载使用。

