浙教版中考科学尖子生培优训练化学实验探究篇5(含答案)
展开【提出猜想】气体可能是HCl、NH3、H2中的一种或几种。
【查阅资料】①NH3+HCl=NH4Cl
②2NH3+H2SO4=(NH4)2SO4
③NH3能使酚酞试液变红
④3CuO+2NH3 3Cu+N2+3H2O
【实验探究】为了探究气体的成分,小明设计了如图装置开展相关实验。请回答:
⑴A装置中溶液变红色,证明产生的气体中含有________。
⑵B装置中浓硫酸的作用是________。
⑶C装置中的玻璃管内观察到黑色粉末变成红色,证明产生的气体中含有H2。
⑷小华同学认为,小明只对产生气体中的两种成分进行了检验,你认为是否需要继续通过实验的方法检验第三种气体,并说明理由________。
2.做酸碱实验时,小敏将稀盐酸逐滴加到氢氧化钡溶液中(如图),发现一直无明显现象,突然想起忘记加无色酚酞试液,为探究反应的进程,过程如下:(已知BaCl2溶液呈中性) 【建立猜想】①氢氧化钡过量 ②盐酸过量 ③ 两者恰好完全反应
【实验设计】
步骤一:取少量反应后的溶液于试管中,滴入几滴无色酚酞试液,溶液不变色,得出猜想①错误。
步骤二:继续探究
(1)你是否认同方案Ⅰ的结论,并说明理由________;
(2)表格空白处的实验现象是:________;
(3)【表达交流】为确定猜想②是否正确,还可以选择的试剂有________。
A.紫色石蕊试液
B.二氧化碳
C.镁条
3.现有两组实验小组的同学参与“测定空气中氧气的体积分数”实验.
(1)甲组同学采用课本实验装置(图2),他们先用图1的组合装置在空气中点燃红磷,然后慢慢地将燃烧匙从上到下插入广口瓶中,目的使上、下层空气中的氧气都能得到充分消耗,直到橡皮塞塞紧瓶口,红磷在瓶中继续燃烧直到熄灭,等广口瓶冷却后,打开止水夹.但这样测出的氧气的体积分数明显大于 .请分析原因________
(2)该装置本身在设计上还存在一定的缺陷,也是造成实验误差的原因,请分析其中一种缺陷,说明这种缺陷造成误差的理由________.
(3)乙组同学先查阅资料(如下表),然后对课本上的实验装置进行了图3所示的改进,右端玻璃管上端开口(其它仪器忽略)
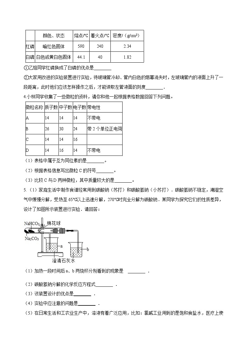
①乙组同学红磷换成了白磷的优点是________
②大家用改进的实验装置进行实验,待玻璃管冷却、管内白色的烟幕消失时,左玻璃管内的液面上升了一段距离,此时他们应该怎样操作之后,才能读取左管液面的刻度________.
4.小林同学收集了一些微粒的资料,请你和他一起根据表格数据回答下列问题。
(1)表格中属于互为同位素的是________。
(2)根据表格信息写出微粒C的符号________。
(3)比较C与D两种微粒,其中质量较大的是________。
5. (1)家庭生活中制作食谱经常用到碳酸钠(苏打)和碳酸氢钠(小苏打).碳酸氢钠不稳定,潮湿空气中缓慢分解,受热至65℃以上迅速分解,270℃时完全分解为碳酸钠.某同学为探究它们的性质差异,设计了如图所示装置进行实验.请回答:
(1)加热一段时间后a、b两烧杯分别看到的现象是 ________ .
(2)碳酸氢钠分解的化学反应方程式________ .
(3)该装置设计的优点是________ .
(4)实验中应注意的问题是________ .
(5)在日常生活和工农业生产中,溶液有着广泛应用,比如:氯碱工业用到的是饱和食盐水,医疗上使用的则是0.9%的生理盐水.请按照设计并完成以下实验:
实验用品:氯化钠溶液 氯化钠 硝酸钾 蒸馏水 烧杯 试管 玻璃棒 药匙
探究实验一:澄清透明的氯化钠溶液是否是饱和溶液
探究实验二:将不饱和氯化钠溶液变为饱和溶液并探究氯化钠溶液还能否溶解硝酸钾
6. 复习课上,老师要求学生用不同的方法鉴别稀硫酸和氢氧化钠溶液,小东、小南两位同学取同一溶液分别进行如下实验:
(1)【实验方案】
(2)【提出问题】为什么我们取相同溶液而实验结论却不同呢?
【解决问题】小东、小南讨论后决定再用硫酸铜溶液进一步验证,结果观察到的现象是________ , 于是一致认为该溶液是氢氧化钠溶液,为什么小南加入铝条会有气泡产生呢?通过查阅资料,他们发现初中常见金属中只有铝能与酸、碱反应,铝与氢氧化钠溶液反应的化学方程式是2Al+2NaOH+2H2O=2NaAlO2+3H2↑.
(3)【拓展延伸】利用老师要求鉴别的那两种溶液,测定镁铝铜合金中各成分的含量.实验设计如下:
【回答问题】
(1)写出操作Ⅰ中玻璃棒的作用:________ .
(2)a溶液是________ , 选择该溶液的理由是________ .
(3)金属铜的质量为________ g,固体A含有的物质是________ , 溶液A中所含溶质是________ .
7. Na2CO3、NaHCO3是生活中常见的盐,某实验小组通过以下实验来研究者离子物质的性质(已知:Na2CO3、NaHCO3的水溶液呈碱性;NaHCO3受热易分解生成Na2CO3、H2O和CO2)
(1)称取两种固体各1g分别放入两支试管中,再加入5mL水,振荡.固体充分溶解,并恢复至室温;
①发现Na2CO3完全溶解,而NaHCO3有剩余.由此得出结论:在相同温度下,________ ;
②向所得溶液中各滴入1~2滴酚酞溶液后,溶液均呈________ 色.
(2)①取少量NaHCO3按如图装置进行实验,可观察带的现象是:大试管口有水珠生成,________ ;
②用________ 的方法除去混在Na2CO3粉末中少量的NaHCO3 .
(3)测定Na2CO3样品(含NaCl杂质)中Na2CO3的质量分数:
①称取mg样品放入烧杯中加水溶解;
②加入过量的CaCl2溶液充分反应,反应的化学方程式为 ________ ;证明反应后CaCl2有剩余的方法是________ ;
③过滤、洗涤、干燥,称量测定的质量为ng.则样品中Na2CO3的质量分数为 ________ .
8.做“镁带在空气中燃烧”实验时,小科同学发现生成物中有少量黑色固体。黑色固体是镁和什么物质反应所产生的?他提出下列猜想:
猜想一:黑色固体可能是镁和氮气反应的产物;
猜想二:黑色固体可能是镁和二氧化碳反应的产物。
为了验证上述两个猜想,小科设想:
(1)让空气通过A、B装置,其中A装置的作用是________ 。
(2)用C瓶收集通过A、B装置后的气体,并加入足量的红磷燃烧;待C瓶冷却后,再把点燃的镁带放入C瓶中。
经思考发现,由于收集气体时相关气体的密度差异及C瓶冷却后瓶内外的气压差异,达不到预期效果。于是,他在老师的帮助下获得了这种气体,观察到镁带在该气体中燃烧并有淡黄色的固体产生;然后用D瓶收集一瓶 ________气体,把点燃的镁带放入D瓶中,观察到镁带在D瓶中也能燃烧,同时有白色固体和黑色固体生成。
通过以上实验,他得出结论:猜想________正确。同时,他对燃烧有了新的认识:________。
参考答案
1. NH3(或氨气);干燥和吸收氨气;不需要,因为氯化氢气体和氨气会发生反应生成氯化铵固体,两种气体不能共存,所以不需要单独检验氯化氢气体
2. (1)滴加硝酸银溶液产生白色沉淀,只能说明有氯离子 ,不能说明是盐酸
(2)有气泡生成
(3)A,C
3. (1)可能向瓶口塞入胶塞过慢由于磷燃烧放热使瓶内气体被赶出一部分
(2)燃烧时弹簧夹没有夹紧导致气体受热膨胀而出,最后进入液体多
(3)白磷的着火点低,可以较容易的发生燃烧;待充分反应后.冷却到原来的状况,调整两边的高度使容器左右中的液面保持水平,记录液面刻度
4. (1)AD
(2)Si2-
(3)D
5. (1)a中石灰水不变浑浊,b中石灰水变浑浊;小苏打易分解,苏打不易分解
(2)2NaHCO3Na2CO3+H2O+CO2↑
(3)可对比两种物质是否能分解
(4)装置不能漏气(合理即可)
(5)说明氯化钠溶液不是饱和溶液;向不饱和的氯化钠溶液中不断加入氯化钠固体;有固体不再溶解;向饱和的氯化钠溶液中加入少量硝酸钾固体;硝酸钾固体溶解;氯化钠饱和溶液能够溶解硝酸钾固体
6. (1)>
(2)产生蓝色沉淀
(3)引流;氢氧化钠溶液;只能够把铝溶解;0.5;镁和铜;NaOH、NaAlO2
7. (1)同质量的两种固体在同体积的溶剂中,Na2CO3比NaHCO3易溶于水;红
(2)澄清石灰水变浑浊;加热;Na2CO3+CaCl2=CaCO3↓+2NaCl;再加入碳酸钠,有白色沉淀生成;%
8. (1)除去空气中的二氧化碳
(2)二氧化碳;猜想二;物质燃烧不一定有氧气参与。
实验方案
实验操作
实验现象
实验结论
Ⅰ
重新取样,滴加少量AgNO3溶液
白色沉淀
猜想②正确
Ⅱ
重新取样,滴加足量Na2CO3溶液
________
猜想②正确
白色沉淀
猜想③正确
颜色、状态
熔点/℃
着火点/℃
密度/(g/cm3)
红磷
暗红色固体
590
240
2.34
白磷
白色或黄白色固体
44.1
40
1.82
微粒名称
质子数
中子数
电子数
带电性
A
14
14
14
不带电
B
26
30
24
带2个单位正电荷
C
14
14
16
D
14
16
14
不带电
实验步骤
实验现象
实验结论
取一只试管倒入约5mL氯化钠溶液,用药匙加入少量氯化钠固体,振荡观察现象.
氯化钠固体溶解
________
实验步骤
实验现象
实验结论
________
________
NaCl不饱和溶液变为饱和溶液
________
________
________
实验步骤
实验现象
实验结论
小东
用玻璃棒蘸取溶液滴到pH试纸上,对照比色卡并读出pH
pH试纸变色
pH________7(填“>”或“<”)
该溶液是氢氧化钠溶液
小南
取适量溶液于试管中,加入经打磨过的铝条
有气泡产生
该溶液是稀硫酸
浙教版中考科学尖子生培优训练化学实验探究篇1(含答案): 这是一份浙教版中考科学尖子生培优训练化学实验探究篇1(含答案),共5页。试卷主要包含了根据以下装置图,回答下列问题,对生命活动具有重大意义的有机物等内容,欢迎下载使用。
浙教版中考科学尖子生培优训练化学填空篇4(含答案): 这是一份浙教版中考科学尖子生培优训练化学填空篇4(含答案),共5页。
浙教版中考科学尖子生培优训练化学简答篇5(含答案): 这是一份浙教版中考科学尖子生培优训练化学简答篇5(含答案),共6页。试卷主要包含了将m1g 7,下图是某包装袋上的部分文字说明,4g等内容,欢迎下载使用。

