2021年中考物理压轴培优练《专题19电热综合》学生版
展开1.(2019•泰安)某电热水器具有加热和保温功能,其工作原理如图甲所示。其中控制电路中的电磁铁线圈电阻不计,R为热敏电阻,热敏电阻中允许通过的最大电流Ig=15mA,其阻值R随温度变化的规律图象如图乙所示,电源电压U恒为6V,当电磁铁线圈中的电流I>8mA时,电磁铁的衔铁被吸下,继电器下方触点a、b接触,加热电路接通:当电磁铁线圈中的电流I≤8mA时,继电器上方触点c接触,保温电路接通,热敏电阻R和工作电路中的三只电阻
丝R1、R2、R3,均置于储水箱中,U2=220V,加热时的功率P加热═2200W,保温时的功率P保温=110W,加热效率η=90%,R2=2R1,水的比热容,c水=4.2×103J/(kg•℃),水箱内最低温度为0℃。
(1)为使控制电路正常工作,保护电阻R0的阻值至少为多大?若R0为该值,试求热水器刚开始保温时水的温度。
(2)电阻丝R1、R2、R3的阻值分别为多少欧姆?
(3)该热水器在加热状态下,将44kg、20℃的水加热到50℃需要多少时间?
2.(2019•威海)火锅是人们比较喜欢的一种饮食方式,如图为小明家使用的一款电火锅工作电路的原理图。它有高、中、低三个加热档位,旋钮开关可以分别置于“0和1“、“1和2”、“2和3”或“3和4”接线柱。正常工作时,低温档功率为高温档功率的,R1为242Ω,R2为60.5Ω.(忽略温度对电阻的影响)
(1)请指出开关置于什么接线柱时,火锅处于低温档?
(2)R3的阻值是多少欧姆?电火锅处于低温档正常工作时,在1分钟内产生的热量是多少焦耳?
(3)小明关闭家中的其他用电器,只让电火锅独立工作,用高温档加热汤液2分钟,电能表的表盘转了81转。请通过计算判断此时电火锅是否正常工作?[电能表的铭牌上标有3000r/(kW•h)]
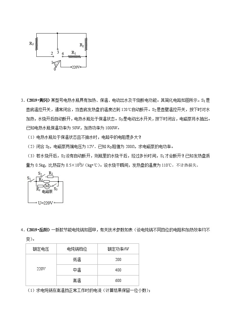
3.(2019•黄冈)某型号电热水瓶具有加热、保温、电动出水及干烧断电功能。其简化电路如图所示。S1是壶底温控开关,通常闭合,当壶底发热盘的温度达到120℃自动断开。S2是壶壁温控开关,按下时对水加热,水烧开后自动断开,电热水瓶处于保温状态。S3是电动出水开关,按下时闭合,电磁泵将水抽出。已知电热水瓶保温功率为50W,加热功率为1000W。
(1)电热水瓶处于保温状态且不抽水时,电路中的电阻是多大?
(2)闭合S3,电磁泵两端电压为12V.已知R3阻值为200Ω,求电磁泵的电功率。
(3)若水烧开后,S2没有自动断开,则瓶里的水烧干后,经过多长时间,S1才会断开?已知发热盘质量为0.5kg,比热容为0.5×103J/(kg•℃)。设水烧干瞬间,发热盘的温度为110℃,不计热损失。
4.(2019•岳阳)一新款节能电炖锅如图甲,有关技术参数如表(设电炖锅不同挡位的电阻和加热效率均不变)。
(1)求电炖锅在高温挡正常工作时的电流(计算结果保留一位小数);
(2)在用电高峰期,关掉家里的其他用电器,只让处于中温挡状态的电炖锅工作,观察到标有“1800r/(kW•h)”的电能表转盘在12ls内转了20圈,求此时的实际电压;
(3)电炖锅正常工作时,用低温挡和高温挡分别给质量相同的冷水加热,待水温达到50℃时开始计时,绘制的水温随时间变化的图象如图乙所示。结合所给信息,通过计算,分析比较用高温挡还是用低温挡更节能。
5.(2019•东营)图甲为新型风暖浴霸,因其安全性能好、发热柔和,深受大家喜爱。它是利用电动机鼓动空气流动,通过加热元件加热冷空气带动室内升温。图乙是某型号风暖浴霸的简化电路图,其发热元件是两根阻值不变的电热丝R1、R2.主要参数如下表。
(1)开关均闭合,求浴霸正常工作时的干路电流是多少?
(2)正常工作时,求R1的阻值是多少?
(3)实际电压为200V时,求R2的实际功率是多少?
(4)浴霸正常工作时,使容积为20m3的房间空气温度升高20℃,求室内空气吸收的热量是多少?(ρ空气取1.2kg/m3,c空气取1.0×103J/(kg•℃),不考虑其他因素影响)
6.(2018•天门)如图甲是某科技兴趣小组设计的一种电压力锅(铭牌如表所示),图乙是简易原理图,A为密闭锅体,锅的内部直径为20cm,R1是加热电阻,R2是保温电阻,L为指示灯,其阻值为12Ω,S1为电源开关,S2为压力开关。闭合S1后,R1通电给压力锅内的水加热,锅内气体压强增大,当锅内气体压强达到设定值时,水开始沸腾,此时压力开关S2与触点a分开,与触点b接通,R2通电给压力锅内的水保温,电流表的示数比加热状态时减少了4.9A,水的沸点与气体压强p的关系如图丙,π取3.14.求
(1)当锅内气体压强达到设定值时,锅内气体对锅盖的压力
(2)电压力锅内装有初温为20℃,质量为5kg的水,从开始加热到锅内气压达到设定值时,水吸收的热量相当于多少焦炭完全燃烧时产生的热量(不计热量损失,焦炭的热值为3×107J/kg)
(3)R2的阻值
7.(2019•黄石)一般热水器由加热系统、测温系统和控水系统组成。某台电热水器铭牌部分信息已经模糊,如表所示,其测温系统可以简化为如图a所示的电路,电源电压为9V恒定电源,R1为4Ω定值电阻,R2为热敏电阻,其阻值随温度变化的关系如图b所示。
(1)为估算电热水器的额定功率,关闭其它用电器,让热水器正常工作1分钟,观察电能表,如图c所示,转动了150转,消耗电能 kW•h,则该电热水器的额定功率是 W。
(2)若已装满水的水箱温度显示75℃时突然停电,但不停水。现有4人要洗浴,正值秋冬季节,需用40℃热水洗浴,通过控水系统将10℃冷水和水箱中热水进行调配,请问每人平均用水量是多少L?(不计热损失)
(3)控温系统某时刻电压表示数为4V,此时水箱中水温是多少?
8.(2019•湘西州)下图是普通家用两档电取暖器内部简化电路图,R1、R2为电热丝,且电阻不变,高温档位功率为1100W,低温档位功率为440W,家庭电路电压U=220V,求:
(1)电取暖器处于高温档位时电路中的电流强度;
(2)电路中R1的阻值;
(3)如果普通家庭生活用电的电费价格为每度0.55元,试计算用该电取暖器的低温档位取暖4小时需要缴纳的电费。
9.(2019•益阳)洞庭湖区域盛产水稻,早稻收获期恰逢长江中下游梅雨季节。为解决早稻收获后稻谷霉变问题,某科技小组设计了一个稻谷烘干机。它的电路图如图甲所示,M为电动鼓风机,R为湿敏电阻,其阻值能根据相对湿度(水蒸气含量)的变化而改变,且能满足实际需要。R0为10Ω的定值发热电阻。
(1)若鼓风机的额定电压为220V,额定功率为440W,鼓风机正常工作的电流为多大?
(2)相对湿度在40%~80%范围内时,R的阻值随相对湿度变化的关系如图乙所示。当相对湿度为70%时,试求发热电阻R0的电功率为多大?
10.(2019•娄底)小明家某型号电热加湿器的原理图如图甲,R1、R2都是发热电阻,不考虑温度对电阻的影响,且R2=3R1;S为旋转型开关,1、2、3、4为触点,通过旋转开关S可实现“关”、“低挡”、“高挡”之间的切换(低挡为小功率加热,高挡为大功率加热),其部分技术参数如下表。
(1)开关处于图示位置,电热加湿器的状态是 (选填“关”“低档”或“高档”)
(2)求电热加湿器中R1的阻值;
(3)某次使用加湿器在额定电压下工作,加湿器注水仓中加注冷水已达到最大注水量,其工作30min的功率与时间图象如图乙所示,如果电阻R1在此次高挡加热时产生的热量全部被水吸收,可以使注水仓中冷水的温度升高多少℃?[计算结果保留整数,水的比热容为4.2×103J/(kg•℃)]
(4)某一天,小明断开家中其他所有用电器,只接通加湿器在低档加热,发现家中3000revs/(kW•h)的电能表转盘在400s内转了27圈,求此时电阻R2的实际功率是多少?
11.(2018•广安)电饭锅是家中常用的用电器,下表是小宇家中一台电饭锅的铭牌,其内部结构简化如图所示,其中R1和R2都是电热丝(不考虑温度对电阻的影响)。
(1)电饭锅正常工作时,在加热状态下的总电流是多少?
(2)电阻R2的阻值是多少?
(3)一天,小宇断开家中其它用电器,只接通电饭锅且处于加热状态,发现家中标有“220V 10(20)A;3000r/kW•h”的电能表5min内转了200圈,求电饭锅此时的实际加热功率是多少?
12.(2017•重庆)小明家的电饭锅如图甲,额定电压为220V,“煮饭”时额定功率为1210W,简化电路如图乙,S1为温控开关,发热电阻R1和R2的阻值不随温度变化,电阻R2在“保温”状态与“煮饭”状态时的功率之比为1:16,求:
(1)正常“煮饭”状态,通过电饭锅的电流为多少安?
(2)电阻R1的阻值为多少欧?
(3)某天傍晚,小明关闭家里其它用电器,只让“保温”状态的电饭锅工作,发现自家电能表(如图丙)指示灯每闪烁4次所用的时间为48s。则R2两端的实际电压为多少伏?
13.(2018•重庆)某品牌电热水器有慢加热、快加热和保温三个工作状态。铭牌上的部分参数如下表所示,其中快加热功率参数模糊不清,它能够把水加热到的最高温度为75℃.简化电路如图所示,R1、R2均为加热电阻〔温度对电阻的影响忽略不计)。若电热水器中已装满质量为40kg、温度为25℃的水。请完成下列问题:[已知水的比热容c=4.2×103J/(kg•℃)〕
(1)用该电热水器把水加热到最高温度,水需要吸收的热量。
(2)开关S1闭合,S2接b,电热水器处于慢加热工作状态,求R1的阻值。
(3)若加热电阻产生的热量有84%被水吸收,用该电热水器把原有的水加热到最高温度,用快加热比用慢加热节约多少秒?(结果保留整数)
14.(2017•黄冈)如图甲是某型号的电热炉,图乙是其电路结构简图,通过控制档位开关Sa、Sb可以获得四档加热功率,已知电阻丝R1的阻值为44Ω,不计温度对R1、R2阻值的影响。
(1)当开关Sb断开,Sa与触点1接通时,求通过开关Sa的电流;
(2)当开关Sb断开,Sa与触点2接通时,电热炉对1kg水加热7min,水温升高30℃,求电热丝R2的阻值。已知消耗的电能有75%被水吸收,水的比热容为4.2×103J/(k•℃)
(3)若开关Sb闭合时,电热炉的电功率总比Sb断开时大,请比较R1、R2阻值的大小关系,并写出分析过程。
15.(2019•重庆)特高压技术可以减小输电过程中电能的损失。某发电站输送的电功率为1.1×105kW,输电电压为1100kV,经变压器降至220V供家庭用户使用。小明家中有一个标有“220V 2200W”的即热式水龙头,其电阻为R0,他发现冬天使用时水温较低,春秋两季水温较高,于是他增加两个相同的发热电阻R和两个指示灯(指示灯电阻不计)改装了电路,如图,开关S1可以同时与a、b相连,或只与c相连,使其有高温和低温两档。求:
(1)通过特高压输电线的电流;
(2)改装前,若水龙头的热效率为90%,正常加热1分钟提供的热量;
(3)改装后,水龙头正常工作时高温档与低温档电功率之比为4:1,请计算出高温档时的电功率。
16.(2016•莱芜)科技小组的同学设计了如图甲所示的恒温水箱温控电路(设环境温度不高于20℃),由工作电路和控制电路组成。工作电路中的电热器上标有“220V 1000W”的字样;控制电路电源电压U=30V,热敏电阻Rt作为感应器探测水温,置于恒温水箱内,其阻值随温度变化的关系如图乙所示,R1为滑动变阻器。闭合开关S,电磁铁产生的吸引力F与控制电路中电流I的关系如图丙所示,衔接只有在不小于3N吸引力的作用下才能被吸下,工作电路断开(不计继电器线圈的电阻,c水=4.2×103J(kg•℃))。求:
(1)电热器正常工作时的电阻;
(2)电热器正常工作时,给恒温箱中100kg的水加热,已知电热器的加热效率为70%,当水温由30℃升高到40℃时,电热器的加热时间;
(3)为了把温度控制在40℃左右,设定在水温低于40℃时自动加热,在水温达到40℃时停止加热,求此时滑动变阻器R1消耗的电功率。
二.解答题(共5小题)
17.(2016•金平区模拟)前不久中国游客在日本抢购智能马桶盖的消息引发国人热议,其实这款马桶盖为中国杭州生产,如图甲所示。部分参数如表和加热原理如图乙所示。感应开关S闭合,保温座圈开始加热,再闭合开关S0洗净装置喷出热水。[C水=4.2×103J/(kg•℃)、ρ水=1.0×103kg/m3)]试问:
(1)R2的阻值是多少?
(2)若洗净装置喷水时将水由20℃加热到40℃,该装置加热的效率是多少?
(3)若保温座圈加热5min,洗净装置工作1min,共需要消耗多少J电能?
18.(2017•越秀区校级二模)如图,图甲是某款电热水龙头,即开即热,冷热兼用。水龙水的出水量可以调节,图乙是它的原理电路图R1、R2为电热丝,通过旋转手柄带动开关S接通对应的电路,从而实现冷水,温水,热水之间切换,有关参数如表,不考虑温度对电阻丝值的影响,请回答下列问题:
(1)开关与1,2接触时,水龙头放出的水是 (填“温”、“热”)水,此时电路中的电流多大?
(2)水龙头放热水时,正常工作50s,消耗的电能是多少?
(3)R2的电阻值多大?
(4)若水龙头每秒出水50g,冬天的自来水温度为5℃时,利用热水档时,水从水龙头出来是多少摄氏度?(假设电阻丝的热量被水完全吸收,水的比热容为c水=4.2×103J(kg•℃))
(5)如果想水龙头出来的水的温度比上一问的更高一些,请你提出一个简单可行的办法。
19.(2018•端州区校级一模)电热安全压力锅彻底解决了压力锅的安全问题,解除了普通压力锅困扰消费者多年的安全隐患;省时省电(比普通电饭锅节电30% 以上).如图所示是某款电压力锅及铭牌:
(1)你认为该电压力锅应该选用两孔插座还是三孔插座,为什么?
(2)该电压力锅正常工作时电流多大?(小数点后保留两位小数)
(3)在该电压力锅中装入3kg初温为30℃的水,当加热到120℃时刚好沸腾,水吸收了多少热量?此时电压力锅工作30分钟的热效率是多少?
20.(2018•邹城市一模)随着生活水平的提高,水平家新安装了一台电热水器。下表是某品牌家用电热水器的主要参数。
(1)安装工人将热水器从一楼背到5楼,对热水器做的功是多少?(每层楼高3m)
(2)如图1,从安全方面考虑,电热水器的插座应选用带开关的三孔插座,请你将插座连接在电路中
(3)如图2,为了增加坚固程度,常在热水器下加装一个铁三角架,要使铁架较为牢固、安全。应把热水器放在A处还是B处,请你在选择的热水器上画出它的重力示意图和重力对O点的力臂。
(4)如图3所示是电热水器原理的简易示意图,通过开关S可以使热水器处于加热或保温状态。闭合开关S时,热水器于 状态。
(5)求热水器中R1、R2的阻值大小。
(6 在热水器的蓄水桶中装水至最高水位后,把这些水由35℃加热到75℃时所用的时间大约为45min。该热水器的效率为多少?
21.(2019•株洲模拟)如图甲是现在学校普遍使用的电锅炉,它的水箱容积为300L,额定电压为220V,电锅炉有加热和保温两档,其电路简化图如图乙R2=40Ω,正常工作时电锅炉的加热功率为3630W,求:
(1)若水箱装满水,将水从20℃加热到100℃,水吸收的热量[c水=4.2×103J/(kg•℃)]
(2)R1的阻值;
(3)食堂工作人员发现当电路只有电锅炉在进行加热工作时,如图丙所示的电能表指示灯在1min内闪烁了160次,秋此时食堂电路中的实际电压。
额定电压
电炖锅档位
额定功率/W
220V
低温
200
中温
400
高温
600
项目
参数
额定电压(V)
220
R1额定功率(W)
1936
R2额定功率(W)
968
电动机功率(W)
44
适用面积(m2)
10
额定功率
额定电压
220V
水箱容积
60L
建议使用人数
3~4
额定电压(V)
220
高档发热功率(W)
400
注水仓最大注水量(kg)
3
额定电压
220V
频率
50Hz
额定功率
加热
880W
保温
44W
额定电压
220V
保温功率
605W
慢加热功率
1210W
快加热功率
额定电压
220V
洗净装置
出水量
0.9kg/min
加热功率
1800W
保温座圈功率
55W
产品名称
即热式热水龙头
应用场所
厨房、卫生间
额定功率
温水:1100W
热水:3300W
额定电压
220V
额定频率
50Hz
防触电类型
I类(最高等级)
额定电压
220V
额定容量
5L
额定功率
900W
工作压力
50~80kPa
工作频率
50Hz
型号
M50
安装方式
加热方式
容量
水温调节
加热功率
保温功率
电源电压
产品重量
挂式
金圭特护
加热棒
60L
(35﹣75)±5℃
4400W
400W
220V
50Hz
24kg
专题14 电热 电热综合计算类-中考物理计算题专题提升培优练: 这是一份专题14 电热 电热综合计算类-中考物理计算题专题提升培优练,文件包含专题14电热电热综合计算类-中考物理计算题专题提升培优练解析版docx、专题14电热电热综合计算类-中考物理计算题专题提升培优练原卷版docx等2份试卷配套教学资源,其中试卷共31页, 欢迎下载使用。
2021年中考物理压轴培优练《专题19电热综合》(含答案解析): 这是一份2021年中考物理压轴培优练《专题19电热综合》(含答案解析),共33页。试卷主要包含了的变化而改变,且能满足实际需要,,其部分技术参数如下表等内容,欢迎下载使用。
2021年中考物理压轴培优练《专题20电力综合》学生版: 这是一份2021年中考物理压轴培优练《专题20电力综合》学生版,共14页。

