2021年新高考化学二轮备考选择题高频热点专项突破--专项突破25 化学实验设计与评价
展开考向分析:仪器的连接及选择;物质的化学性质、应用;实验流程与步骤、实验条件的控制;原理的探究、性质的探究;实验方案的设计与评价
(一)必备知识和方法
1.三种常见气体制备装置系统
(1)Cl2的实验室制备
(2)SO2的实验室制备系统
(3)NH3的实验室制备系统
2.化学实验方案的设计
(1)物质制备型实验方案的设计:应遵循“条件合适,操作方便;原理正确,步骤简单;原料丰富,价格低廉;产物纯净,污染物少”的原则。
(2)性质探究型实验方案的设计:主要是从物质的结构特点或从所属类型的典型代表物去推测物质可能具有的一系列性质,而后据此设计出合理的实验方案,去探索它所可能具有的性质。
(3)性质验证型实验方案的设计:主要是求证物质具备的性质,关键是设计出简捷的实验方案,要求操作简单,简便易行,现象明显,且安全可行。
3.化学实验方案的评价
(1)“可行性”:实验原理是否正确、可行;实验操作是否安全、合理;实验步骤是否简单、方便;实验效果是否明显等。
(2)“绿色化学”:反应原料是否易得、安全、无毒;反应速率是否较快;原料利用率以及合成物质的产率是否较高;合成过程是否造成环境污染。
(3)“安全性”:净化、吸收气体及熄灭酒精灯时要防液体倒吸;进行某些易燃易爆实验时要防爆炸,如H2还原CuO应先通H2,气体点燃先验纯等;防氧化,如H2还原CuO后要“先灭灯再停氢”,白磷切割宜在水中等;防吸水,如实验中取用、制取易吸水、潮解、水解的物质宜采取必要的防吸水措施,以保证达到实验目的。
(4)“规范性”:有些反应中,为减少易挥发液体反应物的损耗和充分利用原料,需在反应装置上加装冷凝回流装置,如长玻璃管、竖装的干燥管及冷凝管等;易挥发液体产物(导出时可为蒸气)的及时冷却;仪器拆卸与组装顺序相反,按照从右向左,从高到低的顺序拆卸。
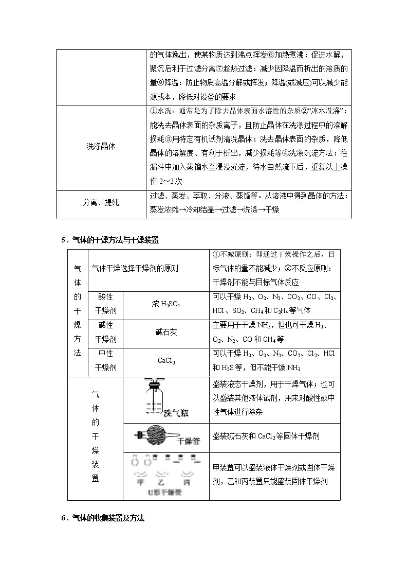
4.实验条件的控制
5.气体的干燥方法与干燥装置
6.气体的收集装置及方法
7.常见尾气处理装置及方法
例1.下列实验过程可以达到实验目的的是
[解析]A.氢氧化钠溶于水放热,因此溶解后需要冷却到室温下再转移至容量瓶中,A错误;
B.氯化铁具有氧化性,能被维生素C还原为氯化亚铁,从而使溶液颜色发生变化,所以向盛有2 mL黄色氯化铁溶液的试管中滴加浓的维生素C溶液,通过观察颜色变化可以探究维生素C的还原性,B正确;
C.向稀盐酸中加入锌粒,生成氢气,由于生成的氢气中含有氯化氢和水蒸气,因此将生成的气体依次通过NaOH溶液、浓硫酸即可,不需要通过KMnO4溶液,或者直接通过碱石灰,C错误;
D.反应的方程式为HSO3-+H2O2=SO42-+H++H2O,这说明反应过程中没有明显的实验现象,因此无法探究浓度对反应速率的影响,D错误。答案选B。
点睛:明确相关物质的性质特点、发生的反应和实验原理是解答的关键。注意设计或评价实验时主要从正确与错误、严密与不严密、准确与不准确、可行与不可行等方面作出判断。另外有无干扰、是否经济、是否安全、有无污染等也是要考虑的。本题中选项D是解答的易错点,学生往往只考虑物质的浓度不同,而忽略了实验结论需要建立在实验现象的基础上。
例2.根据下列实验操作和现象所得出的结论正确的是
[解析]A项,向苯酚浊液中加入Na2CO3溶液,浊液变清,发生反应+Na2CO3→+NaHCO3,酸性:H2CO3>>HCO3-,A项错误;B项,向碘水中加入等体积CCl4,振荡后静置,上层接近无色,下层显紫红色,说明CCl4将I2从碘水中萃取出来,I2在CCl4中的溶解度大于在水中的溶解度,B项正确;C项,向CuSO4溶液中加入铁粉,有红色固体析出,发生的反应为Fe+Cu2+=Fe2++Cu,根据同一反应中氧化性:氧化剂>氧化产物,氧化性Cu2+>Fe2+,C项错误;D项,向NaCl、NaI的混合稀溶液中滴入少量稀AgNO3溶液,有黄色沉淀生成,说明先达到AgI的溶度积,但由于NaCl、NaI的浓度未知,不能说明AgCl、AgI溶度积的大小,D项错误;答案选B。
点睛:本题考查苯酚与碳酸酸性强弱的探究、萃取的原理、氧化性强弱的判断、沉淀的生成。易错选D项,产生错误的原因是:忽视NaCl、NaI的浓度未知,思维不严谨。
(二)真题演练
1.[2020江苏卷]根据下列实验操作和现象所得到的结论正确的是
2.[2020天津卷]检验下列物所选用的试剂正确的是
3.[2020年山东新高考]利用下列装置(夹持装置略)进行实验,能达到实验目的的是
A.用甲装置制备并收集CO2
B.用乙装置制备溴苯并验证有HBr产生
C.用丙装置制备无水MgCl2
D.用丁装置在铁上镀铜
4.[2020年山东新高考] 实验室分离Fe3+和Al3+的流程如下:
已知Fe3+在浓盐酸中生成黄色配离子[FeCl4]-,该配离子在乙醚(Et2O,沸点34.6℃)中生成缔合物 。下列说法错误的是
A.萃取振荡时,分液漏斗下口应倾斜向下
B.分液时,应先将下层液体由分液漏斗下口放出
C.分液后水相为无色,说明已达到分离目的
D.蒸馏时选用直形冷凝管
5.[2020年山东新高考] 下列操作不能达到实验目的的是
6.[2019新课标Ⅰ]实验室制备溴苯的反应装置如下图所示,关于实验操作或叙述错误的是
A.向圆底烧瓶中滴加苯和溴的混合液前需先打开K
B.实验中装置b中的液体逐渐变为浅红色
C.装置c中的碳酸钠溶液的作用是吸收溴化氢
D.反应后的混合液经稀碱溶液洗涤、结晶,得到溴苯
7.[2019新课标Ⅱ] 下列实验现象与实验操作不相匹配的是
8.[2019新课标Ⅲ] 下列实验不能达到目的的是
9.[2019江苏] 室温下进行下列实验,根据实验操作和现象所得到的结论正确的是
10.[2019天津]下列实验操作或装置能达到目的的是
11.[2019北京] 探究草酸(H2C2O4)性质,进行如下实验。(已知:室温下,0.1 ml·L−1 H2C2O4的pH=1.3)
由上述实验所得草酸性质所对应的方程式不正确的是
A.H2C2O4有酸性,Ca(OH)2+ H2C2O4CaC2O4↓+2H2O
B.酸性:H2C2O4> H2CO3,NaHCO3+ H2C2O4NaHC2O4+CO2↑+H2O
C.H2C2O4具有还原性,2+5+16H+2Mn2++10CO2↑+ 8H2O
D.H2C2O4可发生酯化反应,HOOCCOOH+2C2H5OHC2H5OOCCOOC2H5+2H2O
12.[2018北京卷]验证牺牲阳极的阴极保护法,实验如下(烧杯内均为经过酸化的3%NaCl溶液)。
下列说法不正确的是
A.对比②③,可以判定Zn保护了Fe
B.对比①②,K3[Fe(CN)6]可能将Fe氧化
C.验证Zn保护Fe时不能用①的方法
D.将Zn换成Cu,用①的方法可判断Fe比Cu活泼
13.[2018天津卷]由下列实验及现象推出的相应结论正确的是
(三)热点强化训练
1.利用如图所示装置进行实验,将液体X逐滴加入到固体Y中。下列有关实验现象或结论正确的是
2.下列实验操作能够完成实验目的的是
3.下列实验操作正确且能达到实验目的的是
4.为了验证浓硫酸和木炭粉在加热条件下产生的气体产物,某同学选用了如图所示的实验装置。下列说法错误的是( )
A.B装置用来检验产物中是否有水蒸气
B.E装置能检验产生的SO2是否已被完全吸收
C.只要F装置中出现白色浑浊,则产物中一定有CO2生成
D.C装置用来检验产物中是否有SO2生成
5.某兴趣小组在实验室通过空气中的氮气和镁粉制备氮化镁(可与水发生反应),其装置如下图所示。下列说法正确的是
A.装置①中盛放的是浓硫酸,其作用为干燥气体
B.维生素 C粉末可换成 Na2SO3粉末
C.实验开始时应先点燃酒精灯再通空气
D.装置⑤的作用为吸收尾气
6.某化学兴趣小组拟利用如图装置探究H2S和HI的还原性强弱。下列说法不正确的是
A.试剂甲可能是稀硝酸、稀盐酸或稀硫酸
B.若装置Ⅱ中蓝色溶液褪去,可证明 H2S的还原性比 HI强
C.装置Ⅲ的作用是吸收尾气中的 H2S,防止污染环境
D.若碘淀粉溶液换成硫酸铜溶液,可证明CuS难溶于水
7.下列各实验的现象及结论都正确的是
8.科学家侯德榜为我国的制碱工业作出了突出的贡献,其流程如图:
下列说法错误的是
A.提纯粗盐操作依次是:取样、溶解、沉淀、过滤、蒸发浓缩、冷却结晶、过滤、烘干
B.实验室中进行焙烧操作主要用到酒精喷灯、坩埚、泥三角、三脚架等
C.通过降温进行“冷析”使NH4C1结晶析出是利用氯化铵溶解度随温度变化大的特点
D.添加食盐进行“盐析”,使更多的NH4Cl析出的同时也更有利于NaHCO3的析出
9.实验室制备溶液,先用和反应:制备溶液,再滴入溶液,装置如图所示。下列说法错误的是( )
A.实验开始前打开,关闭,通入,目的是赶尽装置中的空气
B.实验开始后,缓慢通入,并持续通入。通入的作用是稀释氨气,使接触更加充分
C.当三颈烧瓶内的溶液不再分层时,说明反应完全
D.X可选用溶液,但不能用溶液
10.用图示装置制备补血剂甘氨酸亚铁[(H2NCH2COO)2Fe](易溶于水,难溶于乙醇)。已知:柠檬酸易溶于水和乙醇,有酸性和还原性,下列说法不正确的是
A.先打开K1、K3排尽空气后关闭K3,打开K2,并向c中滴加NaOH溶液,加热
B.c中加入柠檬酸可调节溶液的pH,并防止Fe2+被氧化
C.c中反应的化学方程式为:2H2NCH2COOH+FeSO4+2NaOH=(H2NCH2COO)2Fe+Na2SO4+2H2O
D.洗涤得到的甘氨酸亚铁所用的最佳试剂是柠檬酸溶液
11.工业上常用作的吸收剂,某同学利用如图所示装置模拟工业上测定高炉煤气中、和的含量(已知:和的混合溶液可吸收氧气)。下列说法错误的是( )
A.装置①中用盐酸而不用硝酸,其目的是防止氯化亚铜被氧化
B.整套实验装置的连接顺序应为③→①→②→④
C.装置③的作用是吸收二氧化碳
D.④装置在读数时需先冷却至室温,然后再调节液面至左右液面相平
12.某化学实验小组探究Fe2+和Fe3+性质时,发现:往FeCl2和KSCN的混合溶液中滴加氯水,溶液变成红色,但当氯水过量时,红色却会褪去。为此,他们设计如图装置进一步探究。
已知:①X为NaClO溶液,Y为FeCl3和KSCN的混合溶液。②持续缓慢滴入NaClO溶液至过量的过程中,圆底烧瓶中红色变浅,有大量气泡产生;Ca(OH)2溶液变浑浊。根据实验现象推测下列说法错误的是( )
A.氯水可以将Fe2+氧化成Fe3+
B.烧瓶中还可能产生红褐色沉淀
C.烧瓶中产生的气体中一定含有SO2
D.KSCN中的N元素一定被氧化
13.亚硝酰氯是有机物合成中的重要试剂(NOCl,是一种黄色气体,沸点为-5.5℃,其液体呈红褐色,遇水发生反应)。某化学兴趣小组设计下图装置用Cl2和NO制备NOCl。下列说法错误的是
A.用装置甲较快速地制备NOB.用装置乙净化NO
C.用装置丁吸收尾气D.实验时,先通入Cl2,再通入NO
14.下列实验操作、现象与结论对应关系正确的是( )
15.下列实验操作、现象及结论均正确的是( )
参考答案
真题演练
1.【答案】B
【解析】A .加入碘水后,溶液呈蓝色,只能说明溶液中含有淀粉,并不能说明淀粉是否发生了水解反应,故A错误;
B.加入盐酸后,产生大量气泡,说明镁与盐酸发生化学反应,此时溶液温度上升,可证明镁与盐酸反应放热,故B正确;
C.BaCl2、CaCl2均能与Na2CO3反应,反应产生了白色沉淀,沉淀可能为BaCO3或CaCO3或二者混合物,故C错误;
D.向H2O2溶液中加入高锰酸钾后,发生化学反应2KMnO4+3H2O2=2MnO2+2KOH+2H2O+3O2↑等(中性条件),该反应中H2O2被氧化,体现出还原性,故D错误;
综上所述,故答案为:B。
【点睛】淀粉在稀硫酸作催化剂下的水解程度确定试验较为典型,一般分三种考法:①淀粉未发生水解:向充分反应后的溶液中加入碘单质,溶液变蓝,然后加入过量氢氧化钠溶液使溶液呈碱性,然后加入新制氢氧化铜溶液并加热,未生成砖红色沉淀;②淀粉部分发生水解:向充分反应后的溶液中加入碘单质,溶液变蓝,然后加入过量氢氧化钠溶液使溶液呈碱性,然后加入新制氢氧化铜溶液并加热,生成砖红色沉淀;③向充分反应后的溶液中加入碘单质,溶液不变蓝,然后加入过量氢氧化钠溶液使溶液呈碱性,然后加入新制氢氧化铜溶液并加热,生成砖红色沉淀。此实验中需要注意:①碘单质需在加入氢氧化钠溶液之前加入,否则氢氧化钠与碘单质反应,不能完成淀粉的检验;②酸性水解后的溶液需要加入氢氧化钠溶液碱化,否则无法完成葡萄糖的检验;③利用新制氢氧化铜溶液或银氨溶液检验葡萄糖试验中,均需要加热,银镜反应一般为水浴加热。
2.【答案】C
【解析】A.淀粉溶液可以检验碘单质,不能检验碘元素,故A错误;
B.能使澄清石灰水变浑浊的气体可以是二氧化硫或二氧化碳,应该用品红检验二氧化硫气体,故B错误;
C.铜离子遇到氨水会先产生氢氧化铜蓝色沉淀,继续加氨水会生成四氨合铜离子,检验铜离子可以用氨水,故C正确;
D.铵根离子遇氢氧化钠溶液(加热)生成氨气,氨气能使湿润的红色石蕊试纸变蓝,不能使用湿润的蓝色石蕊试纸检验氨气,故D错误;答案选C。
3.【答案】C
【解析】A. CO2密度大于空气,应采用向上排空气法收集,A错误;
B. 苯与溴在溴化铁作用下反应,反应较剧烈,反应放热,且溴易挥发,挥发出来的溴单质能与水反应生成氢溴酸,所以验证反应生成的HBr,应先将气体通过四氯化碳,将挥发的溴单质除去,B错误;
C. MgCl2能水解,在加热时通入干燥的HCl,能避免MgCl2的水解,C正确;
D. 电解时,阳极发生氧化反应,阴极发生还原反应,所以丁装置铁为阳极,失去电子,生成二价铁离子,铜为阴极,溶液中的铜离子得到电子,得到铜,D错误。答案选C。
【点睛】本题为实验题,结合物质的性质和电解的原理进行解题,掌握常见物质的制备方法,注意水解的知识点。
4.【答案】A
【解析】A.萃取振荡时,分液漏斗下口应倾斜向上,A错误;
B.分液时,密度大的液体在下层,密度小的液体在上层,下层液体由分液漏斗下口放出,下层液体放完后,密度小的上层液体从分液漏斗上口倒出,B正确;
C.Fe3+在浓盐酸中生成黄色配离子,该离子在乙醚中生成缔合物,乙醚与水不互溶,故分液后水相为无色,则水相中不再含有Fe3+,说明已经达到分离目的,C正确;
D.蒸馏时选用直形冷凝管,能使馏分全部转移到锥形瓶中,而不会残留在冷凝管中,D正确;
答案选A。
5.【答案】BC
【解析】A. 苯酚可与氢氧化钠溶液反应生成可溶于水的苯酚钠,最后与苯混合后互不相溶,分层,该操作能达到实验目的,故A正确;
B. 盐酸易挥发,若将盐酸与碳酸氢钠溶液混合产生的气体直接通入苯酚钠,可能挥发的HCl会与苯酚钠反应生成常温下难溶于水的苯酚,不能证明是二氧化碳与其发生的反应,达不到实验目的,应该先除去二氧化碳中可能挥发的HCl再进行实验操作,故B错误;
C. 除去碱式滴定管胶管内气泡时,尖嘴不应该垂直向下,应向上挤压橡胶管,利用空气排出,该实验操作达不到实验目的,故C错误;
D. 为检验醛基,配制氢氧化铜悬浊液时,碱需过量,保证醛基是在碱性条件下发生反应,该操作可达到实验目的,故D正确;答案选BC。
6.【答案】D
【解析】在溴化铁作催化剂作用下,苯和液溴反应生成无色的溴苯和溴化氢,装置b中四氯化碳的作用是吸收挥发出的苯和溴蒸汽,装置c中碳酸钠溶液呈碱性,能够吸收反应生成的溴化氢气体,倒置漏斗的作用是防止倒吸。
A项、若关闭K时向烧瓶中加注液体,会使烧瓶中气体压强增大,苯和溴混合液不能顺利流下。打开K,可以平衡气压,便于苯和溴混合液流下,故A正确;
B项、装置b中四氯化碳的作用是吸收挥发出的苯和溴蒸汽,溴溶于四氯化碳使液体逐渐变为浅红色,故B正确;
C项、装置c中碳酸钠溶液呈碱性,能够吸收反应生成的溴化氢气体,故C正确;
D项、反应后得到粗溴苯,向粗溴苯中加入稀氢氧化钠溶液洗涤,除去其中溶解的溴,振荡、静置,分层后分液,向有机层中加入适当的干燥剂,然后蒸馏分离出沸点较低的苯,可以得到溴苯,不能用结晶法提纯溴苯,故D错误。
故选D。
【点睛】本题考查化学实验方案的设计与评价,侧重于学生的分析能力、实验能力和评价能力的考查,注意把握实验操作要点,结合物质的性质综合考虑分析是解答关键。
7.【答案】A
【解析】A.乙烯被酸性高锰酸钾氧化生成二氧化碳无机小分子,则实验现象中不会出现分层,A项错误;
B.将镁条点燃后迅速伸入集满二氧化碳的洗气瓶,发生反应为:CO2+2Mg2MgO+C,则集气瓶因反应剧烈冒有浓烟,且生成黑色颗粒碳单质,实验现象与操作匹配,B项正确;
C.向盛有饱和硫代硫酸钠溶液的试管中滴加稀盐酸,发生氧化还原反应,其离子方程式为:S2O32-+2H+=S↓+SO2↑+H2O,则会有刺激性气味气体产生,溶液变浑浊,实验现象与操作匹配,C项正确;
D.向盛有氯化铁溶液的试管中加过量的铁粉,铁粉会将溶液中所有的铁离子还原为亚铁离子,使黄色逐渐消失,充分振荡后,加1滴KSCN溶液,因振荡后的溶液中无铁离子,则溶液不会变色,实验现象与操作匹配,D项正确;
答案选A。
8.【答案】A
【解析】A、氯气与碳酸钠溶液反应生成氯化钠、次氯酸钠和碳酸氢钠,不能制备次氯酸,不能达到实验目的,A选;
B、过氧化氢溶液中加入少量二氧化锰作催化剂,加快双氧水的分解,因此可以加快氧气的生成速率,能达到实验目的,B不选;
C、碳酸钠溶液与乙酸反应,与乙酸乙酯不反应,可以除去乙酸乙酯中的乙酸,能达到实验目的,C不选;
D、根据较强酸制备较弱酸可知向饱和亚硫酸钠溶液中滴加浓硫酸可以制备二氧化硫,能达到实验目的,D不选;
答案选A。
9.【答案】C
【解析】A.先滴加氯水,再加入KSCN溶液,溶液变红,说明加入KSCN溶液前溶液中存在Fe3+,而此时的Fe3+是否由Fe2+氧化而来是不能确定的,所以结论中一定含有Fe2+是错误的,故A错误;
B. 黄色沉淀为AgI,说明加入AgNO3溶液优先形成AgI沉淀,AgI比AgCl更难溶,AgI与AgCl属于同种类型,则说明Ksp(AgI)
D.CH3COONa和NaNO2溶液浓度未知,所以无法根据pH的大小,比较出两种盐的水解程度,也就无法比较HNO2和CH3COOH电离出H+的难易程度,故D错误;
故选C。
10.【答案】B
【解析】A、乙醇的密度小于浓硫酸,混合时应将浓硫酸沿烧杯壁倒入乙醇中,边倒边搅拌,若顺序相反则容易引起液体飞溅,故A不能达到目的;
B、容量瓶上的刻度与凹液面的最低处相切,胶头滴管垂直位于容量瓶的正上方,故B能达到目的;
C、二氧化氮的密度大于空气,集气瓶中的导气管应长进短出,故C不能达到目的;
D、乙炔中的H2S等杂质也能使溴水褪色,应先通过一个盛碱液的洗气瓶将杂质除去,故D不能达到目的;故选B。
【点睛】本题考查实验装置和基本操作,易错点D,学生易忽略实验室用电石制乙炔中的H2S等还原性杂质也能使溴水褪色。
11.【答案】C
【解析】草酸(又称乙二酸)为一种二元弱酸,具有酸的通性,因此能发生中和反应,具有还原性,因为乙二酸中含有羧基因此能发生酯化反应,据此解题;
A.H2C2O4为二元弱酸,能与氢氧化钙溶液发生中和反应,生成白色沉淀草酸钙和水,因此含酚酞的氢氧化钙溶液碱性逐渐减弱,溶液红色退去,故A正确;
B.产生气泡证明有CO2 产生,因此可证明酸性H2C2O4>H2CO3,反应方程式为:H2C2O4+2NaHCO3=Na2C2O4+2CO2 +2H2O或H2C2O4+NaHCO3=NaHC2O4+2CO2 +2H2O,故B正确;
C.0.1 ml·L−1 H2C2O4的pH=1.3,说明草酸为弱酸,故在其参与的离子方程式中要写其化学式,不能用草酸根表示,故C不正确;
D.草酸(又称乙二酸),其中含有羧基,因此其能发生酯化反应,反应方程式正确,故D正确;
本题选不正确的,应选C。
【点睛】本题考查草酸的性质和离子反应方程式的书写,侧重考查学生的分析能力和元素化合物知识的综合理解和运用。
12.【答案】D
【解析】A项,对比②③,②Fe附近的溶液中加入K3[Fe(CN)6]无明显变化,②Fe附近的溶液中不含Fe2+,③Fe附近的溶液中加入K3[Fe(CN)6]产生蓝色沉淀,③Fe附近的溶液中含Fe2+,②中Fe被保护,A项正确;B项,①加入K3[Fe(CN)6]在Fe表面产生蓝色沉淀,Fe表面产生了Fe2+,对比①②的异同,①可能是K3[Fe(CN)6]将Fe氧化成Fe2+,B项正确;C项,对比①②,①加入K3[Fe(CN)6]在Fe表面产生蓝色沉淀,①也能检验出Fe2+,不能用①的方法验证Zn保护Fe,C项正确;D项,由实验可知K3[Fe(CN)6]可能将Fe氧化成Fe2+,将Zn换成Cu不能用①的方法证明Fe比Cu活泼,D项错误;答案选D。
点睛:本题通过实验验证牺牲阳极的阴极保护法,考查Fe2+的检验、实验方案的对比,解决本题的关键是用对比分析法。要注意操作条件的变化,如①中没有取溶液,②中取出溶液,考虑Fe对实验结果的影响。要证明Fe比Cu活泼,可用②的方法。
13.【答案】B
【解析】本题是化学实验的基本问题,主要考查物质检验和性质比较实验的问题。根据题目表述,与课上讲解的实验进行对比,比较异同,就可以判断了。
详解:A.某溶液中滴加K3[Fe(CN)6]溶液,产生蓝色沉淀,说明溶液中有Fe2+,但是无法证明是否有Fe3+。选项A错误。
B.向C6H5ONa溶液中通入CO2,溶液变浑浊,说明生成了苯酚,根据强酸制弱酸的原则,得到碳酸的酸性强于苯酚。选B正确。
C.向含有ZnS和Na2S的悬浊液中滴加CuSO4溶液,虽然有ZnS不溶物,但是溶液中还有Na2S,加入硫酸铜溶液以后,Cu2+一定与溶液中的S2-反应得到黑色的CuS沉淀,不能证明发生了沉淀转化。选项C错误。
D.向溶液中加入硝酸钡溶液,得到白色沉淀(有很多可能),再加入盐酸时,溶液中就会同时存在硝酸钡电离的硝酸根和盐酸电离的氢离子,溶液具有硝酸的强氧化性。如果上一步得到的是亚硫酸钡沉淀,此步就会被氧化为硫酸钡沉淀,依然不溶,则无法证明原溶液有硫酸根离子。选项D错误。
点睛:在解决本题中选项C的类似问题时,一定要注意判断溶液中的主要成分。当溶液混合进行反应的时候,一定是先进行大量离子之间的反应(本题就是进行大量存在的硫离子和铜离子的反应),然后再进行微量物质之间的反应。例如,向碳酸钙和碳酸钠的悬浊液中通入二氧化碳,二氧化碳先和碳酸钠反应得到碳酸氢钠,再与碳酸钙反应得到碳酸氢钙。
强化训练
1.B
【解析】A.SO2能使品红溶液褪色不是SO2的还原性而是SO2的漂白性,A错误;
B.双氧水能在MnO2的催化作用下生成氧气,氧气能与氢硫酸溶液反应生成淡黄色硫单质,产生浑浊,B正确;
C.浓盐酸具有挥发性,无法确定是碳酸生成硅酸还是挥发出的氯化氢生成了硅酸,C错误;
D.浓硝酸与铜生成NO2气体,NO2与水反应生成无色的硝酸和NO,D错误;
故选B。
2.C
【解析】A.NaClO具有强氧化性,NaClO溶液可使pH试纸褪色,应选pH计测定相同浓度的NaClO与CH3COONa溶液的pH大小,故A不符合题意;
B.稀盐酸滴加到Na2CO3晶体中,生成氯化钠、二氧化碳和水,将产生的气体为二氧化碳,二氧化碳使澄清石灰水变浑浊,说明盐酸的酸性强于碳酸,但盐酸不是氯元素的最高价氧化物对应的水化物,不能用于比较C与Cl的非金属性强弱,故B不符合题意;
C.乙酸与饱和纯碱溶液反应后与乙酸乙酯分层,然后分液可以分离,除乙酸乙酯中含有的乙酸杂质,故C符合题意;
D.检验葡萄糖应在碱性溶液中,淀粉水解后没有加碱至碱性,加入新制的氢氧化铜悬浊液,加热不会出现砖红色沉淀,不能用于检验葡萄糖,故D不符合题意;
答案选C。
3.A
【解析】A.MgCl2 • 6H2O受热易水解,加入SOC12后,SOC12可与水反应产生HC1,既消耗了水又产生了能抑制MgCl2水解的HC1,所以可以得到无水MgCl2,故A正确;
B.CO2和Na2CO3溶液反应,不能使用饱和Na2CO3溶液,可以使用饱和NaHCO3溶液,故B错误;
C.弱酸的酸性越强,其相同浓度的钠盐溶液的pH越小,但次氯酸钠有漂白性,且两种饱和溶液的浓度也不一定相同,所以不能实现实验目的,故C错误;
D. A1和Fe2O3反应后固体中一定含有Fe单质,若含有Fe2O3,与酸反应后生成Fe3+,Fe3+可能与Fe单质反应生成Fe2+,加入KSCN溶液后,溶液也不变红,D错误;
故选A。
4.C
【解析】A.无水硫酸铜遇水变蓝,B装置用来检验产物中是否有水蒸气,故A正确;
B.若E中品红不变红,说明SO2被溴水完全吸收,所以E装置能检验产生的SO2是否已被完全吸收,故B正确;
C.E中品红不变红(除去了二氧化硫)、F装置中出现白色浑浊,说明有CO2生成,故C错误;
D.SO2能使品红褪色,C装置用来检验产物中是否有SO2生成,故D正确;
选C。
5.B
【分析】因为镁可与空气中的氧气、二氧化碳反应,产物氮化镁可与水发生反应,故应先除去空气中的氧气、二氧化碳并干燥气体,使用氢氧化钠溶液除去空气中的二氧化碳气体,使用维生素C除去空气中的氧气,使用浓硫酸干燥气体,但应先除去氧气和二氧化碳最后再干燥气体,故装置①中盛放的是氢氧化钠溶液,装置③中盛放的是浓硫酸。
【解析】A.装置①中盛放的是氢氧化钠溶液,A项错误;
B.Na2SO3和维生素C均具有还原性,都可用来除去氧气,B项正确;
C.实验开始时应先通空气,排除装置中的氧气、二氧化碳等气体,再点燃酒精灯使镁与纯净的氮气反应,C项错误;
D.尾气氮气无毒且为空气中的主要成分,可直接排放,装置⑤的作用为防止外界的水蒸气进人装置中和产物反应,影响产物的纯度,D项错误;
答案选B。
6.A
【解析】A.FeS 具有还原性,与HNO3发生氧化还原反应,不能用稀 HNO3制备H2S,A项错误;
B.H2S+I2=S+2HI,溶液蓝色褪去,说明H2S的还原性比HI强,B项正确;
C.NaOH 溶液吸收 H2S,C项正确;
D.H2S+CuSO42- =CuS↓+H2SO4,产生黑色沉淀,证明CuS难溶于水,D项正确;
故选A。
7.A
【解析】A.蔗糖与浓硫酸反应生成蓬松多孔的黑色物质,浓硫酸先使蔗糖脱水生成C单质,蔗糖变黑,体现了浓硫酸的脱水性,C单质与浓硫酸反应生成CO2,同时生成刺激性气味的气体SO2,使体积膨胀,体现了浓硫酸的强氧化性,气体导入澄清石灰水生成固体变浑浊,故A符合题意;
B.铜粉不与稀硫酸反应,加入硝酸钾,引入,发生反应的离子方程式为:3Cu+2+8H+=3Cu2++2NO↑+4H2O,体现了硝酸根在酸性环境中(HNO3)的强氧化性,结论错误,B不符合题意;
C.硝酸具有强氧化性,铁先被硝酸氧化生成Fe3+再被过量铁粉还原生成Fe2+,滴加KSCN溶液不显红色,现象错误,C不符合题意;
D.Na粒投入MgCl2溶液,由于Na的还原性极强,Na先与水反应生成NaOH和H2,NaOH与MgCl2反应生成Mg(OH)2白色沉淀,现象、结论错误,D不符合题意;
故答案选A。
8.A
【分析】将粗盐水提纯得到精制饱和食盐水,将精制饱和食盐水加入氨气,再加入二氧化碳酸化,生成氯化铵和碳酸氢钠,过滤后得到了碳酸氢钠,将碳酸氢钠经焙烧得到纯碱、水和二氧化碳,在将氯化铵和氯化钠混合物经吸氨降温、冷析得到氯化铵,再将氯化铵和氯化钠溶液加氯化钠经盐析得到氯化铵和精制饱和食盐水,由此分析。
【解析】A.提纯粗盐操作依次是:取粗盐样品、加入蒸馏水溶解、依次加入过量氯化钡溶液除去溶液中的硫酸根、过量氢氧化钠溶液除去溶液中的镁离子、碳酸钠溶液除去钙离子和过量的氯化钡,经沉淀、过滤除去硫酸钡、碳酸钙、碳酸钡等沉淀,再加入适量盐酸、除去溶液中的碳酸根离子和碳酸根离子,再经蒸发浓缩、冷却结晶得到精盐,故A符合题意;
B.侯氏制碱法中的焙烧是将碳酸氢钠经焙烧得到纯碱、水和二氧化碳,高温下加热固体需要使用坩埚、泥三角、三脚架等,且实验室中进行焙烧操作时的温度较高,需要用到酒精喷丁,主要用到酒精喷灯、坩埚、泥三角、三脚架等,故B不符合题意;
C.将氯化铵和氯化钠混合物经吸氨降温、冷析得到氯化铵,氯化铵的溶解度随温度升高而增大的较快,氯化钠的溶解度随温度的变化不大,故可以降温结晶析出氯化铵,通过降温进行“冷析”使NH4C1结晶析出是利用氯化铵溶解度随温度变化大的特点,故C不符合题意;
D.盐析一般是指溶液中加入无机盐类而使溶解的物质析出的过程;添加食盐进行“盐析”,在NH4Cl沉淀时,存在下列平衡:NH4Cl(s)⇌Cl-(aq)+(aq),Ksp=c(Cl-)c(),向溶液中添加Cl-,在外界条件不变的情况下,Ksp不变,c(Cl-)越大,c()浓度越小,使更多的NH4Cl析出;同理,NaHCO3溶液中也存在平衡,将盐析后的溶液加入到精制饱和食盐水,同时也更有利于NaHCO3的析出,故D不符合题意;
答案选A。
9.D
【分析】打开K1通入氮气排出装置内的空气,然后通入氨气与二硫化碳反应产生硫氰酸铵和硫化氢,然后打开K2滴入KOH溶液反应生成硫氰酸钾,未反应的氨气和产生的硫化氢用X溶液吸收,加一个倒扣漏斗防倒吸,据此解答。
【解析】A.空气中的氧气会干扰实验,所以应该始前打开,关闭,通入,目的是赶尽装置中的空气,A正确;
B.氨气是极性分子二硫化碳是非极性分子,二者溶解性差,反应慢,所以氨气通入速度不宜过快,通入的作用是稀释氨气,使接触更加充分,B正确;
C.二硫化碳和水互不相溶,当不再分层时,说明二硫化碳消耗完全,C正确;
D.X溶液的主要作用是吸收硫化氢气体,用硫酸铜溶液可以发生反应而除去,D错误;
故选D。
10.D
【解析】A.先打开K1、K3,H2SO4与Fe反应产生FeSO4、H2,H2可以将装置中的空气排出,待排尽空气后关闭K3,打开K2,在装置b中产生的FeSO4在H2压强的作用下沿导气管进入装置c中,并向c中滴加NaOH溶液,加热,甘氨酸、FeSO4、NaOH发生反应,就制备得到补血剂甘氨酸亚铁,A正确;
B.柠檬酸具有酸性、还原性,在c中加入柠檬酸既可调节溶液的pH,又可以防止Fe2+被氧化,以便于制取得到甘氨酸亚铁,B正确;
C.在c中甘氨酸、FeSO4、NaOH溶液发生反应制取得到甘氨酸亚铁,反应方程式为:2H2NCH2COOH+FeSO4+2NaOH=(H2NCH2COO)2Fe+Na2SO4+2H2O,C正确;
D.甘氨酸亚铁易溶于水,难溶于乙醇,因此洗涤得到的甘氨酸亚铁所用的最佳试剂是乙醇,D错误;
故合理选项是D。
11.B
【分析】用CuCl作O2、CO的吸收剂,测定高炉煤气中CO、CO2、N2和O2的含量,可用KOH吸收二氧化碳,然后用②吸收氧气,再用①吸收CO,最后用排水法测量氮气的体积,据此分析解答。
【解析】A.硝酸具有强氧化性,能够氧化CuCl,因此装置①中用盐酸而不用硝酸,其目的是防止氯化亚铜被氧化,故A正确;
B.用CuCl作O2、CO的吸收剂,测定高炉煤气中CO、CO2、N2和O2的含量,可用KOH吸收二氧化碳,然后用②吸收氧气,再用①吸收CO,最后用排水法测量氮气的体积,则整套实验装置的连接顺序为③→②→①→④,故B错误;
C.根据实验目的和上述分析可知,装置③的作用是吸收二氧化碳,故C正确;
D.用④装置测N2含量,应注意温度在常温,且左右液面相平,读数时视线与凹液面最低处水平相切,以减小实验误差,故D正确;
故选B。
12.C
【解析】A.氯水中有氯气和次氯酸,都有强氧化性,可以将Fe2+氧化成Fe3+,故A正确;
B.烧瓶中有NaClO,是强碱弱酸盐水解显碱性,Fe3+碱性条件下会产生红褐色沉淀,故B正确;
C.烧瓶中有NaClO,有强氧化性, 在溶液中KSCN中的会直接被氧化为硫酸根离子,故C错误;
D.氯水过量时,红色却会褪去, NaClO溶液至过量圆底烧瓶中红色变浅,都说明SCN-会被氧化剂氧化,SCN-中S:-2价,C:+4价,N:-3价,故N元素一定被氧化,故D正确;
故答案为:C
13.C
【解析】A.温度升高,速率加快,稀硝酸和铜在加热的条件下可以更快地制取NO气体,A正确;
B.二氧化氮与水反应生成硝酸和一氧化氮,乙装置中水除NO2,用浓硫酸来干燥气体,装置乙用来净化NO,B正确;
C.亚硝酰氯遇水发生反应,所以丁装置是防止水蒸气进行丙装置,C错误;
D.实验时先通入氯气,把装置中的空气排出来,防止NO被氧气氧化,D正确;
故选C。
14.A
【解析】A.能被硝酸氧化为硫酸,硫酸根与钡离子结合反应生成不溶于酸的硫酸钡白色沉淀,正确,故选A;
B.向盛有稀溶液的试管中加入的溶液,溶液中存在稀硝酸和亚铁离子,稀硝酸只能被亚铁离子还原为NO,NO于试管口被氧化为,从而使试管口出现红棕色气体,故B错;
C.氨水呈碱性,向氨水中加蒸馏水稀释溶液的pH值减小,则氢离子浓度增大,并不是所以离子浓度均减小,故C错;
D.用铂丝蘸取某溶液在酒精灯火焰上灼烧,直接观察,火焰呈黄色,只能说明溶液中一定含,可能含有,故D错。
答案选A
15.A
【解析】A.碘单质遇淀粉溶液变蓝,溶液遇到碘离子有黄色沉淀碘化银生成,则溶液中含有和,A正确;
B.乙醇、乙烯均能使酸性溶液褪色,乙醇有挥发性,故不能说明使高锰酸钾溶液褪色的是乙烯,B错误;
C.向溶液中滴加溶液生成黑色沉淀硫化铜、因为硫化铜极难溶于水、不溶于酸,不能说明的酸性比的强,C错误;
D.硝酸根离子在酸溶液中有强氧化性,故不能说明亚铁离子被过氧化氢氧化成铁离子,不能证明氧化性:, D错误;
答案选A。
常见的操作
思考方向
加过量试剂
使反应完全进行(或增大产率、转化率)
加氧化剂(如H2O2)
氧化还原性物质,生成目标产物或除去某种离子
通入N2或其他惰性气体
除去装置中的空气,排除氧气的干扰
末端放置干燥管
防止空气中的水蒸气干扰实验
调节溶液的pH
①调节溶液的酸碱性,抑制水解(或使其中某些金属离子形成氢氧化物沉淀) ②“酸作用”还可除去氧化物(膜) ③“碱作用”还可除去油污,除去铝片氧化膜,溶解铝、二氧化硅等④特定的氧化还原反应需要的酸性条件(或碱性条件)
控制温度
(水浴、冰浴、油浴)
①防止副反应的发生②使化学平衡移动;控制化学反应的方向
③控制固体的溶解与结晶(如趁热过滤能防止某物质降温时析出)④控制反应速率;使催化剂达到最大活性⑤升温:促进溶液中的气体逸出,使某物质达到沸点挥发⑥加热煮沸:促进水解,聚沉后利于过滤分离⑦趁热过滤:减少因降温而析出的溶质的量⑧降温:防止物质高温分解或挥发;降温(或减压)可以减少能源成本,降低对设备的要求
洗涤晶体
①水洗:通常是为了除去晶体表面水溶性的杂质②“冰水洗涤”:能洗去晶体表面的杂质离子,且防止晶体在洗涤过程中的溶解损耗③用特定有机试剂清洗晶体:洗去晶体表面的杂质,降低晶体的溶解度、有利于析出,减少损耗等④洗涤沉淀方法:往漏斗中加入蒸馏水至浸没沉淀,待水自然流下后,重复以上操作2~3次
分离、提纯
过滤、蒸发、萃取、分液、蒸馏等。从溶液中得到晶体的方法:蒸发浓缩→冷却结晶→过滤→洗涤→干燥
气
体
的
干
燥
方
法
气体干燥选择干燥剂的原则
①不减原则:即通过干燥操作之后,目标气体的量不能减少;②不反应原则:干燥剂不能与目标气体反应
酸性
干燥剂
浓H2SO4
可以干燥H2、O2、N2、CO2、CO、Cl2、HCl、SO2、CH4和C2H4等气体
碱性
干燥剂
碱石灰
主要用于干燥NH3,但也可干燥H2、O2、N2、CO和CH4等
中性
干燥剂
CaCl2
可以干燥H2、O2、N2、CO2、Cl2、HCl和H2S等,但不能干燥NH3
气
体
的
干
燥
装
置
盛装液态干燥剂,用于干燥气体;也可以盛装其他液体试剂,用来对酸性或中性气体进行除杂
盛装碱石灰和CaCl2等固体干燥剂
甲装置可以盛装液体干燥剂或固体干燥剂,乙和丙装置只能盛装固体干燥剂
排水法
①难溶或微溶于水,且与水不发生化学反应的气体,都可用排水集气法收集;②用排水集气法收集气体时,导管不伸入试管(或集气瓶)底部
向上排空气法
①比空气密度大的气体可用向上排空气法收集;②用排空气法收集气体时,导管一定要伸入集气瓶(或试管)底部,目的是把集气瓶(或试管)中的空气尽量排出;③为防止外界空气向集气瓶内扩散,集气瓶口可盖上毛玻璃片,若用试管收集时,可在试管口塞上一小团疏松的棉花
向下排空气法
比空气密度小的气体可用向下排空气法收集,如H2、NH3和CH4等气体
排特殊溶液法
①氯气可用排饱和食盐水的方法收集;②二氧化碳可用排饱和碳酸氢钠溶液的方法收集
处理方法
液体吸收法
点燃法
收集法
处理装置
适用气体
装置A适用于吸收溶解度小的气体,如Cl2、CO2等;装置B、C可吸收溶解度大的气体,如HCl、HBr、NH3等
CH4、CH2=CH2、H2、CO等
CO、NH3、H2S等
编号
实验目的
实验过程
A
配制0.4000 ml·L−1的NaOH溶液
称取4.0 g固体NaOH于烧杯中,加入少量蒸馏水溶解,转移至250 mL容量瓶中定容
B
探究维生素C的还原性
向盛有2 mL黄色氯化铁溶液的试管中滴加浓的维生素C溶液,观察颜色变化
C
制取并纯化氢气
向稀盐酸中加入锌粒,将生成的气体依次通过NaOH溶液、浓硫酸和KMnO4溶液
D
探究浓度对反应速率的影响
向2支盛有5 mL不同浓度NaHSO3溶液的试管中同时加入2 mL 5%H2O2溶液,观察实验现象
选项
实验操作和现象
结论
A
向苯酚浊液中滴加Na2CO3溶液,浊液变清
苯酚的酸性强于H2CO3的酸性
B
向碘水中加入等体积CCl4,振荡后静置,上层接近无色,下层显紫红色
I2在CCl4中的溶解度大于在水中的溶解度
C
向CuSO4溶液中加入铁粉,有红色固体析出
Fe2+的氧化性强于Cu2+的氧化性
D
向NaCl、NaI的混合稀溶液中滴入少量稀AgNO3溶液,有黄色沉淀生成
Ksp(AgCl) >Ksp(AgI)
选项
实验操作和现象
结论
A
向淀粉溶液中加适量20%H2SO4溶液,加热,冷却后加NaOH溶液至中性,再滴加少量碘水,溶液变蓝
淀粉未水解
B
室温下,向HCl溶液中加入少量镁粉,产生大量气泡,测得溶液温度上升
镁与盐酸反应放热
C
室温下,向浓度均为的BaCl2和CaCl2混合溶液中加入Na2CO3溶液,出现白色沉淀
白色沉淀是BaCO3
D
向H2O2溶液中滴加KMnO4溶液,溶液褪色
H2O2具有氧化性
待检验物质
所用试剂
A
海水中的碘元素
淀粉溶液
B
SO2气体
澄清石灰水
C
溶液中的Cu2+
氨水
D
溶液中的
NaOH溶液,湿润的蓝色石蕊试纸
目的
操作
A
除去苯中少量的苯酚
加入适量NaOH溶液,振荡、静置、分液
B
证明酸性:碳酸>苯酚
将盐酸与NaHCO3混合产生的气体直接通入苯酚钠溶液
C
除去碱式滴定管胶管内的气泡
将尖嘴垂直向下,挤压胶管内玻璃球将气泡排出
D
配制用于检验醛基的氢氧化铜悬浊液
向试管中加入2mL10%NaOH溶液,再滴加数滴2%CuSO4溶液,振荡
实验操作
实验现象
A
向盛有高锰酸钾酸性溶液的试管中通入足量的乙烯后静置
溶液的紫色逐渐褪去,静置后溶液分层
B
将镁条点燃后迅速伸入集满CO2的集气瓶
集气瓶中产生浓烟并有黑色颗粒产生
C
向盛有饱和硫代硫酸钠溶液的试管中滴加稀盐酸
有刺激性气味气体产生,溶液变浑浊
D
向盛有FeCl3溶液的试管中加过量铁粉,充分振荡后加1滴KSCN溶液
黄色逐渐消失,加KSCN后溶液颜色不变
选项
目的
实验
A
制取较高浓度的次氯酸溶液
将Cl2通入碳酸钠溶液中
B
加快氧气的生成速率
在过氧化氢溶液中加入少量MnO2
C
除去乙酸乙酯中的少量乙酸
加入饱和碳酸钠溶液洗涤、分液
D
制备少量二氧化硫气体
向饱和亚硫酸钠溶液中滴加浓硫酸
选项
实验操作和现象
结论
A
向X溶液中滴加几滴新制氯水,振荡,再加入少量KSCN溶液,溶液变为红色
X溶液中一定含有Fe2+
B
向浓度均为0.05 ml·L−1的NaI、NaCl混合溶液中滴加少量AgNO3溶液,有黄色沉淀生成
Ksp(AgI)> Ksp(AgCl)
C
向3 mL KI溶液中滴加几滴溴水,振荡,再滴加1mL淀粉溶液,溶液显蓝色
Br2的氧化性比I2的强
D
用pH试纸测得:CH3COONa溶液的pH约为
9,NaNO2溶液的pH约为8
HNO2电离出H+的能力比CH3COOH的强
A
B
C
D
混合浓硫酸和乙醇
配制一定浓度的溶液
收集气体
证明乙炔可使溴水褪色
实验
装置
试剂a
现象
①
Ca(OH)2溶液(含酚酞)
溶液褪色,产生白色沉淀
②
少量NaHCO3溶液
产生气泡
③
酸性KMnO4溶液
紫色溶液褪色
④
C2H5OH和浓硫酸
加热后产生有香味物质
①
②
③
在Fe表面生成蓝色沉淀
试管内无明显变化
试管内生成蓝色沉淀
实验
现象
结论
A.某溶液中滴加K3[Fe(CN)6]溶液
产生蓝色沉淀
原溶液中有Fe2+,无Fe3+
B.向C6H5ONa溶液中通入CO2
溶液变浑浊
酸性:H2CO3>C6H5OH
C.向含有ZnS和Na2S的悬浊液中滴加CuSO4溶液
生成黑色沉淀
Ksp(CuS)
②再加足量盐酸
①产生白色沉淀
②仍有白色沉淀
原溶液中有SO42-
选项
X
Y
Z
实验现象或结论
装置
A
稀硫酸
亚硫酸钠
品红溶液
SO2能氧化品红
B
双氧水
MnO2
氢硫酸溶液
产生浑浊
C
浓盐酸
石灰石
硅酸钠溶液
非金属性:C>Si
D
浓硝酸
Cu
水
试管中液体变红
选项
目的
操作
A
比较HClO与CH3COOH酸性的强弱
pH试纸测定相同浓度的NaClO与CH3COONa溶液的pH大小
B
比较C与Cl的非金属性强弱
稀盐酸滴加到Na2CO3晶体中,将产生的气体通入澄清石灰水中
C
除乙酸乙酯中含有的乙酸杂质
向混合物中加入饱和的纯碱溶液,振荡后静置分液
D
检验淀粉水解产物中是否含有葡萄糖
向淀粉溶液中加入适量稀硫酸,煮沸几分钟,冷却后加入新制的氢氧化铜悬浊液,加热
选项
实验目的
实验操作
A
由MgCl2 • 6H2O制备无水MgCl2
将MgCl2 • 6H2O与SOC12(易水解生成SO2和HC1)混合加热
B
除去CO2中的SO2气体
依次通过盛有饱和Na2CO3溶液和浓硫酸的洗气瓶
C
比较HClO和CH3COOH的酸性强弱
室温下,用pH计测定饱和NaClO溶液和饱和CH3COONa溶液的pH
D
检验A1和Fe2O3反应后固体中是否含Fe2O3
取反应后固体,溶于足量稀硫酸,滴加KSCN溶液,溶液不变红,说明不含 Fe2O3
选项
实验
现象
结论
A
浓硫酸滴入蔗糖中,产生的气体导入澄清石灰水
蔗糖变黑、体积膨胀,澄清石灰水变浑浊
浓硫酸具有脱水性和强氧化性
B
铜粉加入稀硫酸中,加热;再加入少量硝酸钾固体
加热时无明显现象,加入硝酸钾后溶液变蓝
硝酸钾起催化作用
C
过量铁粉加入稀硝酸中,充分反应后,滴加KSCN溶液
有无色气泡产生, 溶液呈血红色
稀硝酸能将Fe氧化成Fe3+
D
将Na粒投入MgCl2溶液
析出银白色固体
固体为Mg
选项
实验操作
实验现象
结论
A
向某钠盐X溶液中加入盐酸,将产生的气体通入酸化的溶液中
有白色沉淀产生
反应生成的气体可能为
B
向盛有稀溶液的试管中加入的溶液
试管口出现红棕色气体
溶液中的被还原为
C
向滴加酚酞的氨水中加蒸馏水稀释
溶液红色变浅
溶液中所有离子浓度均减小
D
用铂丝蘸取某溶液在酒精灯火焰上灼烧
直接观察,火焰呈黄色
溶液中的金属阳离子只有
选项
实验操作
现象
结论
A
向两支盛有溶液的试管中,分别滴加淀粉溶液和溶液
前者溶液变蓝,后者有黄色沉淀生成
溶液中含有和
B
将乙醇与浓硫酸的混合溶液加热,产生的气体直接通入酸性溶液中
溶液紫色逐渐褪去
产生的气体一定是乙烯
C
向溶液中滴加溶液
生成蓝色沉淀
的酸性比的强
D
将用稀硫酸酸化后的溶液滴入溶液中
溶液变黄
氧化性:
特训25 化学实验设计与评价-2022届高考二轮复习选择题专项突破: 这是一份特训25 化学实验设计与评价-2022届高考二轮复习选择题专项突破,共28页。试卷主要包含了三种常见气体制备装置系统,化学实验方案的评价,实验条件的控制等内容,欢迎下载使用。
2021年新高考化学二轮备考选择题高频热点专项突破--专项突破12 化工流程: 这是一份2021年新高考化学二轮备考选择题高频热点专项突破--专项突破12 化工流程,共14页。试卷主要包含了以化工流程为载体,考查,以物质制备和提纯为情境,考查,控制反应条件的方法等内容,欢迎下载使用。
2021年新高考化学二轮备考选择题高频热点专项突破--专项突破07 氧化还原反应: 这是一份2021年新高考化学二轮备考选择题高频热点专项突破--专项突破07 氧化还原反应,共17页。试卷主要包含了已知三个氧化还原反应,已知还原性顺序等内容,欢迎下载使用。

