2020-2021学年第2节 电生磁习题
展开一、单选题
1.为了判断一段导线中是否有电流通过,手边若有下列几组器材,其中最适用的是( )
A. 被磁化的缝衣针及细棉线 B. U形磁铁及细棉线 C. 带电的小纸球及细棉线 D. 小灯泡及导线
2.如图所示,闭合开关,小铁块被吸起,下列说法正确的是( )
A. 将小铁块吸起的力是铁芯与小铁块之间的分子引力
B. 用手托住小铁块,将电源的正负极对调,闭合开关,稍后手松开,小铁块一定落下
C. 滑动变阻器的滑片向上移动,小铁块可能落下
D. 滑动变阻器的滑片向下移动,小铁块可能落下
3.如图是奥斯特实验的示意图,有关分析正确的是( )
A. 通电导线周围磁场方向由小磁针的指向决定 B. 通电导线周围的磁场方向与电流方向无关
C. 移去小磁针后的通电导线周围不存在磁场 D. 发生偏转的小磁针对通电导线有力的作用
4.小刚同学在“制作、研究电磁铁”的过程中,使用两个相同的大铁钉绕制成电磁铁进行实验,如图所示.下列说法正确的是( )
A. 若将两电磁铁上部靠近,会相互排斥
B. 要使电磁铁磁性增强,应将滑片P向右移动
C. 电磁铁能吸引的大头针越多,表明它的磁性越强
D. 甲线圈的匝数多,通过乙线圈的电流小于通过甲线圈的电流
5.某同学在做“探究电磁铁特性”的实验中,使用了两个相同的大铁钉绕制成电磁铁进行实验,如图所示,下列说法中错误的是( )
A. 要使电磁铁磁性增强,应将变阻器的滑动片向左滑动
B. 电磁铁能吸引的大头针越多,表明它的磁性越强
C. 电磁铁A线圈匝数较多,所以通过B 的电流较小
D. 若将两电磁铁上部靠近,会相互排斥
6.如图所示电路连接中,当开关S闭合时,下列说法正确的是( )
A. 螺线管上端S极,滑片P向左移,弹簧测力计示数增大
B. 螺线管上端N极,滑片P向左移,弹簧测力计示数减小
C. 螺线管上端S极,滑片P向右移,弹簧测力计示数增大
D. 螺线管上端N极,滑片P向右移,弹簧测力计示数减小
7.在图中,当开关S闭合后,要使电磁铁磁性增强,可采用的方法是( )
A. 滑片P向左移动 B. 减少电池个数 C. 滑片P向右移动 D. 增加通电时间
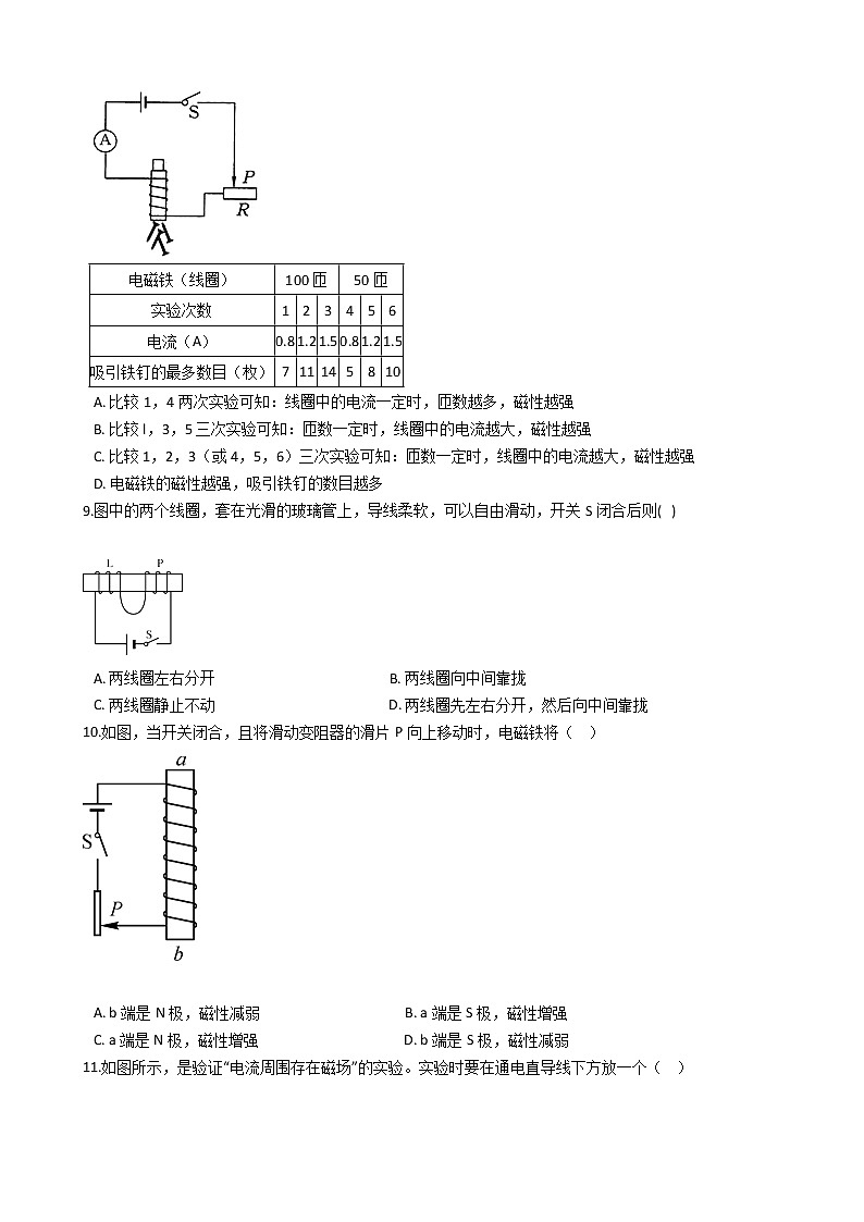
8.小明设计的研究“电磁铁磁性强弱”的实验电路图如图所示,下表是他所做实验的记录,下列结论不正确的是( )
A. 比较1,4两次实验可知:线圈中的电流一定时,匝数越多,磁性越强
B. 比较l,3,5三次实验可知:匝数一定时,线圈中的电流越大,磁性越强
C. 比较1,2,3(或4,5,6)三次实验可知:匝数一定时,线圈中的电流越大,磁性越强
D. 电磁铁的磁性越强,吸引铁钉的数目越多
9.图中的两个线圈,套在光滑的玻璃管上,导线柔软,可以自由滑动,开关S闭合后则( )
A. 两线圈左右分开 B. 两线圈向中间靠拢
C. 两线圈静止不动 D. 两线圈先左右分开,然后向中间靠拢
10.如图,当开关闭合,且将滑动变阻器的滑片P向上移动时,电磁铁将( )
A. b端是N极,磁性减弱 B. a端是S极,磁性增强
C. a端是N极,磁性增强 D. b端是S极,磁性减弱
11.如图所示,是验证“电流周围存在磁场”的实验。实验时要在通电直导线下方放一个( )
A. 螺线管 B. U形磁铁 C. 小磁针 D. 电流表
12.如图所示为条形磁铁和电磁铁,虚线表示磁感线,则甲、乙、丙、丁的极性依次是( )
A. S、N、S、S B. N、N、S、N C. S、S、N、 D. N、S、N、N
二、多选题
13.通电螺线管内部放一个小磁针,小磁针静止时的指向如下图所示,则正确的是( )(多选)
A. a端为电源正极 B. b端为电源正极 C. c端为通电螺线管N极 D. d端为通电螺线管N极
三、填空题
14.如图所示,在直导线下方放置一枚小磁针,当导线中有电流通过时,磁针发生偏转,表明通电导线周围存在磁场;如果导线下方不放小磁针,当导线中有电流通过时,则该通电导线周围________(选填“存在”或“不存在”)磁场。
四、解答题
15.如图所示,是小磁针静止时的指向,请标出通电螺线管的磁极和电源的“+”、“﹣”极.
五、实验探究题
16.通电螺线管内部的磁场是匀强磁场(每点的磁场方向及强度相同),小妍在塑料管外绕上线圈后连入如图电路,并用磁传感器测量线圈内部的磁场强度。以下是实验记录的表格:
请回答下列问题:
(1)本实验的目的是研究通电螺线管内部的磁场强度与螺线管直径、螺线管匝数、 ________之间的关系。
(2)要研究通电螺线管内部磁场强度与螺线管直径之间的关系,应选择 ________(填实验序号)进行研究。
(3)本实验的结论是________。
答案解析部分
一、单选题
1.【答案】 A
【解析】【分析】电流周围存在磁场,在磁场中肯定会受到磁力的作用,据此分析判断。
【解答】判断一段导线中是否有电流通过,可用细棉线把被磁化的缝衣针从中间吊起来,靠近导线。若靠近时缝衣针不再指南北,则说明导线中有电流,因为通电导线周围有磁场,故A正确,而B、C、D错误。
故选A。
2.【答案】 D
【解析】【分析】(1)磁体和磁体之间的作用力叫磁力;
(2)电流的方向影响电磁铁的磁极方向,但是不会影响磁性的大小;
(3)(4)根据滑片移动方向确定阻值变化,再确定电流变化,最后判断磁场强度的变化即可。
【解答】A.将小铁块吸起的力是电磁铁与小铁块之间的磁力,故A错误;
B.对调电源正负极,改变电流方向,能够改变电磁铁的磁极,但电磁铁仍然具有磁性,能够吸起小铁块,故B错误;
CD.当滑动变阻器的滑片向下移动时,电路中的电阻增大,电流变小,电磁铁的磁性减弱,小铁块可能落下,故C错误,D正确。
故选D。
3.【答案】 D
【解析】【分析】(1)小磁针是用来反映磁场方向的,而不是用来决定磁场方向的;
(2)改变电流方向,观察小磁针的指向是否发生改变即可;
(3)磁场是客观存在的,与有无小磁针没有关系;
(4)根据物体间力的作用的相互性分析。
【解答】A.通电导线周围存在磁场,放入小磁针后会受力而发生偏转,根据磁极之间的相互作用可以知道该点的磁场方向,因此小磁针只是反应磁场方向的,故A错误;
B.当改变导线中的磁场方向时,小磁针的指向发生偏转,说明磁场方向发生改变,故B错误;
C.移去小磁针后的通电导线周围仍然存在磁场,故C错误;
D.通电导线对小磁针有力的作用,根据力作用的相互性可知,发生偏转的小磁针对通电导线也有力的作用,故D正确。
故选D。
4.【答案】 C
【解析】【分析】①磁极间的作用规律:同名磁极相互排斥;异名磁极相互吸引.
②影响电磁铁磁性强弱的因素:电流越大磁性越强;线圈匝数越多磁性越强.
③怎样体现电磁铁磁性的大小:用吸引大头针数目的多少.
④串联电路电流处处相等.该题通过探究电磁铁磁性的强弱考查了电与磁多个知识点,综合性较强,但认真分析,难度不是太大.
【解答】解:A、由图可知电磁铁甲的上部都是N极,乙的上部是S极,若将两电磁铁上部靠近,则会吸引,所以选项A的说法不正确.
B、将滑片P向右移动,滑动变阻器的电阻变大,电磁铁中的电流将变小,电磁铁的磁性减弱,所以选项B的说法不正确.
C、电磁铁磁性强弱是通过吸引大头针数目的多少来体现的,所以电磁铁能吸引的大头针越多,表明它的磁性越强.即选项C的说法正确.
D、由于两个电磁铁串联在电路中,故通过两个电磁铁的电流大小相等,故D的说法是错误的.
故选C.
5.【答案】 C
【解析】【分析】(1)电磁铁磁性强弱影响因素:电流大小、线圈匝数多少、有无铁芯.在铁芯和电流一定时,线圈的匝数越多,电磁铁的磁性越强;在线圈和铁芯一定时,电流越大,电磁铁的磁性越强.(2)电磁铁的磁性无法直接观察,而是通过吸引大头针的多少来反映,吸引的大头针越多,电磁铁的磁性越强.(3)串联电路中电流处处相等.(4)根据安培定则判断两个电磁铁的磁极,根据磁极间的相互作用,判断是相互吸引还是相互排斥.掌握电磁铁磁性强弱的影响因素,利用控制变量法和转换法探究电磁铁磁性的影响因素.
【解答】解:A、滑动变阻器的左半段接入电路,当滑片向左移动,滑动变阻器接入电路的电阻变小,电路的电流增大,电磁铁中的电流增大,磁性增强.不符合题意.
B、探究电磁铁磁性强弱的影响因素时,电磁铁磁性通过吸引大头针的多少来反映,电磁铁吸引大头针越多,电磁铁磁性越强.不符合题意.
C、A和B两个电磁铁串联在电路中,通过两个电磁铁的电流是相等的.电磁铁B的磁性较强是因为线圈的匝数比较多的缘故.符合题意.
D、如图,根据安培定则判断两个电磁铁的上部都是N极,下部都是S极,两个电磁铁的上部靠近会出现排斥现象.不符合题意.
故选C.
6.【答案】 A
【解析】【分析】利用安培右手定则判断出通电螺线管的NS极,再根据同名磁极相互排斥,异名磁极相互吸引的作用规律判断弹簧测力计示数的变化.此题主要考查学生对于安培定则的理解和掌握.
【解答】解:闭合开关后,电流从通电螺线管的上流向下,利用右手定则可知通电螺线管的上端为S极,下端为N极,已知测力计下磁体下端为N极,则异名磁极相互吸引,当滑片向左移动时,电流增大,则磁性增强,测力计示数变大.
故选:A.
7.【答案】 C
【解析】【分析】本题主要考查两个方面的知识:(1)滑动变阻器的原理及增大或减小电阻的方法:增大或减小连入电路的电阻线的长度.(2)影响通电螺线管磁性强弱的因素:电流越大磁性越强;线圈匝数越多磁性越强.本题的解题关键是知道使通电螺线管磁性增强的方法是:通过减小变阻器的阻值,增大线圈中的电流.
【解答】解:由图可知通电螺线管的线圈匝数是一定的,要使电磁铁磁性增强,必须增大通过电磁铁的电流,所以滑动变阻器的滑片P应向右滑动,所以选项A、B、D的说法都不正确.
故应选:C.
8.【答案】 B
【解析】【分析】(1)电磁铁磁性的强弱的影响因素:电流的大小、线圈匝数的多少、是否有铁芯.(2)电磁铁磁性的强弱用吸引大头针的多少来表示,这种方法是转换法.(3)采用控制变量法研究电磁铁磁性的强弱的影响因素.用控制变量法和转换法研究电磁铁磁性强弱的影响因素.掌握电磁铁磁性强弱的影响因素.
【解答】解:在电磁铁的铁芯确定时,研究电磁铁磁性强弱跟电流大小和线圈匝数的关系.
A、线圈中的电流一定时,匝数越多,磁性越强,通过实验1与4或2与5或3与6来验证.不符合题意.
B、1与3与5三次实验,电流大小不同,匝数不同,不能推出任何结论.符合题意.
C、匝数一定时,线圈中的电流越大,磁性越强.通过1与2与3(或4与5与6)三次实验来验证.不符合题意.
D、电磁铁的磁性越强,吸引铁钉的数目越多.不符合题意.
故选B.
9.【答案】 A
【解析】【分析】该题考查了利用安培定则判断螺线图磁极的方向,以及磁极间的相互作用,根据安培定则(右手螺旋定则)分别判断出两个线圈的磁极,再根据磁极间的相互作用就可以判断出线圈的运动情况。
【解答】根据安培定则判断,L线圈的左端为S极,右端为N极,P线圈的左端也是N极,右端也是S极,也就是说,中间靠近的位置,两线圈的极性相同,因为同名磁极互相排斥,则这两个线圈相互排斥而左右分开。
故选:A
10.【答案】 C
【解析】【分析】通电螺线管中的安培定则:用右手握住通电螺线管,使四指弯曲与电流方向一致,那么指所指的那一端是通电螺线管的N极;电磁铁的磁性强弱与三个因素有关:电流大小、线圈匝数多少、有无铁芯。同等条件下,通过电磁铁的电流越强,其磁性越强。
【解答】利用右手螺旋定则,用右手握住通电螺线管,使四指弯曲与电流方向一致,那么指所指的那一端是通电螺线管的N极,可知a端为N极;当开关闭合,且将滑动变阻器的滑片P向上移动时,闭合回路中的总电流增大,同等条件下,通过电磁铁的电流越强,其磁性越强;故A、B、D错误,C正确;
故答案为:C。
11.【答案】 C
【解析】【分析】奥斯特电流的磁效验实验发现通电导线周围存在磁场。
【解答】根据奥斯特的实验可知,在静止的小磁针的上方放一根与小磁针平行的直线,会发现通电直导线下方的小磁针发生偏转;故A、B、D错误,C正确;
故答案为:C。
12.【答案】 D
【解析】【分析】首先确定电磁铁线圈上电流的方向,然后根据安培定则判断电磁铁的乙端和丙端分别是哪个磁极;然后利用“同名磁极相互吸引”判断甲端的极性,根据“同名磁极相互排斥”判断丁端的极性。
【解答】电源的左端是正极,电磁铁上线圈的电流方向向下,根据安培定则可知,丙端是N极,乙端是S极;甲端和乙端之间的磁感线相连,说明它们是不同的磁极,根据“异名磁极相互吸引”可知,甲端是N极;因为丙端是N极,根据“同名磁极相互排斥”可知,丁端是N极, 则甲、乙、丙、丁的极性依次是N、S、N、N, 故D选项正确。
故选D。
二、多选题
13.【答案】 B,C
【解析】【解答】在磁体的内部,磁感线从S极到N极,故c端为N极,d端为S极,再根据安培定则,a端为“-”极,b端为“+”极。
【分析】在磁体的外部,磁感线从N极出来,回到S极,在磁体的内部,磁感线从S极到N极。
三、填空题
14.【答案】 存在
【解析】【分析】根据小磁针的作用和磁场的特性分析解答。
【解答】无论导线下方是否放小磁针,电流周围的磁场始终存在。小磁针的作用就是通过自身的偏转证明磁场的存在,因此如果导线下方不放小磁针,当导线中有电流通过时,则该通电导线周围存在磁场。
四、解答题
15.【答案】 解:
从图可知,小磁针的左端是S极,右端为N极;由于同名磁极相互排斥,异名磁极相互吸引可知,通电螺线管的右端是N极,左端是S极.
根据安培定则,伸出右手握住螺线管使大拇指指示通电螺线管的N极,则四指弯曲所指的方向为电流的方向,所以电流由螺线管的左端流入,即电源的左端为正极,右端是负极.如图所示:
【解析】【分析】知道小磁针的磁极,根据磁极间的相互作用,可判断出通电螺线管的磁极,再根据安培定则判断出电流的方向从而找到电源的正负极.
五、实验探究题
16.【答案】 (1)线圈电流大小(或电流大小)
(2)3、6、7
(3)通电螺线管内部的磁场强度与螺线管直径无关,在线圈电流等条件相同时,螺线管匝数越多,磁场强度越强。在螺线管匝数等条件相同时,电流越大螺线管内部的磁场越强。或:通电螺线管内部的磁场强度与螺线管直径无关,线圈电流越大,螺线管匝数越多,磁场越强。或:通电螺线管内部的磁场强度与螺线管直径无关,在线圈电流等条件相同时,磁场强度与螺线管匝数成正比。在螺线管匝数等条件相同时,电流越大螺线管内部的磁场越强。
【解析】【分析】(1)根据表格确定影响磁场强度的因素;
(2)要研究通电螺线管内部磁场强度与螺线管直径之间的关系,必须控制线圈匝数和电流大小相同改变螺线管直径;
(3)根据控制变量法的要求描述通电螺线管与直径、线圈匝数和电流大小的关系。
【解答】(1)本实验的目的是研究通电螺线管内部的磁场强度与螺线管直径、螺线管匝数、 线圈电流大小之间的关系。
(2)要研究通电螺线管内部磁场强度与螺线管直径之间的关系,必须控制线圈匝数和电流大小相同改变螺线管直径,应选择3、6、7;
(3)根据实验3、6、7可知,通电螺线管的磁性与螺线管的直径无关;根据实验1、2、3可知:当线圈匝数相同时,电流越大,通电螺线管的磁场越强;根据实验3、4、5可知,当电流大小相同时,螺线管的线圈匝数越多,磁性越强。电磁铁(线圈)
100匝
50匝
实验次数
1
2
3
4
5
6
电流(A)
0.8
1.2
1.5
0.8
1.2
1.5
吸引铁钉的最多数目(枚)
7
11
14
5
8
10
实验序号
螺线管直径/cm
螺线管匝数/匝
电流大小/A
磁场强度/T
1
1.98
157
0.2
0.41
2
1.98
157
0.4
0.78
3
1.98
157
0.6
1.13
4
1.98
314
0.6
2.24
5
1.98
471
0.6
3.31
6
3.96
157
0.6
1.13
7
5.94
157
0.6
1.13
科学浙教版第2节 电生磁第2课时课时练习: 这是一份科学浙教版<a href="/kx/tb_c5738_t7/?tag_id=28" target="_blank">第2节 电生磁第2课时课时练习</a>,共3页。试卷主要包含了电磁铁是等内容,欢迎下载使用。
科学八年级下册第2节 电生磁第1课时当堂检测题: 这是一份科学八年级下册<a href="/kx/tb_c5738_t7/?tag_id=28" target="_blank">第2节 电生磁第1课时当堂检测题</a>,共3页。
初中科学浙教版八年级下册第2节 电生磁精品复习练习题: 这是一份初中科学浙教版八年级下册第2节 电生磁精品复习练习题,文件包含电生磁现象docx、影响电磁铁强弱的因素docx等2份试卷配套教学资源,其中试卷共19页, 欢迎下载使用。

