2021高考物理大一轮复习题组层级快练:第一单元 匀变速直线运动 作业6 Word版含答案
展开根据实验数据分析,该同学认为物块的运动为匀加速运动.回答下列问题:
(1)在打点计时器打出B点时,物块的速度大小为________m/s.在打出D点时,物块的速度大小为________m/s;(保留两位有效数字)
(2)物块的加速度大小为________m/s2.(保留两位有效数字)
答案 (1)0.56 0.96 (2)2.0
解析 (1)根据匀变速直线运动的中间时刻的速度等于该过程的平均速度,可知vB=eq \f(xAC,2T)=eq \f(4.61+6.59,0.2)×10-2 m/s=0.56 m/s,vD=eq \f(xCE,2T)=eq \f(8.61+10.61,0.2)×10-2 m/s=0.96 m/s;(2)由逐差法可得加速度a=eq \f(xCE-xAC,4T2)=eq \f(10.61+8.61-6.59-4.61,4×0.12)×10-2 m/s2=2.0 m/s2.
2.(2015·课标全国Ⅱ)某学生用图甲所示的实验装置测量物块与斜面的动摩擦因数.已知打点计时器所用电源的频率为50 Hz,物块下滑过程中所得到的纸带的一部分如图乙所示,图中标出了5个连续点之间的距离.
(1)物块下滑时的加速度a=________ m/s2;打C点时物块的速度v=________ m/s;
(2)已知重力加速度大小为g,求出动摩擦因数μ,还需测量的物理量是________(填正确答案标号).
A.物块的质量 B.斜面的高度
C.斜面的倾角
答案 (1)3.25 1.79 (2)C
解析 (1)根据纸带数据可知:加速度a=eq \f((xCD+xDE)-(xAB+xBC),4T2)=3.25 m/s2;打C点时物块的速度vC=eq \f(xBD,2T)=1.79 m/s
(2)由牛顿第二定律,得加速度a=gsinθ-μgcsθ,所以求出动摩擦因数,还需测量的物理量是斜面的倾角.
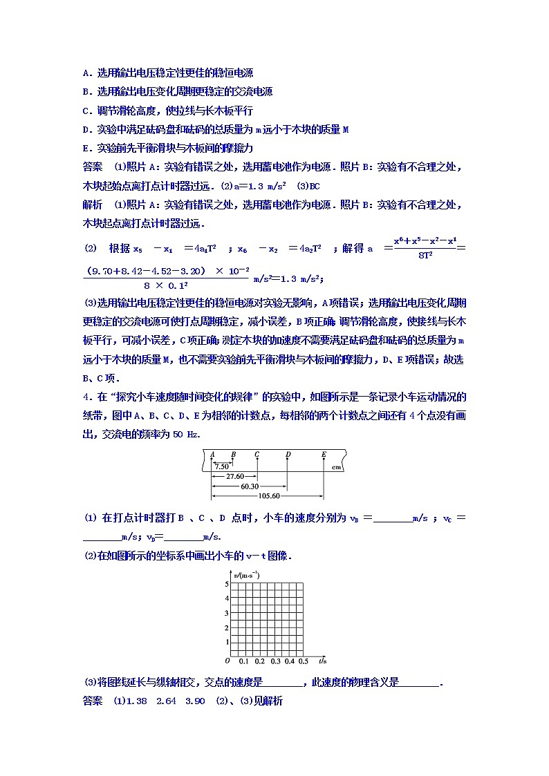
3.(2016·浙江五校联考)如图1所示的(图中长木板水平固定)是高中物理常用的力学实验装置,现用该装置完成测定木块运动加速度a
图1
(1)下例实验照片中是否有实验错误、不合理或不必要之处?若存在问题,请指明问题所在.
A
B
(2)如图2所示为从实验中得到的一条认为最能反映木块匀变速运动纸带的一部分,0,1,2,3,4,5,6为计数点,相邻两计数点间还有4个打点未画出,从纸带上测得x1=3.20 cm,x2=4.52 cm,x5=8.42 cm,x6=9.70 cm,则木块的加速度大小a=________(保留两位有效数字)
图2
(3)下列哪些措施能有助于减小实验的误差( )
A.选用输出电压稳定性更佳的稳恒电源
B.选用输出电压变化周期更稳定的交流电源
C.调节滑轮高度,使拉线与长木板平行
D.实验中满足砝码盘和砝码的总质量为m远小于木块的质量M
E.实验前先平衡滑块与木板间的摩擦力
答案 (1)照片A:实验有错误之处,选用蓄电池作为电源.照片B:实验有不合理之处,木块起始点离打点计时器过远.(2)a=1.3 m/s2 (3)BC
解析 (1)照片A:实验有错误之处,选用蓄电池作为电源.照片B:实验有不合理之处,木块起点离打点计时器过远.
(2)根据x5-x1=4a1T2;x6-x2=4a2T2;解得a=eq \f(x6+x5-x2-x1,8T2)=eq \f((9.70+8.42-4.52-3.20)×10-2,8×0.12) m/s2=1.3 m/s2;
(3)选用输出电压稳定性更佳的稳恒电源对实验无影响,A项错误;选用输出电压变化周期更稳定的交流电源可使打点周期稳定,减小误差,B项正确;调节滑轮高度,使接线与长木板平行,可减小误差,C项正确;测定木块的加速度不需要满足砝码盘和砝码的总质量为m远小于木块的质量M,也不需要实验前先平衡滑块与木板间的摩擦力,D、E项错误;故选B、C项.
4.在“探究小车速度随时间变化的规律”的实验中,如图所示是一条记录小车运动情况的纸带,图中A、B、C、D、E为相邻的计数点,每相邻的两个计数点之间还有4个点没有画出,交流电的频率为50 Hz.
(1)在打点计时器打B、C、D点时,小车的速度分别为vB=________m/s;vC=________m/s;vD=________m/s.
(2)在如图所示的坐标系中画出小车的v-t图像.
(3)将图线延长与纵轴相交,交点的速度是________,此速度的物理含义是________.
答案 (1)1.38 2.64 3.90 (2)、(3)见解析
解析 (1)某一段时间的平均速度等于这段时间中间时刻的瞬时速度,所以B点的瞬时速度
vB=eq \f(sAC,2T)=eq \f(0.276 0,0.2) m/s=1.38 m/s
C点的瞬时速度vC=eq \f(sBD,2T)=eq \f(0.528 0,0.2) m/s=2.64 m/s
D点的瞬时速度vD=eq \f(sCE,2T)=eq \f(0.780,0.2) m/s=3.90 m/s
(2)根据以上数据作出小车的v-t图像,如图所示.
(3)将图线延长与纵轴相交,交点的速度约为v=0.2 m/s.此速度的物理含义是表示0时刻小车经过A点时的速度.
5.某同学用如图所示的装置测定重力加速度:
(1)电火花计时器的工作电压为________,频率为________.
(2)打出的纸带如下图所示,实验时纸带的________端应和重物相连接.(选填“甲”或“乙”)
(3)纸带上1至9各点为计时点,由纸带所示数据可算出实验时的加速度为________ m/s2.
(4)如果当时电网中交变电流的电压变成210 V,而做实验的同学并不知道,那么加速度的测量值与实际值相比________.(填“偏大”“偏小”或“不变”)
答案 (1)交流220 V 50 Hz (2)乙 (3)9.4 (4)不变
解析 (1)交流220 V,50 Hz
(2)开始打点时,速度小,点距近,故乙端与重物相连接.
(3)x23-x78=5aT2,a=eq \f(x23-x78,5T2)=eq \f((3.92-2.04)×10-2,5×(0.02)2) m/s2=9.4 m/s2.
(4)电网中交变电流的电压变化,并不改变电火花计时器的周期,故测量值与实际值相比不变.
6.如图甲,一个圆盘可以绕通过中心垂直于盘面的水平轴转动.圆盘加速转动时,纸带随圆盘运动通过打点计时器打上一系列点.用20分度的游标卡尺测得圆盘的直径如图乙所示,用此装置打出的一条纸带如图丙所示(打点计时器所接交流电的频率为50 Hz,A、B、C、D…为计数点,相邻两计数点间有四个点未画出).
(1)根据图乙读出圆盘的直径为________ cm;
(2)根据图丙计算,打D点时圆盘转动的角速度为________ rad/s;
(3)由图丙可知,纸带运动的加速度大小为________ m/s2.
答案 (1)6.000 (2)13 (3)0.59
解析 (1)整数部分为60 mm,小数部分为零,由于精确度为0.05 mm,故需写到0.001 cm处,故读数为6.000 cm;故直径为6.000 cm;
(2)打下计数点D时,速度为
vD=eq \f(CE,2T)=eq \f(0.131 9-0.054 1,2×0.1) m/s=0.389 m/s
故ω=eq \f(v,r)=eq \f(0.389,0.03) rad/s≈13 rad/s
(3)纸带运动的加速度为a=eq \f(Δx,(Δt)2)=eq \f(CE-AC,(Δt)2)
=eq \f(0.131 9-0.054 1-0.054 1,0.22)=0.59 m/s2
7.利用如图所示的装置可测量滑块在斜面上运动的加速度.一斜面上安装有两个光电门,其中光电门乙固定在斜面上靠近底端处,光电门甲的位置可移动.当一带有遮光片的滑块自斜面上滑下时,与两个光电门都相连的计时器可以显示出遮光片从光电门甲至乙所用的时间t.改变光电门甲的位置进行多次测量,每次都使滑块从同一点由静止开始下滑,并用米尺测量甲、乙之间的距离s,记下相应的t值,所得数据如下表所示.
完成下列填空和作图:
(1)若滑块所受摩擦力为一常量,滑块加速度的大小a、滑块经过光电门乙时的瞬时速度vt、测量值s和t四个物理量之间所满足的关系式是________;
(2)根据表中给出的数据,在下图给出的坐标纸上画出eq \f(s,t)-t图线;
(3)由所画出的eq \f(s,t)-t图线,得出滑块加速度的大小为a=________ m/s2(保留2位有效数字).
答案 (1)eq \f(s,t)=-eq \f(1,2)at+vt(或s=-eq \f(1,2)at2+vtt)
(2)见解析图 (3)2.0(1.8~2.2之间均正确)
解析 (1)沿斜面向下是匀加速运动,反过来也可以看成是初速度为vt的沿斜面向上的匀减速运动,由
位移公式有s=vtt-eq \f(1,2)at2.由于要画eq \f(s,t)-t图像,所以可将上式变形得eq \f(s,t)=-eq \f(a,2)t+vt.
(2)eq \f(s,t)-t图线如图所示.
(3)由eq \f(s,t)=-eq \f(a,2)t+vt可知图像的斜率k=-eq \f(a,2),
所以a=-2k=-eq \f(2×(1.22-1.71),0.78-0.29) m/s2≈2.0 m/s2.
s(m)
0.500
0.600
0.700
0.800
0.900
0.950
t(ms)
292.9
371.5
452.3
552.8
673.8
776.4
eq \f(s,t)(m/s)
1.71
1.62
1.55
1.45
1.34
1.22
2021高考物理大一轮复习题组层级快练:第一单元 匀变速直线运动 作业1 Word版含答案: 这是一份2021高考物理大一轮复习题组层级快练:第一单元 匀变速直线运动 作业1 Word版含答案,共6页。试卷主要包含了选择题,非选择题等内容,欢迎下载使用。
2021高考物理大一轮复习题组层级快练:第一单元 匀变速直线运动 作业5 Word版含答案: 这是一份2021高考物理大一轮复习题组层级快练:第一单元 匀变速直线运动 作业5 Word版含答案,共7页。试卷主要包含了选择题,非选择题等内容,欢迎下载使用。
2021高考物理大一轮复习题组层级快练:第一单元 匀变速直线运动 作业4 Word版含答案: 这是一份2021高考物理大一轮复习题组层级快练:第一单元 匀变速直线运动 作业4 Word版含答案,共7页。试卷主要包含了选择题,非选择题等内容,欢迎下载使用。

