2021届物理一轮复习教案:12.2.5 实验十一 传感器的简单使用 Word版含解析
展开基础点
1.实验装置及电路图
2.实验目的
(1)认识热敏电阻、光敏电阻等传感器的特性。
(2)了解传感器的简单应用。
3.实验原理
传感器是能将所感受到的物理量(如力、热、光、声等等)转换成便于测量的量(一般是电学量)的一类元件。其工作过程是通过对某一物理量敏感的元件,将感受到的信号按一定规律转换成便于利用的信号。如热电传感器是利用热敏电阻将热信号转换成电信号。转换后的信号经过相应的仪器进行处理,就可以达到自动控制的目的。
4.实验器材
热敏电阻、光敏电阻、多用电表、铁架台、烧杯、冷水、热水、小灯泡、学生电源、继电器、滑动变阻器、开关、导线等。
5.实验步骤
A.研究热敏电阻的热敏特性
(1)实验步骤
①按图所示连接好电路,将热敏电阻进行绝缘处理。
②将多用电表置于欧姆挡,选择适当的挡位测出烧杯中没有水时热敏电阻的阻值,并记下温度计的示数。
③向烧杯中注入少量的冷水,使热敏电阻浸没在冷水中,记下温度计的示数和多用电表测量的热敏电阻的阻值。
④将热水分几次注入烧杯,测量不同温度下热敏电阻的阻值,并记录。
(2)数据处理
①根据记录数据,把测量到的温度、电阻值填入表中,分析热敏电阻的特性。
②在如图所示的坐标系中,粗略画出热敏电阻的阻值随温度变化的图线。
(3)实验结论
根据实验数据和Rt图线,得出结论:热敏电阻的阻值随温度的升高而减小,随温度的降低而增大。
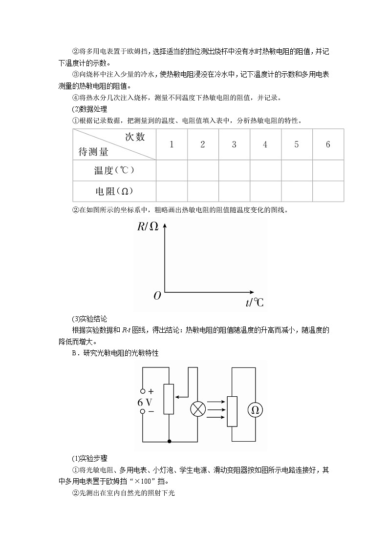
B.研究光敏电阻的光敏特性
(1)实验步骤
①将光敏电阻、多用电表、小灯泡、学生电源、滑动变阻器按如图所示电路连接好,其中多用电表置于欧姆挡“×100”挡。
②先测出在室内自然光的照射下光
敏电阻的阻值,并记录数据。
③打开电源,让小灯泡发光,调节小灯泡的亮度使之逐渐变亮,观察表盘指针显示电阻阻值的情况,并记录。
④测量用手掌(或黑纸)遮光时光敏电阻的阻值并记录。
(2)数据处理
把记录的结果填入下表中,根据记录数据分析光敏电阻的特性。
(3)实验结论
光敏电阻被光照射时其电阻值发生变化,光照增强电阻变小,光照减弱电阻变大。
重难点
一、误差分析
1.温度计读数带来的误差,可以选用精度高的温度计在较长时间内读数三次取平均值。
2.欧姆表的读数带来的误差,可以对同一温度、同一光照强度下的电阻读数三次取平均值。
二、注意事项
1.在做热敏电阻实验时,加开水后要等一会儿再测其阻值,以使电阻温度与水的温度相同,并同时读出水温和电阻值。
2.光敏电阻实验中,如果效果不明显,可将电阻部分电路放入带盖的纸盒中,并通过盖上小孔改变照射到光敏电阻上的光的强度。
3.欧姆表每次换档后都要重新调零。
三、实验改进
1.实验过程
对于热敏电阻的特性,可用以下实验进行研究。
如图所示,将多用电表的选择开关置于欧姆挡,再将电表的两支表笔与负温度系数的热敏电阻RT的两端相连,这时表针指在某一刻度,观察下述操作下的指针偏转情况:
(1)往RT上擦一些酒精。
(2)用吹风机将热风吹向电阻,根据指针偏转方向判断热敏电阻的特性。
2.实验分析
(1)往RT上擦一些酒精,发现指针左偏,说明RT的阻值增大,而酒精蒸发吸热,热敏电阻的温度降低,所以热敏电阻的阻值随温度的降低而增大。
(2)用吹风机将热风吹向电阻,发现指针右偏,说明RT的阻值减小,而热敏电阻RT的温度升高,故热敏电阻的阻值随温度的升高而减小。
优点:改进后的实验简单且易操作,同学们能很快得出结论。
四、霍尔元件
1.霍尔元件
如图所示,在一个很小的矩形半导体(例如砷化铟)薄片上,制作四个电极E、F、M、N,它就成为一个霍尔元件。霍尔元件能够把磁感应强度这个磁学量转换为电压这个电学量。
2.霍尔电压
如上图所示,在E、F间通入恒定电流I,同时外加磁场B,则薄片中的载流子同时受到电场力和磁场力的作用。当磁场力与电场力平衡时,M、N间电势差达到恒定。设薄片厚度为d,EF方向长度为l1,MN方向长度为l2,则qeq \f(UH,l2)=qvB。
又电流的微观表达式为I=nqSv,所以UH=eq \f(IB,nqd)。
因为同一材料单位体积内载流子的个数n、单个载流子的电荷量q均为定值,令k=eq \f(1,nq),所以UH=keq \f(IB,d)。
特别提醒
霍尔电压UH=keq \f(IB,d)中,k为霍尔系数,其大小与薄片的材料有关。
[考法综述] 本实验命题较为新颖,易和新科技等相结合命题,试题难度不会太大,但因其新颖也增加了学生解题的困难,应对方法还是要掌握好课本中出现的几种基本传感器的特点及其变形应用。复习本实验应掌握以下内容:
2种电阻——热敏电阻、光敏电阻
1种元件——霍尔元件
1种原理——传感器的原理
命题法1 传感器在实验中的应用
典例1 如图,一热敏电阻RT放在控温容器M内;mA为毫安表,量程6 mA,内阻为数十欧姆;E为直流电源,电动势约为3 V,内阻很小;R为电阻箱,最大阻值为999.9 Ω;S为开关。已知RT在95 ℃时的阻值为150 Ω,在20 ℃时的阻值约为550 Ω。现要求在降温过程中测量在95~20 ℃之间的多个温度下RT的阻值。
(1)在图中画出连线,完成实验原理电路图。
(2)完成下列实验步骤中的填空:
a.依照实验原理电路图连线。
b.调节控温容器M内的温度,使得RT的温度为95 ℃。
c.把电阻箱调到适当的初值,以保证仪器安全。
d.闭合开关,调节电阻箱,记录电流表的示数I0,并记录________。
e.将RT的温度降为T1(20 ℃
g.逐步降低T1的数值,直至20 ℃为止;在每一温度下重复步骤e、f。
[答案] (1)见解析 (2)d.电阻箱的读数R0 e.仍为I0 电阻箱的读数R1 f.R0-R1+150 Ω
[解析] (1)根据所给器材,要测量在不同温度下RT的阻值,只能将电阻箱、热敏电阻、毫安表与电源串联形成测量电路,如图所示。
(2)依据实验原理电路图连线;调节控温容器M内的温度,使得RT温度为95 ℃,此时RT阻值为150 Ω,将电阻箱调到适当的阻值,以保证仪器安全;闭合开关,调节电阻箱,记录毫安表的示数I0,并记录电阻箱的读数R0,根据欧姆定律有I0=eq \f(E,R0+150 Ω);将RT的温度降为T1(20 ℃<T1<95 ℃);调节电阻箱,使得毫安表的读数仍为I0,记录电阻箱的读数 R1,根据欧姆定律:
I0=eq \f(E,R1+RT1),则eq \f(E,R0+150 Ω)=eq \f(E,R1+RT1),解得RT1=R0-R1+150 Ω。
【解题法】 传感器实验的侧重与注意点
在高考中关于传感器的实验主要侧重于实验电路的设计与连接,实验数据的图象处理,解决该类问题注意以下几点:
(1)依据题目要求或根据传感器的估计阻值设计电路,如分压、限流接法,电流表的内、外接。
(2)实物连线时,一般先将串联的主体电路连接好,然后连接并联的器材。
命题法2 传感器的拓展与创新
典例2 如图所示为某种电子秤的原理示意图,AB为一均匀的滑动变阻器,阻值为R,长度为L,两边分别有P1、P2两个滑动头,与P1相连的金属细杆可在被固定的竖直光滑绝缘杆MN上保持水平状态,金属细杆与托盘相连。金属细杆所受重力忽略不计,弹簧处于原长时P1刚好指向A端,若P1、P2间出现电压时,该电压经过放大通过信号转换器后在显示屏上显示出质量的大小。已知弹簧的劲度系数为k,托盘自身质量为m0,电源的电动势为E,电源的内阻忽略不计,信号放大器、信号转换器和显示器的分流作用忽略不计,求:
(1)托盘上未放物体时在托盘的自身重力作用下P1距A端的距离x1;
(2)在托盘上放有质量为m的物体时P1距A端的距离x2;
(3)在托盘上未放物体时通常先校准零点,其方法是调节P2,从而使P1、P2间的电压为零,校准零点后将被称物体放在托盘上。试推导出被称物体的质量m与P1、P2间电压U的函数关系式。
[答案] (1)eq \f(m0g,k) (2)eq \f(m+m0g,k) (3)m=eq \f(kL,gE)U
[解析] (1)由力的平衡知识知
m0g=kx1,x1=eq \f(m0g,k)。
(2)放上重物重新平衡后
m0g+mg=kx2,x2=eq \f(m+m0g,k)。
(3)设电路中的电流为I,则E=IR,
设P1、P2间的电阻为Rx,距离为x,则
U=IRx,eq \f(Rx,R)=eq \f(x,L),x=x2-x1,解得m=eq \f(kL,gE)U。
【解题法】 传感器的工作过程设计
光照强度
弱
中
强
无光照射
电阻(Ω)
高考物理一轮总复习实验教案 实验十一练习使用多用电表 (含答案): 这是一份高考物理一轮总复习实验教案 实验十一练习使用多用电表 (含答案),共9页。
物理一轮复习教案:12-2-4 实验十 练习使用多用电表 word版含解析: 这是一份物理一轮复习教案:12-2-4 实验十 练习使用多用电表 word版含解析,共11页。教案主要包含了实验原理,误差分析,注意事项,实验改进等内容,欢迎下载使用。
物理一轮复习教案:12-1-5 实验五 探究动能定理 word版含解析: 这是一份物理一轮复习教案:12-1-5 实验五 探究动能定理 word版含解析,共9页。教案主要包含了数据处理,误差分析,注意事项,实验改进等内容,欢迎下载使用。

